Mesa

Контроллеры, драйверы, датчики, управляющие устройства.
Аватара пользователя
tooshka
Почётный участник
Почётный участник
Сообщения: 1803
Зарегистрирован: 24 окт 2012, 14:26
Репутация: 209
Настоящее имя: Андрей
Откуда: Нижний Новгород
Контактная информация:

Re: Mesa

Сообщение tooshka »

В среднем по списку:
5i25+7i76 (6i25+7i76 - для PCI-E)
Имеем:
5 осей step/dir (без обратной связи)///
А что на 7i76 нельзя линейки или линейные энкодеры (наверно это одно и тоже)) завести?
Милая, ты услышь меня
под окном стою со своим я ЧПУ! (Протяжно; с надрывом; форте)
Внимание!!! Чрезмерное увлечение ЧПУ приводит к проблемам в семейных отношениях!
Аватара пользователя
Nick
Мастер
Сообщения: 22776
Зарегистрирован: 23 ноя 2009, 16:45
Репутация: 1735
Заслуга: Developer
Откуда: Gatchina, Saint-Petersburg distr., Russia
Контактная информация:

Re: Mesa

Сообщение Nick »

tooshka писал(а):А что на 7i76 нельзя линейки или линейные энкодеры (наверно это одно и тоже)) завести?
Только 1.
Там нет энкодеров на каждую ось, как на 7i77, только 1 энкодер на шпиндель.

По идее наверное можно экнодеры повесить на свободный разъем 5i25, но это надо проверить.
Аватара пользователя
tooshka
Почётный участник
Почётный участник
Сообщения: 1803
Зарегистрирован: 24 окт 2012, 14:26
Репутация: 209
Настоящее имя: Андрей
Откуда: Нижний Новгород
Контактная информация:

Re: Mesa

Сообщение tooshka »

Там нет энкодеров на каждую ось, как на 7i77, только 1 энкодер на шпиндель. ///
Может я чего то не понимаю? На 77 энкодеры цепляются от серводрайверов? А как вообще линейки (оптические магнитные или л.энкодеры ) со всей этой системой подружить?
Блин опять мы старую дискусию развели)) Наверно надо взять 5i25+7i77+7i76 и попробовать. Только я не в курсе можно ли все это в одну кучу лепить? Просто сейчас сервоприводы -+10 не так просто найти. Если степ/дир без обратки и любые линейки завести?

По идее наверное можно экнодеры повесить на свободный разъем 5i25, но это надо проверить.///

Так ты меня и толкаешь упорно в сторону KFLOP))))
Милая, ты услышь меня
под окном стою со своим я ЧПУ! (Протяжно; с надрывом; форте)
Внимание!!! Чрезмерное увлечение ЧПУ приводит к проблемам в семейных отношениях!
nkp
Мастер
Сообщения: 8340
Зарегистрирован: 28 ноя 2011, 00:25
Репутация: 1589
Контактная информация:

Re: Mesa

Сообщение nkp »

tooshka писал(а):Только я не в курсе можно ли все это в одну кучу лепить?
можно
вот прошивка для это пары:
Рабочий стол 1(002).jpg (1978 просмотров) <a class='original' href='./download/file.php?id=11373&mode=view' target=_blank>Загрузить оригинал (282.43 КБ)</a>
tooshka писал(а):На 77 энкодеры цепляются от серводрайверов?
что значит от серводрайверов?
энкодер может стоять где угодно - на движке , на швп , на шпинделе
а подключается он уже к приводу ("серводрайвер" на "их" манер)
Аватара пользователя
tooshka
Почётный участник
Почётный участник
Сообщения: 1803
Зарегистрирован: 24 окт 2012, 14:26
Репутация: 209
Настоящее имя: Андрей
Откуда: Нижний Новгород
Контактная информация:

Re: Mesa

Сообщение tooshka »

можно
вот прошивка для это пары: ///

Благодарствую)) Теперь немного понятнее стало))

что значит от серводрайверов?
энкодер может стоять где угодно - на движке , на швп , на шпинделе
а подключается он уже к приводу ("серводрайвер" на "их" манер)///

Наверно я немного не так выразился. Вот у меня на работе на буржуйских станках серва с энкодером (это очевидно) плюс одна или две линейки на ось как там эту кашу система (рексрот) разруливает фиг знает? Как такое на МЕСЕ замутить?
Милая, ты услышь меня
под окном стою со своим я ЧПУ! (Протяжно; с надрывом; форте)
Внимание!!! Чрезмерное увлечение ЧПУ приводит к проблемам в семейных отношениях!
Аватара пользователя
Nick
Мастер
Сообщения: 22776
Зарегистрирован: 23 ноя 2009, 16:45
Репутация: 1735
Заслуга: Developer
Откуда: Gatchina, Saint-Petersburg distr., Russia
Контактная информация:

Re: Mesa

Сообщение Nick »

tooshka писал(а):Вот у меня на работе на буржуйских станках серва с энкодером (это очевидно) плюс одна или две линейки на ось как там эту кашу система (рексрот) разруливает фиг знает? Как такое на МЕСЕ замутить?
А как оно работает?
Вся суть в том, что задание двигателю генерирует PID на основе задания от LinuxCNC и обратной связи. Когда есть мотор+энкодер, все просто задание мотору, энкодер - обратная связь. Когда мотор + линейка - тоже самое. А вот когда есть мотор+энкодер+две линейки возникает вопрос: Что делать, если энкодер, и обе линейки дают разные показания?

Можно добавить различные вычисления, например:
(обратная связь)=((линейка1)+(линейка2))/2,
или например
(обратная связь)=((линейкаX1)*(1-y/ymax)+(линейкаX2)*(y/ymax) Т.е. обратная связь рассчитывается из двух линеек, в зависимости от расстояния каретки по перпендикулярной оси.

Но обратная связь должна быть задана однозначно!
Аватара пользователя
ukr-sasha
Мастер
Сообщения: 3401
Зарегистрирован: 21 мар 2011, 07:47
Репутация: 2181
Настоящее имя: Украинец Александр Григорьевич
Откуда: Киев, Украина
Контактная информация:

Re: Mesa

Сообщение ukr-sasha »

Энкодер заводится на серводрайвер, а линейка на контроллер, т.е. Месу. Грубо говоря, по энкодеру драйвер отслеживает скорость, а по линейке контроллер положение.
Как то так, если ничего не путаю. :-)
Аватара пользователя
Nick
Мастер
Сообщения: 22776
Зарегистрирован: 23 ноя 2009, 16:45
Репутация: 1735
Заслуга: Developer
Откуда: Gatchina, Saint-Petersburg distr., Russia
Контактная информация:

Re: Mesa

Сообщение Nick »

А смысл? В принципе можно и так:
Тогда надо 2 разных ПИД, первый будет следить за двигателем и отслеживать его работу по энкодеру, второй будет отслеживать следование траектории по линейке. Но надо ли оно???
nkp
Мастер
Сообщения: 8340
Зарегистрирован: 28 ноя 2011, 00:25
Репутация: 1589
Контактная информация:

Re: Mesa

Сообщение nkp »

Nick писал(а):Но надо ли оно???
во всех советских приводах так и было: 2-3 регулятора ПИ
Аватара пользователя
Nick
Мастер
Сообщения: 22776
Зарегистрирован: 23 ноя 2009, 16:45
Репутация: 1735
Заслуга: Developer
Откуда: Gatchina, Saint-Petersburg distr., Russia
Контактная информация:

Re: Mesa

Сообщение Nick »

Не вопрос, тогда грузим нужное количество компонентов PID и выстраиваем их в цепочку.

Боюсь даже подумать, как их после этого настраивать...
Аватара пользователя
ukr-sasha
Мастер
Сообщения: 3401
Зарегистрирован: 21 мар 2011, 07:47
Репутация: 2181
Настоящее имя: Украинец Александр Григорьевич
Откуда: Киев, Украина
Контактная информация:

Re: Mesa

Сообщение ukr-sasha »

http://www.chipmaker.ru/topic/100711/pa ... msearch__1
Много полезного по теме ПИД регулирования. Особенно предпоследний пост.
nkp
Мастер
Сообщения: 8340
Зарегистрирован: 28 ноя 2011, 00:25
Репутация: 1589
Контактная информация:

Re: Mesa

Сообщение nkp »

Nick писал(а):нужное количество компонентов PID
если это реплика относится к "2-3 регулятора ПИ" -
то спешу заметить (дабы не вводить в заблуждение)
на приводах стоят ПИ-регуляторы не программные
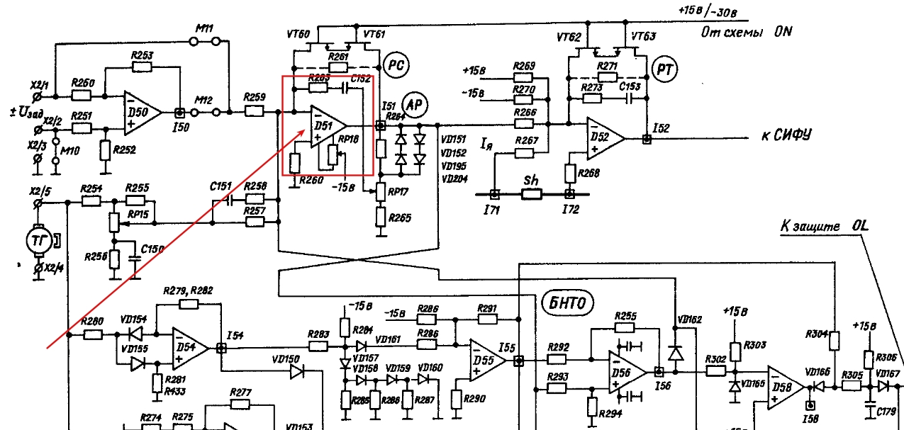
они выполнены чаще на ОУ с звеном конденсатор+резистор
регулируются с движком на заводе-изготовителе
вот как это выглядит в болгарах:
Выделение(007).jpg (1953 просмотра) <a class='original' href='./download/file.php?id=11380&mode=view' target=_blank>Загрузить оригинал (347.16 КБ)</a>
выделенный - это регулятор скорости РС
справа подобный - регулятор тока РТ
Аватара пользователя
Nick
Мастер
Сообщения: 22776
Зарегистрирован: 23 ноя 2009, 16:45
Репутация: 1735
Заслуга: Developer
Откуда: Gatchina, Saint-Petersburg distr., Russia
Контактная информация:

Re: Mesa

Сообщение Nick »

nkp писал(а):они выполнены чаще на ОУ с звеном конденсатор+резистор
регулируются с движком на заводе-изготовителе
вот как это выглядит в болгарах:
А если на них повесить доп нагрузку его не надо будет перенастраивать.
nkp
Мастер
Сообщения: 8340
Зарегистрирован: 28 ноя 2011, 00:25
Репутация: 1589
Контактная информация:

Re: Mesa

Сообщение nkp »

Nick писал(а):А если на них повесить доп нагрузку
если на них - это на движки - то там уже некуда вешать :)
на станках приводные движки работают "по полной программе"
имхо -перестраивать надо бы было в обратном случае - если движок разгрузить это про РС
ну а с РТ может и сыграет роль увеличение инерции системы
но это уже дебри тонких точных наук , отсутствие знаний по которым
и приводит в большинстве случаев к тягомотине при настройках оборудования сложностью выше средней ;)
Аватара пользователя
tooshka
Почётный участник
Почётный участник
Сообщения: 1803
Зарегистрирован: 24 окт 2012, 14:26
Репутация: 209
Настоящее имя: Андрей
Откуда: Нижний Новгород
Контактная информация:

Re: Mesa

Сообщение tooshka »

nkp писал(а):можно
вот прошивка для это пары:
Забыл спросить а как сконектить все в кучу вроде бы на 5i25 для этого один разъем? 5i25+7i76+7i77 ??
Милая, ты услышь меня
под окном стою со своим я ЧПУ! (Протяжно; с надрывом; форте)
Внимание!!! Чрезмерное увлечение ЧПУ приводит к проблемам в семейных отношениях!
nkp
Мастер
Сообщения: 8340
Зарегистрирован: 28 ноя 2011, 00:25
Репутация: 1589
Контактная информация:

Re: Mesa

Сообщение nkp »

Выделение(021).jpg (1922 просмотра) <a class='original' href='./download/file.php?id=11438&mode=view' target=_blank>Загрузить оригинал (160.39 КБ)</a>
Аватара пользователя
tooshka
Почётный участник
Почётный участник
Сообщения: 1803
Зарегистрирован: 24 окт 2012, 14:26
Репутация: 209
Настоящее имя: Андрей
Откуда: Нижний Новгород
Контактная информация:

Re: Mesa

Сообщение tooshka »

ООО как )) ясно Спасибочки!!
Милая, ты услышь меня
под окном стою со своим я ЧПУ! (Протяжно; с надрывом; форте)
Внимание!!! Чрезмерное увлечение ЧПУ приводит к проблемам в семейных отношениях!
1240
Мастер
Сообщения: 972
Зарегистрирован: 25 янв 2013, 17:11
Репутация: 278
Откуда: Украина, Харьков.
Контактная информация:

Re: Mesa

Сообщение 1240 »

Подскажите пожалуйста.

В Украине есть продавцы MESA?
nkp
Мастер
Сообщения: 8340
Зарегистрирован: 28 ноя 2011, 00:25
Репутация: 1589
Контактная информация:

Re: Mesa

Сообщение nkp »

1240 писал(а):В Украине есть продавцы MESA?
нет
купить можно здесь , здесь , и здесь
st_79
Новичок
Сообщения: 16
Зарегистрирован: 14 мар 2014, 17:37
Репутация: 0
Контактная информация:

Re: Mesa

Сообщение st_79 »

Приветствую всех форумчан, подскажите плиз по 8и20 + hs-kfs43b(Mitsubishi)? ,будут дружит???
Ответить

Вернуться в «Электроника»