Фигня какая-тоCross писал(а):проблема может крыться в некачественных кондерах, которые на холоде теряют емкость, замерзают, высыхают
Непропай - запросто. Как пример - какие-то SMD-резисторы до монтажа хранились долго в неправильных условиях, что ухудшило смачиваемость припоем их контактов. Вроде запаяли и все работает, но при достаточной деформации платы (от температуры или встряски) оторвались от припоя. Причем визуально это не обнаружить, только прозвонкой, да и то без гарантии.Cross писал(а):Микротрещина на двух драйверах?
Еще бывает, что на некачественно изготовленных платах "рвется" металлизация переходных отверстий. Точнее металлизация отверстия отрывается от кольца фольги на одной из сторон платы. Но это бывает реже, чем отрыв контакта детали от припоя.
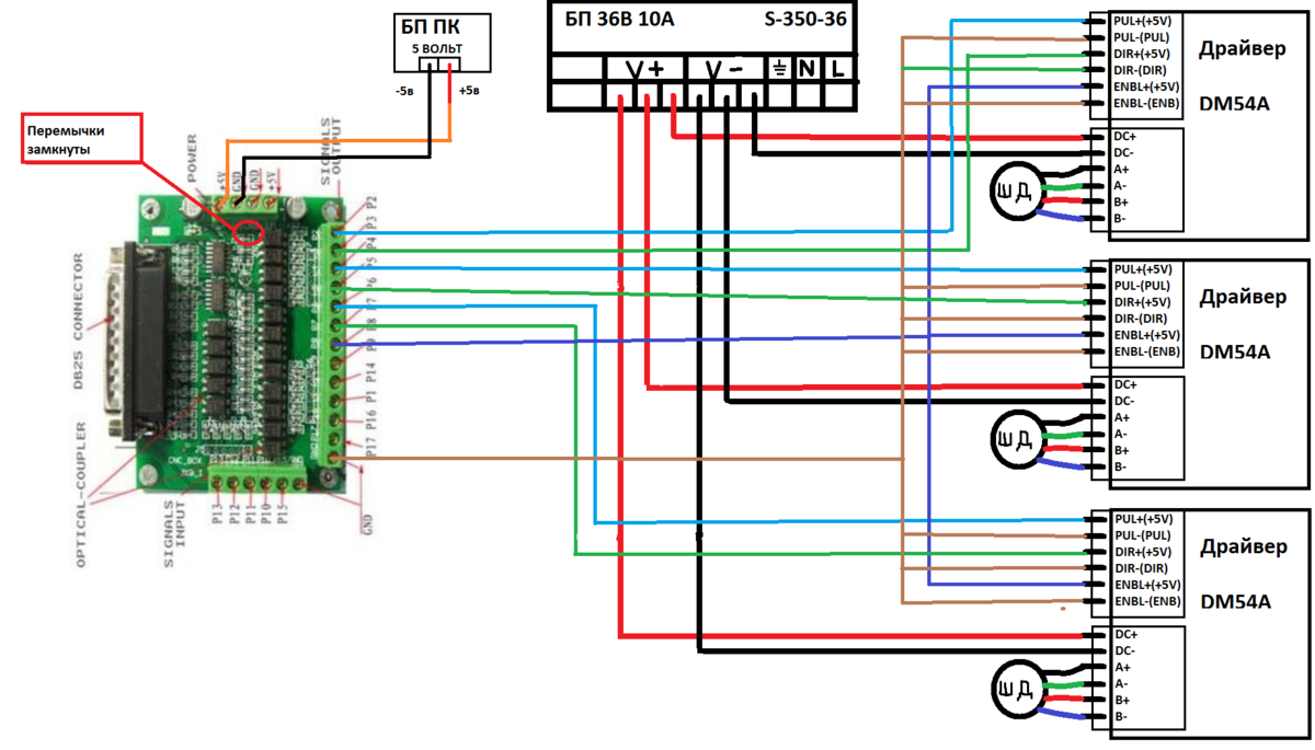
Нужно отслеживать пропадающий сигнал последовательно от самого входа до микросхемы драйвера или проца, искать где он пропадает.
Тоже один шанс из сотни тысяч.Cross писал(а):Но говорят еще и проц может так глючить
