Страница 10 из 49

Re: интересные предложения с авито

Добавлено: 17 май 2015, 11:35
Фукс
Видимо на нем можно ступенчато обороты на шпинделе менять.

Re: интересные предложения с авито

Добавлено: 17 май 2015, 11:54
Supermagnetto
vovafed писал(а):свой шпиндель вчера оплатил
в понедельник обещает выслать
говорит еще по пять штук обоих приводов есть
https://www.avito.ru/perm/oborudovanie_ ... _570021340
немного подозрительно в понедельник видно будет :roll:
Ладно признаюсь) Я один тож урвал)) Пока не знаю зачем, но урвал)) Продавец честный, т.к. не волнуйся я ему денег скинул с утра, он в обед уже отправил..и скинул мне копию квитка ДЛ... так что не парься!

Re: интересные предложения с авито

Добавлено: 17 май 2015, 12:06
ukr-sasha
Supermagnetto писал(а):Я один тож урвал))
Хоть похвастайтесь. А еще лучше со вскрытием.

Re: интересные предложения с авито

Добавлено: 17 май 2015, 12:10
Predator
Supermagnetto писал(а):Я один тож урвал
А всё-таки, где находятся привода, в Перми или в Харькове? :think:
А то я ему задал такой вопрос, он что-то молчит пока :wik:

Re: интересные предложения с авито

Добавлено: 17 май 2015, 12:21
Predator
PS: Только что отписал, что привода находятся в Перми

Re: интересные предложения с авито

Добавлено: 17 май 2015, 12:50
Supermagnetto
Пока не получил. Поэтому не говорил)
Посылка с Перми идёт.

Re: интересные предложения с авито

Добавлено: 17 май 2015, 13:14
vovafed
Фукс писал(а):Видимо на нем можно ступенчато обороты на шпинделе менять.
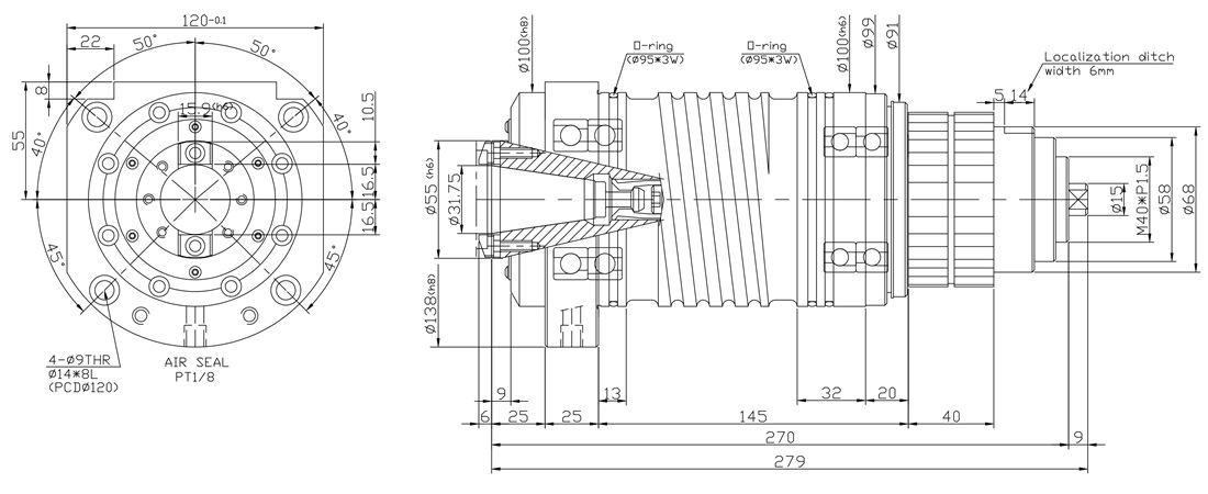
обороты подбираются одной парой шестерен
на схеме видно
не понятно как вторая пара переключается на фото нет рычагов

Re: интересные предложения с авито

Добавлено: 17 май 2015, 16:44
Supermagnetto
vovafed писал(а):
Фукс писал(а):Видимо на нем можно ступенчато обороты на шпинделе менять.
обороты подбираются одной парой шестерен
на схеме видно
не понятно как вторая пара переключается на фото нет рычагов
Честно говоря не думал пока что да как.. вот придёт и буду разбирать и смотреть... меня побольше части в данном изделии интересует потрон=) а остальное возможно я вообще выброшу и сделаю ременную передачу...т.к. 2.2 кВт мне явно не подойдёт..Мне необходимо хотя бы 7...

Re: интересные предложения с авито

Добавлено: 18 май 2015, 12:06
vovafed
:D мой шпиндель поехал
вес по транспортной накладной 190кг

Re: интересные предложения с авито

Добавлено: 18 май 2015, 13:08
Predator
vovafed писал(а):вес по транспортной накладной 190кг
Не хилый такой вес, потом одному и не забрать будет, ну или доставку из транспортной до места заказывать.

Re: интересные предложения с авито

Добавлено: 18 май 2015, 13:15
vovafed
мне с тк еще 250 км везти :(
газельки с работы ходят постараюсь договорится

Re: интересные предложения с авито

Добавлено: 18 май 2015, 13:25
Predator
vovafed писал(а):мне с тк еще 250 км везти
Да не близко. Кстати, у него все привода с конусом исо 40 остались? А то ему пишу, спрашиваю, а он не понимает, что за конус и где он, зато фоток еще выслал :hehehe:
WP_20150513_008.jpg (2257 просмотров) <a class='original' href='./download/file.php?id=50486&mode=view' target=_blank>Загрузить оригинал (1.65 МБ)</a>
WP_20150513_010.jpg (2257 просмотров) <a class='original' href='./download/file.php?id=50487&mode=view' target=_blank>Загрузить оригинал (1.84 МБ)</a>
WP_20150513_017.jpg (2257 просмотров) <a class='original' href='./download/file.php?id=50488&mode=view' target=_blank>Загрузить оригинал (1.76 МБ)</a>
WP_20150514_005.jpg (2257 просмотров) <a class='original' href='./download/file.php?id=50489&mode=view' target=_blank>Загрузить оригинал (1.68 МБ)</a>
WP_20150514_006.jpg (2257 просмотров) <a class='original' href='./download/file.php?id=50490&mode=view' target=_blank>Загрузить оригинал (1.73 МБ)</a>

Re: интересные предложения с авито

Добавлено: 18 май 2015, 13:39
vovafed
в суботу звонил как понял осталось что 5шт с исо и 5 с морзе
лучше по почте и фото с исо вложить

Re: интересные предложения с авито

Добавлено: 18 май 2015, 13:47
Predator
vovafed писал(а):лучше по почте и фото с исо вложить
Я с ним по почте и переписываюсь, вот фото, которые выше он мне и прислал. По фото видно, что конус не морзе, а вот исо 40 ли он тоже не понятно? Хотя других у него вроде нет, значит исо 40 :)

Re: интересные предложения с авито

Добавлено: 18 май 2015, 13:56
vovafed
:thinking: я думал это км4, упоров нет
просил его такой как на фото выслать
(для просмотра содержимого нажмите на ссылку)
подравил :oops:

Re: интересные предложения с авито

Добавлено: 18 май 2015, 14:11
ukr-sasha
vovafed писал(а): я думал это км4, упоров нет
Как нет???
Я на фото их отчетливо вижу!

Re: интересные предложения с авито

Добавлено: 18 май 2015, 14:14
vovafed
я про второй привод этот

Re: интересные предложения с авито

Добавлено: 18 май 2015, 14:45
Predator
Вот мне тоже с сухарями надо, а он мне такие фото прислал, но без сухарей не хотелось бы.
Еще интересно, можно ли в нём автосмену сделать, т.е. зажимную цангу там есть куда смонтировать :think:

На подобии:
B30-100.jpg (2213 просмотров) <a class='original' href='./download/file.php?id=50494&mode=view' target=_blank>Загрузить оригинал (116.9 КБ)</a>

Re: интересные предложения с авито

Добавлено: 18 май 2015, 16:48
ukr-sasha
Под зажимную цангу должна быть выточка внутри.
Вряд ли есть.

Re: интересные предложения с авито

Добавлено: 18 май 2015, 17:26
Predator
ukr-sasha писал(а):Под зажимную цангу должна быть выточка внутри
Вот это я и хочу узнать, прийдётся подожать, когда кому-то из купивших приедет, чтобы могли посмотреть. А так, кота в мешке покупать не хочется.