USBCNC GRBL 4 оси (6 осей!)
- Mamont
- Мастер
- Сообщения: 2005
- Зарегистрирован: 10 дек 2015, 12:21
- Репутация: 391
- Настоящее имя: Виталий
- Откуда: РБ Минск
- Контактная информация:
Re: USBCNC GRBL 4 оси (6 осей!)
На стабильно работающей "игрушке", без сбоев и зависаний, можно и деньгу делать
- selenur
- Почётный участник

- Сообщения: 4605
- Зарегистрирован: 21 авг 2013, 19:44
- Репутация: 1622
- Настоящее имя: Сергей
- Откуда: Новый Уренгой
- Контактная информация:
Re: USBCNC GRBL 4 оси (6 осей!)
Эти регуляторы предназначены для изменения скорости, мощности от установленной командами Sxxx, G1 Fxxx, что-бы не меняя текст г-кода, скорректировать работу станка.vegasuz писал(а):В программе параметр-СКОРОСТЬ/МОЩНОСТЬ для чего-то закладывался же. Я так понял это для управления оборотами шпинделя. Или я неправильно понимаю?
А вот насчет использования вывода шпиндель вкл/выключен, и направления вращения, про которые ты написал выше, я незнаю...
Мой сайт: http://selenur.ru
Исходники моих программ: https://github.com/selenur
Instagram https://www.instagram.com/zheigurov/
Исходники моих программ: https://github.com/selenur
Instagram https://www.instagram.com/zheigurov/
- vegasuz
- Новичок
- Сообщения: 38
- Зарегистрирован: 19 авг 2019, 18:03
- Репутация: 0
- Настоящее имя: Иванов Иван Иванович
- Контактная информация:
Re: USBCNC GRBL 4 оси (6 осей!)
Проверил, при команде М3 (вкл. шпинделя) появляется высокий уровень на 29 ноге (SPINDEL_PWM_BIT). Командами М5 и М30 выключает- низкий. На 18 и 19 ногах-нули в любом случае. Видимо планировалась работа контроллера несколько иначе: командами М3, М5, М30 включение(отключение) шпинделя SPINDEL_DIRECTION_BIT (18 нога), а управление оборотами SPINDEL_PWM_BIT (29 нога) ШИМ с регулируемым заполнением в соответствии Sxxx. Но по факту никакого регулирования скорости/ мощности не происходит.selenur писал(а):Эти регуляторы предназначены для изменения скорости, мощности от установленной командами Sxxx, G1 Fxxx, что-бы не меняя текст г-кода, скорректировать работу станка.vegasuz писал(а):В программе параметр-СКОРОСТЬ/МОЩНОСТЬ для чего-то закладывался же. Я так понял это для управления оборотами шпинделя. Или я неправильно понимаю?
А вот насчет использования вывода шпиндель вкл/выключен, и направления вращения, про которые ты написал выше, я незнаю...
- selenur
- Почётный участник

- Сообщения: 4605
- Зарегистрирован: 21 авг 2013, 19:44
- Репутация: 1622
- Настоящее имя: Сергей
- Откуда: Новый Уренгой
- Контактная информация:
Re: USBCNC GRBL 4 оси (6 осей!)
Если параметр $31=0 то команда M3 Sxxx (xxx - значение от 0 до 1000) должна задавать заполнение PWM на выводе PA8 (29 вывод на картинке http://robomechs.com/grbl-1-1-smt32f103c8t6/)
Если $31=1 то тут логика работы вывода немного сложнее.
Если $31=1 то тут логика работы вывода немного сложнее.
Мой сайт: http://selenur.ru
Исходники моих программ: https://github.com/selenur
Instagram https://www.instagram.com/zheigurov/
Исходники моих программ: https://github.com/selenur
Instagram https://www.instagram.com/zheigurov/
- vegasuz
- Новичок
- Сообщения: 38
- Зарегистрирован: 19 авг 2019, 18:03
- Репутация: 0
- Настоящее имя: Иванов Иван Иванович
- Контактная информация:
Re: USBCNC GRBL 4 оси (6 осей!)
Может быть параметр $32 Где можно посмотреть весь список параметров и описания к ним?selenur писал(а):Если параметр $31=0 то команда M3 Sxxx (xxx - значение от 0 до 1000) должна задавать заполнение PWM на выводе PA8 (29 вывод на картинке http://robomechs.com/grbl-1-1-smt32f103c8t6/)
Если $31=1 то тут логика работы вывода немного сложнее.
- selenur
- Почётный участник

- Сообщения: 4605
- Зарегистрирован: 21 авг 2013, 19:44
- Репутация: 1622
- Настоящее имя: Сергей
- Откуда: Новый Уренгой
- Контактная информация:
Re: USBCNC GRBL 4 оси (6 осей!)
А, да, действительно............
https://github.com/gnea/grbl/wiki/Grbl- ... figurationvegasuz писал(а):Где можно посмотреть весь список параметров и описания к ним?
Мой сайт: http://selenur.ru
Исходники моих программ: https://github.com/selenur
Instagram https://www.instagram.com/zheigurov/
Исходники моих программ: https://github.com/selenur
Instagram https://www.instagram.com/zheigurov/
- vegasuz
- Новичок
- Сообщения: 38
- Зарегистрирован: 19 авг 2019, 18:03
- Репутация: 0
- Настоящее имя: Иванов Иван Иванович
- Контактная информация:
Re: USBCNC GRBL 4 оси (6 осей!)
При включении параметра $21=0 (Hard limits) МК сваливается в АВАРИЮ, причем ничего кроме шнура USB к плате SMT32F103C8T6 не подключено. Программа даже не сообщает, что АВАРИЯ, только при дальнейших каких-либо действиях. Параметр $32 невозможно записать в МК как $32=1. Но самое неудобное- нет функции "запуск с такого-то кадра" при работе из файла.
- selenur
- Почётный участник

- Сообщения: 4605
- Зарегистрирован: 21 авг 2013, 19:44
- Репутация: 1622
- Настоящее имя: Сергей
- Откуда: Новый Уренгой
- Контактная информация:
Re: USBCNC GRBL 4 оси (6 осей!)
Такое исключительное событие в программе не реализовано.vegasuz писал(а):При включении параметра $21=0 (Hard limits) МК сваливается в АВАРИЮ, причем ничего кроме шнура USB к плате SMT32F103C8T6 не подключено. Программа даже не сообщает, что АВАРИЯ, только при дальнейших каких-либо действиях. Параметр $32 невозможно записать в МК как $32=1. Но самое неудобное- нет функции "запуск с такого-то кадра" при работе из файла.
Как и запуск с определенного кадра, тем более что функционал посылки G-кодов из файла в контроллер я так и не доделал, и не проверил в работе полноценно...
Мой сайт: http://selenur.ru
Исходники моих программ: https://github.com/selenur
Instagram https://www.instagram.com/zheigurov/
Исходники моих программ: https://github.com/selenur
Instagram https://www.instagram.com/zheigurov/
-
calabr
- Мастер
- Сообщения: 937
- Зарегистрирован: 04 янв 2019, 15:19
- Репутация: 146
- Настоящее имя: Calabr
- Откуда: Киев
- Контактная информация:
Re: USBCNC GRBL 4 оси (6 осей!)
Подскажите, влезет-ли в этот контроллер код и пины под простенький пульт?
Например 4 оси + аналоговый джостик и кнопки выбора осей, штурвал, несколько светодиодов? Или готовый пульт под COM/USB/Bluetooth подключить?
Сейчас стоит GRBL на ардуине - адски неудобро управлять мышкой и клавой.
Например 4 оси + аналоговый джостик и кнопки выбора осей, штурвал, несколько светодиодов? Или готовый пульт под COM/USB/Bluetooth подключить?
Сейчас стоит GRBL на ардуине - адски неудобро управлять мышкой и клавой.
- selenur
- Почётный участник

- Сообщения: 4605
- Зарегистрирован: 21 авг 2013, 19:44
- Репутация: 1622
- Настоящее имя: Сергей
- Откуда: Новый Уренгой
- Контактная информация:
Re: USBCNC GRBL 4 оси (6 осей!)
Вроде места для дополнительного кода достаточно, часть пинов можно конечно пустить и на другие задачи, тут главное для себя определиться что нужно.
Еще как более простой вариант использовать второй контроллер который по uart будет в этот посылать g-код.
Еще как более простой вариант использовать второй контроллер который по uart будет в этот посылать g-код.
Мой сайт: http://selenur.ru
Исходники моих программ: https://github.com/selenur
Instagram https://www.instagram.com/zheigurov/
Исходники моих программ: https://github.com/selenur
Instagram https://www.instagram.com/zheigurov/
-
calabr
- Мастер
- Сообщения: 937
- Зарегистрирован: 04 янв 2019, 15:19
- Репутация: 146
- Настоящее имя: Calabr
- Откуда: Киев
- Контактная информация:
Re: USBCNC GRBL 4 оси (6 осей!)
Мне, например, больше 4 осей в обозримом будущем не понадобится.
2 пина с АЦП на джостик, 4 на 6 кнопок и штурвал. +1а запустить индикацию на пины кнопок.
Или еще 2 АЦП на кнопки и 2 на штурвал, индикацию на I2C, туда-же флешку для настроек... Если места хватит...
2 пина с АЦП на джостик, 4 на 6 кнопок и штурвал. +1а запустить индикацию на пины кнопок.
Или еще 2 АЦП на кнопки и 2 на штурвал, индикацию на I2C, туда-же флешку для настроек... Если места хватит...
-
ivekill
- Новичок
- Сообщения: 9
- Зарегистрирован: 09 июл 2019, 11:16
- Репутация: 0
- Настоящее имя: ivekill
- Контактная информация:
Re: USBCNC GRBL 4 оси (6 осей!)
В последней версии Candle 1.2b можно вешать почти любые команды на любые клавиши клавиатуры, можно использовать беспроводной "numpad" в место пульта, я использую блютуз геймпад+xpadder.calabr писал(а):Сейчас стоит GRBL на ардуине - адски неудобро управлять мышкой и клавой.
-
calabr
- Мастер
- Сообщения: 937
- Зарегистрирован: 04 янв 2019, 15:19
- Репутация: 146
- Настоящее имя: Calabr
- Откуда: Киев
- Контактная информация:
Re: USBCNC GRBL 4 оси (6 осей!)
У клавы основное неудобство - подача на нажатие кнопки задается в проге и нужно смотреть на экран, что там выставлено перед нажатием кнопки.ivekill писал(а):можно использовать беспроводной "numpad" в место пульта, я использую блютуз геймпад+xpadder.
Хочется пропорционального управления - нажал сильнее - едет быстрее. отпустил - сразу встало.
Какой именно пульт используете? Там джойстик пропорциональный?
-
ivekill
- Новичок
- Сообщения: 9
- Зарегистрирован: 09 июл 2019, 11:16
- Репутация: 0
- Настоящее имя: ivekill
- Контактная информация:
Re: USBCNC GRBL 4 оси (6 осей!)
Видимо да, но авария происходила только после того как отрабатывал хоум для xyz, для трёх осей нужно закоментировать в файле "config.h" параметр "#define AA_AXIS". У меня драйверы tb6600 поэтому что stm32 что cnc shield всё проводами лепить, а вот помехи замучили что с одной что с другой платой в итоге подсоединил stm32 к "народной плате опторазвязки mach3" и все проблемы ушли, всё что мне нужно работает, включение выключение шпинделя и управление оборотами 0-10v и z-щуп. Так что проект полностью рабочий(для трёх осей точно, больше пока не проверял), у тех у кого не работает или используют готовый файл "stm32grbl11.hex" который как раз с косяками или помехи или настройки не те, всё.calabr писал(а):т.е. он пытался захоумить 4 ось и вываливался в аварию по таймауту?ivekill писал(а):умолчанию была включена 4-я ось и концевики для неё соответственно,
Как решили проблему- пере-компиляцией без 4-й оси?
Тоже хочу попробовать на STM-ке. От экспериментов пока удерживает необходимость как-то лепить к ней драйвера - не на макетке-же.
Сейчас все воткнуто в CNC-shield
Пульт не использую, китайский джостик по типу денди, лучше чем ничего, компьютер в двух метрах от станка. Пропорционального управления в Candle я не увидел в настройках, может как то и можно такое реализовать через пользовательскую команду или ещё как но я не знаю. Только кнопками менять шаг и подачу.calabr писал(а):У клавы основное неудобство - подача на нажатие кнопки задается в проге и нужно смотреть на экран, что там выставлено перед нажатием кнопки.ivekill писал(а):можно использовать беспроводной "numpad" в место пульта, я использую блютуз геймпад+xpadder.
Хочется пропорционального управления - нажал сильнее - едет быстрее. отпустил - сразу встало.
Какой именно пульт используете? Там джойстик пропорциональный?
- vegasuz
- Новичок
- Сообщения: 38
- Зарегистрирован: 19 авг 2019, 18:03
- Репутация: 0
- Настоящее имя: Иванов Иван Иванович
- Контактная информация:
Re: USBCNC GRBL 4 оси (6 осей!)
Своим "stm32grbl11.hex" не поделитесь? Интересно для сравнения.
-
calabr
- Мастер
- Сообщения: 937
- Зарегистрирован: 04 янв 2019, 15:19
- Репутация: 146
- Настоящее имя: Calabr
- Откуда: Киев
- Контактная информация:
Re: USBCNC GRBL 4 оси (6 осей!)
А какую плату использовали?ivekill писал(а):подсоединил stm32 к "народной плате опторазвязки mach3" и все проблемы ушли, всё что мне нужно работает, включение выключение шпинделя и управление оборотами 0-10v и z-щуп.
Я смотрел схемки, что попались - интегратора для ШИМ там не видно. Как 0-10V c нее выводится? Я пока просто вкл/выкл через оптрон подключил. Попробовал в тупую вместо резистора - не прокатило. GRBL выдает что-то около 1кГц ШИМ. Может на STM частота выше?
-
ivekill
- Новичок
- Сообщения: 9
- Зарегистрирован: 09 июл 2019, 11:16
- Репутация: 0
- Настоящее имя: ivekill
- Контактная информация:
Re: USBCNC GRBL 4 оси (6 осей!)
Вот , но какой вам толк от него, настройки прописаны сразу в файл defaults.h под мой станок с жесткостью как у пластилина, вывод CONTROL_FEED_HOLD инвертирован, включено только 3 оси, вроде бы больше ничего не менял но не уверен).vegasuz писал(а):Своим "stm32grbl11.hex" не поделитесь? Интересно для сравнения.
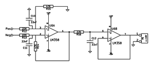
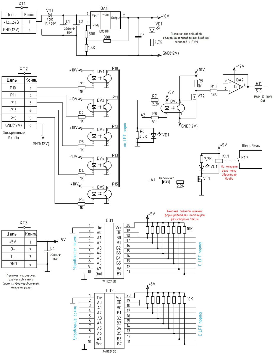
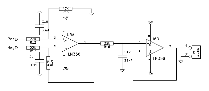
Там два вывода для управления шпинделем, один управляет включением, второй оборотами. Я подключил вот так но нужно вывод pwm инвертировать иначе регулироваться будет от 10 к 0, как это сделать в прошивке я не нашел вроде бы пишут что нет такой возможности, поэтому я инвертировал по этой схемке: Можно его инвертировать и на самой плате mach3 но плату портить не хотелось. Схема платы Mach вот: Где нашел не помню, с моим экземпляром не всё совпадает. Нашел ещё несколько схем для управления скоростью шпинделя но ещё не пробовал их: Ещё заказал платку с алика на пробу : ищется по поиску "pwm 0-10v".calabr писал(а): А какую плату использовали?
Я смотрел схемки, что попались - интегратора для ШИМ там не видно. Как 0-10V c нее выводится? Я пока просто вкл/выкл через оптрон подключил. Попробовал в тупую вместо резистора - не прокатило. GRBL выдает что-то около 1кГц ШИМ. Может на STM частота выше?
- vegasuz
- Новичок
- Сообщения: 38
- Зарегистрирован: 19 авг 2019, 18:03
- Репутация: 0
- Настоящее имя: Иванов Иван Иванович
- Контактная информация:
Re: USBCNC GRBL 4 оси (6 осей!)
Спасибо за прошивку. Тоже спаял на макетку 2 месяца назад. А вы с каких выходов STM сигналы SHPINDLE_PWM и SHPINDLE_ENABLE подаёте? И если можно файлик defaults.h чтобы лишние вопросы не задавать.
-
calabr
- Мастер
- Сообщения: 937
- Зарегистрирован: 04 янв 2019, 15:19
- Репутация: 146
- Настоящее имя: Calabr
- Откуда: Киев
- Контактная информация:
Re: USBCNC GRBL 4 оси (6 осей!)
Судя по всему, на схеме Mach3 не дорисована часть с интегратором, или частотник принимает не аналоговый сигнал, а именно ШИМ с уровнем 10Вivekill писал(а):поэтому я инвертировал по этой схемке:
Схемку с 1-м операционником видел - она предполагает, что на вход ей подают ШИМ 0-5В и на какую она частоту нормально работает нужно считать или моделировать.
-
ivekill
- Новичок
- Сообщения: 9
- Зарегистрирован: 09 июл 2019, 11:16
- Репутация: 0
- Настоящее имя: ivekill
- Контактная информация:
Re: USBCNC GRBL 4 оси (6 осей!)
Беру с тех что указаны по умолчанию. Местами пины не менял потому как автор указал:vegasuz писал(а):А вы с каких выходов STM сигналы SHPINDLE_PWM и SHPINDLE_ENABLE подаёте? И если можно файлик defaults.h чтобы лишние вопросы не задавать.
особой нужды и понимания у меня нет ) Хотел то же плату развести под mach3, но выходит что для половины выходов stm32 на плате mach3 нет места и получается фигня какая то, лучше всё на отдельной плате развести, но пока лень.В файле cpu—map.h (в нем лучше ничего не изменять без особой нужды и понимания)
На плате mach3 стоит тот же lm358 и других элементов кроме тех что указаны на схеме я не увидел. Я управляю BLDC драйвером WS55-220 не частотником, управляется нормально но не линейно, то есть у меня указаны в прошивке максимальные обороты шпинделя 12 000 но когда я указываю в candle 10 000 на выходе уже 10 вольт и максимальные обороты. По сути мне это управление оборотами и не нужно, просто раз уж есть решил зацепить.calabr писал(а):Судя по всему, на схеме Mach3 не дорисована часть с интегратором, или частотник принимает не аналоговый сигнал, а именно ШИМ с уровнем 10В
Схемку с 1-м операционником видел - она предполагает, что на вход ей подают ШИМ 0-5В и на какую она частоту нормально работает нужно считать или моделировать.