Управление контроллером MK1 и MK2 (planet-cnc)

Mach, популярные и не очень CAD, CAM. Обсуждение и разработка программ для управления станками.
kochevnik
Мастер
Сообщения: 227
Зарегистрирован: 13 окт 2013, 16:24
Репутация: 9
Контактная информация:

Re: Управление контроллером MK1 и MK2 (planet-cnc)

Сообщение kochevnik »

xvovanx писал(а): 07 ноя 2021, 22:51
kochevnik писал(а): можно ли её для лазерной резки приспособить или нет?
MK1 и MK2 нет, а МК3+TNG работают
https://planet-cnc.com/laser-cutting/
Что то не нашёл у них нигде упоминаний про слежение и датчики. Написано, что лазер и плазму можно но как то минимально и без подробностей
kochevnik
Мастер
Сообщения: 227
Зарегистрирован: 13 окт 2013, 16:24
Репутация: 9
Контактная информация:

Re: Управление контроллером MK1 и MK2 (planet-cnc)

Сообщение kochevnik »

Подскажите такой вопрос.
Две траиктории по квадрату.
Одна просто прямыми, вторая с закруглениями на углах. Там, где прямые все ок - стоят символы торможения и ускорения. А там, где закругления дугами - ускорений и торможений нет и, соответственно, срывает оси. Почему оно игнорирует ускорения и торможения на дугах? Это можно как то исправить?
Вложения
20211109_214942.jpg (6194 просмотра) <a class='original' href='./download/file.php?id=199516&mode=view' target=_blank>Загрузить оригинал (4.62 МБ)</a>
20211109_214957.jpg (6194 просмотра) <a class='original' href='./download/file.php?id=199517&mode=view' target=_blank>Загрузить оригинал (4.02 МБ)</a>
zab_ig
Новичок
Сообщения: 2
Зарегистрирован: 05 дек 2019, 12:06
Репутация: 0
Настоящее имя: Игорь
Контактная информация:

Re: Управление контроллером MK1 и MK2 (planet-cnc)

Сообщение zab_ig »

В настройках найдите пункт предпросмотр траектории. В нем есть значение радиус - Минимальный радиус дуги, по которому машина может перемещаться без снижения скорости. Нулевое значение отключает эту функцию. Подберите такой радиус, который ваш станок может пройти без замедления и не сорваться.
kochevnik
Мастер
Сообщения: 227
Зарегистрирован: 13 окт 2013, 16:24
Репутация: 9
Контактная информация:

Re: Управление контроллером MK1 и MK2 (planet-cnc)

Сообщение kochevnik »

Спасибо, я так, в итоге и сделал. Но логика не совсем понятна. Я думал что этот параметр отвечает за обязательное торможение перед дугой, а без неё торможение тоже есть, но длинна части дуги тоже входит в торможение.

А, получается, он пытается резко остановить и резко сорвать вторую ось с места с рабочей скоростью
kochevnik
Мастер
Сообщения: 227
Зарегистрирован: 13 окт 2013, 16:24
Репутация: 9
Контактная информация:

Re: Управление контроллером MK1 и MK2 (planet-cnc)

Сообщение kochevnik »

Что то по быстрому не нашёл, а есть ли в мк2 выход 0-10В или как подключить мк2/4 что бы обороты шпинделя задавались контроллером?
Аватара пользователя
xvovanx
Мастер
Сообщения: 3773
Зарегистрирован: 25 фев 2016, 12:27
Репутация: 920
Настоящее имя: Владимир
Откуда: Latvia
Контактная информация:

Re: Управление контроллером MK1 и MK2 (planet-cnc)

Сообщение xvovanx »

kochevnik писал(а): а есть ли в мк2 выход 0-10В или как подключить мк2/4 что бы обороты шпинделя задавались контроллером?
Это смотря какая у тебя плата. Вот в одном варианте платы есть выход 0-10, в другом варианте платы - нет
Вложения
k2.jpg (6089 просмотров) <a class='original' href='./download/file.php?id=199770&mode=view' target=_blank>Загрузить оригинал (170.74 КБ)</a>
MK2__2.jpg (6089 просмотров) <a class='original' href='./download/file.php?id=199771&mode=view' target=_blank>Загрузить оригинал (90.68 КБ)</a>
kochevnik
Мастер
Сообщения: 227
Зарегистрирован: 13 окт 2013, 16:24
Репутация: 9
Контактная информация:

Re: Управление контроллером MK1 и MK2 (planet-cnc)

Сообщение kochevnik »

xvovanx писал(а): 19 ноя 2021, 17:11
kochevnik писал(а): а есть ли в мк2 выход 0-10В или как подключить мк2/4 что бы обороты шпинделя задавались контроллером?
Это смотря какая у тебя плата. Вот в одном варианте платы есть выход 0-10, в другом варианте платы - нет
Плата верхняя. Может что то в доп разьемах там есть?
Аватара пользователя
xvovanx
Мастер
Сообщения: 3773
Зарегистрирован: 25 фев 2016, 12:27
Репутация: 920
Настоящее имя: Владимир
Откуда: Latvia
Контактная информация:

Re: Управление контроллером MK1 и MK2 (planet-cnc)

Сообщение xvovanx »

kochevnik писал(а): Может что то в доп разьемах там есть?
Это вряд ли, обычно операционником из ШИМа делают аналог и питание 12В с частотника заводят на плату. Максимум, это если будет ШИМ на доп разъеме, а может даже и не быть...
Gorbuni4
Новичок
Сообщения: 2
Зарегистрирован: 10 авг 2022, 10:31
Репутация: 0
Настоящее имя: Дмитрий
Контактная информация:

Re: Управление контроллером MK1 и MK2 (planet-cnc)

Сообщение Gorbuni4 »

Приветствую всех форумчан. Около года назад была приобретена у китайцев плата MDK2 на 4 оси. По получению беглый осмотр, как нестранно регуляторы напряжений распаяны верно 12 и 5 в. Подключил драйвера шаговиков, запустил китайскую прогу присланную и погонял тестовым G-code, движки крутятся. На этом успокоился и ввиду некоторых сложностей станок был отложен на долгое время. Сейчас вернулся опять к дальнейшей сборке и выяснилась неприятность, при включении любого из 6 выходов индикаторный диод об активации выхода загорается, но вот на колодке нулевое напряжение при любом состоянии в программе, что включено что выключено, опытным путем было установлено, что на сборку дарлингтона ULN2003, которая по идее и выдает на выходы напряжения приходит земля и возможно управляющие сигналы (но это не точно, управляющие не проверял), а вот питание отсутствует. Может ли кто из обладателей данной платы произвести у себя замер сколько вольт туда должно приходить, это 9 нога микрухи. И к стати у меня как и еще у одного из местных обитателей плата работает даже с прогой скаченной с офф сайта не в демо режиме)
Аватара пользователя
xvovanx
Мастер
Сообщения: 3773
Зарегистрирован: 25 фев 2016, 12:27
Репутация: 920
Настоящее имя: Владимир
Откуда: Latvia
Контактная информация:

Re: Управление контроллером MK1 и MK2 (planet-cnc)

Сообщение xvovanx »

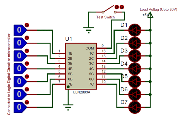
Gorbuni4 писал(а): ULN2003, которая по идее и выдает на выходы напряжения
У микросхемы ULN2003 выходы с открытым коллектором, то есть плюс на выход плата не выдает, она выходы сажает на ноль. Подключайте к выходам платы нагрузки/релюшки запитанные от плюса.
Вложения
ULN2003-testing-circuit.png (5558 просмотров) <a class='original' href='./download/file.php?id=204466&mode=view' target=_blank>Загрузить оригинал (29.33 КБ)</a>
Gorbuni4
Новичок
Сообщения: 2
Зарегистрирован: 10 авг 2022, 10:31
Репутация: 0
Настоящее имя: Дмитрий
Контактная информация:

Re: Управление контроллером MK1 и MK2 (planet-cnc)

Сообщение Gorbuni4 »

xvovanx писал(а): 10 авг 2022, 19:10
Gorbuni4 писал(а): ULN2003, которая по идее и выдает на выходы напряжения
У микросхемы ULN2003 выходы с открытым коллектором, то есть плюс на выход плата не выдает, она выходы сажает на ноль. Подключайте к выходам платы нагрузки/релюшки запитанные от плюса.
Добрый день. Сегодня будет возможность проверить это. Но замер и производился относительно выводов в колодке, там 6 сигнальных (с uln) и один общий 12v. Вот между ними всегда нулевое напряжение, сегодня попробую взять другой плюс и померить. На всех схемах подключения ULN2003 на 9 ногу приходит плюс, которым совместно с выходным минусом записывают нагрузку.
4erepaxa
Новичок
Сообщения: 1
Зарегистрирован: 25 окт 2022, 23:09
Репутация: 0
Настоящее имя: Петр
Контактная информация:

Re: Управление контроллером MK1 и MK2 (planet-cnc)

Сообщение 4erepaxa »

всем привет люди помогите связаться с moonglow оч надо
bselect
Новичок
Сообщения: 2
Зарегистрирован: 16 окт 2022, 15:49
Репутация: 0
Контактная информация:

Re: Управление контроллером MK1 и MK2 (planet-cnc)

Сообщение bselect »

Здравствуйте!Подскажите,пожалуйста как подключить мк2 к двигателю ihss57-36-30-31?Как я понял,это гибридный какойто двигатель и серво и шаговый.На плате мк2 на оси 3 контакта +5в Step и Dir.На двигатель подключил питание 36 в,а дальше не понимаю
Аватара пользователя
xvovanx
Мастер
Сообщения: 3773
Зарегистрирован: 25 фев 2016, 12:27
Репутация: 920
Настоящее имя: Владимир
Откуда: Latvia
Контактная информация:

Re: Управление контроллером MK1 и MK2 (planet-cnc)

Сообщение xvovanx »

bselect писал(а): как подключить мк2 к двигателю ihss57-36-30-31?
А мануал в нете самому лень искать?
На 8 стр. есть картинка подключений, как и обычный драйвер подключается ;)
Вложения
1806080877.pdf
(931.88 КБ) 378 скачиваний
ncbelov
Новичок
Сообщения: 3
Зарегистрирован: 07 июл 2023, 17:55
Репутация: 1
Настоящее имя: Nikolay Belov
Контактная информация:

Re: Управление контроллером MK1 и MK2 (planet-cnc)

Сообщение ncbelov »

HeavyToshik писал(а): Аааааа, вот тут я не понял. Комп включен, программа запущена, станок выключен. Меню ШИМа открыто. Включаю станок и контролёр соответственно. Меню ШИМа закрыто. Так должно быть? или глюк.
Здравствуйте! Столкнулся с точно такой же проблемой пункт шим не активен,плата mdk2 4 оси.Ключ китайца с диска подошел к новой проге как у вас.Есть решение этой проблемы с шим?
ncbelov
Новичок
Сообщения: 3
Зарегистрирован: 07 июл 2023, 17:55
Репутация: 1
Настоящее имя: Nikolay Belov
Контактная информация:

Re: Управление контроллером MK1 и MK2 (planet-cnc)

Сообщение ncbelov »

Отвечу сам себе.Плата которая у меня mdk2 4-axis,выводит меандр с частотой 0-1.5Кгц.Настройка шим в программе не активна.В настройках программы нужно выбрать <<выход скорость>>-канал-7.Плата которая шла в комплекте стандартно расчитана на частоту 0-8Кгц.чтобы в ней увеличить диапазон регулировки от 0-10в,нужно поменять кондер размера 0805-10nf на 72nf который подключен к 5 ноге lm331.
ШаманВетал
Новичок
Сообщения: 1
Зарегистрирован: 21 янв 2022, 09:33
Репутация: 0
Контактная информация:

Re: Управление контроллером MK1 и MK2 (planet-cnc)

Сообщение ШаманВетал »

А как можно привезти оригинальную плату в Россию.
На офсайте пишут, не доставляем в Россию😡
ruslanuz
Новичок
Сообщения: 1
Зарегистрирован: 20 апр 2024, 07:32
Репутация: 0
Настоящее имя: Ruslan Palvanov
Контактная информация:

Re: Управление контроллером MK1 и MK2 (planet-cnc)

Сообщение ruslanuz »

Здравствуйте.
После как накрылся жесткий диск потерял инсталяшки и ключи от этих контроллеров. Пытался запустить на оригинальном софте , не запустилось , а может даже обновились. Может есть варианты как запустить платы?
Изображение
Изображение
Аватара пользователя
xvovanx
Мастер
Сообщения: 3773
Зарегистрирован: 25 фев 2016, 12:27
Репутация: 920
Настоящее имя: Владимир
Откуда: Latvia
Контактная информация:

Re: Управление контроллером MK1 и MK2 (planet-cnc)

Сообщение xvovanx »

Написал в личку, тут не получается драйвера прилепить
Heify
Новичок
Сообщения: 33
Зарегистрирован: 08 май 2017, 17:56
Репутация: 1
Настоящее имя: Рушан
Откуда: Нижегородская область
Контактная информация:

Re: Управление контроллером MK1 и MK2 (planet-cnc)

Сообщение Heify »

Ребята всем привет!
У меня китайсикй клон МК2 то ли МК3 9 осей.
Работает вроде как нормально. Но бывает иногда клюкнет и начинает резать как вздумается потом останавливается.
Вроде как если стоит релейный стабилизатор Ресанта, вот когда работает через него - глюков практически нет, но бывает проскакивает, но редко.
Может есть вариант, как это всë лечится?
А то иногда бывает дорогой материал, его режу и трясусь, руку держу над кнопкой стоп.
Ответить

Вернуться в «Windows / Mach»