ЧПУ пульты

Контроллеры, драйверы, датчики, управляющие устройства.
b612q
Новичок
Сообщения: 16
Зарегистрирован: 27 окт 2024, 22:21
Репутация: 0
Настоящее имя: Dmitry
Контактная информация:

Re: ЧПУ пульты

Сообщение b612q »

vtgmfg писал(а): 14 дек 2024, 11:36 джойстик XY
а если надо двигать строго отдельно X или Y ?
vtgmfg писал(а): 14 дек 2024, 11:36 Движок ....
это движковый переменный резистор ?
vtgmfg писал(а): 14 дек 2024, 11:36 светодиод работа/симуляция
зачёт
Как я понял у Вас какой-то микроконтроллер ?

ещё наверно надо индикацию "непрерывно/шагами" и "размер шага" ?
с одной стороны галетник он же и индикатор, а с другой - ну такой он неудобный

PS Плата джойстика как сквозь землю провалилась. Пол дня искал
Придётся новую ЖДАТЬ
Или уж теперь ладно сделать на ардуинке и модбасе ...
vtgmfg
Мастер
Сообщения: 1828
Зарегистрирован: 23 июн 2022, 14:13
Репутация: 77
Настоящее имя: Максим
Контактная информация:

Re: ЧПУ пульты

Сообщение vtgmfg »

b612q писал(а): а если надо двигать строго отдельно X или Y ?
я у себя не вижу необходимости такой.. если вручную фрезеровать разве. но я даже не думал об этом. тогда нужен еще тумблер на 3 положения.
а мне нужно максимально быстро и комфортно приехать щупом в точку откуда запускаются измерения. это может быть и +-10мм по всем осям и может и +- 0.1 если скажем в отверстие чуть шире шарика завести. как раз регулятор чувствительности для этого и нужен.
кстати движение шажками я выкинул за ненадобностью, а главное аварийноопасен этот режим
b612q писал(а): это движковый переменный резистор ?
да. но это не факт что это лучше чем крутилки. у крутилки есть интересное свойство - за нее можно держаться и опираться даже и при этом не регулировать.
b612q писал(а): ещё наверно надо индикацию "непрерывно/шагами" и "размер шага" ?
с одной стороны галетник он же и индикатор, а с другой - ну такой он неудобный
лишнее при наличии щупа. ну или я не вижу необходимости
b612q писал(а): PS Плата джойстика как сквозь землю провалилась. Пол дня искал
а не запрашивали продавца инструкцию?

у меня не микроконтроллер, а комп + микроконтроллер/софт WLMill
b612q
Новичок
Сообщения: 16
Зарегистрирован: 27 окт 2024, 22:21
Репутация: 0
Настоящее имя: Dmitry
Контактная информация:

Re: ЧПУ пульты

Сообщение b612q »

vtgmfg писал(а): 15 дек 2024, 08:51 а мне нужно максимально быстро и комфортно приехать щупом в точку откуда запускаются измерения.
мне это интересно
а сканировать Ваш скрипт может ?
Мне надо как-то оцифровать очень кривую поверхность
Ну и вообще это, на сколько я понимаю довольно популярная задача.
vtgmfg писал(а): 15 дек 2024, 08:51 у крутилки есть интересное свойство - за нее можно держаться
ок. понял
vtgmfg писал(а): 15 дек 2024, 08:51 а не запрашивали продавца инструкцию?
не запрашивал.
Да думаю определяется как стандартный джойстик с 12-ю кнопками и 4-мя аналогами.
Вот в связи с пропажей опять задумался, может быть старый джойстик маленько покурочить.
Отключить 2 кнопки, которые под стиками и вывести их отдельными кнопочками на корпус.
Неудобный вот он. двурукий.
А... ну их эти джойстики - полумеры только время на них тратить.
vtgmfg
Мастер
Сообщения: 1828
Зарегистрирован: 23 июн 2022, 14:13
Репутация: 77
Настоящее имя: Максим
Контактная информация:

Re: ЧПУ пульты

Сообщение vtgmfg »

b612q писал(а): А... ну их эти джойстики - полумеры только время на них тратить.
не вижу альтернатив. не маховички же крутить как дедЫ.
хотя вот в суперджете100 вместо штурвалов джойстики поставили и как то на пользу ему похоже не пошло
b612q писал(а): и 4-мя аналогами.
в xbox360 6 аналогов. другое дело что подделок слишком много. я только на 4м по счету купил настоящий
b612q писал(а): Неудобный вот он. двурукий.
необязательно использовать этот конструктив. сами джойстики можно и выпаять
b612q писал(а): мне это интересно
а сканировать Ваш скрипт может ?
Мне надо как-то оцифровать очень кривую поверхность
Ну и вообще это, на сколько я понимаю довольно популярная задача.
карту поверхности может сделать - правда я не пробовал лично. но 100% должна работать и там как раз строится какая то "кубическая" интерполяция по точкам
b612q
Новичок
Сообщения: 16
Зарегистрирован: 27 окт 2024, 22:21
Репутация: 0
Настоящее имя: Dmitry
Контактная информация:

Re: ЧПУ пульты

Сообщение b612q »

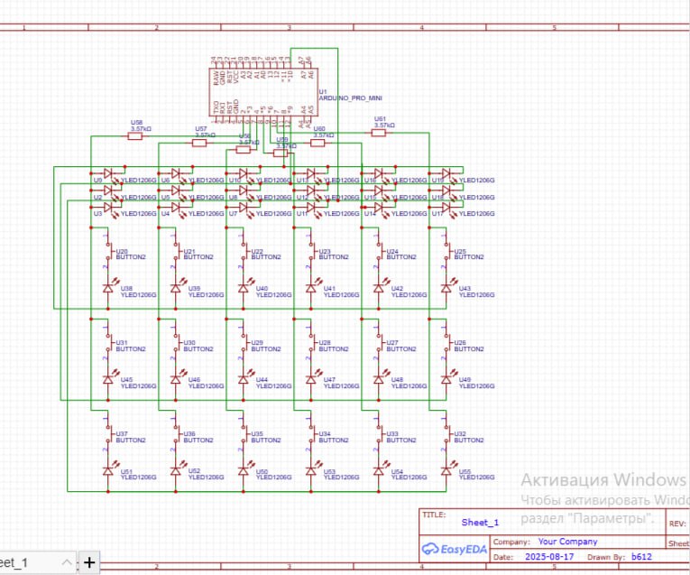
Похвастаюсь

Была цель сделать однорукий пульт, тактильный, не перегруженный информацией. Без длинного USB-шнура, поскольку эти шнуры боятся помех от частотника. Поэтому по длинному шнуру идёт сигнал модбас.
Предельно простой в изготовлении. Минимум деталей.
17 кнопок 35 светиков. Никаких экранчиков.
Прошивка тупо сканирует нажатия и отпускания кнопок и светит светиками.
Вся логика полностью в брэйнсах и макросах.
При пропадании связи в течение более чем 50мс включается режим "блуждающий огонь".
Пользоваться достаточно удобно, но пока функционал сделан по минимуму.
Регулировка скорости ручной подачи 6 ступеней + индикация
Регулировка шага 4 ступени + индикация
Переключатель постоянка/шаг + индикация
Естоп само собой + индикация
Вкл/выкл шпинделя. + индикация
Индикация касания и индикация включения ручной подачи.

Нужно ещё обнуление Z, отправка в 0, отправка до касания,
старт, пауза, строп. Но до этого пока руки не доходят. Как обычно сделал только необходимое. Если кто доделает, буду благодарен.

Но работу уже очень облегчило по сравнению с тем, что раньше эта радиоклава здоровенная на станке всё время и на неправильные мягкие кнопки всё время залетал.

Если кто загорится и сможет вместо стандартного переходника uart-USB забабахает эмулятор клавы + com-порт, это будет вообще предел совершенства.

Сначала слепил из пластилина. и пошло-поехало.
Как обычно делаешь одно, а получается похоже на другое. Делаешь другое, а получается всё равно похоже ...
Работает всё через штатный модбас Mach3. Тормозов не ощущается, хотя ради справедливости скажу, что с клавиатуры реакция самую малость быстрее.

Не скупитесь, пожалуйста на лайки и комменты.
photo_2025-08-07_15-17-33.jpg (1070 просмотров) <a class='original' href='./download/file.php?id=213981&mode=view' target=_blank>Загрузить оригинал (188.52 КБ)</a>
photo_2025-11-26_21-24-07.jpg (1070 просмотров) <a class='original' href='./download/file.php?id=213974&mode=view' target=_blank>Загрузить оригинал (21.93 КБ)</a>
Остальные картинки под спойлером (для просмотра содержимого нажмите на ссылку)
photo_2025-11-26_21-24-25.jpg (1070 просмотров) <a class='original' href='./download/file.php?id=213975&mode=view' target=_blank>Загрузить оригинал (30.53 КБ)</a>
photo_2025-11-26_21-24-32.jpg (1070 просмотров) <a class='original' href='./download/file.php?id=213976&mode=view' target=_blank>Загрузить оригинал (100.86 КБ)</a>
photo_2025-11-26_21-24-37.jpg (1070 просмотров) <a class='original' href='./download/file.php?id=213977&mode=view' target=_blank>Загрузить оригинал (116.17 КБ)</a>
photo_2025-11-26_21-24-55.jpg (1070 просмотров) <a class='original' href='./download/file.php?id=213978&mode=view' target=_blank>Загрузить оригинал (278.44 КБ)</a>
Кусок текстолита в наличии был слегка ущербный.
photo_2025-11-26_21-24-55.jpg (1070 просмотров) <a class='original' href='./download/file.php?id=213978&mode=view' target=_blank>Загрузить оригинал (278.44 КБ)</a>
Когда плата была уже сделана выяснилось, что нужны ещё пулдаун резисторы.
Пришлось их приколхозить.
photo_2025-11-26_21-24-59.jpg (1070 просмотров) <a class='original' href='./download/file.php?id=213979&mode=view' target=_blank>Загрузить оригинал (359.58 КБ)</a>
photo_2025-11-26_21-31-04.jpg (1070 просмотров) <a class='original' href='./download/file.php?id=213980&mode=view' target=_blank>Загрузить оригинал (224.02 КБ)</a>
Вложения
Brains.rar
(3.06 КБ) 77 скачиваний
macros.rar
(1.54 КБ) 78 скачиваний
Proshivka.rar
(741.55 КБ) 85 скачиваний
Корпус.rar
(219.36 КБ) 69 скачиваний
Gerber_RPG-control_PCB_RPG-control_2025-08-21.zip
(83.79 КБ) 80 скачиваний
Ответить

Вернуться в «Электроника»