Мой CNC китаес Bernardo KF25 Top (клон BF20)
- Serg
- Мастер
- Сообщения: 21923
- Зарегистрирован: 17 апр 2012, 14:58
- Репутация: 5183
- Заслуга: c781c134843e0c1a3de9
- Настоящее имя: Сергей
- Откуда: Москва
- Контактная информация:
Re: Мой CNC китаес Bernardo KF25 Top (клон BF20)
Это не китайские реалии, а физика полупроводников.
С одной стороны там в качестве силовых контактов стоит как правило мосфет, который в закрытом состоянии имеет совсем не бесконечное сопротивление, с другой управляющий светодиод, который загорается от довольно малого тока. Отсюда и очевидно решение - зашунтировать вход подходящим резистором.
С одной стороны там в качестве силовых контактов стоит как правило мосфет, который в закрытом состоянии имеет совсем не бесконечное сопротивление, с другой управляющий светодиод, который загорается от довольно малого тока. Отсюда и очевидно решение - зашунтировать вход подходящим резистором.
Я не Христос, рыбу не раздаю, но могу научить, как сделать удочку...
- Сергей Саныч
- Мастер
- Сообщения: 9116
- Зарегистрирован: 30 май 2012, 14:20
- Репутация: 2858
- Откуда: Тюмень
- Контактная информация:
Re: Мой CNC китаес Bernardo KF25 Top (клон BF20)
В реле для переменного тока может на выходе стоять тиристор (точнее, симистор), зашунтированный помехогасящей RC-цепочкой, через которую и идет утечка. Но лечение все равно такое же.
Чудес не бывает. Бывают фокусы.
- Алексс
- Почётный участник

- Сообщения: 2210
- Зарегистрирован: 20 июл 2012, 15:49
- Репутация: 266
- Заслуга: IQ32
- Настоящее имя: Алексей
- Откуда: Прага
- Контактная информация:
Re: Мой CNC китаес Bernardo KF25 Top (клон BF20)
мое левое PKM, схему...aftaev писал(а): Обычно в таких реле на вход подается постаянка.
как-то типа так. только на внутренние символы не смотрим.
так это и должна была получиться защелка.nik1 писал(а):Алекс, а если сделать типа триггер защелку и им включать это реле ?
По идее оно должно управляться постоянным током
я такое делал, только через более длинную цепочку, включающую atx блок питания. тоесть кнопкой влючаю atx, он подает 5 вольт на включение реле, которое стоит параллельно кнопке пуск. но сложно и влок питания я убил помпой.
хочу по простому, как в родной электронике станка сделано.
UAVpilot, Serg-tmn, о резисторе R1 говорим ?
Каждая собака, бегущая на поводке впереди хозяина, думает, что ведет его за собой.
- PKM
- Почётный участник

- Сообщения: 4263
- Зарегистрирован: 31 мар 2011, 18:11
- Репутация: 705
- Настоящее имя: Андрей
- Откуда: Украина
- Контактная информация:
Re: Мой CNC китаес Bernardo KF25 Top (клон BF20)
Я ж говорю, что-то не так. Управляющий вход реле надо подключить параллельно нагрузке, а не кнопке.Алексс писал(а):как-то типа так. только на внутренние символы не смотрим.
А иначе генератор выходит: на входе напряжение -> реле срабатывает -> напряжение на входе пропадает -> реле отпускает -> напряжение появляется на входе и т.д.
- Алексс
- Почётный участник

- Сообщения: 2210
- Зарегистрирован: 20 июл 2012, 15:49
- Репутация: 266
- Заслуга: IQ32
- Настоящее имя: Алексей
- Откуда: Прага
- Контактная информация:
Re: Мой CNC китаес Bernardo KF25 Top (клон BF20)
PKM, да, напутал
Каждая собака, бегущая на поводке впереди хозяина, думает, что ведет его за собой.
- PKM
- Почётный участник

- Сообщения: 4263
- Зарегистрирован: 31 мар 2011, 18:11
- Репутация: 705
- Настоящее имя: Андрей
- Откуда: Украина
- Контактная информация:
Re: Мой CNC китаес Bernardo KF25 Top (клон BF20)
И это не работает? С резистором?
- Алексс
- Почётный участник

- Сообщения: 2210
- Зарегистрирован: 20 июл 2012, 15:49
- Репутация: 266
- Заслуга: IQ32
- Настоящее имя: Алексей
- Откуда: Прага
- Контактная информация:
Re: Мой CNC китаес Bernardo KF25 Top (клон BF20)
без резистора не работает. вернее работает всегда.
с резистором не пробовал.
с резистором не пробовал.
Каждая собака, бегущая на поводке впереди хозяина, думает, что ведет его за собой.
- Тима
- Почётный участник

- Сообщения: 3162
- Зарегистрирован: 01 мар 2012, 20:47
- Репутация: 1089
- Настоящее имя: Тимур
- Откуда: КБР
- Контактная информация:
Re: Мой CNC китаес Bernardo KF25 Top (клон BF20)
Именно таких приходилось ставить около 50 штук. Ни разу проблем не возникало.Алексс писал(а):очередные мечты разбились о китайские реалии
Они есть с управлением от постоянки(обычно 3-32в) и от переменки (220-240в). Я обычно брал на на 3-32в, но ставил и на 220в.
Дорогу осилит идущий!
Я все пойму, Вы только дайте денег!!!
Я все пойму, Вы только дайте денег!!!
- Алексс
- Почётный участник

- Сообщения: 2210
- Зарегистрирован: 20 июл 2012, 15:49
- Репутация: 266
- Заслуга: IQ32
- Настоящее имя: Алексей
- Откуда: Прага
- Контактная информация:
Re: Мой CNC китаес Bernardo KF25 Top (клон BF20)
ты делал так же как я ?Тима писал(а):Ни разу проблем не возникало.
Каждая собака, бегущая на поводке впереди хозяина, думает, что ведет его за собой.
- Сергей Саныч
- Мастер
- Сообщения: 9116
- Зарегистрирован: 30 май 2012, 14:20
- Репутация: 2858
- Откуда: Тюмень
- Контактная информация:
Re: Мой CNC китаес Bernardo KF25 Top (клон BF20)
я проверил тот вариант, о котором ты говоришь. Да, иногда при подключении сети происходит самопроизвольное включение SSR. Видимо, из-за броска тока через защитную RC-цепочку, если подключать на горбе синусоиды.
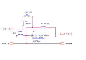
Вот рабочая и проверенная (только что) схема, того, что тебе надо.
Обе кнопки - нормально разомкнутые.
SSR вполне китайское, Ruichi SSR4825A (40-240VAC 25A LOAD, 90-280VAC IN) А в той, которую ты нарисовал, есть одна проблема - кнопки должны быть рассчитаны на полный ток нагрузки. Особенно "не повезло" в этом плане кнопке STOP - у нее будут неплохо гореть контакты в момент размыкания. Особенно при индуктивной нагрузке.
Вот рабочая и проверенная (только что) схема, того, что тебе надо.
Обе кнопки - нормально разомкнутые.
SSR вполне китайское, Ruichi SSR4825A (40-240VAC 25A LOAD, 90-280VAC IN) А в той, которую ты нарисовал, есть одна проблема - кнопки должны быть рассчитаны на полный ток нагрузки. Особенно "не повезло" в этом плане кнопке STOP - у нее будут неплохо гореть контакты в момент размыкания. Особенно при индуктивной нагрузке.
Чудес не бывает. Бывают фокусы.
- Алексс
- Почётный участник

- Сообщения: 2210
- Зарегистрирован: 20 июл 2012, 15:49
- Репутация: 266
- Заслуга: IQ32
- Настоящее имя: Алексей
- Откуда: Прага
- Контактная информация:
Re: Мой CNC китаес Bernardo KF25 Top (клон BF20)
Serg-tmn, спасибо!!
надо будет при случа попробовать. приятно что кнопки можно взять маломощные.
однако меня смущает, беря во внимание привычку совать руки куда не следует, что нет полной развязки с сетью.
уже заказал пускатель ABB AS16-30-10-26, буду на нем делать. чтобы на 100% все обесточивалось.
мощноват он для моего случая, но, лучше больше чем меньше
надо будет при случа попробовать. приятно что кнопки можно взять маломощные.
однако меня смущает, беря во внимание привычку совать руки куда не следует, что нет полной развязки с сетью.
уже заказал пускатель ABB AS16-30-10-26, буду на нем делать. чтобы на 100% все обесточивалось.
мощноват он для моего случая, но, лучше больше чем меньше
Каждая собака, бегущая на поводке впереди хозяина, думает, что ведет его за собой.
- Алексс
- Почётный участник

- Сообщения: 2210
- Зарегистрирован: 20 июл 2012, 15:49
- Репутация: 266
- Заслуга: IQ32
- Настоящее имя: Алексей
- Откуда: Прага
- Контактная информация:
Re: Мой CNC китаес Bernardo KF25 Top (клон BF20)
чтобы не забыть, выложу сюда схемку с пускателем:
картинку честно спер у cs-cs
Каждая собака, бегущая на поводке впереди хозяина, думает, что ведет его за собой.
- Тима
- Почётный участник

- Сообщения: 3162
- Зарегистрирован: 01 мар 2012, 20:47
- Репутация: 1089
- Настоящее имя: Тимур
- Откуда: КБР
- Контактная информация:
Re: Мой CNC китаес Bernardo KF25 Top (клон BF20)
Нет. Почему не поставить просто кнопку с фиксацией на управление твердотельным реле или поставить реле в качестве развязки?Алексс писал(а):ты делал так же как я ?
Дорогу осилит идущий!
Я все пойму, Вы только дайте денег!!!
Я все пойму, Вы только дайте денег!!!
- Алексс
- Почётный участник

- Сообщения: 2210
- Зарегистрирован: 20 июл 2012, 15:49
- Репутация: 266
- Заслуга: IQ32
- Настоящее имя: Алексей
- Откуда: Прага
- Контактная информация:
Re: Мой CNC китаес Bernardo KF25 Top (клон BF20)
Тима, зачем ssr когда есть вот что:
я думал будет больше, а он совсем игрушечный.
качество сборки очень порадовало: такой плотный кирпичик.
качество сборки очень порадовало: такой плотный кирпичик.
Каждая собака, бегущая на поводке впереди хозяина, думает, что ведет его за собой.
- PKM
- Почётный участник

- Сообщения: 4263
- Зарегистрирован: 31 мар 2011, 18:11
- Репутация: 705
- Настоящее имя: Андрей
- Откуда: Украина
- Контактная информация:
Re: Мой CNC китаес Bernardo KF25 Top (клон BF20)
Алексс, где и почем такие? На сколько ампер?
- Алексс
- Почётный участник

- Сообщения: 2210
- Зарегистрирован: 20 июл 2012, 15:49
- Репутация: 266
- Заслуга: IQ32
- Настоящее имя: Алексей
- Откуда: Прага
- Контактная информация:
Re: Мой CNC китаес Bernardo KF25 Top (клон BF20)
на местном аукционе купил за 10баксов.
7.5kw - мне выше головы.
7.5kw - мне выше головы.
Каждая собака, бегущая на поводке впереди хозяина, думает, что ведет его за собой.
- Nick
- Мастер
- Сообщения: 22776
- Зарегистрирован: 23 ноя 2009, 16:45
- Репутация: 1735
- Заслуга: Developer
- Откуда: Gatchina, Saint-Petersburg distr., Russia
- Контактная информация:
Re: Мой CNC китаес Bernardo KF25 Top (клон BF20)
А что это такое? (для не посвященных
)
- Алексс
- Почётный участник

- Сообщения: 2210
- Зарегистрирован: 20 июл 2012, 15:49
- Репутация: 266
- Заслуга: IQ32
- Настоящее имя: Алексей
- Откуда: Прага
- Контактная информация:
Re: Мой CNC китаес Bernardo KF25 Top (клон BF20)
это контактор.
Каждая собака, бегущая на поводке впереди хозяина, думает, что ведет его за собой.
- Тима
- Почётный участник

- Сообщения: 3162
- Зарегистрирован: 01 мар 2012, 20:47
- Репутация: 1089
- Настоящее имя: Тимур
- Откуда: КБР
- Контактная информация:
Re: Мой CNC китаес Bernardo KF25 Top (клон BF20)
Так Вопрос об управлении твердотелкой поднимался Тобой, если я не ошибаюсь... Я просто предложил как им проще управлять без премудростей.Алексс писал(а):Тима, зачем ssr когда есть вот что:
Дорогу осилит идущий!
Я все пойму, Вы только дайте денег!!!
Я все пойму, Вы только дайте денег!!!
- Алексс
- Почётный участник

- Сообщения: 2210
- Зарегистрирован: 20 июл 2012, 15:49
- Репутация: 266
- Заслуга: IQ32
- Настоящее имя: Алексей
- Откуда: Прага
- Контактная информация:
Re: Мой CNC китаес Bernardo KF25 Top (клон BF20)
действительно, тамже я показал почему эта затея провалилась.Тима писал(а):Так Вопрос об управлении твердотелкой поднимался Тобой
для управления чем-то ssr пойдет, но для включения самого себя - imho нет. тем более что оно не дает полной развязки с сетью.
Каждая собака, бегущая на поводке впереди хозяина, думает, что ведет его за собой.
