Посоветуйте/покритикуйте по шкафу станка ЧПУ
-
Александр_
- Мастер
- Сообщения: 1743
- Зарегистрирован: 24 дек 2013, 17:47
- Репутация: 122
- Контактная информация:
Re: Посоветуйте/покритикуйте по шкафу станка ЧПУ
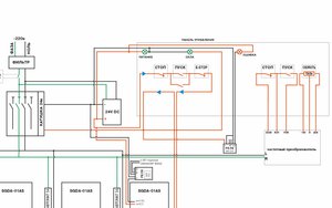
нарисовал подключение частотника в том виде как сейчас пользуюсь на другом станке (ручное управление шпинделем). питание на частотник подается при включении главного контактора.
чтобы программно включать и выключать шпиндель (командой М3-М4) нужно как я полагаю повесить включение-выключение на реле? но если кнопки на передней панели остаются то как шпиндель поймет как его включают - программно или вручную? есть какой-то приоритет?
и есть все делать через кфлоп, то каким образом будут взаимодействовать выводы клеммной колодки частотника, кфлоп и реле? может, есть где почитать про подобные подключения?
чтобы программно включать и выключать шпиндель (командой М3-М4) нужно как я полагаю повесить включение-выключение на реле? но если кнопки на передней панели остаются то как шпиндель поймет как его включают - программно или вручную? есть какой-то приоритет?
и есть все делать через кфлоп, то каким образом будут взаимодействовать выводы клеммной колодки частотника, кфлоп и реле? может, есть где почитать про подобные подключения?
Заходите в гости: www.pandicon.net www.graver36.ru
- ukr-sasha
- Мастер
- Сообщения: 3401
- Зарегистрирован: 21 мар 2011, 07:47
- Репутация: 2181
- Настоящее имя: Украинец Александр Григорьевич
- Откуда: Киев, Украина
- Контактная информация:
Re: Посоветуйте/покритикуйте по шкафу станка ЧПУ
http://www.cnc-club.ru/forum/viewtopic. ... 53#p137993Александр_ писал(а):и есть все делать через кфлоп, то каким образом будут взаимодействовать выводы клеммной колодки частотника, кфлоп и реле? может, есть где почитать про подобные подключения?
- alexg-nn
- Мастер
- Сообщения: 793
- Зарегистрирован: 08 фев 2015, 12:45
- Репутация: 127
- Настоящее имя: Алексей
- Откуда: Нижний Новгород
- Контактная информация:
Re: Посоветуйте/покритикуйте по шкафу станка ЧПУ
А как реализуется E-stop для шпинделя? Он просто запитан через тот же контактор?
-
Александр_
- Мастер
- Сообщения: 1743
- Зарегистрирован: 24 дек 2013, 17:47
- Репутация: 122
- Контактная информация:
Re: Посоветуйте/покритикуйте по шкафу станка ЧПУ
спасибо! в этой схеме нет элементов с панели управления, верно? ни резиатора для обротов ни кнопок. в той схеме, что приведена на картинке управление шпинделем только электронное?
это я к тому, что в теме про станок КФПЭ виден кнопки управления шпинделем на лицевой панели.
про е-стоп шпинделя тоже думал уже - нужно как-то включить и то в цепочку безопасности. если шпиндель встанет по ошибке а оси продолжат движение, то это как-то нехорошо.
это я к тому, что в теме про станок КФПЭ виден кнопки управления шпинделем на лицевой панели.
про е-стоп шпинделя тоже думал уже - нужно как-то включить и то в цепочку безопасности. если шпиндель встанет по ошибке а оси продолжат движение, то это как-то нехорошо.
Заходите в гости: www.pandicon.net www.graver36.ru
- ukr-sasha
- Мастер
- Сообщения: 3401
- Зарегистрирован: 21 мар 2011, 07:47
- Репутация: 2181
- Настоящее имя: Украинец Александр Григорьевич
- Откуда: Киев, Украина
- Контактная информация:
Re: Посоветуйте/покритикуйте по шкафу станка ЧПУ
У меня все ошибки отслеживает кфлоп. В случае чего отрубает энейбл шпинделя.
Управляет шпинделем тоже кфлоп.
Управляет шпинделем тоже кфлоп.
-
Александр_
- Мастер
- Сообщения: 1743
- Зарегистрирован: 24 дек 2013, 17:47
- Репутация: 122
- Контактная информация:
Re: Посоветуйте/покритикуйте по шкафу станка ЧПУ
получается. никакого реле не нужно для шпинделя - все кфлоп делает? удобно.
Заходите в гости: www.pandicon.net www.graver36.ru
- alexg-nn
- Мастер
- Сообщения: 793
- Зарегистрирован: 08 фев 2015, 12:45
- Репутация: 127
- Настоящее имя: Алексей
- Откуда: Нижний Новгород
- Контактная информация:
Re: Посоветуйте/покритикуйте по шкафу станка ЧПУ
Не совсем к топикстартеру, но в тему шкафа
Курю тему общего включателя. Хотел сделать красивый вариант с переключателем-ключом (аля авторизация
)

Но осмотр сименсовского каталога показал, что такие переключатели кроме как на 10А (максимум) не бывают. То есть им надо опять же включать цепь контактора (ещё одного, выше уровнем).

Но осмотр сименсовского каталога показал, что такие переключатели кроме как на 10А (максимум) не бывают. То есть им надо опять же включать цепь контактора (ещё одного, выше уровнем).
-
Александр_
- Мастер
- Сообщения: 1743
- Зарегистрирован: 24 дек 2013, 17:47
- Репутация: 122
- Контактная информация:
Re: Посоветуйте/покритикуйте по шкафу станка ЧПУ
да, сегодня еще раз шерстил ассортимент магазина. из того, что есть в продаже вменяемого размера нашел тумблер на 25А. вероятно, на нем и остановлюсь
Заходите в гости: www.pandicon.net www.graver36.ru
- NightV
- Почётный участник

- Сообщения: 6611
- Зарегистрирован: 30 дек 2011, 09:14
- Репутация: 2279
- Настоящее имя: Владимир Айрапетян
- Откуда: Israel
- Контактная информация:
Re: Посоветуйте/покритикуйте по шкафу станка ЧПУ
я смотрю тут был спор куда инвертор ткнуть...
три пром станка
1) в одном шкафу со всем остальным но максимально отдален, висит в отделении с силовыми трансами (японец, 86 год)
2) в одном шкафу со всем остальным но максимально отдален, висит в отделениее вместе с драйверами (итальянец, 98 год)
2) 3 инвертора: шпинделя, барабана инструмента, управление "рукой смены инструмента".. висят отдельно, в шкафу с другой стороны станка.. (японец, 91 год)
думаете случайно?
не думаю что их папы и деды были тупее нас, и частотники относил подальше от "мозгов" 
три пром станка
1) в одном шкафу со всем остальным но максимально отдален, висит в отделении с силовыми трансами (японец, 86 год)
2) в одном шкафу со всем остальным но максимально отдален, висит в отделениее вместе с драйверами (итальянец, 98 год)
2) 3 инвертора: шпинделя, барабана инструмента, управление "рукой смены инструмента".. висят отдельно, в шкафу с другой стороны станка.. (японец, 91 год)
думаете случайно?
Всё просто! если знаешь КАК!
- Serg
- Мастер
- Сообщения: 21923
- Зарегистрирован: 17 апр 2012, 14:58
- Репутация: 5183
- Заслуга: c781c134843e0c1a3de9
- Настоящее имя: Сергей
- Откуда: Москва
- Контактная информация:
Re: Посоветуйте/покритикуйте по шкафу станка ЧПУ
Re: AG-400. Пересадка мозга. #2
Первые две фотки...
Первые две фотки...
Я не Христос, рыбу не раздаю, но могу научить, как сделать удочку...
-
Александр_
- Мастер
- Сообщения: 1743
- Зарегистрирован: 24 дек 2013, 17:47
- Репутация: 122
- Контактная информация:
Re: Посоветуйте/покритикуйте по шкафу станка ЧПУ
значит и к лучшему, что инвертор не влез. будет висеть в отдельном ящичкеNightV писал(а):я смотрю тут был спор куда инвертор ткнуть...
три пром станка
1) в одном шкафу со всем остальным но максимально отдален, висит в отделении с силовыми трансами (японец, 86 год)
2) в одном шкафу со всем остальным но максимально отдален, висит в отделениее вместе с драйверами (итальянец, 98 год)
2) 3 инвертора: шпинделя, барабана инструмента, управление "рукой смены инструмента".. висят отдельно, в шкафу с другой стороны станка.. (японец, 91 год)
думаете случайно?не думаю что их папы и деды были тупее нас, и частотники относил подольше от "мозгов"
Заходите в гости: www.pandicon.net www.graver36.ru
-
Александр_
- Мастер
- Сообщения: 1743
- Зарегистрирован: 24 дек 2013, 17:47
- Репутация: 122
- Контактная информация:
Re: Посоветуйте/покритикуйте по шкафу станка ЧПУ
пока как-то так получается. акриловая панель с разъемами временная. второй контактор, наверное, тоже не пригодится.
Заходите в гости: www.pandicon.net www.graver36.ru
- alexg-nn
- Мастер
- Сообщения: 793
- Зарегистрирован: 08 фев 2015, 12:45
- Репутация: 127
- Настоящее имя: Алексей
- Откуда: Нижний Новгород
- Контактная информация:
Re: Посоветуйте/покритикуйте по шкафу станка ЧПУ
А это такое штатное решение с откидывающейся панелью?
- Dmaster
- Мастер
- Сообщения: 1272
- Зарегистрирован: 15 июл 2011, 13:36
- Репутация: 476
- Контактная информация:
Re: Посоветуйте/покритикуйте по шкафу станка ЧПУ
во втором ряду всё слишком близко друг к другу. питание любит охлаждение
" Linux CNC - наше всё"
-
Александр_
- Мастер
- Сообщения: 1743
- Зарегистрирован: 24 дек 2013, 17:47
- Репутация: 122
- Контактная информация:
Re: Посоветуйте/покритикуйте по шкафу станка ЧПУ
это мое ноу-хауalexg-nn писал(а):А это такое штатное решение с откидывающейся панелью?
иначе никак не влезало. теперь вроде умещается, зато куча мороки с монтажом - тесно и неудобно. на каждый сервопак снизу будет по кулеру 40х40. будет продуваться снизу вверх, плюс на самом шкафу скорее всего тоже кулер. надеюсь, перегреваться не будет.
Заходите в гости: www.pandicon.net www.graver36.ru
- N1X
- Мастер
- Сообщения: 3653
- Зарегистрирован: 16 фев 2015, 21:19
- Репутация: 1646
- Настоящее имя: Владимир
- Откуда: Беларусь, Гомель
- Контактная информация:
Re: Посоветуйте/покритикуйте по шкафу станка ЧПУ
Не случайно, но и не обязательно... Вон у сименса линейка SIMODRIVE 611 и ЧПУ Sinumerik 840d (равно как линейка Sinamics S120 и стойка 840Dsl) вообще на общей рейке висят и от одного источника 24В кормятся, и ниче так, живут себе...NightV писал(а):думаете случайно? не думаю что их папы и деды были тупее нас, и частотники относил подольше от "мозгов"
Единственное что обычно должны быть все фильтра в наличии, кабеля на сеть и движок в экране и т.п...
- alexg-nn
- Мастер
- Сообщения: 793
- Зарегистрирован: 08 фев 2015, 12:45
- Репутация: 127
- Настоящее имя: Алексей
- Откуда: Нижний Новгород
- Контактная информация:
Re: Посоветуйте/покритикуйте по шкафу станка ЧПУ
Товарисчи, может кто книжки какие умные/хорошие знает по проектированию систем управлений и проч. типа вот таких шкафов управления? Всегда приятно делать что-то проверенное временем и ТБ 
- ukr-sasha
- Мастер
- Сообщения: 3401
- Зарегистрирован: 21 мар 2011, 07:47
- Репутация: 2181
- Настоящее имя: Украинец Александр Григорьевич
- Откуда: Киев, Украина
- Контактная информация:
Re: Посоветуйте/покритикуйте по шкафу станка ЧПУ
Проще и быстрее посмотреть, как сделано у пром. станков и скопировать.alexg-nn писал(а):Товарисчи, может кто книжки какие умные/хорошие знает по проектированию систем управлений и проч. типа вот таких шкафов управления? Всегда приятно делать что-то проверенное временем и ТБ
- alexg-nn
- Мастер
- Сообщения: 793
- Зарегистрирован: 08 фев 2015, 12:45
- Репутация: 127
- Настоящее имя: Алексей
- Откуда: Нижний Новгород
- Контактная информация:
Re: Посоветуйте/покритикуйте по шкафу станка ЧПУ
Это да, но я, признаться, не особо много находил схем современных станков, а на фотографии особо много и не увидишь, кроме компоновки.ukr-sasha писал(а):Проще и быстрее посмотреть, как сделано у пром. станков и скопировать.
Мне вот, например, интересно, можно ли на лицевую панель шкафа выводить элементы управления под сетевым напряжением или же туда только низковольтные сигнальные цепи заводятся.
Например, главный включатель я знаю как делают - сам он стоит на DIN рейке, а на дверце шкафа только ручка со штоком закреплена. А вот, скажем, лапочку сигнальную "Сеть" на 220В воткнуть на дверь приемлемо? Или лучше развязать через трансформатор на 24В?
-
Александр_
- Мастер
- Сообщения: 1743
- Зарегистрирован: 24 дек 2013, 17:47
- Репутация: 122
- Контактная информация:
Re: Посоветуйте/покритикуйте по шкафу станка ЧПУ
я совсем не спец в электротехнике и радиоэлектронике, но насколько знаю тут все зависит от конкретной задачи. никто не запрещает вынести на лицевую панель выключатель или лампочку от 220В если все соответствующим образом изолировано и заземлено. мы же пользуемся компьютерами, микроволновками и утюгами в быту, верно7 там тоже все от 220 работает.
Другое дело, что вынося на панель кнопки, заведенные, например, на пускатели, мы:
1. разносим силовую часть и логическую
2. можем модвести более тонкие провода
3. ле тыкаем руками в мощные силовые цепи крупных станков.
а лицевые щитки не всегда низковольтные - вон, большинство пускателей с катушкой на 220В. Я на 24В еще поискал.
Другое дело, что вынося на панель кнопки, заведенные, например, на пускатели, мы:
1. разносим силовую часть и логическую
2. можем модвести более тонкие провода
3. ле тыкаем руками в мощные силовые цепи крупных станков.
а лицевые щитки не всегда низковольтные - вон, большинство пускателей с катушкой на 220В. Я на 24В еще поискал.
Заходите в гости: www.pandicon.net www.graver36.ru