Александр, я правильно понимаю, что индексная метка с фазы С?ukr-sasha писал(а):С индексной меткой я бы сейчас не заморачивался. Её нужно будет подключать на другой канал.
Мой "небольшой гравер" по цветным металлам "Atom 500x700"
- Atom42
- Мастер
- Сообщения: 721
- Зарегистрирован: 07 июл 2014, 11:55
- Репутация: 286
- Настоящее имя: Денис
- Откуда: Кемерово
- Контактная информация:
Re: Мой "небольшой гравер" по цветным металлам "Atom 500x700
Неважно, как быстро Ты идешь, главное- не останавливаться.
- ukr-sasha
- Мастер
- Сообщения: 3401
- Зарегистрирован: 21 мар 2011, 07:47
- Репутация: 2181
- Настоящее имя: Украинец Александр Григорьевич
- Откуда: Киев, Украина
- Контактная информация:
Re: Мой "небольшой гравер" по цветным металлам "Atom 500x700
Да.Atom42 писал(а):Александр, я правильно понимаю, что индексная метка с фазы С?
- Atom42
- Мастер
- Сообщения: 721
- Зарегистрирован: 07 июл 2014, 11:55
- Репутация: 286
- Настоящее имя: Денис
- Откуда: Кемерово
- Контактная информация:
Re: Мой "небольшой гравер" по цветным металлам "Atom 500x700
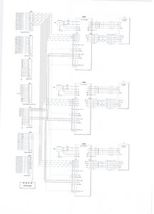
Есть еще одна схема подключения, тоже из сети, она несколько отличается от предыдущей. Подумал, что может быть она проще и может кому пригодится, если знающие скажут, что и так можно.
И вот она же в нормальном качестве
Неважно, как быстро Ты идешь, главное- не останавливаться.
- ukr-sasha
- Мастер
- Сообщения: 3401
- Зарегистрирован: 21 мар 2011, 07:47
- Репутация: 2181
- Настоящее имя: Украинец Александр Григорьевич
- Откуда: Киев, Украина
- Контактная информация:
Re: Мой "небольшой гравер" по цветным металлам "Atom 500x700
По сути то же самое...
- Atom42
- Мастер
- Сообщения: 721
- Зарегистрирован: 07 июл 2014, 11:55
- Репутация: 286
- Настоящее имя: Денис
- Откуда: Кемерово
- Контактная информация:
Re: Мой "небольшой гравер" по цветным металлам "Atom 500x700
ukr-sasha, хотел уточнить:
1. S-on в каналог подключается к jp8?
2. 24в для сервопака можно подключить jp15?
1. S-on в каналог подключается к jp8?
2. 24в для сервопака можно подключить jp15?
Неважно, как быстро Ты идешь, главное- не останавливаться.
- ukr-sasha
- Мастер
- Сообщения: 3401
- Зарегистрирован: 21 мар 2011, 07:47
- Репутация: 2181
- Настоящее имя: Украинец Александр Григорьевич
- Откуда: Киев, Украина
- Контактная информация:
Re: Мой "небольшой гравер" по цветным металлам "Atom 500x700
1. Да.
2. Да. Зачем?
2. Да. Зачем?
- Atom42
- Мастер
- Сообщения: 721
- Зарегистрирован: 07 июл 2014, 11:55
- Репутация: 286
- Настоящее имя: Денис
- Откуда: Кемерово
- Контактная информация:
Re: Мой "небольшой гравер" по цветным металлам "Atom 500x700
А как лучше?ukr-sasha писал(а):Да. Зачем?
Я вот в голове не могу уяснить момент с " 0" и "-", в чем принципиальное отличие, где читать. Например, до сих пор не понимаю как можно подать +24в на сервопак, а на другой контакт 0 24в, откуда этот ноль, с корпуса или с блока питания "-"? Так уж получилось, что кроме фазы и ноля в быту более ничего и не нужно, а по основному виду деятельность я манагер, короче в электронике "баран".
Неважно, как быстро Ты идешь, главное- не останавливаться.
- ukr-sasha
- Мастер
- Сообщения: 3401
- Зарегистрирован: 21 мар 2011, 07:47
- Репутация: 2181
- Настоящее имя: Украинец Александр Григорьевич
- Откуда: Киев, Украина
- Контактная информация:
Re: Мой "небольшой гравер" по цветным металлам "Atom 500x700
Не понятно что хочешь сделать...
- Atom42
- Мастер
- Сообщения: 721
- Зарегистрирован: 07 июл 2014, 11:55
- Репутация: 286
- Настоящее имя: Денис
- Откуда: Кемерово
- Контактная информация:
Re: Мой "небольшой гравер" по цветным металлам "Atom 500x700
1. "0" и "-" одно и тоже(хочу понять, в поисковике на такой идиотский вопрос по ходу нет ответа)?ukr-sasha писал(а):Не понятно что хочешь сделать...
2. Ты писал:
с А и В понятно, а вот землю не догоняю, нужно 36 пин в cn1 (он как земля обозначен) на корпус или как...?ukr-sasha писал(а):Вам нужно будет подключить А+/А-, В+/В- и землю.
Неважно, как быстро Ты идешь, главное- не останавливаться.
-
aftaev
- Зачётный участник

- Сообщения: 34042
- Зарегистрирован: 04 апр 2010, 19:22
- Репутация: 6194
- Откуда: Казахстан.
- Контактная информация:
Re: Мой "небольшой гравер" по цветным металлам "Atom 500x700
в сервопаках стоят обычно оптопары, которые открываются при подаче на них напряжения (часто +24в)Atom42 писал(а):Например, до сих пор не понимаю как можно подать +24в на сервопак, а на другой контакт 0 24в, откуда этот ноль, с корпуса или с блока питания "-"?
Ааа, так у тебя Яскава
Ты же мои картинки нашел Re: Мой небольшой гравер по цветным металлам Atom 500x700 #104, так в чем сложность?
Дилетанту сложные вещи кажутся очень простыми, и только профессионал понимает насколько сложна самая простая вещь
Кто хочет - ищет возможности, кто не хочет - ищет оправдание.
Найди работу по душе и тебе не придется работать.
Кто хочет - ищет возможности, кто не хочет - ищет оправдание.
Найди работу по душе и тебе не придется работать.
-
aftaev
- Зачётный участник

- Сообщения: 34042
- Зарегистрирован: 04 апр 2010, 19:22
- Репутация: 6194
- Откуда: Казахстан.
- Контактная информация:
Re: Мой "небольшой гравер" по цветным металлам "Atom 500x700
Atom42, ты скажи мотор в холостую крутил через прогу SigmaWin аль нет ?
Дилетанту сложные вещи кажутся очень простыми, и только профессионал понимает насколько сложна самая простая вещь
Кто хочет - ищет возможности, кто не хочет - ищет оправдание.
Найди работу по душе и тебе не придется работать.
Кто хочет - ищет возможности, кто не хочет - ищет оправдание.
Найди работу по душе и тебе не придется работать.
- Atom42
- Мастер
- Сообщения: 721
- Зарегистрирован: 07 июл 2014, 11:55
- Репутация: 286
- Настоящее имя: Денис
- Откуда: Кемерово
- Контактная информация:
Re: Мой "небольшой гравер" по цветным металлам "Atom 500x700
Ага все картинки твои, я тебя и упоминал, спасибо за них, доходчиво в целом (особенно когда тему на второй раз начинаешь читатьaftaev писал(а):Ааа, так у тебя Яскава
Ты же мои картинки нашел Re: Мой небольшой гравер по цветным металлам Atom 500x700 #104, так в чем сложность?
Неважно, как быстро Ты идешь, главное- не останавливаться.
- Atom42
- Мастер
- Сообщения: 721
- Зарегистрирован: 07 июл 2014, 11:55
- Репутация: 286
- Настоящее имя: Денис
- Откуда: Кемерово
- Контактная информация:
Re: Мой "небольшой гравер" по цветным металлам "Atom 500x700
Да, с этим разобрался, спаял, подключил, наигрался вдоволь, но настройки не трогал.aftaev писал(а):ты скажи мотор в холостую крутил через прогу SigmaWin аль нет ?
Неважно, как быстро Ты идешь, главное- не останавливаться.
-
aftaev
- Зачётный участник

- Сообщения: 34042
- Зарегистрирован: 04 апр 2010, 19:22
- Репутация: 6194
- Откуда: Казахстан.
- Контактная информация:
Re: Мой "небольшой гравер" по цветным металлам "Atom 500x700
Это ты крутил при помощи SigmaWin. Чтобы не мучится с входными сигналами POT/NOT и S-on их можно заглушить в настройках.
Включи серву и подключи обычную батарейку 1.5v-9v к выводам 3 и 4 CN1. Серва должна начать вращаться. Если провода поменяешь местами должна крутиться в обратку.
Вот когда серва у тебя будет вращаться тогда можно прикручивать ее к КФЛОПУ
Включи серву и подключи обычную батарейку 1.5v-9v к выводам 3 и 4 CN1. Серва должна начать вращаться. Если провода поменяешь местами должна крутиться в обратку.
Вот когда серва у тебя будет вращаться тогда можно прикручивать ее к КФЛОПУ
Дилетанту сложные вещи кажутся очень простыми, и только профессионал понимает насколько сложна самая простая вещь
Кто хочет - ищет возможности, кто не хочет - ищет оправдание.
Найди работу по душе и тебе не придется работать.
Кто хочет - ищет возможности, кто не хочет - ищет оправдание.
Найди работу по душе и тебе не придется работать.
- Atom42
- Мастер
- Сообщения: 721
- Зарегистрирован: 07 июл 2014, 11:55
- Репутация: 286
- Настоящее имя: Денис
- Откуда: Кемерово
- Контактная информация:
Re: Мой "небольшой гравер" по цветным металлам "Atom 500x700
Понял, так и поступлю.
Неважно, как быстро Ты идешь, главное- не останавливаться.
-
aftaev
- Зачётный участник

- Сообщения: 34042
- Зарегистрирован: 04 апр 2010, 19:22
- Репутация: 6194
- Откуда: Казахстан.
- Контактная информация:
Re: Мой "небольшой гравер" по цветным металлам "Atom 500x700
У тебя сейчас когда серву воткнуть в розетку горит зеленый светодиод?
Дилетанту сложные вещи кажутся очень простыми, и только профессионал понимает насколько сложна самая простая вещь
Кто хочет - ищет возможности, кто не хочет - ищет оправдание.
Найди работу по душе и тебе не придется работать.
Кто хочет - ищет возможности, кто не хочет - ищет оправдание.
Найди работу по душе и тебе не придется работать.
- Atom42
- Мастер
- Сообщения: 721
- Зарегистрирован: 07 июл 2014, 11:55
- Репутация: 286
- Настоящее имя: Денис
- Откуда: Кемерово
- Контактная информация:
Re: Мой "небольшой гравер" по цветным металлам "Atom 500x700
Горит..., красный гаснет через пару сек после включения.aftaev писал(а):У тебя сейчас когда серву воткнуть в розетку горит зеленый светодиод?
Неважно, как быстро Ты идешь, главное- не останавливаться.
-
aftaev
- Зачётный участник

- Сообщения: 34042
- Зарегистрирован: 04 апр 2010, 19:22
- Репутация: 6194
- Откуда: Казахстан.
- Контактная информация:
Re: Мой "небольшой гравер" по цветным металлам "Atom 500x700
попробуй батарейку подключить как писал в #134. Как закрутится, будем прикручивать к КФЛОПуAtom42 писал(а):Горит..., красный гаснет через пару сек после включения.
Дилетанту сложные вещи кажутся очень простыми, и только профессионал понимает насколько сложна самая простая вещь
Кто хочет - ищет возможности, кто не хочет - ищет оправдание.
Найди работу по душе и тебе не придется работать.
Кто хочет - ищет возможности, кто не хочет - ищет оправдание.
Найди работу по душе и тебе не придется работать.
- Atom42
- Мастер
- Сообщения: 721
- Зарегистрирован: 07 июл 2014, 11:55
- Репутация: 286
- Настоящее имя: Денис
- Откуда: Кемерово
- Контактная информация:
Re: Мой "небольшой гравер" по цветным металлам "Atom 500x700
Спасибо ребята, что отозвались и не бросаете, а то был момент, что начал сожалеть, что на шаговиках не остановился. Завтра планирую кое-какие чертежи подготовить и с железом повозиться немного, а вот в воскресенье проведу опыты с батарейкой, если конечно не завтра, так то не долго можно и сегодня быaftaev писал(а):попробуй батарейку подключить как писал в #134. Как закрутится, будем прикручивать к КФЛОПу
Неважно, как быстро Ты идешь, главное- не останавливаться.
-
aftaev
- Зачётный участник

- Сообщения: 34042
- Зарегистрирован: 04 апр 2010, 19:22
- Репутация: 6194
- Откуда: Казахстан.
- Контактная информация:
Re: Мой "небольшой гравер" по цветным металлам "Atom 500x700
ты ежели что в ЛС стучи, а то за всеми темами не углядишь. Как подключишь батарейку - стучи в ЛС чтоб тебя заметилAtom42 писал(а):Спасибо ребята, что отозвались и не бросаете, а то был момент, что начал сожалеть, что на шаговиках не остановился.
Дилетанту сложные вещи кажутся очень простыми, и только профессионал понимает насколько сложна самая простая вещь
Кто хочет - ищет возможности, кто не хочет - ищет оправдание.
Найди работу по душе и тебе не придется работать.
Кто хочет - ищет возможности, кто не хочет - ищет оправдание.
Найди работу по душе и тебе не придется работать.