Подключение драйверов к контроллеру
- vovafed
- Мастер
- Сообщения: 1822
- Зарегистрирован: 08 фев 2013, 16:19
- Репутация: 325
- Настоящее имя: Владимир
- Откуда: башкортостан
- Контактная информация:
Re: Подключение драйверов к контроллеру
да наоборот извините
- michael-yurov
- Почётный участник

- Сообщения: 11731
- Зарегистрирован: 26 июл 2012, 00:10
- Репутация: 4703
- Настоящее имя: Михаил Львович
- Откуда: Новоуральск
- Контактная информация:
Re: Подключение драйверов к контроллеру
Извиняться то зачем )))vovafed писал(а):да наоборот извините
не на экзамене ведь.
- vovafed
- Мастер
- Сообщения: 1822
- Зарегистрирован: 08 фев 2013, 16:19
- Репутация: 325
- Настоящее имя: Владимир
- Откуда: башкортостан
- Контактная информация:
Re: Подключение драйверов к контроллеру
если заработает резистор в кружочке с соседями надо будет выпаять чтобы оптопару платы не перегружать
он получится включенным паралельно с оптопарой драйвера сигнала шаг
он получится включенным паралельно с оптопарой драйвера сигнала шаг
- murdered
- Кандидат
- Сообщения: 75
- Зарегистрирован: 11 окт 2012, 21:33
- Репутация: 4
- Настоящее имя: дмитрий горин
- Откуда: г.Долгопрудный Московская обл.
- Контактная информация:
Re: Подключение драйверов к контроллеру
мужики спасибо за подсказки!блин ,проблема в том что я поздно закончиваю работать и рано начинаю по 3-5ч сплю( только на выходных получится проверить правильность подключения.
- michael-yurov
- Почётный участник

- Сообщения: 11731
- Зарегистрирован: 26 июл 2012, 00:10
- Репутация: 4703
- Настоящее имя: Михаил Львович
- Откуда: Новоуральск
- Контактная информация:
Re: Подключение драйверов к контроллеру
Да не вопрос. Сами такие же.murdered писал(а):мужики спасибо за подсказки!блин ,проблема в том что я поздно закончиваю работать и рано начинаю по 3-5ч сплю( только на выходных получится проверить правильность подключения.
-
viteka
- Новичок
- Сообщения: 20
- Зарегистрирован: 15 мар 2013, 16:54
- Репутация: 0
- Контактная информация:
Re: Подключение драйверов к контроллеру
Доброго времени суток! Подскажите пожалуйста будит ли работать DB25-1205 если с LPT разъёма выход 3.3V вместо 5V.
- michael-yurov
- Почётный участник

- Сообщения: 11731
- Зарегистрирован: 26 июл 2012, 00:10
- Репутация: 4703
- Настоящее имя: Михаил Львович
- Откуда: Новоуральск
- Контактная информация:
Re: Подключение драйверов к контроллеру
Вполне вероятно, что будет, но гарантий нет.viteka писал(а):Доброго времени суток! Подскажите пожалуйста будит ли работать DB25-1205 если с LPT разъёма выход 3.3V вместо 5V.
Дело в том, что сигнал поступает на входы триггера 74HC14, а уровень переключения у этой микросхемы зависит от напряжения питания. И в случае с 3.3В -> 5В уровни сигнала впритык попадают в один диапазон, но реальность зависит от конкретной партии микросхем.
Чтобы плата точно работала - имеет смыл питать ее чуть меньшим напряжением чем 5В. Для этого достаточно последовательно в цепь питания добавить диод. Падения напряжения на диоде (примерно 0.6 В) как раз будет достаточно для согласования работы LPT и интерфейсной платы (выходные уровни LPT как раз попадут в рабочий диапазон для 74HC14).
Полагаю, что проблем с тем, что на вход LPT будет подано 5 В не возникнет.
-
viteka
- Новичок
- Сообщения: 20
- Зарегистрирован: 15 мар 2013, 16:54
- Репутация: 0
- Контактная информация:
Re: Подключение драйверов к контроллеру
Спасибо за совет. Попробую понизить питание.
-
CNC-JOY
- Новичок
- Сообщения: 17
- Зарегистрирован: 09 дек 2012, 14:07
- Репутация: 0
- Контактная информация:
Re: Подключение драйверов к контроллеру
Извиняюсь что ввел новичков в заблуждение, сам много не знаю...
У меня всё так и лежит на столе и я так и не разабрался почему не хочет работать порт Enable, суть ясна что надо дать импульс на отключение но после 2й попытки у меня не получилось это сделать, опишу по подробней:
1. Подключаю Enable 1го драйвера на пин P17 и кидаю землю на рядом стоящую клему "GND".
2. В настройках мача "Enable1" выставляю пин17 и ставлю галочку "Active Low"
3. Включаю питание - загорается зелёная лампочка (ну в общем работает без проблем, мотор вращается)
Результат - удержание осталось как и было... (если убрать галочку "Active Low" то тоже самое)
А теперь вопрос что нужно сделать чтоб снять удержание? (если не трудно объясните поподробней в ситуации с данным контроллером и драйвером)
+ ещо есть фигня 1на, при попытке подключить остальные 2 драйвера по аналогии в другие пины то 1й драйвер норм, а 2й и 3й драйвера включают красные лампочки, ет что означает?(мои варианты- я чо спалил, брак драйверов)
П.С. при связке всех со всех драйверов Enable на 1ну клему таже фигня.
У меня всё так и лежит на столе и я так и не разабрался почему не хочет работать порт Enable, суть ясна что надо дать импульс на отключение но после 2й попытки у меня не получилось это сделать, опишу по подробней:
1. Подключаю Enable 1го драйвера на пин P17 и кидаю землю на рядом стоящую клему "GND".
2. В настройках мача "Enable1" выставляю пин17 и ставлю галочку "Active Low"
3. Включаю питание - загорается зелёная лампочка (ну в общем работает без проблем, мотор вращается)
Результат - удержание осталось как и было... (если убрать галочку "Active Low" то тоже самое)
А теперь вопрос что нужно сделать чтоб снять удержание? (если не трудно объясните поподробней в ситуации с данным контроллером и драйвером)
+ ещо есть фигня 1на, при попытке подключить остальные 2 драйвера по аналогии в другие пины то 1й драйвер норм, а 2й и 3й драйвера включают красные лампочки, ет что означает?(мои варианты- я чо спалил, брак драйверов)
П.С. при связке всех со всех драйверов Enable на 1ну клему таже фигня.
-
CNC-JOY
- Новичок
- Сообщения: 17
- Зарегистрирован: 09 дек 2012, 14:07
- Репутация: 0
- Контактная информация:
Re: Подключение драйверов к контроллеру
Есть ещо 1н вопросик небольшой, я имею двигатели - 23HS2430B 3A и драйверы DM542 1A-4.2A ,сколько мне нужно выставить Ампер на драйвере?
У меня сейчас стоит 4.2 А и двигатели греются во время работы, как вообще лучше давать А на драйверах чуть больше чем надо двигателю или достаточно дать чётко 3 А?
Я в настройках имею такие варианты -
1.00
1.46
1.92
2.37
2.84
3.32 <--- думаю включить так
3.76
4.20 <--- сейчас включено так
У меня сейчас стоит 4.2 А и двигатели греются во время работы, как вообще лучше давать А на драйверах чуть больше чем надо двигателю или достаточно дать чётко 3 А?
Я в настройках имею такие варианты -
1.00
1.46
1.92
2.37
2.84
3.32 <--- думаю включить так
3.76
4.20 <--- сейчас включено так
- michael-yurov
- Почётный участник

- Сообщения: 11731
- Зарегистрирован: 26 июл 2012, 00:10
- Репутация: 4703
- Настоящее имя: Михаил Львович
- Откуда: Новоуральск
- Контактная информация:
Re: Подключение драйверов к контроллеру
Если моторы не сильно нагреваются - то можно и побольше, чем рекомендуется.
Что там у тебя с драйверами то и с лампочками красными / зелеными
Все так же не работает?
Вход Enable может работать и как выключатель, и как включатель. Нужно проверять.
Проверь тестером, что там у тебя на входах и выходах (я про сигнал enable) может ситуация прояснится.
Как там должны лампочки гореть - не помню, у разных драйверов по разному.
Что там у тебя с драйверами то и с лампочками красными / зелеными
Все так же не работает?
Вход Enable может работать и как выключатель, и как включатель. Нужно проверять.
Проверь тестером, что там у тебя на входах и выходах (я про сигнал enable) может ситуация прояснится.
Как там должны лампочки гореть - не помню, у разных драйверов по разному.
- vovafed
- Мастер
- Сообщения: 1822
- Зарегистрирован: 08 фев 2013, 16:19
- Репутация: 325
- Настоящее имя: Владимир
- Откуда: башкортостан
- Контактная информация:
Re: Подключение драйверов к контроллеру
для проверки включите драйвера в место первого сразу видно будет
- murdered
- Кандидат
- Сообщения: 75
- Зарегистрирован: 11 окт 2012, 21:33
- Репутация: 4
- Настоящее имя: дмитрий горин
- Откуда: г.Долгопрудный Московская обл.
- Контактная информация:
Re: Подключение драйверов к контроллеру
скажите пожалуйста что я не так подключил?на компе стоит материнская плата INTEL D2700MUD и LinuxCNC 10.04.. при подключении драйверов к питанию двигатели встают в удержание , при включенном linuxcnc начало поиска осей выдает ошибку!( помогите с подключением (за вознаграждение) живу в Подмосковье могу подвезти показать комп вместе с набором wantaimotor
- michael-yurov
- Почётный участник

- Сообщения: 11731
- Зарегистрирован: 26 июл 2012, 00:10
- Репутация: 4703
- Настоящее имя: Михаил Львович
- Откуда: Новоуральск
- Контактная информация:
Re: Подключение драйверов к контроллеру
Вроде бы вот так должно заработать:
(если пины step / dir настроены правильно)
(если пины step / dir настроены правильно)
- Serg
- Мастер
- Сообщения: 21923
- Зарегистрирован: 17 апр 2012, 14:58
- Репутация: 5183
- Заслуга: c781c134843e0c1a3de9
- Настоящее имя: Сергей
- Откуда: Москва
- Контактная информация:
Re: Подключение драйверов к контроллеру
Так это контакты у него и так соеденены.michael-yurov писал(а):Вроде бы вот так должно заработать:
Я не Христос, рыбу не раздаю, но могу научить, как сделать удочку...
- michael-yurov
- Почётный участник

- Сообщения: 11731
- Зарегистрирован: 26 июл 2012, 00:10
- Репутация: 4703
- Настоящее имя: Михаил Львович
- Откуда: Новоуральск
- Контактная информация:
Re: Подключение драйверов к контроллеру
Не фото не увидел +5В со стороны драйверов.
Хотя, может быть в этой схеме и без него будет работать.
Хотя, может быть в этой схеме и без него будет работать.
- Serg
- Мастер
- Сообщения: 21923
- Зарегистрирован: 17 апр 2012, 14:58
- Репутация: 5183
- Заслуга: c781c134843e0c1a3de9
- Настоящее имя: Сергей
- Откуда: Москва
- Контактная информация:
Re: Подключение драйверов к контроллеру
1:1 - на одной фотке ты не заметил синий провод, на другой я не заметил розовую линию. 
Я не Христос, рыбу не раздаю, но могу научить, как сделать удочку...
-
Алексей-Борода
- Новичок
- Сообщения: 3
- Зарегистрирован: 10 апр 2013, 17:44
- Репутация: 0
- Контактная информация:
Re: Подключение драйверов к контроллеру
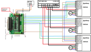
Всем привет, слежу некоторое время за темой и для примера выкладываю реально работаюшую схему комутации, движки кручу мачем
- michael-yurov
- Почётный участник

- Сообщения: 11731
- Зарегистрирован: 26 июл 2012, 00:10
- Репутация: 4703
- Настоящее имя: Михаил Львович
- Откуда: Новоуральск
- Контактная информация:
Re: Подключение драйверов к контроллеру
Точно! там же перемычки стоят у murdered. Значит от моего совета толку не будет.
Возможно у него не работает из за того, что у оптовходов драйверов общий плюс, а может быть просто в EMC2 неправильно настроены выходы.
Возможно у него не работает из за того, что у оптовходов драйверов общий плюс, а может быть просто в EMC2 неправильно настроены выходы.
-
Алексей-Борода
- Новичок
- Сообщения: 3
- Зарегистрирован: 10 апр 2013, 17:44
- Репутация: 0
- Контактная информация:
Re: Подключение драйверов к контроллеру
Немного истории: Когда я в первые взял свой ЧПУ набор в руки казалось всё понятно, но когда начал комутировать....мммдааа
У murdered на входах в драйвера общий +5 и СТЕП ДИР ЕНЕБЛ.
У меня +СТЕП, -СТЕП, +ДИР, -ДИР, +ЕНЕБЛ, -ЕНЕБЛ - значит нужно что-то объединить, я сначала обьединил все плюсы( как у murdered общий +5), а -СТЕП -ДИР -ЕНЕБЛ кинул на пины. И чего? не работает.
Думаю дальше, чего это ради общим должен быть плюс, на всех нормальных схемах общая земля, минус, переделал закрутилось.
Интерфейсная плата у murdered и у меня одинаковые, но на ней общая земля, а на его драйверах общий +5.
Я далеко не спец, может это как-то и можно скрутить в кучу, давайте думать мужики.
У murdered на входах в драйвера общий +5 и СТЕП ДИР ЕНЕБЛ.
У меня +СТЕП, -СТЕП, +ДИР, -ДИР, +ЕНЕБЛ, -ЕНЕБЛ - значит нужно что-то объединить, я сначала обьединил все плюсы( как у murdered общий +5), а -СТЕП -ДИР -ЕНЕБЛ кинул на пины. И чего? не работает.
Думаю дальше, чего это ради общим должен быть плюс, на всех нормальных схемах общая земля, минус, переделал закрутилось.
Интерфейсная плата у murdered и у меня одинаковые, но на ней общая земля, а на его драйверах общий +5.
Я далеко не спец, может это как-то и можно скрутить в кучу, давайте думать мужики.