Защита от помех, заземление и экранирование

Контроллеры, драйверы, датчики, управляющие устройства.
Аватара пользователя
Ёлочник
Новичок
Сообщения: 28
Зарегистрирован: 27 фев 2021, 22:05
Репутация: 0
Настоящее имя: Аноним
Контактная информация:

Re: Защита от помех, заземление и экранирование

Сообщение Ёлочник »

А вот такая плата для преобразования уровней не сгодится для целей гальванической развязки?
Есть у меня такая - брал для возможности использования контроллера с 3.3 в вместо 5.

https://aliexpress.ru/item/1972791896.html
04.PNG (2150 просмотров) <a class='original' href='./download/file.php?id=198599&mode=view' target=_blank>Загрузить оригинал (257.11 КБ)</a>
calabr
Мастер
Сообщения: 937
Зарегистрирован: 04 янв 2019, 15:19
Репутация: 146
Настоящее имя: Calabr
Откуда: Киев
Контактная информация:

Re: Защита от помех, заземление и экранирование

Сообщение calabr »

Нету в нем изоляции.
Нужно пустить через оптроны IN и L.
Похоже что L нужно замыкать на землю оптроном (если он не подключен лазер выключен?)
По IN - если при не-подключенном на этом входе +5в - тоже на землю. Если 0в, то на +5в
Кто пользует такие блоки - поправьте, а-то могут быть нюансы с импульсом в момент включения.
calabr
Мастер
Сообщения: 937
Зарегистрирован: 04 янв 2019, 15:19
Репутация: 146
Настоящее имя: Calabr
Откуда: Киев
Контактная информация:

Re: Защита от помех, заземление и экранирование

Сообщение calabr »

Ёлочник писал(а): А вот такая плата для преобразования уровней не сгодится для целей гальванической развязки?
Нет
Аватара пользователя
Ёлочник
Новичок
Сообщения: 28
Зарегистрирован: 27 фев 2021, 22:05
Репутация: 0
Настоящее имя: Аноним
Контактная информация:

Re: Защита от помех, заземление и экранирование

Сообщение Ёлочник »

Да, если L не замкнут на землю, то лазер не включается, поэтому на него и на P сейчас сделаны перемычки с землей.

А теперь мои глупые вопросы)) "Замыкать L на землю оптроном" - имеется ввиду земля БП или земля контроллера?

По IN я не очень понял... если на него подается 5в с контроллера, то БП выдает 100% мощности, если менее 5в (ШИМ), то пропорционально меньше.

А просто тупо подключить как на моей картинке ниже нельзя? Сейчас все подключено так же, только без оптрона.

p.s. А для чего перемычка на оптроне? И имеет ли значение с какой стороны оптрон ставить - ближе к БП или контроллеру?

Подключение БП лазера с оптроном.png (2119 просмотров) <a class='original' href='./download/file.php?id=198616&mode=view' target=_blank>Загрузить оригинал (304.33 КБ)</a>
calabr
Мастер
Сообщения: 937
Зарегистрирован: 04 янв 2019, 15:19
Репутация: 146
Настоящее имя: Calabr
Откуда: Киев
Контактная информация:

Re: Защита от помех, заземление и экранирование

Сообщение calabr »

Ёлочник писал(а): Замыкать L на землю оптроном" - имеется ввиду земля БП или земля контроллера?
Земля БП - клема G
Идея в том, чтоб развязать земли и сигналы контроллера и БП.
Ёлочник писал(а): По IN я не очень понял... если на него подается 5в с контроллера, то БП выдает 100% мощности, если менее 5в (ШИМ), то пропорционально меньше.
Вывод контроллера выдает либо 5в контроллера, либо землю. Оптрон так не умеет - это просто 1 ключ и его нужно поставить между входом и землей, или между питанием и входом.
Ёлочник писал(а): А просто тупо подключить как на моей картинке ниже нельзя? Сейчас все подключено так же, только без оптрона.
Не уверен, как ведет себя этот блок с управлением только по IN. Может реагировать с задержкой при коротких импульсах.
Не зря-ж ему вход L сделали.
Ёлочник писал(а): p.s. А для чего перемычка на оптроне? И имеет ли значение с какой стороны оптрон ставить - ближе к БП или контроллеру?
Это похлже подключение выхода к общей земле. Я вообще-то не смотрел детали по именно этому изолятору - просто показал о чем речь.
Без разницы. Где удобней.
Аватара пользователя
Ёлочник
Новичок
Сообщения: 28
Зарегистрирован: 27 фев 2021, 22:05
Репутация: 0
Настоящее имя: Аноним
Контактная информация:

Re: Защита от помех, заземление и экранирование

Сообщение Ёлочник »

Ну я по простоте душевной думал, что отдельное L сделано, что бы на пульте управления можно было сделать банальную кнопку включения/выключение лазера... Сейчас вроде нормально работает, хотя если речь о коротких импульсах, то тут точно сказать не могу я только резать пробовал, короткие импульсы это скорее какая-то полутоновая гравировка, но пока она меня не особо интересует.

Это что же, вот так как на картинке получается?
(Хотя, наверное надо к L со стороны контроллера подключать не управление мощностью, а включение шпинделя)
Подключение БП лазера с оптроном2.png (2109 просмотров) <a class='original' href='./download/file.php?id=198617&mode=view' target=_blank>Загрузить оригинал (309.86 КБ)</a>
Аватара пользователя
Ёлочник
Новичок
Сообщения: 28
Зарегистрирован: 27 фев 2021, 22:05
Репутация: 0
Настоящее имя: Аноним
Контактная информация:

Re: Защита от помех, заземление и экранирование

Сообщение Ёлочник »

Меня скорее волнует вопрос будут ли передаваться промежуточные уровни напряжений между 5в и 0в. Если такие уровни моделируются ШИМ, то наверное должны, или нет?
calabr
Мастер
Сообщения: 937
Зарегистрирован: 04 янв 2019, 15:19
Репутация: 146
Настоящее имя: Calabr
Откуда: Киев
Контактная информация:

Re: Защита от помех, заземление и экранирование

Сообщение calabr »

Ёлочник писал(а): 03 окт 2021, 01:00 Меня скорее волнует вопрос будут ли передаваться промежуточные уровни напряжений между 5в и 0в. Если такие уровни моделируются ШИМ, то наверное должны, или нет?
На L подключать ШИМ нельзя - есть отдельная нога.
Шилд не выдает аналоговый 0-5в он выдает ШИМ широтно-модулиррванные импульсы. Оптрон их замечательно передаст.
На пульт можно завести тот-же сигнал - в разрыв, или P задействовать.
kfmut
Мастер
Сообщения: 1249
Зарегистрирован: 30 янв 2021, 21:34
Репутация: 147
Настоящее имя: Максим
Откуда: г.Тверь
Контактная информация:

Re: Защита от помех, заземление и экранирование

Сообщение kfmut »

А что там у вас за бп-шник для шаговиков размером с визитку? На 100-ваттник как-то не похоже оно.
Аватара пользователя
Ёлочник
Новичок
Сообщения: 28
Зарегистрирован: 27 фев 2021, 22:05
Репутация: 0
Настоящее имя: Аноним
Контактная информация:

Re: Защита от помех, заземление и экранирование

Сообщение Ёлочник »

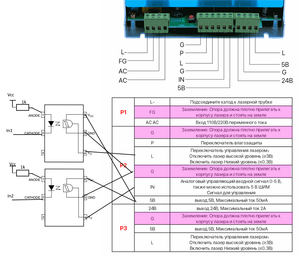
calabr писал(а): На L подключать ШИМ нельзя - есть отдельная нога.
Шилд не выдает аналоговый 0-5в он выдает ШИМ широтно-модулиррванные импульсы. Оптрон их замечательно передаст.
На пульт можно завести тот-же сигнал - в разрыв, или P задействовать.
Однако, кроме как на ШИМ больше некуда. Не предусматривает штатный GRBL отдельного пина на включение лазера.
05.PNG (2031 просмотр) <a class='original' href='./download/file.php?id=198631&mode=view' target=_blank>Загрузить оригинал (498.82 КБ)</a>
Согласен, можно и в разрыв и через Р, но это как бы обходные варианты, а производителю положено предоставить штатную возможность. Но это, как вы понимаете, мое сугубо дилетантское мнение. С другой стороны там есть второй выход L (крайний справа). Зачем их два? А еще зачем выход 24 в?

Ну если оптрон нормально передаст ШИМ, то и те импульсы про которые вы высказывали опасения должен передать т.к. частота импульсов в ШИМ выше. Или я не верно понимаю этот процесс?
kfmut писал(а): А что там у вас за бп-шник для шаговиков размером с визитку? На 100-ваттник как-то не похоже оно.
Так ведь моторы то маленькие))
Ну немного больше визитки 105*55. Эконом вариант так сказать.
Аватара пользователя
Ёлочник
Новичок
Сообщения: 28
Зарегистрирован: 27 фев 2021, 22:05
Репутация: 0
Настоящее имя: Аноним
Контактная информация:

Re: Защита от помех, заземление и экранирование

Сообщение Ёлочник »

calabr писал(а): У Алика есть готовые платки на 1-8 каналон. За одно и концевики изолировать.
Вот кстати, про концевики (которые я пока не сделал). Правильно ли я понимаю, что для того, что бы оптрон сработал на концевики должно идти отдельная линия на 5в? И со стороны IN оптрона именно концевик?
calabr
Мастер
Сообщения: 937
Зарегистрирован: 04 янв 2019, 15:19
Репутация: 146
Настоящее имя: Calabr
Откуда: Киев
Контактная информация:

Re: Защита от помех, заземление и экранирование

Сообщение calabr »

Ёлочник писал(а): Вот кстати, про концевики (которые я пока не сделал). Правильно ли я понимаю, что для того, что бы оптрон сработал на концевики должно идти отдельная линия на 5в? И со стороны IN оптрона именно концевик?
В этих модулях питания нет. Только светодиод и резистор.
Если датчики на хоум будут индуктивные, то им 5в мало. Мин. 6-10в у разных моделей
Аватара пользователя
Ёлочник
Новичок
Сообщения: 28
Зарегистрирован: 27 фев 2021, 22:05
Репутация: 0
Настоящее имя: Аноним
Контактная информация:

Re: Защита от помех, заземление и экранирование

Сообщение Ёлочник »

Ну вообще, предполагал банальные механические, купил когда-то с остальной комплектухой.
А что индуктивные шибко хороши?
calabr
Мастер
Сообщения: 937
Зарегистрирован: 04 янв 2019, 15:19
Репутация: 146
Настоящее имя: Calabr
Откуда: Киев
Контактная информация:

Re: Защита от помех, заземление и экранирование

Сообщение calabr »

Ёлочник писал(а): Ну если оптрон нормально передаст ШИМ, то и те импульсы про которые вы высказывали опасения должен передать т.к. частота импульсов в ШИМ выше. Или я не верно понимаю этот процесс?
Вроде пишут, что шим подают на L, а на in ставят резистор чтоб макс. мощность регулировать, но возможно это для диодных лазеров.
На плате есть вывод CW/CCW - Я почему-то думал, что он в режиме лазера включает/выкл., но в описанияз этого нет. Показалось.
calabr
Мастер
Сообщения: 937
Зарегистрирован: 04 янв 2019, 15:19
Репутация: 146
Настоящее имя: Calabr
Откуда: Киев
Контактная информация:

Re: Защита от помех, заземление и экранирование

Сообщение calabr »

Ёлочник писал(а): А что индуктивные шибко хороши?
По отзывам они точнее и не имеют механического износа.
Cujo
Кандидат
Сообщения: 40
Зарегистрирован: 24 июн 2021, 01:10
Репутация: 7
Настоящее имя: Кирилл
Контактная информация:

Re: Защита от помех, заземление и экранирование

Сообщение Cujo »

Ёлочник писал(а): 02 окт 2021, 01:02 Блок алишный
https://aliexpress.ru/item/32805183446.html
и что-то не вижу в описании про такую фичу...
calabr писал(а): вход для управления должен быть на 2 отдельных контакта
Да там этих управляющих контактов целая колодка на шесть пинов))
Эти можно вот так
https://www.chipdip.ru/product/h11l1m
40_1.png (1967 просмотров) <a class='original' href='./download/file.php?id=198634&mode=view' target=_blank>Загрузить оригинал (352.4 КБ)</a>
Аватара пользователя
Ёлочник
Новичок
Сообщения: 28
Зарегистрирован: 27 фев 2021, 22:05
Репутация: 0
Настоящее имя: Аноним
Контактная информация:

Re: Защита от помех, заземление и экранирование

Сообщение Ёлочник »

calabr писал(а): Вроде пишут, что шим подают на L, а на in ставят резистор чтоб макс. мощность регулировать, но возможно это для диодных лазеров.
На плате есть вывод CW/CCW - Я почему-то думал, что он в режиме лазера включает/выкл., но в описанияз этого нет. Показалось.
Ну пожалуй, можно и так, но в чем выгода? Если я правильно понимаю, при таком подключении регулировка мощности делается исключительно вручную, а контроллер лишь включает/выключает лазер. А если ШИМ подключнен на IN, то управлять уровнем мощности можно с контроллера (в УП).

На мой взгляд второй подход более функционален - можно в одной УП использовать разные режимы - например гравировку и резку (довольно распространенный случай), да и мощность лазера выставлять удобнее (точнее) в программе, а не вручную.


calabr писал(а): По отзывам они точнее и не имеют механического износа.
Ну пока поставлю те, что есть, а там если точности не хватит, буду знать в каком направлении смотреть.



Cujo писал(а): 04 окт 2021, 11:05 Эти можно вот так
https://www.chipdip.ru/product/h11l1m
40_1.png
А в данном случае кто такие In1, In2, и Vcc со стороны контроллера? Разветвленный ШИМ и земля?
calabr
Мастер
Сообщения: 937
Зарегистрирован: 04 янв 2019, 15:19
Репутация: 146
Настоящее имя: Calabr
Откуда: Киев
Контактная информация:

Re: Защита от помех, заземление и экранирование

Сообщение calabr »

Ёлочник писал(а): Ну пожалуй, можно и так, но в чем выгода? Если я правильно понимаю, при таком подключении регулировка мощности делается исключительно вручную, а контроллер лишь включает/выключает лазер. А если ШИМ подключнен на IN, то управлять уровнем мощности можно с контроллера (в УП).
На L подается тот-же ШИМ, но он не макс. мощность меняет, а заполнение импульсами.
При этом IN задает максимальную мощность. Программно управляется от макс. до 0.
Выгода в том, что на IN должен стоять интегратор и сглаживать импульсы в напряжение, пропорциональное среднему - это дает задержку и "размаывает" импульсы.
Для диодных лазеров - смена макс. мощности смысла не имеет - подстроили на оптимальный режим и дальше ШИМ. Как в CO2 с этим дело не знаю.
Кроме того, нужно почитать какой частоты ШИМ туда должен подаваться. Может оказаться, что 1кГц слишком низкая частота и нужно прошивку пере-компилировать.
Ёлочник писал(а): А в данном случае кто такие In1, In2, и Vcc со стороны контроллера?
VCC - Это +5В. In1, In2 - пины контроллера, которые управляют лазером.
Cujo
Кандидат
Сообщения: 40
Зарегистрирован: 24 июн 2021, 01:10
Репутация: 7
Настоящее имя: Кирилл
Контактная информация:

Re: Защита от помех, заземление и экранирование

Сообщение Cujo »

Ёлочник писал(а): А в данном случае кто такие In1, In2, и Vcc со стороны контроллера? Разветвленный ШИМ и земля?
Vcc - это питание контроллера (5 или 3.3В)
In1 и In2 тоже самое, что шло напрямую, единственное - аналоговый сигнал теперь должен быть ШИМ
Аватара пользователя
Ёлочник
Новичок
Сообщения: 28
Зарегистрирован: 27 фев 2021, 22:05
Репутация: 0
Настоящее имя: Аноним
Контактная информация:

Re: Защита от помех, заземление и экранирование

Сообщение Ёлочник »

calabr писал(а): На L подается тот-же ШИМ, но он не макс. мощность меняет, а заполнение импульсами.
При этом IN задает максимальную мощность. Программно управляется от макс. до 0.
Выгода в том, что на IN должен стоять интегратор и сглаживать импульсы в напряжение, пропорциональное среднему - это дает задержку и "размаывает" импульсы.
Для диодных лазеров - смена макс. мощности смысла не имеет - подстроили на оптимальный режим и дальше ШИМ. Как в CO2 с этим дело не знаю.
Кроме того, нужно почитать какой частоты ШИМ туда должен подаваться. Может оказаться, что 1кГц слишком низкая частота и нужно прошивку пере-компилировать.
Вон оно че. Ну тогда действительно это может иметь весомое значение для гравировки полутонового растра, а для резки, стало быть, подойдет любой способ подключения. В общем надо будет поэкспериментировать.


calabr писал(а): VCC - Это +5В. In1, In2 - пины контроллера, которые управляют лазером.
Cujo писал(а): Vcc - это питание контроллера (5 или 3.3В)
In1 и In2 тоже самое, что шло напрямую, единственное - аналоговый сигнал теперь должен быть ШИМ
А землю с контроллера, значит, в этой схеме подключать не требуется? И +5в подключаем через резистор 1кОм? (Это я для для уверенности спрашиваю, т.к. могу не понимать, то что очевидно тем кто в теме.)

Ну аналогового, как понимаю, и не было, т.к. с контроллера сразу ШИМ шел. Короче говоря, в этой схеме In1 и In2 - подключаются на один пин контроллера - он же ШИМ 0...+5в (т.к. управление лазером в ГРБЛ только через него).


Ну и так сказать для общего представления... Сегодня за некоторой надобностью стал вырезать небольшую деталь, и поленился разматывать провод заземления, ранее уже что-то похожее резал без заземления и помехи не проявлялись, а в этот раз результат на лицо см. фото. После подключения заземления все прошло нормально.

Как видно, идет дефект по оси У, причем при движении только по Х. Гравировка цифр выполнялась на малой мощности и без дефектов. А при резке пошло вразнос. Такие вот дела.

06.jpg (1890 просмотров) <a class='original' href='./download/file.php?id=198658&mode=view' target=_blank>Загрузить оригинал (538.4 КБ)</a>
Ответить

Вернуться в «Электроника»