Микроконтроллеры серии STM32 для новичков.

Контроллеры, драйверы, датчики, управляющие устройства.
SVP
Мастер
Сообщения: 6140
Зарегистрирован: 19 дек 2012, 15:49
Репутация: 884
Откуда: Москва
Контактная информация:

Re: Микроконтроллеры серии STM32 для новичков.

Сообщение SVP »

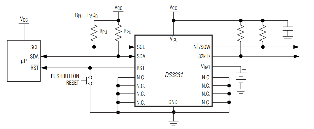
Сергей Саныч писал(а):Вторая функция - вход-выход кнопки с защитой от дребезга. Нажимаешь кнопку, вход (он с открытым стоком, и подгружен на питание через 50 кОм) замыкается на 0 и принудительно удерживается в этом состоянии 250 мсек.
Отличная вещь, но не пойму как ей воспользоваться, если нажатие этой кнопки ничего не вызывает нигде ?
Если бы она скажем в I2C слала событие "обресетилась" - былоб дело.
Аватара пользователя
Сергей Саныч
Мастер
Сообщения: 9116
Зарегистрирован: 30 май 2012, 14:20
Репутация: 2858
Откуда: Тюмень
Контактная информация:

Re: Микроконтроллеры серии STM32 для новичков.

Сообщение Сергей Саныч »

SVP писал(а):не пойму как ей воспользоваться, если нажатие этой кнопки ничего не вызывает нигде ?
Куда подключишь, то и вызывает. Хочешь - сброс МК, хочешь - пробуждение его же из спячки. А уж МК пускай разбирается, что дальше делать.
А на работу самих часов, да, похоже, вообще никак не влияет.
2017-06-30_141957.png (3199 просмотров) <a class='original' href='./download/file.php?id=115058&mode=view' target=_blank>Загрузить оригинал (41.16 КБ)</a>
Чудес не бывает. Бывают фокусы.
SVP
Мастер
Сообщения: 6140
Зарегистрирован: 19 дек 2012, 15:49
Репутация: 884
Откуда: Москва
Контактная информация:

Re: Микроконтроллеры серии STM32 для новичков.

Сообщение SVP »

Мм... т.е. выходит она в линии подавляет дребезг и обеспечивает подтяжку к + ?
Такой доп. сервис встроен, абсолютно независимый от основного функционала.
Странно как-то ей богу, почему он RST тогда называется...
Аватара пользователя
Сергей Саныч
Мастер
Сообщения: 9116
Зарегистрирован: 30 май 2012, 14:20
Репутация: 2858
Откуда: Тюмень
Контактная информация:

Re: Микроконтроллеры серии STM32 для новичков.

Сообщение Сергей Саныч »

Еще питание мониторит. Может внешнее устройство "ресетнуть".
Чудес не бывает. Бывают фокусы.
SVP
Мастер
Сообщения: 6140
Зарегистрирован: 19 дек 2012, 15:49
Репутация: 884
Откуда: Москва
Контактная информация:

Re: Микроконтроллеры серии STM32 для новичков.

Сообщение SVP »

Сергей Саныч писал(а):Еще питание мониторит. Может внешнее устройство "ресетнуть".
Тьфу.. тогда как power-on-button его не использовать.
Он при отсутствии небатарейного питания как я понимаю будет всегда low, что нажата кнопка, что нет.

Не пойму, как его штатно используют с кнопкой, идея в чём, чтобы сбрасывать зачем-то МК, когда
питание пропадает основное что-ли ?
Аватара пользователя
Сергей Саныч
Мастер
Сообщения: 9116
Зарегистрирован: 30 май 2012, 14:20
Репутация: 2858
Откуда: Тюмень
Контактная информация:

Re: Микроконтроллеры серии STM32 для новичков.

Сообщение Сергей Саныч »

SVP писал(а):идея в чём, чтобы сбрасывать зачем-то МК, когда
питание пропадает основное что-ли ?
Видимо, в основном затем, чтобы запускать МК, когда внешнее питание восстановится и устаканится (250 мс).
И никто не запрещает подключить этот сигнал к менее "радикальному" входу МК, чем Reset.
Чудес не бывает. Бывают фокусы.
Аватара пользователя
Serg
Мастер
Сообщения: 21923
Зарегистрирован: 17 апр 2012, 14:58
Репутация: 5183
Заслуга: c781c134843e0c1a3de9
Настоящее имя: Сергей
Откуда: Москва
Контактная информация:

Re: Микроконтроллеры серии STM32 для новичков.

Сообщение Serg »

RST ресетит все блоки кроме генератора, счётчика и памяти. Например ресетит i2c интерфейсную часть, сбрасывает сигнал будильника...
Я не Христос, рыбу не раздаю, но могу научить, как сделать удочку...
Аватара пользователя
Сергей Саныч
Мастер
Сообщения: 9116
Зарегистрирован: 30 май 2012, 14:20
Репутация: 2858
Откуда: Тюмень
Контактная информация:

Re: Микроконтроллеры серии STM32 для новичков.

Сообщение Сергей Саныч »

Не заметил такого в даташите.
На 6 странице прямо сказано:
"The state of RST does not affect the I2C interface, RTC, or TCXO."
Чудес не бывает. Бывают фокусы.
Аватара пользователя
Serg
Мастер
Сообщения: 21923
Зарегистрирован: 17 апр 2012, 14:58
Репутация: 5183
Заслуга: c781c134843e0c1a3de9
Настоящее имя: Сергей
Откуда: Москва
Контактная информация:

Re: Микроконтроллеры серии STM32 для новичков.

Сообщение Serg »

Но пакет, который в это время передаётся "гробится".
Хотя это вполне может быть багом первых версий...
Я не Христос, рыбу не раздаю, но могу научить, как сделать удочку...
maxvalin
Кандидат
Сообщения: 70
Зарегистрирован: 22 июл 2016, 16:19
Репутация: 4
Настоящее имя: Максим
Контактная информация:

Re: Микроконтроллеры серии STM32 для новичков.

Сообщение maxvalin »

UAVpilot писал(а):Демоплату заказал "безродную" - наверняка придётся методом тыка искать к каким ногам подключены светодиоды, кнопки и т.п. Надо было брать оригинальную - не сильно дороже, но полно документации и готовых примеров.
совершенно верно. сижу вот и репу чешу к https://ru.aliexpress.com/item/1pcs-STM ... 0.0.vwuPSX
подключился без проблем и дисплей oled завел . а к этому безродному (https://ru.aliexpress.com/item/Free-Shi ... 0.0.vwuPSX) понять не могу где взять с него clk и dio пины дабы st-link подключить. или только от JTAG прошьется.. не понятно пока только вхожу в тему. так что ручку от граблей уже между глаз впоймал :(

даю себе ответ- кому пригодится :hehehe: вот распиновка если по такой схеме как у меня кто купит. ну и вот работа олед. все гуд. еду дальше :good:
Вложения
20pin.png
20pin.png (21.64 КБ) 3126 просмотров
viber image.jpg (3126 просмотров) <a class='original' href='./download/file.php?id=115318&mode=view' target=_blank>Загрузить оригинал (99.63 КБ)</a>
maxvalin
Кандидат
Сообщения: 70
Зарегистрирован: 22 июл 2016, 16:19
Репутация: 4
Настоящее имя: Максим
Контактная информация:

Re: Микроконтроллеры серии STM32 для новичков.

Сообщение maxvalin »

когда немного разберусь с этими малышами то думаю для станка брать вот это https://ru.aliexpress.com/item/STM32F40 ... 0.0.Q9wsQF наличие кучи ног не может не радовать. сейчас после ардуино только начинаю вкушать прелести 32битного мк.
Аватара пользователя
MX_Master
Мастер
Сообщения: 7490
Зарегистрирован: 27 июн 2015, 19:45
Репутация: 3113
Настоящее имя: Михаил
Откуда: Алматы
Контактная информация:

Re: Микроконтроллеры серии STM32 для новичков.

Сообщение MX_Master »

На АЛИ появились недорогие макетки с STM32F407VGT6 на борту, всего 9.6$

http://s.aliexpress.com/JR73eaIF
HTB1IyLaSXXXXXX2aXXXq6xXFXXXD.jpg (2968 просмотров) <a class='original' href='./download/file.php?id=118887&mode=view' target=_blank>Загрузить оригинал (173.55 КБ)</a>
HTB1sYW1SXXXXXcRaXXXq6xXFXXXd.jpg (2968 просмотров) <a class='original' href='./download/file.php?id=118888&mode=view' target=_blank>Загрузить оригинал (122.54 КБ)</a>
HTB1wevjSXXXXXcOXFXXq6xXFXXXX.jpg (2968 просмотров) <a class='original' href='./download/file.php?id=118889&mode=view' target=_blank>Загрузить оригинал (186.44 КБ)</a>
Ответить

Вернуться в «Электроника»