Установка ЧПУ на 16И05АФ10
Re: Установка ЧПУ на 16И05АФ10
а можете подробнее этот момент осветить?
-
nkp
- Мастер
- Сообщения: 8340
- Зарегистрирован: 28 ноя 2011, 00:25
- Репутация: 1589
- Контактная информация:
Re: Установка ЧПУ на 16И05АФ10
у тебя емс ?
если да,то можно как вариант попробовать прописать фильтр :
в ини файле добавляем в раздел [FILTER]
примерно такие строки:
что они делают:
каждое вхождение 'm5' или 'm05' или 'M5' или 'M05' sed меняет на
(ну естественно R87 поменять на нужный угол))
конечно ,это я набросал sed "по быстенькому" , он не учитывает все возможные написания (в одной строке с
другими M-кодами ,включающие пятерку(например M52M5))
но вроде работает ,если М5 писать в отдельной строке: тут есть виртуозы sed,можно будет сделать "всеядный" вариант
если да,то можно как вариант попробовать прописать фильтр :
в ини файле добавляем в раздел [FILTER]
примерно такие строки:
Код: Выделить всё
PROGRAM_EXTENSION = .ngc Script sed
ngc = sed '/m5[0-9]/!s/m5/M19 R87'\\n'M5/i ; /m5[0-9]/!s/m05/M19 R87'\\n'M5/i'каждое вхождение 'm5' или 'm05' или 'M5' или 'M05' sed меняет на
Код: Выделить всё
M19 R87
M5конечно ,это я набросал sed "по быстенькому" , он не учитывает все возможные написания (в одной строке с
другими M-кодами ,включающие пятерку(например M52M5))
но вроде работает ,если М5 писать в отдельной строке: тут есть виртуозы sed,можно будет сделать "всеядный" вариант
-
nkp
- Мастер
- Сообщения: 8340
- Зарегистрирован: 28 ноя 2011, 00:25
- Репутация: 1589
- Контактная информация:
Re: Установка ЧПУ на 16И05АФ10
исходя из этого:Сергей Саныч писал(а):Скорее всего придется делать ремап для M5.
Код: Выделить всё
14. Remappable Codes
14.1. Existing codes which can be remapped
The current set of existing codes open to redefinition is:
Tx (Prepare)
M6 (Change tool)
M61 (Set tool number)
M0 (pause a running program temporarily)
M1 (pause a running program temporarily if the optional stop switch is on)
M60 (exchange pallet shuttles and then pause a running program temporarily)
S (set spindle speed)
F (set feed)
Note that the use of M61 currently requires the use of iocontrol-v2.может ошибаюсь...
Re: Установка ЧПУ на 16И05АФ10
спасибо за совет. сегодня попробую на этом чуде.
- Сергей Саныч
- Мастер
- Сообщения: 9116
- Зарегистрирован: 30 май 2012, 14:20
- Репутация: 2858
- Откуда: Тюмень
- Контактная информация:
Re: Установка ЧПУ на 16И05АФ10
да, как-то небогатоnkp писал(а):просто remap может и недоступен
Но есть и другой вариант - сделать переназначение для M6 и в начале добавить доворот шпинделя по M19..
Чудес не бывает. Бывают фокусы.
Re: Установка ЧПУ на 16И05АФ10
работает вариант уважаемого nkp.
то есть файл модифицируется, это хорошо.
но, пока устанавливал и игрался, где-то что то подтер и не работает orient.
то есть файл модифицируется, это хорошо.
но, пока устанавливал и игрался, где-то что то подтер и не работает orient.
Re: Установка ЧПУ на 16И05АФ10
тут такая проблема, index-enable не работает.
то есть меняешь его значение вручную на 1, через оборот он становится 0 и не меняется, хотя импульсы с индекса прихрдят.
вот и сейчас, шпиндель в положении на индексе, но
FALSE hm2_5i20.0.encoder.02.index-enable
TRUE hm2_5i20.0.encoder.02.input-index
как -то это странно. куда копать?
то есть меняешь его значение вручную на 1, через оборот он становится 0 и не меняется, хотя импульсы с индекса прихрдят.
вот и сейчас, шпиндель в положении на индексе, но
FALSE hm2_5i20.0.encoder.02.index-enable
TRUE hm2_5i20.0.encoder.02.input-index
как -то это странно. куда копать?
Re: Установка ЧПУ на 16И05АФ10
g33z10k0.05
halscope показывает измение spindle-index-enable на 150 ms и все, опять в ноль и станок крутит и ждет.
имульсы по энкодеру проскальзывают. но станок чего-то ждет ((
halscope показывает измение spindle-index-enable на 150 ms и все, опять в ноль и станок крутит и ждет.
имульсы по энкодеру проскальзывают. но станок чего-то ждет ((
Re: Установка ЧПУ на 16И05АФ10
привезли осциллограф - на этом энкодере куча импульсных помех.
на других - нет.
энкодеры одной марки, провода одной фирмы, подключены к одной плате меса.
на других - нет.
энкодеры одной марки, провода одной фирмы, подключены к одной плате меса.
-
nkp
- Мастер
- Сообщения: 8340
- Зарегистрирован: 28 ноя 2011, 00:25
- Репутация: 1589
- Контактная информация:
Re: Установка ЧПУ на 16И05АФ10
перекинуть каналы 5и20 , энкодеры пробовли?pkasy писал(а):на этом энкодере куча импульсных помех.
Re: Установка ЧПУ на 16И05АФ10
не перекидывал.
методом тыка выяснил, что это наводки от силовых частей, а именно инвертора шпинделя, и серво драйверов. в любой комюинации подключения силовиков есть помехи. при заземлении экрана кабеля помехи слегка снижаются.
надо что-то делать, но я пока не придумал, что.
методом тыка выяснил, что это наводки от силовых частей, а именно инвертора шпинделя, и серво драйверов. в любой комюинации подключения силовиков есть помехи. при заземлении экрана кабеля помехи слегка снижаются.
надо что-то делать, но я пока не придумал, что.
- Serg
- Мастер
- Сообщения: 21923
- Зарегистрирован: 17 апр 2012, 14:58
- Репутация: 5183
- Заслуга: c781c134843e0c1a3de9
- Настоящее имя: Сергей
- Откуда: Москва
- Контактная информация:
Re: Установка ЧПУ на 16И05АФ10
index-enable именно так и должен работать. Подробности есть в документации.pkasy писал(а):тут такая проблема, index-enable не работает.
то есть меняешь его значение вручную на 1, через оборот он становится 0 и не меняется, хотя импульсы с индекса прихрдят.
Я не Христос, рыбу не раздаю, но могу научить, как сделать удочку...
Re: Установка ЧПУ на 16И05АФ10
серьезно?
Re: Установка ЧПУ на 16И05АФ10
полностью устранил все импульсные помехи.
картинка на осциллографе чистая.
но меса импульсы не видит. то есть видит только каналы А и В.
такое ощущение, что не хватает скорости.
картинка на осциллографе чистая.
но меса импульсы не видит. то есть видит только каналы А и В.
такое ощущение, что не хватает скорости.
Re: Установка ЧПУ на 16И05АФ10
осциллограф регистрирует четкие импульсы достаточной длины на входе mesa 7i33ta.
но hal осцилограф его не видит.
уровень сигнала 4.6В
но hal осцилограф его не видит.
уровень сигнала 4.6В
Re: Установка ЧПУ на 16И05АФ10
не видит, но резьбу начал нарезать.
-
nkp
- Мастер
- Сообщения: 8340
- Зарегистрирован: 28 ноя 2011, 00:25
- Репутация: 1589
- Контактная информация:
Re: Установка ЧПУ на 16И05АФ10
как удалось побороть?pkasy писал(а):полностью устранил все импульсные помехи.
на каком пине ?pkasy писал(а):но hal осцилограф его не видит.
Re: Установка ЧПУ на 16И05АФ10
поборол уменьшение длины этого кабеля, повторной перепайкой разьема, и замотка кабеля фольгой в районе перепайки.
на пине hm2_5i20.0.encoder.02.input-index, то есть аппаратном.
и режет резьбу ( в тестовом режиме без резца ) он как-то не совсем равномерно, такое ощущение, что рывками.
и скорость шпинделя на индикаторе скачет слегка.
может, инвертор в векторном режиме не работает?
можно ли сигнал с энкодера подать на месу и на шпиндель? это какой-то буффер скоростной нужно городить?
на пине hm2_5i20.0.encoder.02.input-index, то есть аппаратном.
и режет резьбу ( в тестовом режиме без резца ) он как-то не совсем равномерно, такое ощущение, что рывками.
и скорость шпинделя на индикаторе скачет слегка.
может, инвертор в векторном режиме не работает?
можно ли сигнал с энкодера подать на месу и на шпиндель? это какой-то буффер скоростной нужно городить?
Re: Установка ЧПУ на 16И05АФ10
вобщем, все работает.
стружка летит, надо городить кабинет.
теперь нужно научиться самому на нем работать.
стружка летит, надо городить кабинет.
теперь нужно научиться самому на нем работать.
Re: Установка ЧПУ на 16И05АФ10
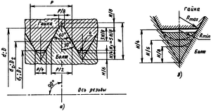
пытаюсь понять, как правильно нарезать резьбу резцом.
с помощью G76
если наружная резьба M16x1, то почему диаметр готовой 15.85, как это вычисляется?
диаметр 16 - шаг 1 = 15
15 + высота профиля 0.866 = 15.866
верно я считаю?
а как тогда вычислить заглубление? от теоритической линии ( от 16 ) или от фактического ( 15.866 )?
с помощью G76
если наружная резьба M16x1, то почему диаметр готовой 15.85, как это вычисляется?
диаметр 16 - шаг 1 = 15
15 + высота профиля 0.866 = 15.866
верно я считаю?
а как тогда вычислить заглубление? от теоритической линии ( от 16 ) или от фактического ( 15.866 )?