Настраиваем контроллер to_pci.

Обсуждение установки, настройки и использования LinuxCNC. Вопросы по Gкоду.
dimedved
Кандидат
Сообщения: 76
Зарегистрирован: 28 ноя 2012, 22:22
Репутация: 20
Контактная информация:

Re: Настраиваем контроллер to_pci.

Сообщение dimedved »

xenon-alien писал(а): А как называются вот эти "компоненты"?
Те, что справа сверху -- это платки питания и индикации датчиков. Самопальные.
На верхней дин-рейке -- клеммы Wago 2001.
На нижней -- реле Wago. Номер не помню, но гуглится. Такие же релюхи есть у Finder.

Однажды поимев проблему с ослабленными винтовыми клеммами, не хочу с нею более встречаться =))
Последний раз редактировалось dimedved 12 авг 2020, 18:50, всего редактировалось 1 раз.
Аватара пользователя
xenon-alien
Почётный участник
Почётный участник
Сообщения: 4520
Зарегистрирован: 01 янв 2013, 13:13
Репутация: 925
Настоящее имя: Daniel
Откуда: Закарпатская обл. Украина
Контактная информация:

Re: Настраиваем контроллер to_pci.

Сообщение xenon-alien »

dimedved писал(а):На нижней -- реле Wago. Номер не помню, но гуглится. Такие же релюхи есть у Finder.
Эти реле идут на плату, или есть ещё какая-то дополнительная развязка?
А то в мануале к моей плате что-то написано, что реле питать от отдельного источника 24в, но при этом пины платы могут до 100-150мА ток выдерживать, только нужен диод.
dimedved
Кандидат
Сообщения: 76
Зарегистрирован: 28 ноя 2012, 22:22
Репутация: 20
Контактная информация:

Re: Настраиваем контроллер to_pci.

Сообщение dimedved »

xenon-alien писал(а): Эти реле идут на плату, или есть ещё какая-то дополнительная развязка?
А то в мануале к моей плате что-то написано, что реле питать от отдельного источника 24в, но при этом пины платы могут до 100-150мА ток выдерживать, только нужен диод.
788-312
Почитать про него можно здесь: https://www.wago.com/ru/%D1%80%D0%B5%D0 ... /p/788-312
Ток там 19мА. Диод уже есть на борту, он вместе с индикатором.
К ним ещё можно перемычки поставить -- типа 788-117 (она на 8 модулей; есть и другие) -- на оба полюса катушки и на общие (11 и 21) контакты.
Очень удобно при монтаже. Но удовольствие не из дешёвых.

Напрямую на плату идут через БП 24В.
Вложения
9876099792926.jpg
9876099792926.jpg (11.35 КБ) 2247 просмотров
Аватара пользователя
xenon-alien
Почётный участник
Почётный участник
Сообщения: 4520
Зарегистрирован: 01 янв 2013, 13:13
Репутация: 925
Настоящее имя: Daniel
Откуда: Закарпатская обл. Украина
Контактная информация:

Re: Настраиваем контроллер to_pci.

Сообщение xenon-alien »

dimedved писал(а):Напрямую на плату идут через БП 24В.
Получается один контакт на "землю" - А2, второй на пин платы на вывод сигнала - А1. (плата MESA 7i76E)
И что бы не парится, то их можно и для пневмо-клапанов на 220в использовать.
dimedved
Кандидат
Сообщения: 76
Зарегистрирован: 28 ноя 2012, 22:22
Репутация: 20
Контактная информация:

Re: Настраиваем контроллер to_pci.

Сообщение dimedved »

Ну у меня с платы раздаётся минус, а на реле -- общий плюс получается.
Так на сервы enable приходит, и сделал везде единообразно.

А с реле уже часть идёт на контакторы с катушкой на 220, а часть напрямую на клапана гидравлики и на моторы переключения коробки шпинделя. Пару релюх оставил свободных: точно на что-нибудь пригодится.
Nikomas
Мастер
Сообщения: 721
Зарегистрирован: 07 янв 2012, 14:31
Репутация: 64
Откуда: Беларусь
Контактная информация:

Re: Настраиваем контроллер to_pci.

Сообщение Nikomas »

dimedved писал(а):К ним ещё можно перемычки поставить
А стандартная "гребёнка" не подойдет? Релейный модуль уже?
Аватара пользователя
xenon-alien
Почётный участник
Почётный участник
Сообщения: 4520
Зарегистрирован: 01 янв 2013, 13:13
Репутация: 925
Настоящее имя: Daniel
Откуда: Закарпатская обл. Украина
Контактная информация:

Re: Настраиваем контроллер to_pci.

Сообщение xenon-alien »

dimedved писал(а):Ну у меня с платы раздаётся минус, а на реле -- общий плюс получается.
Я постоянно путаю, на каких платах общий +, а на каких общий -.
dimedved писал(а):Так на сервы enable приходит, и сделал везде единообразно.
Что-то подобное и мне нужно будет сделать.
dimedved писал(а):А с реле уже часть идёт на контакторы с катушкой на 220, а часть напрямую на клапана гидравлики и на моторы переключения коробки шпинделя. Пару релюх оставил свободных: точно на что-нибудь пригодится.
В принципе я тоже так это себе представлял.
dimedved
Кандидат
Сообщения: 76
Зарегистрирован: 28 ноя 2012, 22:22
Репутация: 20
Контактная информация:

Re: Настраиваем контроллер to_pci.

Сообщение dimedved »

Стандартная -- это для автоматов которая? Сильно сомневаюсь.Разная ширина модулей. У автомата 18 мм, у реле 15, причём шаг контактов 7.5. Перемычки на катушке замыкают через один. Но есть и перемычки на соседние, надо каталог смотреть.

Боюсь соврать, перемычка на 8 контактов стоила что-то около 300 рублей; на пару контактов (788-113) -- 40. По цене примерно одинаково получается а последние просто удобнее.
dimedved
Кандидат
Сообщения: 76
Зарегистрирован: 28 ноя 2012, 22:22
Репутация: 20
Контактная информация:

Re: Настраиваем контроллер to_pci.

Сообщение dimedved »

xenon-alien писал(а): Я постоянно путаю, на каких платах общий +, а на каких общий -.
Я тоже =).
И переделывал несколько раз.
Пару раз даже транзистор на выходе спалил, благо прошлый раз с запасом взял их -- перепаял.

Обнаружил, что если не делать на каждый проводок схему и таблиу что-куда, вероятность ошибки возрастает кратно.
Аватара пользователя
xenon-alien
Почётный участник
Почётный участник
Сообщения: 4520
Зарегистрирован: 01 янв 2013, 13:13
Репутация: 925
Настоящее имя: Daniel
Откуда: Закарпатская обл. Украина
Контактная информация:

Re: Настраиваем контроллер to_pci.

Сообщение xenon-alien »

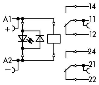
MESA_7i76E_Field power.png (2205 просмотров) <a class='original' href='./download/file.php?id=184887&mode=view' target=_blank>Загрузить оригинал (52.93 КБ)</a>
MESA_7i76E_Relay.png (2205 просмотров) <a class='original' href='./download/file.php?id=184888&mode=view' target=_blank>Загрузить оригинал (204.21 КБ)</a>
Если я верно понимаю, то земля общая для выходов и сигнал положительный.
А входы я сделал так, что бы всё что должно быть включено подавало тоже положительный сигнал. (при потере питания, или обрыве вывалится в ошибку, если ничего не путаю :thinking: )
Схема с и-нета, так что может быть не верной.
Последний раз редактировалось xenon-alien 12 авг 2020, 21:43, всего редактировалось 3 раза.
Аватара пользователя
xenon-alien
Почётный участник
Почётный участник
Сообщения: 4520
Зарегистрирован: 01 янв 2013, 13:13
Репутация: 925
Настоящее имя: Daniel
Откуда: Закарпатская обл. Украина
Контактная информация:

Re: Настраиваем контроллер to_pci.

Сообщение xenon-alien »

MESA_7i76E_Field power.png
MESA_7i76E_Relay.png
Если я верно понимаю, то земля общая для выходов и сигнал положительный.
А входы я сделал так, что бы всё что должно быть включено подавало тоже положительный сигнал. (при потере питания, или обрыве вывалится в ошибку, если ничего не путаю :thinking: :thinking: )
mmv
Мастер
Сообщения: 634
Зарегистрирован: 24 май 2016, 21:58
Репутация: 38
Контактная информация:

Re: Настраиваем контроллер to_pci.

Сообщение mmv »

xenon-alien писал(а):Я постоянно путаю, на каких платах общий +, а на каких общий -.
Поэтому на плате IO выходы сделаны так, что можно включать и так и эдак.
Комплект плат PinCET для модернизации станков на Linuxcnc.
http://www.cnc-club.ru/forum/viewtopic. ... 16#p268407
Аватара пользователя
xenon-alien
Почётный участник
Почётный участник
Сообщения: 4520
Зарегистрирован: 01 янв 2013, 13:13
Репутация: 925
Настоящее имя: Daniel
Откуда: Закарпатская обл. Украина
Контактная информация:

Re: Настраиваем контроллер to_pci.

Сообщение xenon-alien »

mmv писал(а):
xenon-alien писал(а):Я постоянно путаю, на каких платах общий +, а на каких общий -.
Поэтому на плате IO выходы сделаны так, что можно включать и так и эдак.
Т.е. я могу не парится и если нужно на оборот, то можно подключить, как "мне удобно", или как компоненты позволяют? :thinking:
mmv
Мастер
Сообщения: 634
Зарегистрирован: 24 май 2016, 21:58
Репутация: 38
Контактная информация:

Re: Настраиваем контроллер to_pci.

Сообщение mmv »

Это на наших платах. Не на 7i76,7i77
Я иногда делаю так: на каждой китайской плате релюх. Стоят реле и параллельно диоды есть, просто проводами запитываю именно сами реле от выходов платы, не используя транзисторы на плате реле
Последний раз редактировалось mmv 12 авг 2020, 21:56, всего редактировалось 1 раз.
Комплект плат PinCET для модернизации станков на Linuxcnc.
http://www.cnc-club.ru/forum/viewtopic. ... 16#p268407
Аватара пользователя
xenon-alien
Почётный участник
Почётный участник
Сообщения: 4520
Зарегистрирован: 01 янв 2013, 13:13
Репутация: 925
Настоящее имя: Daniel
Откуда: Закарпатская обл. Украина
Контактная информация:

Re: Настраиваем контроллер to_pci.

Сообщение xenon-alien »

mmv писал(а):Это на наших платах. Не на 7i76,7i77
А я уже обрадовался что можно не переживать... :wik:
ex71
Мастер
Сообщения: 759
Зарегистрирован: 18 май 2019, 13:23
Репутация: 109
Настоящее имя: Андрей
Контактная информация:

Re: Настраиваем контроллер to_pci.

Сообщение ex71 »

xenon-alien писал(а):
MESA_7i76E_Field power.png
MESA_7i76E_Relay.png
Если я верно понимаю, то земля общая для выходов и сигнал положительный.
А входы я сделал так, что бы всё что должно быть включено подавало тоже положительный сигнал. (при потере питания, или обрыве вывалится в ошибку, если ничего не путаю :thinking: )
Схема с и-нета, так что может быть не верной.
Не совсем. Концевик должен быть выключен в свободном положении, а при наезде на него - должен прерывать плюсовой сигнал.
А вот всякие другие устройства надо смотреть по факту. Скажем револьверка у меня подает + на активном инструменте. Но при этом если пропадет питание - я этого не увижу пока диск не сделает полный оборот и по превышении времени выдаст ошибку. Там стоят герконы.

Все концевики должны работать на РАЗМЫКАНИЕ плюса. То есть подаем +12-24В на блок концевиков, с концевиков получаем раздельные плюсы. При наезде на концевик на порту карты плюс пропадет, и останется 0В.
Если обрыв любого концевика - на их портах в не нажатом состоянии будет 0. Если обрыв питающего провода - на портах 0. То есть у нас всегда есть диагностика цепей.

А если при нажатии концевика он подает + на порт. То при обрыве любого провода мы не видим что цепь цела. И при наезде на концевик (который раз в 10 лет срабатывает) мы можем не увидеть его сигнал - тупо контакты окислились и + не дойдет до платы.
Аватара пользователя
xenon-alien
Почётный участник
Почётный участник
Сообщения: 4520
Зарегистрирован: 01 янв 2013, 13:13
Репутация: 925
Настоящее имя: Daniel
Откуда: Закарпатская обл. Украина
Контактная информация:

Re: Настраиваем контроллер to_pci.

Сообщение xenon-alien »

MESA_7i76E_home.png (2200 просмотров) <a class='original' href='./download/file.php?id=184890&mode=view' target=_blank>Загрузить оригинал (170.12 КБ)</a>
MESA_7i76E_Limit.png (2200 просмотров) <a class='original' href='./download/file.php?id=184889&mode=view' target=_blank>Загрузить оригинал (146.44 КБ)</a>
ex71 писал(а):Не совсем. Концевик должен быть выключен в свободном положении, а при наезде на него - должен прерывать плюсовой сигнал.
Нормально закрыт
ex71 писал(а):Все концевики должны работать на РАЗМЫКАНИЕ плюса. То есть подаем +12-24В на блок концевиков, с концевиков получаем раздельные плюсы. При наезде на концевик на порту карты плюс пропадет, и останется 0В.
Если обрыв любого концевика - на их портах в не нажатом состоянии будет 0. Если обрыв питающего провода - на портах 0. То есть у нас всегда есть диагностика цепей.
Так и есть. У меня для дома индуктивный датчик с PNP NC. Так что пока на него не наехали, он выдает + сигнал (+24в).
ex71 писал(а):А вот всякие другие устройства надо смотреть по факту. Скажем револьверка у меня подает + на активном инструменте. Но при этом если пропадет питание - я этого не увижу пока диск не сделает полный оборот и по превышении времени выдаст ошибку. Там стоят герконы.
С этим мне тоже предстоит ещё разбираться.
mmv
Мастер
Сообщения: 634
Зарегистрирован: 24 май 2016, 21:58
Репутация: 38
Контактная информация:

Re: Настраиваем контроллер to_pci.

Сообщение mmv »

dimedved писал(а):Кстати, обнаружил ещё один интересный момент: при включении релюхи, подключённые к выходам на долю секунды загораются. То есть выхода на этот момент активные.
По подробнее, и можно в теме по предложениям, а то тут замусоливается. viewtopic.php?f=15&t=8285&p=272335#p272335
Комплект плат PinCET для модернизации станков на Linuxcnc.
http://www.cnc-club.ru/forum/viewtopic. ... 16#p268407
Аватара пользователя
Urec
Мастер
Сообщения: 403
Зарегистрирован: 23 окт 2012, 11:32
Репутация: 92
Настоящее имя: Георгий
Откуда: г.Москва
Контактная информация:

Re: Настраиваем контроллер to_pci.

Сообщение Urec »

всем привет. не прошло и пару лет как я расшевелил фрезерный роутер МЗОР минский завод октябрьской революции из этой темы

viewtopic.php?f=147&t=22330
Сервопаки mitsubishi управляются по степ дир
тестовую прошивку STEP DIR взял с 1 страницы этого форума, не без труда размножил одну ось на 3
Осталось прикрутить аналоговое задание шпинделю и концевики подключить к пинам. С концевиками просто, а с управлением шпинделя подскажите пожалуйста.

setp to_pcisd.1.step_dir.invert_dir0 0
вот эта строчка не работает, при попытке инвертировать ось, setp to_pcisd.1.step_dir.invert_dir0 1 она без остановки едет в том же направлении
кто то в этой теме я видел уже сталкивался с такой проблемой,пришлось инвертировать ось параметрами привода.

И оси конечно ездиют но крайне плохо, нужна настройка пид привода. Сначала надо разобраться с тем как задать количество импульсов на ед перемещения а потом настраивать привод.
Jack Vo
Новичок
Сообщения: 30
Зарегистрирован: 06 июл 2016, 19:12
Репутация: 3
Настоящее имя: Степан
Откуда: Москва
Контактная информация:

Re: Настраиваем контроллер to_pci.

Сообщение Jack Vo »

Проблема была у меня. У меня она решилась проверкой и правкой конфига. Была две строки инвертирования оси с разными значениями...
А в идеале нужно было выложить конфиг.
Ответить

Вернуться в «LinuxCNC»