БРЕДОВАЯ ИДЕЯ - Универсальный алюминиевый профиль для ЧПУ
- kalinvick
- Мастер
- Сообщения: 1109
- Зарегистрирован: 30 янв 2015, 15:38
- Репутация: 1134
- Откуда: Москва
- Контактная информация:
Re: БРЕДОВАЯ ИДЕЯ - Универсальный алюминиевый профиль для ЧП
Ну тогда - Отличный план, Мистер Фикс!
- NKS
- Мастер
- Сообщения: 2516
- Зарегистрирован: 30 окт 2014, 21:36
- Репутация: 1233
- Настоящее имя: Сергей
- Откуда: Волгоград
- Контактная информация:
Re: БРЕДОВАЯ ИДЕЯ - Универсальный алюминиевый профиль для ЧП
А если есть сомнения в возможностях алюминиевых станков можно прогуляться например в эту тему: http://www.cnc-club.ru/forum/viewtopic. ... sel#p93008
Изелевский станок в этой теме построен на поразительно хлипких, на первый взгляд, эксклюзивноизелевских линейных модулях ( ремонтировал такой модуль лично), однако ишь чо вытворяет чертяка.
Я к тому что, когда строишь станок, наверняка должен давать отчёт себе в том на что он будет способен и учитывать кучу разных нюансов.
Изелевский станок в этой теме построен на поразительно хлипких, на первый взгляд, эксклюзивноизелевских линейных модулях ( ремонтировал такой модуль лично), однако ишь чо вытворяет чертяка.
Я к тому что, когда строишь станок, наверняка должен давать отчёт себе в том на что он будет способен и учитывать кучу разных нюансов.
- NKS
- Мастер
- Сообщения: 2516
- Зарегистрирован: 30 окт 2014, 21:36
- Репутация: 1233
- Настоящее имя: Сергей
- Откуда: Волгоград
- Контактная информация:
Re: БРЕДОВАЯ ИДЕЯ - Универсальный алюминиевый профиль для ЧП
Пардон, иронию не уловил.kalinvick писал(а):Ну тогда - Отличный план, Мистер Фикс!
- Nil$
- Кандидат
- Сообщения: 97
- Зарегистрирован: 30 авг 2015, 13:10
- Репутация: 13
- Настоящее имя: Макс
- Контактная информация:
Re: БРЕДОВАЯ ИДЕЯ - Универсальный алюминиевый профиль для ЧП
Мужики, раз уж профиль будет универсальный, то почему бы не сделать его не только "спина к спине" но и "ноги на голове" ведь некоторым нужен плоский и широкий профиль...
- den_sibirskiy
- Мастер
- Сообщения: 1655
- Зарегистрирован: 12 апр 2014, 17:04
- Репутация: 349
- Настоящее имя: Ден
- Откуда: Иркутск
- Контактная информация:
Re: БРЕДОВАЯ ИДЕЯ - Универсальный алюминиевый профиль для ЧП
Вот про конструктор я как раз это и имел в виду, когда нет под рукой ни каких фрезеров, когда нужно удобно, быстро и по делу собрать норм. станок без ненужных запарок. Но все равно, я бы не стал собирать станок только из одного вида профиля, хотя... хр его зн.NKS писал(а):А вот ещё вопрос. А как быть с теми кто "фрезерует" люминь на 16-х китайских скалках, да ещё закрепив заготовку прижимами из МДФ на висячем столе?
"Хватит спать пора начинать пришло твое время"
- n0n4me
- Кандидат
- Сообщения: 85
- Зарегистрирован: 20 авг 2015, 10:59
- Репутация: 22
- Настоящее имя: Олег
- Откуда: Екатеринбург
- Контактная информация:
Re: БРЕДОВАЯ ИДЕЯ - Универсальный алюминиевый профиль для ЧП
ну это будет уже явный перебор!Nil$ писал(а):Мужики, раз уж профиль будет универсальный, то почему бы не сделать его не только "спина к спине" но и "ноги на голове" ведь некоторым нужен плоский и широкий профиль...
Делай людям добро - обязательно вернется!
- den_sibirskiy
- Мастер
- Сообщения: 1655
- Зарегистрирован: 12 апр 2014, 17:04
- Репутация: 349
- Настоящее имя: Ден
- Откуда: Иркутск
- Контактная информация:
Re: БРЕДОВАЯ ИДЕЯ - Универсальный алюминиевый профиль для ЧП
Лучше сделать пазы, для соединения с универсальным профилем, так и этот будет универсален, хоть два таких соединяй, хоть такой и какой другой.Nil$ писал(а):Мужики, раз уж профиль будет универсальный, то почему бы не сделать его не только "спина к спине" но и "ноги на голове" ведь некоторым нужен плоский и широкий профиль...
"Хватит спать пора начинать пришло твое время"
- NKS
- Мастер
- Сообщения: 2516
- Зарегистрирован: 30 окт 2014, 21:36
- Репутация: 1233
- Настоящее имя: Сергей
- Откуда: Волгоград
- Контактная информация:
Re: БРЕДОВАЯ ИДЕЯ - Универсальный алюминиевый профиль для ЧП
Пример применения можно? Сочленённый по узкой стороне профиль 75х300 не вызывает доверия без силового переходного элемента.Nil$ писал(а):Мужики, раз уж профиль будет универсальный, то почему бы не сделать его не только "спина к спине" но и "ноги на голове" ведь некоторым нужен плоский и широкий профиль...
- NKS
- Мастер
- Сообщения: 2516
- Зарегистрирован: 30 окт 2014, 21:36
- Репутация: 1233
- Настоящее имя: Сергей
- Откуда: Волгоград
- Контактная информация:
Re: БРЕДОВАЯ ИДЕЯ - Универсальный алюминиевый профиль для ЧП
С одного профиля, КМК, нереально собрать станок. Но с таким профилем задача должна на порядок сократиться. Думаю это задача минимум.den_sibirskiy писал(а):Вот про конструктор я как раз это и имел в виду, когда нет под рукой ни каких фрезеров, когда нужно удобно, быстро и по делу собрать норм. станок без ненужных запарок. Но все равно, я бы не стал собирать станок только из одного вида профиля, хотя... хр его зн.NKS писал(а):А вот ещё вопрос. А как быть с теми кто "фрезерует" люминь на 16-х китайских скалках, да ещё закрепив заготовку прижимами из МДФ на висячем столе?
- NKS
- Мастер
- Сообщения: 2516
- Зарегистрирован: 30 окт 2014, 21:36
- Репутация: 1233
- Настоящее имя: Сергей
- Откуда: Волгоград
- Контактная информация:
Re: БРЕДОВАЯ ИДЕЯ - Универсальный алюминиевый профиль для ЧП
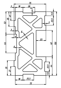
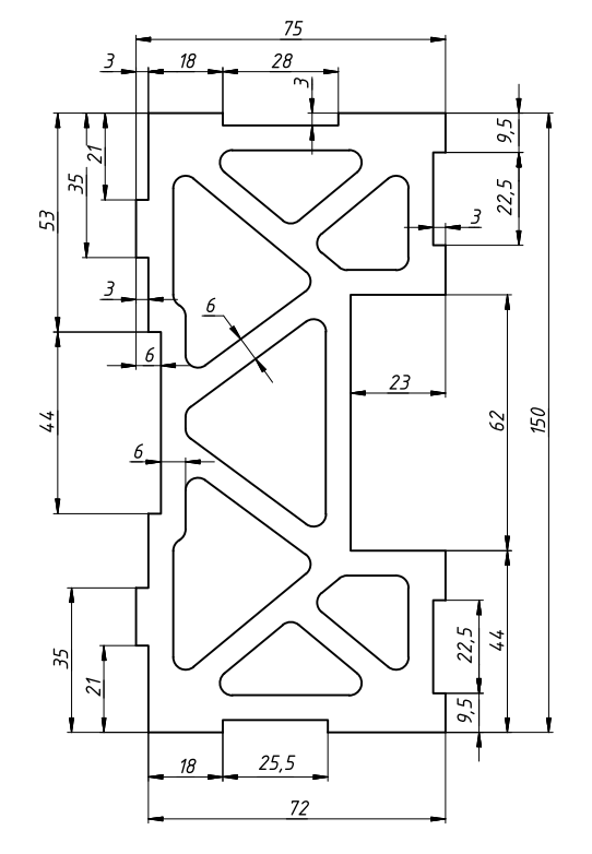
Небольшая идейка для сочленения, получается профиль 300х150:
- Евгений+++
- Мастер
- Сообщения: 1595
- Зарегистрирован: 19 авг 2015, 14:18
- Репутация: 176
- Настоящее имя: Евгений
- Откуда: Воронеж.., пока что
- Контактная информация:
Re: БРЕДОВАЯ ИДЕЯ - Универсальный алюминиевый профиль для ЧП
Вот вот, а я про Ето говорил ужеNil$ писал(а):Мужики, раз уж профиль будет универсальный, то почему бы не сделать его не только "спина к спине" но и "ноги на голове" ведь некоторым нужен плоский и широкий профиль...
- Жене сказал, что пошел к любовнице, любовнице сказал, что пошел к
жене, а сам взял книжки, залез на чердак и учиться, учиться, учиться.
-------------------------------------------------------------------------------------------
Дайте мне собственный гольф-клуб, свежий воздух и красивую женщину в
партнеры – и можете оставить гольф-клуб и свежий воздух себе.
жене, а сам взял книжки, залез на чердак и учиться, учиться, учиться.
-------------------------------------------------------------------------------------------
Дайте мне собственный гольф-клуб, свежий воздух и красивую женщину в
партнеры – и можете оставить гольф-клуб и свежий воздух себе.
- NKS
- Мастер
- Сообщения: 2516
- Зарегистрирован: 30 окт 2014, 21:36
- Репутация: 1233
- Настоящее имя: Сергей
- Откуда: Волгоград
- Контактная информация:
Re: БРЕДОВАЯ ИДЕЯ - Универсальный алюминиевый профиль для ЧП
Дык показал бы, гадалки то праведные нонче в дефиците:)Евгений+++ писал(а):Вот вот, а я про Ето говорил ужеNil$ писал(а):Мужики, раз уж профиль будет универсальный, то почему бы не сделать его не только "спина к спине" но и "ноги на голове" ведь некоторым нужен плоский и широкий профиль...
- donvictorio
- Мастер
- Сообщения: 2458
- Зарегистрирован: 11 окт 2012, 16:26
- Репутация: 683
- Настоящее имя: Виктор
- Откуда: Санкт-Петербург
- Контактная информация:
Re: БРЕДОВАЯ ИДЕЯ - Универсальный алюминиевый профиль для ЧП
хотелка по поводу сочленения профиля хорошая, но труднореализуемая.
1. если использовать пазогребневую модель - профиль получается несимметричным, и соответственно не особо пригодным.
2. болтовое крепление возможно только между монолитными стенками. через пустоты скручивать его нельзя - сильно деформируется даже от малых нагрузок на болт, соответственно много сверлений и сложный монтаж.
3. необходимость в сочленении именно этого типа профиля - слишком маленькая, чтобы внедрять в него эту особенность.
и несколько замечаний по предложенным вариантам:
паз под установку рельса. ширина 4х первых значений (15,20,23,28 мм) не совпадает с предложенной шириной паза (25,5 и 22,5), да и по рекомендациям предпочтительно устанавливать рельс вдоль уступа, подпирая его планкой. при наличии паза планку можно использовать только для 15мм рельса. рассчитывать на установку на данный профиль рельса более 20 мм не имеет смысла.
поэтому предлагаю обойтись уступами, чтобы была возможность при желании укрепить посадку планкой.
исходя их этого и если к компоновкенет претензий, чуть редактируем поверхность, добавляем внутренние рёбра, как предложил Сергей.
также нужно определиться по поводу пазов под болты, где, зачем, сколько. также с предложением по компоновке.
1. если использовать пазогребневую модель - профиль получается несимметричным, и соответственно не особо пригодным.
2. болтовое крепление возможно только между монолитными стенками. через пустоты скручивать его нельзя - сильно деформируется даже от малых нагрузок на болт, соответственно много сверлений и сложный монтаж.
3. необходимость в сочленении именно этого типа профиля - слишком маленькая, чтобы внедрять в него эту особенность.
и несколько замечаний по предложенным вариантам:
паз под установку рельса. ширина 4х первых значений (15,20,23,28 мм) не совпадает с предложенной шириной паза (25,5 и 22,5), да и по рекомендациям предпочтительно устанавливать рельс вдоль уступа, подпирая его планкой. при наличии паза планку можно использовать только для 15мм рельса. рассчитывать на установку на данный профиль рельса более 20 мм не имеет смысла.
поэтому предлагаю обойтись уступами, чтобы была возможность при желании укрепить посадку планкой.
исходя их этого и если к компоновкенет претензий, чуть редактируем поверхность, добавляем внутренние рёбра, как предложил Сергей.
также нужно определиться по поводу пазов под болты, где, зачем, сколько. также с предложением по компоновке.
- den_sibirskiy
- Мастер
- Сообщения: 1655
- Зарегистрирован: 12 апр 2014, 17:04
- Репутация: 349
- Настоящее имя: Ден
- Откуда: Иркутск
- Контактная информация:
Re: БРЕДОВАЯ ИДЕЯ - Универсальный алюминиевый профиль для ЧП
Получится не рыба не мясо, если учесть все наши хотелки.
В итоге первый вариант окажется самый правильный + пару пазов.
В итоге первый вариант окажется самый правильный + пару пазов.
"Хватит спать пора начинать пришло твое время"
- den_sibirskiy
- Мастер
- Сообщения: 1655
- Зарегистрирован: 12 апр 2014, 17:04
- Репутация: 349
- Настоящее имя: Ден
- Откуда: Иркутск
- Контактная информация:
Re: БРЕДОВАЯ ИДЕЯ - Универсальный алюминиевый профиль для ЧП
Хотя,
"Хватит спать пора начинать пришло твое время"
- megagad
- Почётный участник

- Сообщения: 3208
- Зарегистрирован: 05 апр 2014, 18:57
- Репутация: 712
- Откуда: Реуспублика Крым, Бахчисарай.
- Контактная информация:
Re: БРЕДОВАЯ ИДЕЯ - Универсальный алюминиевый профиль для ЧП
По второму рисунку - "боковые упоры". на форуме уже кто-то подобное делал, прижимая рельс торцевыми, Г-образными прихватами-упорами.
We Do What We Must, Because We Can!
Причинять добро, наносить пользу и подвергать ласке.
Причинять добро, наносить пользу и подвергать ласке.
- ultrus
- Мастер
- Сообщения: 2039
- Зарегистрирован: 09 апр 2013, 05:42
- Репутация: 1329
- Настоящее имя: Юрий
- Откуда: Воронеж
- Контактная информация:
Re: БРЕДОВАЯ ИДЕЯ - Универсальный алюминиевый профиль для ЧП
Да, никто из самодельщиков этого не делает! Видел только Г-образные упоры на промышленных станках по металлу.donvictorio писал(а):по рекомендациям предпочтительно устанавливать рельс вдоль уступа, подпирая его планкой
Было бы неплохо. Самый близкий по размерам профиль 40х40 мм и 40х80 мм. Надо думать, как к нему прицепиться. Первая мысль - через проставки, компенсирующие высоту выступов.den_sibirskiy писал(а):такой профиль по хорошему должен как то удобно стыковаться пазами с уже существующими профилями и использовать существующие закладные
"Если хочешь сделать что-то хорошо, сделай это сам."
Фердинанд Порше
Фердинанд Порше
- Евгений+++
- Мастер
- Сообщения: 1595
- Зарегистрирован: 19 авг 2015, 14:18
- Репутация: 176
- Настоящее имя: Евгений
- Откуда: Воронеж.., пока что
- Контактная информация:
Re: БРЕДОВАЯ ИДЕЯ - Универсальный алюминиевый профиль для ЧП
Ну вот теперь все, нарисовал.... 
Может за основу сойдет???
Может за основу сойдет???
- Жене сказал, что пошел к любовнице, любовнице сказал, что пошел к
жене, а сам взял книжки, залез на чердак и учиться, учиться, учиться.
-------------------------------------------------------------------------------------------
Дайте мне собственный гольф-клуб, свежий воздух и красивую женщину в
партнеры – и можете оставить гольф-клуб и свежий воздух себе.
жене, а сам взял книжки, залез на чердак и учиться, учиться, учиться.
-------------------------------------------------------------------------------------------
Дайте мне собственный гольф-клуб, свежий воздух и красивую женщину в
партнеры – и можете оставить гольф-клуб и свежий воздух себе.
- ultrus
- Мастер
- Сообщения: 2039
- Зарегистрирован: 09 апр 2013, 05:42
- Репутация: 1329
- Настоящее имя: Юрий
- Откуда: Воронеж
- Контактная информация:
Re: БРЕДОВАЯ ИДЕЯ - Универсальный алюминиевый профиль для ЧП
Тетрис получился красивый. Но пропадает вся идея универсальности. Ни гайку впихнуть некуда, ни направляющие. А крепить его как?Евгений+++ писал(а):Может за основу сойдет???
Darxton писал(а):погонный метр возрастет вдвое. сдвоенный под "большие пролеты" (это сколько? плзама меньше чем с порталом в 1200 мне не встречалась, а обычно это 1500 и выше) по всем параметрам проиграет спец. профилю для таких целей. Начиная с совокупной цены, включая потраченное время на сверление и скручивание, до результирующей точности (профиль должен пропорционально расти по сечению в обе стороны). Проще 2 фильеры заказать. На малые порталы и на высоконагруженные. Иначе универсальность дорого обойдется.
"Если хочешь сделать что-то хорошо, сделай это сам."
Фердинанд Порше
Фердинанд Порше
- shalek
- Почётный участник

- Сообщения: 3023
- Зарегистрирован: 25 авг 2014, 10:40
- Репутация: 2583
- Настоящее имя: Александр
- Откуда: РБ Бобруйск
- Контактная информация:
Re: БРЕДОВАЯ ИДЕЯ - Универсальный алюминиевый профиль для ЧП
По-моему самый толковый профиль. Ну можно приливов добавить под торцы, если мало. И все! И не надо lego городить. Делается для станка, а не стеллажи собирать. Всем все равно не угодишь.NKS писал(а):По мотивам профиля предложенного ТС напросилось.Накидал по-быстрому основную идею. Правда, вес метра получается 12,8кг. При цене 250руб\кг (обозначенной ТС) выходит 3200руб\м.
Если ты не можешь решить проблему, значит это не твоя проблема!
Мой канал на YouTube: YouTube
ЧПУ "Бобр" 600x500 мм
shalek64@gmail.com
Мой канал на YouTube: YouTube
ЧПУ "Бобр" 600x500 мм
shalek64@gmail.com