Посоветуйте/покритикуйте по шкафу станка ЧПУ

Контроллеры, драйверы, датчики, управляющие устройства.
Аватара пользователя
ukr-sasha
Мастер
Сообщения: 3401
Зарегистрирован: 21 мар 2011, 07:47
Репутация: 2181
Настоящее имя: Украинец Александр Григорьевич
Откуда: Киев, Украина
Контактная информация:

Re: Посоветуйте/покритикуйте по шкафу станка ЧПУ

Сообщение ukr-sasha »

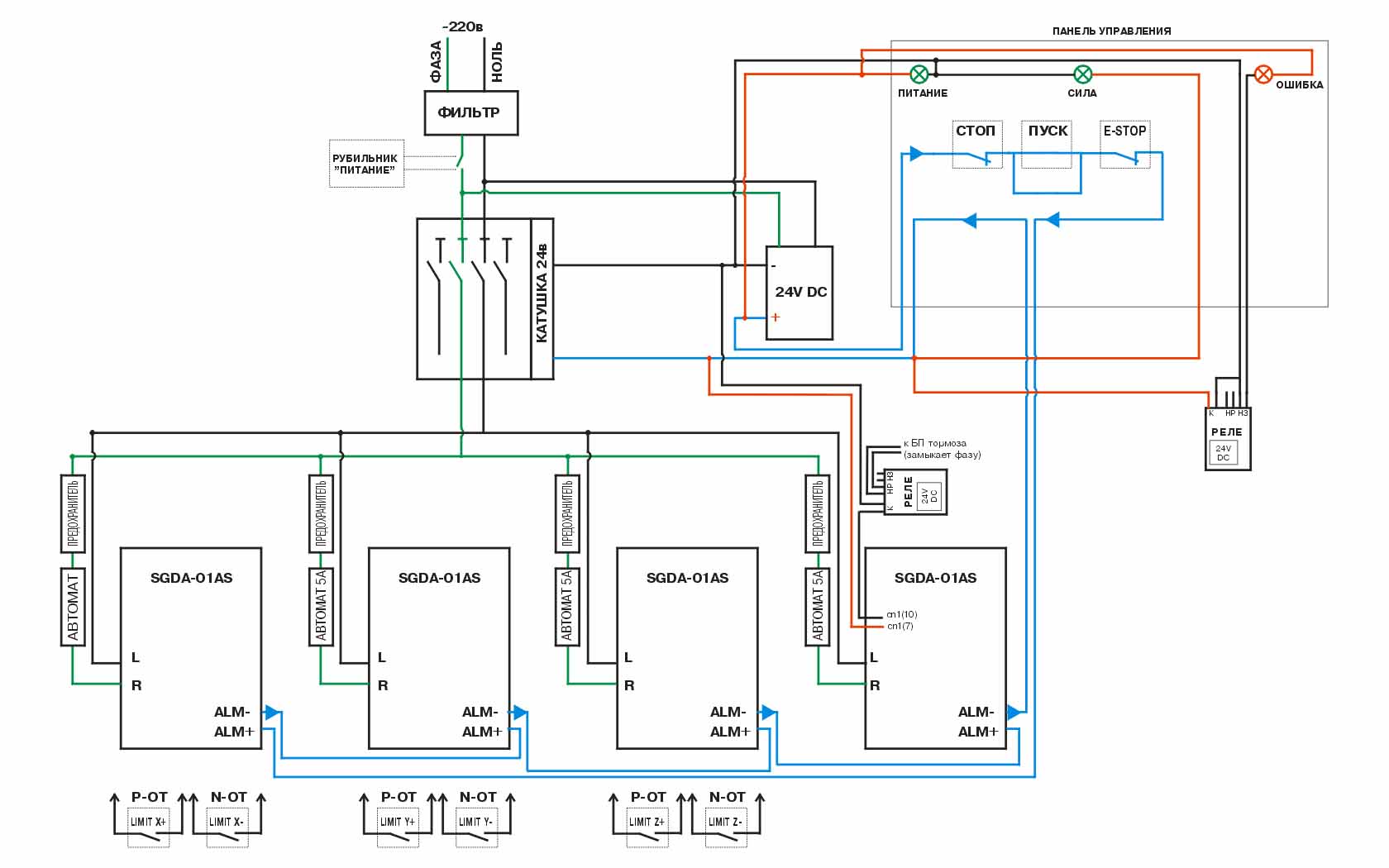
Александр_ писал(а):вроде по этой картинке из мануала и рисовал подключение тормоза.
Только в твоей версии ты подключился не к 24В блока питания. а к катушке пускателя.
Дорисовал как в АЛМ течет ток. Проверь, у тебя по схеме так? ;-)
Вложения
Untitled-1 copy.jpg (2130 просмотров) <a class='original' href='./download/file.php?id=53189&mode=view' target=_blank>Загрузить оригинал (174.06 КБ)</a>
Александр_
Мастер
Сообщения: 1743
Зарегистрирован: 24 дек 2013, 17:47
Репутация: 122
Контактная информация:

Re: Посоветуйте/покритикуйте по шкафу станка ЧПУ

Сообщение Александр_ »

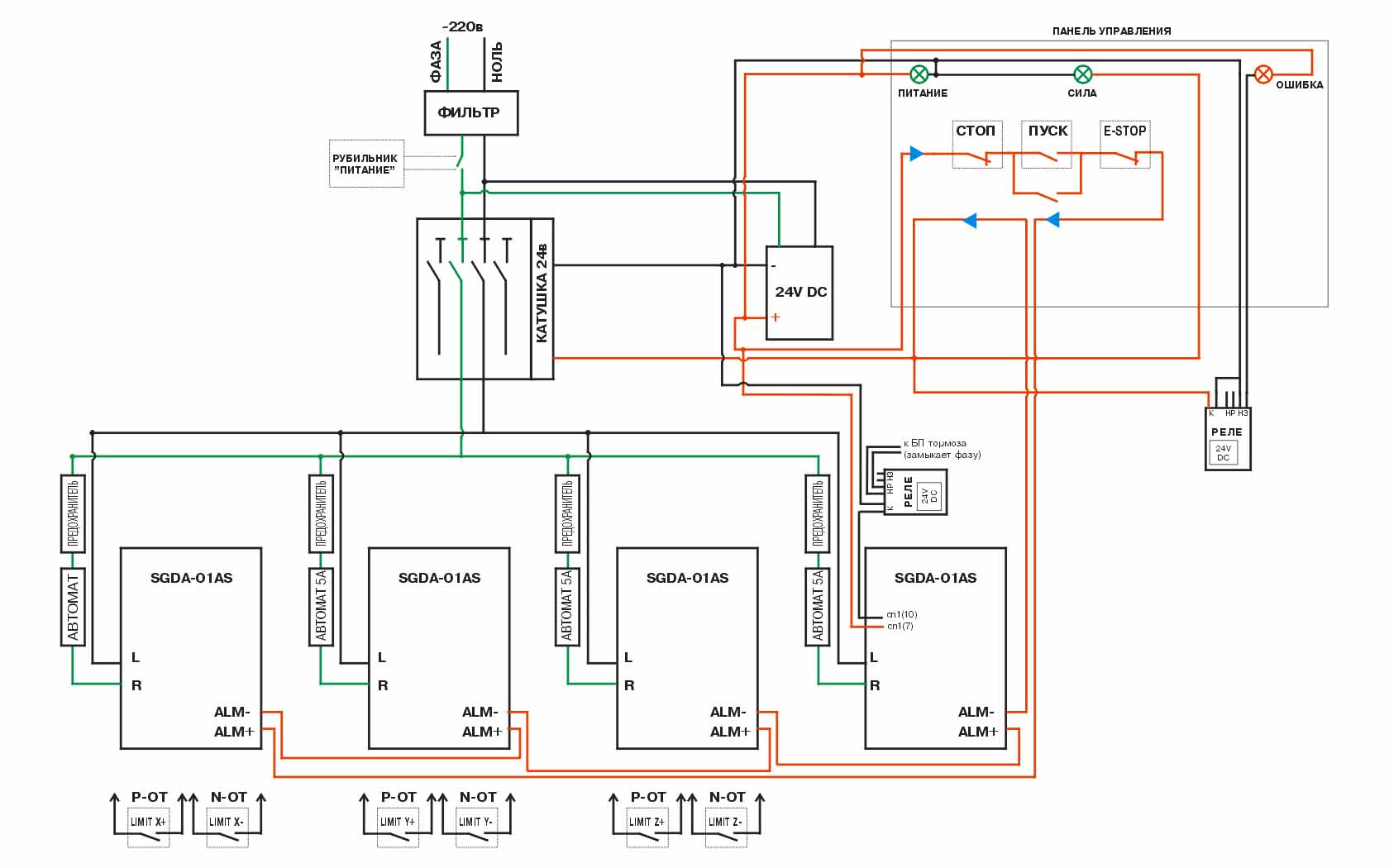
важно, чтобы ток "втекал" в АЛМ+ ? исправил. по реле - пометил синим цепь в коротой есть 24В когда нажата кнопка "пуск". к ней и прицепил плюс реле. неправильно? да, катушка главного контактора от этой же цепи запитана.
Вложения
Untitled-1 copy.jpg (2127 просмотров) <a class='original' href='./download/file.php?id=53190&mode=view' target=_blank>Загрузить оригинал (122.46 КБ)</a>
Заходите в гости: www.pandicon.net www.graver36.ru
Аватара пользователя
alexg-nn
Мастер
Сообщения: 793
Зарегистрирован: 08 фев 2015, 12:45
Репутация: 127
Настоящее имя: Алексей
Откуда: Нижний Новгород
Контактная информация:

Re: Посоветуйте/покритикуйте по шкафу станка ЧПУ

Сообщение alexg-nn »

Александр_, полагаю, ukr-sasha имел в виду, что на реле тормоза питание через контакты /BK нужно подавать непосредственно с источника питания 24В (как нарисовано в мануале), а у вас напряжение туда заводится через панель управления, да и при этом как-то странно шунтирует катушку пускателя.
Аватара пользователя
ukr-sasha
Мастер
Сообщения: 3401
Зарегистрирован: 21 мар 2011, 07:47
Репутация: 2181
Настоящее имя: Украинец Александр Григорьевич
Откуда: Киев, Украина
Контактная информация:

Re: Посоветуйте/покритикуйте по шкафу станка ЧПУ

Сообщение ukr-sasha »

alexg-nn писал(а):Александр_, полагаю, ukr-sasha имел в виду, что на реле тормоза питание через контакты /BK нужно подавать непосредственно с источника питания 24В (как нарисовано в мануале), а у вас напряжение туда заводится через панель управления, да и при этом как-то странно шунтирует катушку пускателя.
Именно!
Александр_
Мастер
Сообщения: 1743
Зарегистрирован: 24 дек 2013, 17:47
Репутация: 122
Контактная информация:

Re: Посоветуйте/покритикуйте по шкафу станка ЧПУ

Сообщение Александр_ »

исправил.
только теперь непонятно - при аварийной ситуации контактор обрубит питание на сервопак, а БП 24В останется работать. отключенный от сети сервопак даст правильный сигнал на реле чтобы поставить тормоз сервы в нужное состояние?
Вложения
Untitled-1 copy.jpg (2099 просмотров) <a class='original' href='./download/file.php?id=53232&mode=view' target=_blank>Загрузить оригинал (122.23 КБ)</a>
Заходите в гости: www.pandicon.net www.graver36.ru
Аватара пользователя
alexg-nn
Мастер
Сообщения: 793
Зарегистрирован: 08 фев 2015, 12:45
Репутация: 127
Настоящее имя: Алексей
Откуда: Нижний Новгород
Контактная информация:

Re: Посоветуйте/покритикуйте по шкафу станка ЧПУ

Сообщение alexg-nn »

Александр_ писал(а):отключенный от сети сервопак даст правильный сигнал на реле чтобы поставить тормоз сервы в нужное состояние?
У сервопака логика и силовая часть запитывается отдельными линиями (от 220).
servopack.jpg (2090 просмотров) <a class='original' href='./download/file.php?id=53234&mode=view' target=_blank>Загрузить оригинал (61.42 КБ)</a>
От сети при аварии отключается силовая часть (L1-L2). Логика сервопака не должна отключаться (L1C-L2C). Поэтому мозги знают, что делать с тормозом при аварии.
Александр_
Мастер
Сообщения: 1743
Зарегистрирован: 24 дек 2013, 17:47
Репутация: 122
Контактная информация:

Re: Посоветуйте/покритикуйте по шкафу станка ЧПУ

Сообщение Александр_ »

что-то на своем сервопаке такого не припомню. только две клеммы для питания.
Вложения
Фото-0122.jpg (2086 просмотров) <a class='original' href='./download/file.php?id=53235&mode=view' target=_blank>Загрузить оригинал (1.46 МБ)</a>
Заходите в гости: www.pandicon.net www.graver36.ru
Аватара пользователя
alexg-nn
Мастер
Сообщения: 793
Зарегистрирован: 08 фев 2015, 12:45
Репутация: 127
Настоящее имя: Алексей
Откуда: Нижний Новгород
Контактная информация:

Re: Посоветуйте/покритикуйте по шкафу станка ЧПУ

Сообщение alexg-nn »

Прошу прощения, не думал, что в сервопаках SGDA по другому. :thinking:
Тогда, может быть сервопаку хватает ёмкости конденсаторов, чтобы принять решение о тормозе после отключения питания.
Александр_
Мастер
Сообщения: 1743
Зарегистрирован: 24 дек 2013, 17:47
Репутация: 122
Контактная информация:

Re: Посоветуйте/покритикуйте по шкафу станка ЧПУ

Сообщение Александр_ »

да, тоже об этом подумал. после отключения питания огоньки еще горят какое-то время. наверное, там что-то успевает срабатывать
Заходите в гости: www.pandicon.net www.graver36.ru
Аватара пользователя
ukr-sasha
Мастер
Сообщения: 3401
Зарегистрирован: 21 мар 2011, 07:47
Репутация: 2181
Настоящее имя: Украинец Александр Григорьевич
Откуда: Киев, Украина
Контактная информация:

Re: Посоветуйте/покритикуйте по шкафу станка ЧПУ

Сообщение ukr-sasha »

alexg-nn писал(а):Тогда, может быть сервопаку хватает ёмкости конденсаторов, чтобы принять решение о тормозе после отключения питания.
После отключения, несколько секунд лампочка не гаснет.
Александр_
Мастер
Сообщения: 1743
Зарегистрирован: 24 дек 2013, 17:47
Репутация: 122
Контактная информация:

Re: Посоветуйте/покритикуйте по шкафу станка ЧПУ

Сообщение Александр_ »

до этого обычно шпиндель включал вручную на частотнике, здесь же нужно сделать правильно.
само питание шпинделя (т.е. частотник) логично повесить после контактора чтобы при ошибке частотник тоже вырубался?
если вынести управление шпинделем на переднюю панель то кнопки что будут из себя представлять? резистор понятно - три провода пойдут в колодку частотника. а пуск и стоп? кнопки с фиксацией?
или там как на компьютере - без фиксации подал сигнал в колодку на нужный пин и все? частотник обычный китайский
в мануале такая картинка. кнопки похожи на кнопки без фиксации как используются с пускателями
Вложения
Untitled-1 copy.jpg (2016 просмотров) <a class='original' href='./download/file.php?id=53383&mode=view' target=_blank>Загрузить оригинал (52.1 КБ)</a>
Последний раз редактировалось Александр_ 02 июл 2015, 22:44, всего редактировалось 1 раз.
Заходите в гости: www.pandicon.net www.graver36.ru
Аватара пользователя
alexg-nn
Мастер
Сообщения: 793
Зарегистрирован: 08 фев 2015, 12:45
Репутация: 127
Настоящее имя: Алексей
Откуда: Нижний Новгород
Контактная информация:

Re: Посоветуйте/покритикуйте по шкафу станка ЧПУ

Сообщение alexg-nn »

По поводу включения частотника, кстати, давно хотел послушать мнения профи :) В плане, как это сопрягается с сервоприводами.
Александр_
Мастер
Сообщения: 1743
Зарегистрирован: 24 дек 2013, 17:47
Репутация: 122
Контактная информация:

Re: Посоветуйте/покритикуйте по шкафу станка ЧПУ

Сообщение Александр_ »

на передней панели частотника обычные микропереключатели без фиксации - лоично было бы предположить, что при подключении через клеммную колодку смысл остается тот же. скорее всего эти две цепи там параллельно соединены. значит на панели на управление частотником "пуск" и "стоп" нужны 2 обычные кнопки без фиксации (вероятно на замыкание и размыкание соответственно).
Заходите в гости: www.pandicon.net www.graver36.ru
Аватара пользователя
alexg-nn
Мастер
Сообщения: 793
Зарегистрирован: 08 фев 2015, 12:45
Репутация: 127
Настоящее имя: Алексей
Откуда: Нижний Новгород
Контактная информация:

Re: Посоветуйте/покритикуйте по шкафу станка ЧПУ

Сообщение alexg-nn »

А мне вот какой момент интересен. Допустим, хочется иметь возможность менять частоту оборотов вручную и программно (управляющая программа же тоже может это делать, а не только включать/выключать шпиндель). Тогда каким образом это реализовать? Получается, обычный потенциометр не катит, ибо если программно поменять частоту, ручка то сама не покрутиться :) Может тогда туда энкодер ставить? Но во всех мануалах обычно рисуют простой многооборотный потенциометр.
Аватара пользователя
ukr-sasha
Мастер
Сообщения: 3401
Зарегистрирован: 21 мар 2011, 07:47
Репутация: 2181
Настоящее имя: Украинец Александр Григорьевич
Откуда: Киев, Украина
Контактная информация:

Re: Посоветуйте/покритикуйте по шкафу станка ЧПУ

Сообщение ukr-sasha »

Частотник прятать подальше в шкаф.
На панель выводиться переменный резистор который подключен к контроллеру чпу. И уже ЧПУ принимает решение как регулировать частотник.
Александр_
Мастер
Сообщения: 1743
Зарегистрирован: 24 дек 2013, 17:47
Репутация: 122
Контактная информация:

Re: Посоветуйте/покритикуйте по шкафу станка ЧПУ

Сообщение Александр_ »

ukr-sasha писал(а):Частотник прятать подальше в шкаф.
На панель выводиться переменный резистор который подключен к контроллеру чпу. И уже ЧПУ принимает решение как регулировать частотник.
прятать из соображений помех?
а, то есть резистор заводится не как обычно в сам частотник а (в моем случае) в kflop? кнопки включения-выключения-то хоть в частотник или тоже в kflop до кучи?
Заходите в гости: www.pandicon.net www.graver36.ru
Аватара пользователя
alexg-nn
Мастер
Сообщения: 793
Зарегистрирован: 08 фев 2015, 12:45
Репутация: 127
Настоящее имя: Алексей
Откуда: Нижний Новгород
Контактная информация:

Re: Посоветуйте/покритикуйте по шкафу станка ЧПУ

Сообщение alexg-nn »

ukr-sasha писал(а):На панель выводиться переменный резистор который подключен к контроллеру чпу. И уже ЧПУ принимает решение как регулировать частотник.
Так а вариант, описанный мной, вообще не возможен? Когда контроллер по программе должен сменить частоту, а движок потенциометра неподвижен. И если я начну крутить его вручную, случится беда, нет?
Я понимаю, что рулить всем этим должна стойка, но может тогда в этом случае нужен энкодер (бесконечная крутилка)?
Аватара пользователя
ukr-sasha
Мастер
Сообщения: 3401
Зарегистрирован: 21 мар 2011, 07:47
Репутация: 2181
Настоящее имя: Украинец Александр Григорьевич
Откуда: Киев, Украина
Контактная информация:

Re: Посоветуйте/покритикуйте по шкафу станка ЧПУ

Сообщение ukr-sasha »

Александр_ писал(а):прятать из соображений помех?
И это тоже.
Александр_ писал(а):а, то есть резистор заводится не как обычно в сам частотник а (в моем случае) в kflop? кнопки включения-выключения-то хоть в частотник или тоже в kflop до кучи?
Всё в кфлоп. И уже кфлоп рулит им.
Если выполняется уп, то кфлоп не реагирует на кнопки и резистор. А можно настроить, чтобы реагировал. Всё зависит от вашей задачи. :-)
Александр_
Мастер
Сообщения: 1743
Зарегистрирован: 24 дек 2013, 17:47
Репутация: 122
Контактная информация:

Re: Посоветуйте/покритикуйте по шкафу станка ЧПУ

Сообщение Александр_ »

а как в кфлоп все влезает? на нем ведь особо разъемов нет. нужны какие-то платы расширения? ладно у меня каналог - там по периметру выводы, но и то если столько всего не факт что влезет
Заходите в гости: www.pandicon.net www.graver36.ru
Александр_
Мастер
Сообщения: 1743
Зарегистрирован: 24 дек 2013, 17:47
Репутация: 122
Контактная информация:

Re: Посоветуйте/покритикуйте по шкафу станка ЧПУ

Сообщение Александр_ »

да, "запутка" из проводов знатная получается :-) придется по максимуму использовать системы организации проводов в виде кабель-каналов, дин-реек, кросс-модулей. иначе будет просто клубок проводов.
какой бы стороной развернуть кфлоп? логично вроде как на фото - ведь первоначально мне потребуются пины А+, А-, В+, В- .стороной с этими разъемами логично развернуть туда, нде подходят кабели из разъема 1cn?
Вложения
DSC05433.jpg (1929 просмотров) <a class='original' href='./download/file.php?id=53435&mode=view' target=_blank>Загрузить оригинал (345.1 КБ)</a>
Фото-0590.jpg (1929 просмотров) <a class='original' href='./download/file.php?id=53436&mode=view' target=_blank>Загрузить оригинал (352.25 КБ)</a>
Фото-0589.jpg (1929 просмотров) <a class='original' href='./download/file.php?id=53437&mode=view' target=_blank>Загрузить оригинал (302.49 КБ)</a>
Фото-0588.jpg (1929 просмотров) <a class='original' href='./download/file.php?id=53438&mode=view' target=_blank>Загрузить оригинал (273.74 КБ)</a>
Заходите в гости: www.pandicon.net www.graver36.ru
Ответить

Вернуться в «Электроника»