Страница 6 из 7
Re: восстановление 6Д81Ш
Добавлено: 28 апр 2015, 20:51
tooshka
Тима писал(а):Когда делал заказ, думал что взял маркера. А начал монтаж, оказалось забыл дома....
Иосифа Виссарионовича на тебя нэт, а потом кто то по проводочкам тянуть схему будет)))
Re: восстановление 6Д81Ш
Добавлено: 28 апр 2015, 21:15
Тима
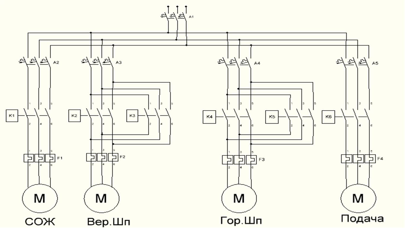
Да, там не такая зверски сложная схема, чтоб не разобраться.
Кстати, вот вся схема:

- силовая схема

- схема управления

- колодка
К тому же, зачем дергать провода? Зря что ли люди тестер изобретали?

Re: восстановление 6Д81Ш
Добавлено: 28 апр 2015, 21:18
Serg
А зачем каждый проводок маркировать, если схема есть?
Re: восстановление 6Д81Ш
Добавлено: 28 апр 2015, 21:21
ukr-sasha
Распечатать схемы и повесить на дверь, изнутри шкафа. И всех делов.
Re: восстановление 6Д81Ш
Добавлено: 28 апр 2015, 21:24
Predator
ukr-sasha писал(а):Распечатать схемы и повесить на дверь, изнутри шкафа
Раньше так и делали, во всех станках схемы висели на дверках

Re: восстановление 6Д81Ш
Добавлено: 28 апр 2015, 21:27
Тима
Predator писал(а):Раньше так и делали, во всех станках схемы висели на дверках
Так и собираюсь сделать. Распечатаю, заламинирую и прикреплю к дверце шкафа изнутри.
Re: восстановление 6Д81Ш
Добавлено: 28 апр 2015, 21:28
tooshka
UAVpilot писал(а):А зачем каждый проводок маркировать, если схема есть?
ukr-sasha писал(а):Распечатать схемы и повесить на дверь, изнутри шкафа. И всех делов.
Вот так и приходит она-анархия.
"Лаврентий Павлович вы присмотритесь к ним попристальнее" ))).
Re: восстановление 6Д81Ш
Добавлено: 28 апр 2015, 21:29
Predator
Тима писал(а):Распечатаю, заламинирую и прикреплю к дверце шкафа изнутри.
Вот и ладушки, а ремонтировать наверно, если что всё-равно тебе

Re: восстановление 6Д81Ш
Добавлено: 29 апр 2015, 12:04
Тима
Проверка работы цепей управления выявила существенный косяк.
Дело в переключателях... Если при работе станка отключат электричество, станок (естественно) остановится. И если фрезеровщик не отключит переключатели при подаче электричества станок включится.
Чтоб этого избежать решено поставить переключатели без фиксации и дополнительно кнопки стопа.
Re: восстановление 6Д81Ш
Добавлено: 30 апр 2015, 21:12
Тима
Работоспособность станка восстановлена. Теперь осталось наладить механику. Но это уже не мои заботы.
Но, что хочется сказать... Как говорит
aftaev "Я худею с этого народа!!!"
Чел, который будет на этом станке работать попросил показать, где что включается. Ну, я и показал... Лучше бы не показывал... Пока я ходил распечатывать и ламинировать электрическую схему станка, тот разрисовал панель маркером. На вопрос: "нахрена? Я хотел нормальные надписи сделать." тот ответил "нах... надо! на нем работать мне. И так сойдет."
Я в шоке...
Ну да ладно. Станок работает, работу приняли и за нее заплатили. ... но осадок остался...
Вот фотки:

- шкаф

- управление

- управление
Как-то так!
Re: восстановление 6Д81Ш
Добавлено: 30 апр 2015, 21:31
ukr-sasha
Молодец! Быстро сделал?
Чего другие не хотели браться за работу?
А рабочий варвар.

Re: восстановление 6Д81Ш
Добавлено: 30 апр 2015, 21:36
Тима
ukr-sasha писал(а):Чего другие не хотели браться за работу?
Хрен знает. Решили что работа слишком сложная. Хотя, что там сложного?
Сказали что первые 2 электрика полазели по станку и потом отказались, а третий посмотрел издалека(даже подходить не стал) и тоже отказался. А я еще не понимал, почему они так удивляются, что я взялся за эту работу...
Re: восстановление 6Д81Ш
Добавлено: 30 апр 2015, 21:44
ukr-sasha
Тима писал(а):А я еще не понимал, почему они так удивляются, что я взялся за эту работу...
Потом понял?
Re: восстановление 6Д81Ш
Добавлено: 30 апр 2015, 21:46
Тима
ukr-sasha писал(а):Потом понял?
Ну да, понял. )))
Re: восстановление 6Д81Ш
Добавлено: 30 апр 2015, 22:12
ukr-sasha
Я что то туплю - не могу понять. Лень им было делать? Деньги не нужны?
Re: восстановление 6Д81Ш
Добавлено: 30 апр 2015, 22:28
Тима
Может все до кучи.
Есть такие, что привыкли к одной работе и на "шаг влево, шаг вправо" от привычного идут не охотно. Думаю так и здесь...
Re: восстановление 6Д81Ш
Добавлено: 30 апр 2015, 22:57
aftaev
Тима писал(а):Как говорит aftaev "Я худею с этого народа!!!"
я худею без баяна
Тима писал(а):тот разрисовал панель маркером. На вопрос: "нахрена? Я хотел нормальные надписи сделать." тот ответил "нах... надо! на нем работать мне. И так сойдет."
надписи отвалятся, а маркер надежней(при желании можно спиртиком свести)
Re: восстановление 6Д81Ш
Добавлено: 30 апр 2015, 23:00
Тима
Извиняюсь за неправильное цитирование классика...

Re: восстановление 6Д81Ш
Добавлено: 30 апр 2015, 23:12
Тима
ukr-sasha писал(а):Быстро сделал?
В субботу к вечеру привезли комплектующие, сегодня в 10 утра сдал станок. Но параллельно ещё запустил управление горячими каналами на ТПА. На это меня и отвлекали от шабашки...

Строгальный
Добавлено: 01 май 2015, 10:00
Тима
Раз станок запущен,тема подошла к своему логическому завершению, спрошу здесь, чтоб не плодить темы.
Там, где я запускал станок, продают строгальный станок. Видел как таким станком делали шпоночный паз в шкиву... или шкиве... ну Вы меня поняли.
Просят за него 40 тыр. Станок из той же оперы, что и фрезер, что я восстанавливал. т.е. простоял на складе и никогда не работал(но не дербаненый).
Вопрос собственно такой: Что на нем еще делают кроме шпоночных пазов?