Вот тут была заморочка с частотой ШИМ: viewtopic.php?p=311387#p311387
USB Motion Card STB4100
- Rom327
- Почётный участник

- Сообщения: 2989
- Зарегистрирован: 03 апр 2015, 13:23
- Репутация: 437
- Настоящее имя: Роман
- Откуда: Подольск
- Контактная информация:
Re: USB Motion Card STB4100
Это сугубо мое мнение, могу и ошибаться...
https://vk.com/rom327
GRBL настройки: http://blogandbux.blogspot.com/2018/07/ ... revod.html
G коды: http://3d-stanki.ru/spravochnik/program ... stankov-2/
https://vk.com/rom327
GRBL настройки: http://blogandbux.blogspot.com/2018/07/ ... revod.html
G коды: http://3d-stanki.ru/spravochnik/program ... stankov-2/
-
panov-05
- Кандидат
- Сообщения: 64
- Зарегистрирован: 30 мар 2021, 16:37
- Репутация: 2
- Настоящее имя: максим
- Контактная информация:
Re: USB Motion Card STB4100
Хотелось бы уточнить :
Никто не запрещает Вам снимать и PWM т.е. ШИМ, (т.е. уже готовое переменное напряжение прямоугольной формы с коэффициентом заполнения, пропорциональным заданной скорости вращения) прямо с одного из выходов О1 - О4.
Выходит что из O1 уже выходит шим?
Я когда писал в DrufelCNC.com и спрашивал про коммутацию Stb4100 и лазера , мне сказали что у STB4100 нет pwm порта.
Но я не уверен что там на почте у них кто то отвечает кто то грамотный , поэтому закрались большие сомнения , причем везде.
Или же я должен снимать PWM с O1 с помощью ключа мосфета , который вы мне порекомендовали?
или уже готовый шим прямо из O1
Если из O1 идет шим , то напрямую подсоединяю его PWM входу лазера , 12 в и землю беру из того же блока питания которые питают плату STB4100
Извините за неудобства.
Никто не запрещает Вам снимать и PWM т.е. ШИМ, (т.е. уже готовое переменное напряжение прямоугольной формы с коэффициентом заполнения, пропорциональным заданной скорости вращения) прямо с одного из выходов О1 - О4.
Выходит что из O1 уже выходит шим?
Я когда писал в DrufelCNC.com и спрашивал про коммутацию Stb4100 и лазера , мне сказали что у STB4100 нет pwm порта.
Но я не уверен что там на почте у них кто то отвечает кто то грамотный , поэтому закрались большие сомнения , причем везде.
Или же я должен снимать PWM с O1 с помощью ключа мосфета , который вы мне порекомендовали?
или уже готовый шим прямо из O1
Если из O1 идет шим , то напрямую подсоединяю его PWM входу лазера , 12 в и землю беру из того же блока питания которые питают плату STB4100
Извините за неудобства.
- Курдль
- Мастер
- Сообщения: 2174
- Зарегистрирован: 20 мар 2018, 16:55
- Репутация: 282
- Настоящее имя: Курдль Энтеропийский
- Откуда: Msk
- Контактная информация:
Re: USB Motion Card STB4100
Я же писал об этом несколькими постами выше и неоднократно повторял
Да!
Но не из О1, а из какого настроишь. У меня, например, О3.
И не выходит ШИМ, а сигнал, сообразный конкретной реализации output-портов этой платы.
А реализация, как всем известно из мануала, такая: выходы управляются транзисторными оптронами, по схеме с открытым коллектором.
Т.е. эммитер выходного фототранзистора оптрона соединен с GND, а коллектор - с нагрузкой (т.е. выводом "О").
Это значит, что оптрон с частотой и фазой ШИМ замыкает один из выходов "О" с цепью GND.
Как дальше распорядиться этим сигналом - Ваше дело.
Мой сайт: https://cnc-hobby.ru
Re: USB Motion Card STB4100
Здравствуйте, моя борьба с этим контроллером закончилась ничем), как терялись координаты, так и теряются. При любых скоростях и ускорениях.. Поэтому я решил временно наколхозить грбл контроллер на стм 32 из соседней темы. Все работает отлично скорости в 1000 об/мин. и ускорения 800 на станке — пожалуйста. Прога типа G0 X50 Y50 Z50, G0 X0 Y0 Z0 работает минут двадцать и станок возвращается четко в ноль. Но стоит мне запустить любую уп из под фьюжена, как начинаются уплывания координат и это при скорости 400мм/мин. и ускорении 100, что как бы вообще никуда не годится. Уже всю голову сломал, может что-то с юсб? Может фьюжн намеренно кривые уп делает, чтобы хобийщикам жизнь мёдом не казалась
? Уже не знаю куда копать..
-
panov-05
- Кандидат
- Сообщения: 64
- Зарегистрирован: 30 мар 2021, 16:37
- Репутация: 2
- Настоящее имя: максим
- Контактная информация:
Re: USB Motion Card STB4100
У меня пиратский дескпрото умышленно 4 ось портачил , фрезу не поднимал и через всю заготовку срезая все что нужно было оставить после 3000 кода , купил за 22 000 лицензионнный такой проблемы не стало.Если у тебя год вышел у Фьюжина ,надо опять лицензию обновить.Потом сравнить два документа от старого и нового http://text.num2word.ru/
Все как у юристов.Потом ты возможно на 1000 лазером работаешь а на 400 фрезером , а он не справляется или шаговые движки слабые , или еще наводки бывают.Там заземлять все нужно и кроме того еще феррит на кольцах https://zen.yandex.ru/media/elektroradi ... 00b5c91759
Я использую простой фрезер Калибр650 , так там щетки все через феррит.
Все как у юристов.Потом ты возможно на 1000 лазером работаешь а на 400 фрезером , а он не справляется или шаговые движки слабые , или еще наводки бывают.Там заземлять все нужно и кроме того еще феррит на кольцах https://zen.yandex.ru/media/elektroradi ... 00b5c91759
Я использую простой фрезер Калибр650 , так там щетки все через феррит.
Re: USB Motion Card STB4100
Это один станок. Сделано все криво, но вроде ездит без заеданий, так что при запуске станка в работу на небольшие потери шагов я не обращал внимания — программы короткие, плюс на деревяшках не так критично, да и был уверен, что это из-за механики. Но потом я потестил моторы без нагрузки, частотник шпинделя даже в в розетку не включался дабы свести помехи к минимуму. Вообще на этой странице есть куча постов как я с логическим анализатором смотрел сигналы платы в разных условиях, разве что может фазы луны не учитывал)):
viewtopic.php?f=41&t=12983&start=920
Заземление и феррит это безусловно хорошо, но одна программа, которая нехило шатает станок, работает как часы, а другая, при которой оси ели ползают — теряет шаги. Думается мне тут либо что-то нужно во фьюжене накрутить при создании уп, либо в контроллере грбл(хотя я его настраивал).
-
panov-05
- Кандидат
- Сообщения: 64
- Зарегистрирован: 30 мар 2021, 16:37
- Репутация: 2
- Настоящее имя: максим
- Контактная информация:
Re: USB Motion Card STB4100
Я использовал механический сканер для снятия поверхности , скорость по всем осям 100 была.Так моторы грелись сильней чем на 400.
Я напряжение мерить не умею на драйверах , но понял что больше 50 градусов чтоб они не нагревались.Так как лак в моторе может рассплавится.Возьми тепловой лазерный сканер и замерь , может у тебя моторы под 80 градусов греются при 400 мм ,а на 3000 они у тебя на 50 градусов.Так наверно и драйвера сжечь можно.Вроде как абсурд сказал.Вентиляторы поставь на драйвера , может перегреваются и глючат.
https://sun9-15.userapi.com/impg/cnvJlT ... type=album
На моем станке все в вентиляторах
Я напряжение мерить не умею на драйверах , но понял что больше 50 градусов чтоб они не нагревались.Так как лак в моторе может рассплавится.Возьми тепловой лазерный сканер и замерь , может у тебя моторы под 80 градусов греются при 400 мм ,а на 3000 они у тебя на 50 градусов.Так наверно и драйвера сжечь можно.Вроде как абсурд сказал.Вентиляторы поставь на драйвера , может перегреваются и глючат.
https://sun9-15.userapi.com/impg/cnvJlT ... type=album
На моем станке все в вентиляторах
-
panov-05
- Кандидат
- Сообщения: 64
- Зарегистрирован: 30 мар 2021, 16:37
- Репутация: 2
- Настоящее имя: максим
- Контактная информация:
Re: USB Motion Card STB4100
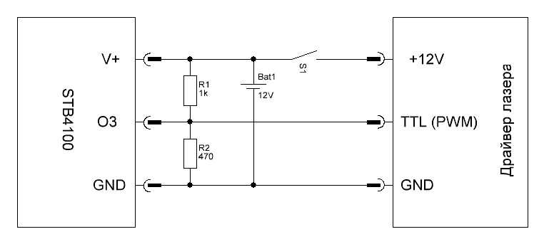
Нарисовал схему на основе вышесказанного.Думаю я еще наверно наделал много ошибок.
Хотелось бы вы ее посмотрели.Особая благодарность вам от меня Мастеру с ником Курдль

Хотелось бы вы ее посмотрели.Особая благодарность вам от меня Мастеру с ником Курдль

-
panov-05
- Кандидат
- Сообщения: 64
- Зарегистрирован: 30 мар 2021, 16:37
- Репутация: 2
- Настоящее имя: максим
- Контактная информация:
Re: USB Motion Card STB4100
Вот с интернета скачана схема LR7843

Я вижу на схеме в конце стоит диод
Получается Load c LR7843 идет на PWM
+ с схемы на + драйвера лазера.
Вопрос , землю с лазера пускать напрямую к V- Блока питания или же подсоединить к схеме , где она идет через подтягивающий резистор.
простите мою некомпетентность.

Я вижу на схеме в конце стоит диод
Получается Load c LR7843 идет на PWM
+ с схемы на + драйвера лазера.
Вопрос , землю с лазера пускать напрямую к V- Блока питания или же подсоединить к схеме , где она идет через подтягивающий резистор.
простите мою некомпетентность.
- Курдль
- Мастер
- Сообщения: 2174
- Зарегистрирован: 20 мар 2018, 16:55
- Репутация: 282
- Настоящее имя: Курдль Энтеропийский
- Откуда: Msk
- Контактная информация:
Re: USB Motion Card STB4100
Кем вышесказанного? Точно не мной
Я сколько раз говорил, что MOSFET-shield не нужно использовать для PWM, а только для вкл/выкл?
В каком "конце"? Что такое вообще "конец схемы"?
Если имеется в виду диод Шоттки, указанный пунктиром в параллель с нагрузкой - то это только для нагрузки с высокой индуктивностью (реле, обмотка электромотора и т.п.).
Мой совет состоял в том, чтобы справа на вход LR7843 подавать сигнал SPINDLE (не PWM! В 100-й раз повторяю!) а в качестве нагрузки применять весь лазерный модуль.
Но как-то я подустал это объяснять. Давайте есть этого слона по частям: забейте на автоматическое управление вкл/выкл модуля.
Поставьте вместо этого тумблер, который перед стартом УП будет давать питание на лазерный модуль (не включать луч).
Лазер и так полностью будет управляться через PWM. Т.е. при необходимости что-то прожечь, на PWM будет подаваться сигнал с заданным коэффициентом заполнения. На холостом ходу на PWM будет ноль. Так работают уважающие себя программы управления лазером.
Кстати! Кто надоумил Вас отказаться то GRBL в пользу Mach3-подобных контроллеров? Уж для чего, а для лазера, GRBL точно идеален! GRBL-шилды имеют все готовые выходы для управления лазерным модулем, причем уровня TTL. Чертова куча приличных программ лазерной гравировки умеют управлять лазерным гравером без всяких промежуточных УП (прямо с картинки - прямо на заготовку).
Зачем Вы мучаете себя и лазер?
Кстати, с Вашим талантом к схемотехнике, лазер может и не дожить до первой заготовки.
Они дохнут даже от разрядов статического электричества.
Мой сайт: https://cnc-hobby.ru
-
panov-05
- Кандидат
- Сообщения: 64
- Зарегистрирован: 30 мар 2021, 16:37
- Репутация: 2
- Настоящее имя: максим
- Контактная информация:
Re: USB Motion Card STB4100
Есть у меня плата RYC GBRL -v3https://aliexpress.ru/item/32896305014. ... 5850636150
в ней есть разъем TTL (+ и -)
разъем Laser (+ и -)
а на лазере моем три провода (pwm , +12, gnd)
Как их распределять ,что и куда?
в ней есть разъем TTL (+ и -)
разъем Laser (+ и -)
а на лазере моем три провода (pwm , +12, gnd)
Как их распределять ,что и куда?
- Курдль
- Мастер
- Сообщения: 2174
- Зарегистрирован: 20 мар 2018, 16:55
- Репутация: 282
- Настоящее имя: Курдль Энтеропийский
- Откуда: Msk
- Контактная информация:
Re: USB Motion Card STB4100
Т.е. не разобравшись с подключением к этой плате, Вы купили STB4100, чтобы... в ней тоже не разобраться?
Вам надо на POWER for SPINDLE подать + и - 12 В. С MOTOR + и - снять для питания лазерного модуля (+12 и gnd соотв.). Этот же "-" соединить с "-" TTL. А "+" TTL подать на pwm лазерного модуля.
Мой сайт: https://cnc-hobby.ru
-
panov-05
- Кандидат
- Сообщения: 64
- Зарегистрирован: 30 мар 2021, 16:37
- Репутация: 2
- Настоящее имя: максим
- Контактная информация:
Re: USB Motion Card STB4100
За плату GBRL RYC v3 огромное спасибо вам.
А щас по плате STB4100)))
Заинтересовало видео про TTL.https://www.youtube.com/watch?v=J87ldkZ ... x=1&t=332s
И думаю как это приспособить к оси Z.
Я смотрел также видео
https://www.youtube.com/watch?v=ffXzwgK ... e=emb_logo
[urlhttps://www.youtube.com/watch?v=3ZnNysrFQ6k&t=2s][/url]
Получается если взять выход с оси Z и отправить на вход PWM лазера драйвера , и сделать настройки в Drufel CNC .
там есть такая настройка если лазер мощностью 5000mw то и скорость ставится 5000 и разгона 5000.
Фотографию брать наверно придется рельефную из арткама.
Но вот на других форумах я прочитал что TTL связан также и с другими осями.Но сам данные спецификации не читал.
(сидел на английском форуме и с удивлением увидел что они читают русские мануалы по плате stb4100.У нас ее разрабатывают что ли.?почему у них на английском нет)
Вопрос такой , если 12 v я возьму с блока питания и минус тоже и подключу к драйверу лазера , а с оси Z отправлю сигнал на PWM
не сгорит лазер?))))
А щас по плате STB4100)))
Заинтересовало видео про TTL.https://www.youtube.com/watch?v=J87ldkZ ... x=1&t=332s
И думаю как это приспособить к оси Z.
Я смотрел также видео
https://www.youtube.com/watch?v=ffXzwgK ... e=emb_logo
[urlhttps://www.youtube.com/watch?v=3ZnNysrFQ6k&t=2s][/url]
Получается если взять выход с оси Z и отправить на вход PWM лазера драйвера , и сделать настройки в Drufel CNC .
там есть такая настройка если лазер мощностью 5000mw то и скорость ставится 5000 и разгона 5000.
Фотографию брать наверно придется рельефную из арткама.
Но вот на других форумах я прочитал что TTL связан также и с другими осями.Но сам данные спецификации не читал.
(сидел на английском форуме и с удивлением увидел что они читают русские мануалы по плате stb4100.У нас ее разрабатывают что ли.?почему у них на английском нет)
Вопрос такой , если 12 v я возьму с блока питания и минус тоже и подключу к драйверу лазера , а с оси Z отправлю сигнал на PWM
не сгорит лазер?))))
- Курдль
- Мастер
- Сообщения: 2174
- Зарегистрирован: 20 мар 2018, 16:55
- Репутация: 282
- Настоящее имя: Курдль Энтеропийский
- Откуда: Msk
- Контактная информация:
Re: USB Motion Card STB4100
Не знаю, сгорит ли Ваш лазер, но мой мосх скоро сгорит.
Найдите в мануале на этот несчастный контроллер следующий текст и просто шаг за шагом исполните его, и сразу же получите PWM.
Не из осей, не из советов полуграмотных кулибиных, а из первоисточника:
Мой сайт: https://cnc-hobby.ru
- Курдль
- Мастер
- Сообщения: 2174
- Зарегистрирован: 20 мар 2018, 16:55
- Репутация: 282
- Настоящее имя: Курдль Энтеропийский
- Откуда: Msk
- Контактная информация:
Re: USB Motion Card STB4100
Надеюсь, это последняя капля.
Только правильно выставьте уровень сигнала PWM (Low/Hi). При выключенном шпинделе на выходе PWM должен быть 0.
Мой сайт: https://cnc-hobby.ru
-
serglobo
- Новичок
- Сообщения: 4
- Зарегистрирован: 23 окт 2020, 15:57
- Репутация: 2
- Контактная информация:
Re: USB Motion Card STB4100
Причина нестабильной работы контроллера оказалась совсем не в плагине. После перестановки станка в другое место все шнуры 220В оказались включенными в один удлинитель (заземления нету) и тут началось твориться, что-то невообразимое. Ни одна УП, которая раньше нормально работала, ни стала работать. Подвисания, остановки и т.д. Помогло включение инвертора в другую розетку на противоположном конце комнаты.
-
Alex-Star7210
- Кандидат
- Сообщения: 53
- Зарегистрирован: 04 апр 2017, 21:23
- Репутация: 0
- Настоящее имя: Александр
- Контактная информация:
Re: USB Motion Card STB4100
Где можно найти информацию как подключать реле или оптронов к этой плате для включение подачи охлаждающей жидкости, охлаждение шпинделя и для других целей?
- Rom327
- Почётный участник

- Сообщения: 2989
- Зарегистрирован: 03 апр 2015, 13:23
- Репутация: 437
- Настоящее имя: Роман
- Откуда: Подольск
- Контактная информация:
Re: USB Motion Card STB4100
А чем эта схема не устраивает? viewtopic.php?p=318025#p318025Alex-Star7210 писал(а): ↑23 май 2021, 10:11 Где можно найти информацию как подключать реле или оптронов к этой плате для включение подачи охлаждающей жидкости, охлаждение шпинделя и для других целей?
Это сугубо мое мнение, могу и ошибаться...
https://vk.com/rom327
GRBL настройки: http://blogandbux.blogspot.com/2018/07/ ... revod.html
G коды: http://3d-stanki.ru/spravochnik/program ... stankov-2/
https://vk.com/rom327
GRBL настройки: http://blogandbux.blogspot.com/2018/07/ ... revod.html
G коды: http://3d-stanki.ru/spravochnik/program ... stankov-2/
-
Crimso13
- Новичок
- Сообщения: 12
- Зарегистрирован: 05 мар 2021, 06:47
- Репутация: 0
- Контактная информация:
Re: USB Motion Card STB4100
Помогите разобраться...есть коллекторный шпиндель ..есть плата только зелёная ..есть БП к шпинделю и с выходом для мача..как мне соединить чтобы управлять шпинделем?
