Подключение вольтамперметра

Контроллеры, драйверы, датчики, управляющие устройства.
Lunatic
Мастер
Сообщения: 460
Зарегистрирован: 09 мар 2015, 20:25
Репутация: 75
Настоящее имя: Дмитрий
Контактная информация:

Re: Подключение вольтамперметра

Сообщение Lunatic »

lkbyysq писал(а):
daemon78 писал(а):что там у него внутри у этого девайса
Конечно лучше разобрать и прозвонить для подтверждения догадок.
https://ae01.alicdn.com/kf/HTB1Aq8rXoWF ... clXXaZ.jpg
Вот на этой картинке хорошо видно, что в устройстве 50/100А внутреннего шунта нет. И на схеме должен быть не буквально Амперметр (у которого низкое сопротивление), там АЦП который меряет падение напряжения на шунте.
Аватара пользователя
daemon78
Мастер
Сообщения: 1693
Зарегистрирован: 02 окт 2018, 15:02
Репутация: 103
Настоящее имя: Владимир
Откуда: Москва
Контактная информация:

Re: Подключение вольтамперметра

Сообщение daemon78 »

Люди добрые, я уже понял, что все же придется соединить минусы.
Больше ничего не надо делать?
Аватара пользователя
xvovanx
Мастер
Сообщения: 3775
Зарегистрирован: 25 фев 2016, 12:27
Репутация: 920
Настоящее имя: Владимир
Откуда: Latvia
Контактная информация:

Re: Подключение вольтамперметра

Сообщение xvovanx »

daemon78 писал(а):Больше ничего не надо делать?
я бы для начала для пробы подключил 5В питания и 12В с лампочкой для замеров, чтобы все проверить, чтоб очередной вольметр не испустил дух :)
Lunatic
Мастер
Сообщения: 460
Зарегистрирован: 09 мар 2015, 20:25
Репутация: 75
Настоящее имя: Дмитрий
Контактная информация:

Re: Подключение вольтамперметра

Сообщение Lunatic »

https://kitaygid.ru/tovary/kitajskij-voltmetr-ampermetr
Здесь в статье на первом видео говориться, что тонкий черный провод не надо подключать, это влияет на работу стабилизатора тока (если он есть).
НЕ НАДО СОЕДИНЯТЬ МИНУСЫ (был не прав )
Вероятно + питания и +измеряемой цепи внутри прибора соединяются (может через диод)
Такое ощущение что никто не использует этот прибор с раздельным питанием и твои грабли первые.
Lunatic
Мастер
Сообщения: 460
Зарегистрирован: 09 мар 2015, 20:25
Репутация: 75
Настоящее имя: Дмитрий
Контактная информация:

Re: Подключение вольтамперметра

Сообщение Lunatic »

https://www.tool-electric.ru/2018/12/yb27va.html?m=1
Вот статья со схемой.
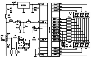
YB27VA.png (3267 просмотров) <a class='original' href='./download/file.php?id=169020&mode=view' target=_blank>Загрузить оригинал (27.16 КБ)</a>
На схеме есть перемычка R2 которая соединяет +12В и +42В. С ней получается что блоки питания 12 и 42 В соединены параллельно. Если ее убрать то должно работать.
lkbyysq
Мастер
Сообщения: 2284
Зарегистрирован: 14 май 2016, 09:40
Репутация: 346
Настоящее имя: Станислав Ерофеев
Откуда: Санкт-Петербург

Re: Подключение вольтамперметра

Сообщение lkbyysq »

Правильное.
lkbyysq
Мастер
Сообщения: 2284
Зарегистрирован: 14 май 2016, 09:40
Репутация: 346
Настоящее имя: Станислав Ерофеев
Откуда: Санкт-Петербург

Re: Подключение вольтамперметра

Сообщение lkbyysq »

Lunatic писал(а):На схеме есть перемычка R2 которая соединяет +12В и +42В. С ней получается что блоки питания 12 и 42 В соединены параллельно
Вот и дым минусового провода 12В.
Аватара пользователя
daemon78
Мастер
Сообщения: 1693
Зарегистрирован: 02 окт 2018, 15:02
Репутация: 103
Настоящее имя: Владимир
Откуда: Москва
Контактная информация:

Re: Подключение вольтамперметра

Сообщение daemon78 »

Lunatic, lkbyysq огромное спасибо за ссылки и желание помочь.
Посмотрел видео, прочитал статью, но так и не понял, что я сделал не правильно.
Вообщем решил послать все ф топку и поставить просто светодиод для индикации, ибо грабли не смог идентифицировать, так как не электронщик :(
Lunatic писал(а):Если ее убрать то должно работать.
Не представляю где она в приборе
lkbyysq писал(а):Вот и дым минусового провода 12В.
Не хватает знаний чтобы понять причину этого

Еще раз спасибо
Последний раз редактировалось daemon78 17 сен 2019, 14:13, всего редактировалось 1 раз.
Lunatic
Мастер
Сообщения: 460
Зарегистрирован: 09 мар 2015, 20:25
Репутация: 75
Настоящее имя: Дмитрий
Контактная информация:

Re: Подключение вольтамперметра

Сообщение Lunatic »

А вот более правильная схема и ссылка на форум с обсуждением.
https://forum.cxem.net/index.php?/topic ... dsn-vc288/
DSN-VC288 - V1 (1).pdf
(43 КБ) 278 скачиваний
Сейчас времени нет разбираться, может кто поможет.
lkbyysq
Мастер
Сообщения: 2284
Зарегистрирован: 14 май 2016, 09:40
Репутация: 346
Настоящее имя: Станислав Ерофеев
Откуда: Санкт-Петербург

Re: Подключение вольтамперметра

Сообщение lkbyysq »

daemon78 писал(а):так и не понял, что я сделал не правильно.
Если есть перемычка, то два питания нельзя подавать.
Думаю, что Вы не виноваты. Китайцы дали кривое описание.
Аватара пользователя
daemon78
Мастер
Сообщения: 1693
Зарегистрирован: 02 окт 2018, 15:02
Репутация: 103
Настоящее имя: Владимир
Откуда: Москва
Контактная информация:

Re: Подключение вольтамперметра

Сообщение daemon78 »

lkbyysq писал(а):Китайцы дали кривое описание.
Что то я теперь не уверен.
Вот сайт Российского продавца
http://voltozar.ru/ampervolt-dc0-100v-10a-red-blue
Та же схема
Lunatic
Мастер
Сообщения: 460
Зарегистрирован: 09 мар 2015, 20:25
Репутация: 75
Настоящее имя: Дмитрий
Контактная информация:

Re: Подключение вольтамперметра

Сообщение Lunatic »

Если это DSN-VC288 то согласно схеме черные тонкий и толстый замкнуты внутри (общая земля) и не вижу причины, почему оно задымилось. Может цвета перепутаны на разъеме с тонкими проводами? Должно быть 1-2-3 Желтый-черный-красный.
lkbyysq
Мастер
Сообщения: 2284
Зарегистрирован: 14 май 2016, 09:40
Репутация: 346
Настоящее имя: Станислав Ерофеев
Откуда: Санкт-Петербург

Re: Подключение вольтамперметра

Сообщение lkbyysq »

Lunatic писал(а):Если это DSN-VC288...
А если не если? Только прозвон цепей спасет.
Lunatic
Мастер
Сообщения: 460
Зарегистрирован: 09 мар 2015, 20:25
Репутация: 75
Настоящее имя: Дмитрий
Контактная информация:

Re: Подключение вольтамперметра

Сообщение Lunatic »

lkbyysq писал(а):
Lunatic писал(а):Если это DSN-VC288...
А если не если? Только прозвон цепей спасет.
В англоязычном интернете я нашел описание 4-х или 5-и похожих приборов с разными схемами и названиями. Т.к. первоначальная ссылка на ali была именно на DSN-VC288, то надеюсь что это именно он, название на печатной плате написано. Просто китайцы могли что-нибудь похожее прислать, а не все модели умеют двойное питание. Так-же есть упоминание, что маркировка цветов иногда меняется у продавцов, поэтому проверить стоит.
Аватара пользователя
daemon78
Мастер
Сообщения: 1693
Зарегистрирован: 02 окт 2018, 15:02
Репутация: 103
Настоящее имя: Владимир
Откуда: Москва
Контактная информация:

Re: Подключение вольтамперметра

Сообщение daemon78 »

Ларчик открывался просто.
Из пяти вольтамперметров 4 оказались бракованными.
Я все подключал под одной схеме, и только один заработал нормально
Аватара пользователя
xvovanx
Мастер
Сообщения: 3775
Зарегистрирован: 25 фев 2016, 12:27
Репутация: 920
Настоящее имя: Владимир
Откуда: Latvia
Контактная информация:

Re: Подключение вольтамперметра

Сообщение xvovanx »

daemon78 писал(а):Из пяти вольтамперметров 4 оказались бракованными
В 4-ех китайцы перемычку запаяли между двумя напругами, а в 5-ом поленились :)
Ответить

Вернуться в «Электроника»