Yaskawa, силовая обвязка.
-
SVP
- Мастер
- Сообщения: 6140
- Зарегистрирован: 19 дек 2012, 15:49
- Репутация: 884
- Откуда: Москва
- Контактная информация:
Re: Yaskawa, силовая обвязка.
3X100 вроде бы не просаживают сеть вообще.
Но конденсаторы там видать и правда довольно могучие, гаснут они только через несколько секунд после отключения питания.
Но конденсаторы там видать и правда довольно могучие, гаснут они только через несколько секунд после отключения питания.
-
aftaev
- Зачётный участник

- Сообщения: 34042
- Зарегистрирован: 04 апр 2010, 19:22
- Репутация: 6194
- Откуда: Казахстан.
- Контактная информация:
Re: Yaskawa, силовая обвязка.
когда 4ретаких сервы втыкаю в розетку, искра приличнаяSVP писал(а):3X100 вроде бы не просаживают сеть вообще.
Дилетанту сложные вещи кажутся очень простыми, и только профессионал понимает насколько сложна самая простая вещь
Кто хочет - ищет возможности, кто не хочет - ищет оправдание.
Найди работу по душе и тебе не придется работать.
Кто хочет - ищет возможности, кто не хочет - ищет оправдание.
Найди работу по душе и тебе не придется работать.
-
SVP
- Мастер
- Сообщения: 6140
- Зарегистрирован: 19 дек 2012, 15:49
- Репутация: 884
- Откуда: Москва
- Контактная информация:
Re: Yaskawa, силовая обвязка.
Ммм... по estop скидывать питание прям ?UAVpilot писал(а):Авария - это срабатывание какого-либо аварийного датчика: наезд на концевик, E-Stop и т.п.
Сейчас посмотрел на распиновку сервопака, что-то не вижу там и правда для estop никаких отдельных пинов.
Неужели обрубать по питанию ?
Мне казалось лучше скидывать всякие Servo on итп... т.е. запрещать движение, чтобы он начинал тормозить по-полной.
Для 100вт разницы большой нет конечно, но хочется "по уму".
-
aftaev
- Зачётный участник

- Сообщения: 34042
- Зарегистрирован: 04 апр 2010, 19:22
- Репутация: 6194
- Откуда: Казахстан.
- Контактная информация:
Re: Yaskawa, силовая обвязка.
даSVP писал(а):Неужели обрубать по питанию ?
Дилетанту сложные вещи кажутся очень простыми, и только профессионал понимает насколько сложна самая простая вещь
Кто хочет - ищет возможности, кто не хочет - ищет оправдание.
Найди работу по душе и тебе не придется работать.
Кто хочет - ищет возможности, кто не хочет - ищет оправдание.
Найди работу по душе и тебе не придется работать.
-
SVP
- Мастер
- Сообщения: 6140
- Зарегистрирован: 19 дек 2012, 15:49
- Репутация: 884
- Откуда: Москва
- Контактная информация:
Re: Yaskawa, силовая обвязка.
Оттормозит на конденсаторах ?aftaev писал(а):даSVP писал(а):Неужели обрубать по питанию ?
- alexg-nn
- Мастер
- Сообщения: 793
- Зарегистрирован: 08 фев 2015, 12:45
- Репутация: 127
- Настоящее имя: Алексей
- Откуда: Нижний Новгород
- Контактная информация:
Re: Yaskawa, силовая обвязка.
Сервопаки вроде имеют некий Dynamic brake - хитрое замыкание обмоток мотора релюхой внутри усилителя. Как я понял, это здорово увеличивает момент на валу. И работает он как раз в условиях отключения питания.
-
aftaev
- Зачётный участник

- Сообщения: 34042
- Зарегистрирован: 04 апр 2010, 19:22
- Репутация: 6194
- Откуда: Казахстан.
- Контактная информация:
Re: Yaskawa, силовая обвязка.
на моем 6т80ш 2 режима: ручной и ЧПУ. Ручной это когда можно ручками крутить ручки осей. Моторы прикручены всегда к осям, и если крутить ручки с подключенными сервами то тяжковато получается, потому через пускатели моторы откидываются от привода чтобы моторы не тормозили и не мешали работать в ручном режиме 
Дилетанту сложные вещи кажутся очень простыми, и только профессионал понимает насколько сложна самая простая вещь
Кто хочет - ищет возможности, кто не хочет - ищет оправдание.
Найди работу по душе и тебе не придется работать.
Кто хочет - ищет возможности, кто не хочет - ищет оправдание.
Найди работу по душе и тебе не придется работать.
- N1X
- Мастер
- Сообщения: 3653
- Зарегистрирован: 16 фев 2015, 21:19
- Репутация: 1646
- Настоящее имя: Владимир
- Откуда: Беларусь, Гомель
- Контактная информация:
Re: Yaskawa, силовая обвязка.
http://siemens71.ru/new/cat.php?fn=10047575SVP писал(а):непонятно с супрессором
Именитые бренды делают такие, втыкающиеся прямо в их контакторы.
Есть варианты которые втыкаются проводами параллельно катешке контактора, они универсальны.
В совковых станках у нас просто гетинаксовые платки с последовательно включенными резистором и конденсатором (тогда не было варисторов... Ща проще подобрать варистор, либо симметричный супрессор (1,5КЕ с СА на конце на нужное напряжение срабатывания)... Последний вариант самый дешевый.
На половине станков эти цепочки уже повыкушены нафик... Ниче, в общем терпимо... Но лучше поставить...
- Serg
- Мастер
- Сообщения: 21923
- Зарегистрирован: 17 апр 2012, 14:58
- Репутация: 5183
- Заслуга: c781c134843e0c1a3de9
- Настоящее имя: Сергей
- Откуда: Москва
- Контактная информация:
Re: Yaskawa, силовая обвязка.
Зависит от ваших требований, как надо так и делайте.SVP писал(а):Ммм... по estop скидывать питание прям ?
Практически все сервоприводы с синхронными моторами в обесточенном состоянии или при неактивном S-ON подтормаживают моторы.
Релюхой подключается разрядный резистор в цепь питания, а обмотки "автоматически замыкаются" через защитные диоды выходных транзисторов на этот резистор. При включенном питании и снятом S-ON просто все нижние плечи выходных каскадов держаться в открытом состоянии.alexg-nn писал(а):Сервопаки вроде имеют некий Dynamic brake - хитрое замыкание обмоток мотора релюхой внутри усилителя.
Я не Христос, рыбу не раздаю, но могу научить, как сделать удочку...
- N1X
- Мастер
- Сообщения: 3653
- Зарегистрирован: 16 фев 2015, 21:19
- Репутация: 1646
- Настоящее имя: Владимир
- Откуда: Беларусь, Гомель
- Контактная информация:
Re: Yaskawa, силовая обвязка.
у нас в старых станках грибок был подключен так, что при его нажатии срабатывала цепочка, снимающая питание с ON приводов, и в то же время было включено реле, не дающее вырубиться силовухе, а подпитывалось это реле сигналом n≠0 главного привода (т.к. подачи то быстро становятся, а вот выбег шпинделя по ТБ не должен превышать 3с). Когда привод остановился сигнал вывешивается, реле отключается и вырубает главный контактор...
- alexg-nn
- Мастер
- Сообщения: 793
- Зарегистрирован: 08 фев 2015, 12:45
- Репутация: 127
- Настоящее имя: Алексей
- Откуда: Нижний Новгород
- Контактная информация:
Re: Yaskawa, силовая обвязка.
Поинтересуюсь околосиловым моментом
На какую мощность должен быть рассчитан источник питания 24В? Это ведь чисто логический уровень, силовые элементы же им не запитываются.
Скажем, в конфигурации 3-х сервопаков, концевиков к ним и частотником (там тоже на входы управления 24В вроде) на какую цифру ориентироваться?
Скажем, в конфигурации 3-х сервопаков, концевиков к ним и частотником (там тоже на входы управления 24В вроде) на какую цифру ориентироваться?
-
aftaev
- Зачётный участник

- Сообщения: 34042
- Зарегистрирован: 04 апр 2010, 19:22
- Репутация: 6194
- Откуда: Казахстан.
- Контактная информация:
Re: Yaskawa, силовая обвязка.
если тормоз моторов не запитывать, меньше 1А должно хватить. Ставил БП от ноутбука 
Дилетанту сложные вещи кажутся очень простыми, и только профессионал понимает насколько сложна самая простая вещь
Кто хочет - ищет возможности, кто не хочет - ищет оправдание.
Найди работу по душе и тебе не придется работать.
Кто хочет - ищет возможности, кто не хочет - ищет оправдание.
Найди работу по душе и тебе не придется работать.
- alexg-nn
- Мастер
- Сообщения: 793
- Зарегистрирован: 08 фев 2015, 12:45
- Репутация: 127
- Настоящее имя: Алексей
- Откуда: Нижний Новгород
- Контактная информация:
Re: Yaskawa, силовая обвязка.
Кроме того, если использовать контактор на 24в, то его мощность тоже надо учитывать, он же по большому счёту всё время потребляет, пока замкнут. Так? )
- alexg-nn
- Мастер
- Сообщения: 793
- Зарегистрирован: 08 фев 2015, 12:45
- Репутация: 127
- Настоящее имя: Алексей
- Откуда: Нижний Новгород
- Контактная информация:
Re: Yaskawa, силовая обвязка.
Кстати, по поводу контакторов. Они подбираются, как я понял, мало того, что по мощности, но ещё и по виду коммутируемой нагрузки. Все эти хитрые обозначение АС-1,-3 и т.д. вот тут написаны
В связи с этим встаёт вопрос, а к какой категории относится сервопривод? Вроде бы это двигатель, но мы же не напрямую фазы щёлкаем, а запитываем только сервоусилитель, он уже сам рулит. Так вот сам усилитель по отношению к питающей сети - это какая категория нагрузки? В мануалах сервопака что то не нашёл таких терминов, там только токи потребления оговариваются. Я в электротехнике немного нуб, так что не пинайте сразу
ЗЫ
Такой же вопрос к частотнику - он сам формирует нужные фазы для двигателя, но при этом как нагружает сеть?
В связи с этим встаёт вопрос, а к какой категории относится сервопривод? Вроде бы это двигатель, но мы же не напрямую фазы щёлкаем, а запитываем только сервоусилитель, он уже сам рулит. Так вот сам усилитель по отношению к питающей сети - это какая категория нагрузки? В мануалах сервопака что то не нашёл таких терминов, там только токи потребления оговариваются. Я в электротехнике немного нуб, так что не пинайте сразу
ЗЫ
Такой же вопрос к частотнику - он сам формирует нужные фазы для двигателя, но при этом как нагружает сеть?
- N1X
- Мастер
- Сообщения: 3653
- Зарегистрирован: 16 фев 2015, 21:19
- Репутация: 1646
- Настоящее имя: Владимир
- Откуда: Беларусь, Гомель
- Контактная информация:
Re: Yaskawa, силовая обвязка.
Ну скажем что это точно не индуктивная нагрузка... Но и нельзя сказать что она емкостная, т.к. на входе диодный мост. Упрощенно можно сказать что это безиндуктивная нагрузка.
В любом случае здесь тип контактора не особо будет играть роль, при включении конечно есть бросок тока, но это не критично, для контактора наиболее тяжелый режим - выключение (а оно здесь в легком режиме, можно сказать что на холостом ходу). Тем более что частота сработки здесь никакая. В общем не стоит париться, брать просто по току...
С частотником то же самое...
В любом случае здесь тип контактора не особо будет играть роль, при включении конечно есть бросок тока, но это не критично, для контактора наиболее тяжелый режим - выключение (а оно здесь в легком режиме, можно сказать что на холостом ходу). Тем более что частота сработки здесь никакая. В общем не стоит париться, брать просто по току...
С частотником то же самое...
- alexg-nn
- Мастер
- Сообщения: 793
- Зарегистрирован: 08 фев 2015, 12:45
- Репутация: 127
- Настоящее имя: Алексей
- Откуда: Нижний Новгород
- Контактная информация:
Re: Yaskawa, силовая обвязка.
Я потому и задал вопрос про нагрузку. Вот, например, контактор Сименс 3RT1016-1BB41 на 4кВт.N1X писал(а): брать просто по току
При включении АС-3 у него 9А максимум, а если АС-1 - уже 20А. И ещё момент, трёхполюсный же контактор пойдёт на 1 фазное включение (на всякий случай спрашиваю, потому как уверен, что подойдёт
- N1X
- Мастер
- Сообщения: 3653
- Зарегистрирован: 16 фев 2015, 21:19
- Репутация: 1646
- Настоящее имя: Владимир
- Откуда: Беларусь, Гомель
- Контактная информация:
Re: Yaskawa, силовая обвязка.
Бери по АС-1. Т.к. при отключении дугу на контактах он тянуть не будет, то будет работать как раз как на чисто активную нагрузку...
Использовать можно. Единственное что нужно смотреть (это касается любого включения) чтобы подключал к силовым контактам. У нектоторых на голове 4 контактных группы, причем визуально и размеры болтов и расположение ни о чем не говорт. Но первые 3 фазные, а 4й - контролька. Слаботочный контакт без дугогасителя (Для цепей контроля и управления). Это видно по обозначению, на это нужно обращать внимание.
Использовать можно. Единственное что нужно смотреть (это касается любого включения) чтобы подключал к силовым контактам. У нектоторых на голове 4 контактных группы, причем визуально и размеры болтов и расположение ни о чем не говорт. Но первые 3 фазные, а 4й - контролька. Слаботочный контакт без дугогасителя (Для цепей контроля и управления). Это видно по обозначению, на это нужно обращать внимание.
- alexg-nn
- Мастер
- Сообщения: 793
- Зарегистрирован: 08 фев 2015, 12:45
- Репутация: 127
- Настоящее имя: Алексей
- Откуда: Нижний Новгород
- Контактная информация:
Re: Yaskawa, силовая обвязка.
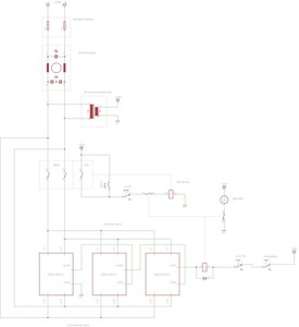
Набросал схемку силовой части с контактором на 24В и соответствующим источником питания.
Прошу знающих окинуть взглядом на всякий пожарный
Вопросы.
1) Имеет ли смысл переносить ветку с e-stop кнопкой и концевиками в цепь контактора или оставить их в цепи реле аварии.
2) Фильтр помех должен заземляться. Где ж его (заземление) взять, если в квартире только фаза и ноль.
Не подключать землю или фильтр не ставить?
3) Автомат защиты, насколько я понял, нужен сдвоенный, с общей ручкой, чтоб рвал и фазу и ноль, так?
ЗЫ
В Eagle не нашёл половины нужных элементов, так что не пинайте - питание 24В это не просто трансформатор
Прошу знающих окинуть взглядом на всякий пожарный
1) Имеет ли смысл переносить ветку с e-stop кнопкой и концевиками в цепь контактора или оставить их в цепи реле аварии.
2) Фильтр помех должен заземляться. Где ж его (заземление) взять, если в квартире только фаза и ноль.
3) Автомат защиты, насколько я понял, нужен сдвоенный, с общей ручкой, чтоб рвал и фазу и ноль, так?
ЗЫ
В Eagle не нашёл половины нужных элементов, так что не пинайте - питание 24В это не просто трансформатор
- N1X
- Мастер
- Сообщения: 3653
- Зарегистрирован: 16 фев 2015, 21:19
- Репутация: 1646
- Настоящее имя: Владимир
- Откуда: Беларусь, Гомель
- Контактная информация:
Re: Yaskawa, силовая обвязка.
Фильтр помех как по мне лучше воткнуть непосредственно на входе в силу приводов (во всяком случае обычно так сделано)...
Цепь грибка в общем можно и не трогать... в данном случае как по мне принципиальной разницы нет... Можно конечно говорить "а вдруг реле залипнет" и т.п., но как по мне - монопенисуально...
Вводной автомат обычно рвет рабочий ноль и фазу.
Если нет земли, то стоит рассмотреть возможность затянуть провод с корпуса этажного щита, если есть такая возможность, либо забить контур под окном, если опять же есть такая возможность... Просто как по мне - когда речь о станке то наличие земли либо защитного зануления вещь не лишняя...
Цепь грибка в общем можно и не трогать... в данном случае как по мне принципиальной разницы нет... Можно конечно говорить "а вдруг реле залипнет" и т.п., но как по мне - монопенисуально...
Вводной автомат обычно рвет рабочий ноль и фазу.
Если нет земли, то стоит рассмотреть возможность затянуть провод с корпуса этажного щита, если есть такая возможность, либо забить контур под окном, если опять же есть такая возможность... Просто как по мне - когда речь о станке то наличие земли либо защитного зануления вещь не лишняя...
-
SVP
- Мастер
- Сообщения: 6140
- Зарегистрирован: 19 дек 2012, 15:49
- Репутация: 884
- Откуда: Москва
- Контактная информация:
Re: Yaskawa, силовая обвязка.
Обычно нуля нет и в щитке 