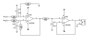
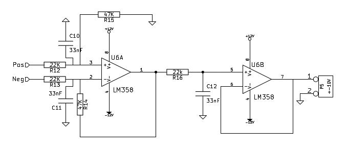
через такого зверя СМ102 (довольно распространённая) жаба душила использовать выход 7i37
решил попробовать напрямую подать шим с 7i43 на вход платки
заработала, но давала на выходе максимум 6.5 вольт вместо 10,
изменение в хал параметра pwm_frequency не помогло.
проблема решилась заменой сопротивления R58
родное было (1ком) заменено на 430ом
таперича держит вольтаж четко, до 0.1 вольта
на фоте пометил
надеюсь кому-нить пригодится
