Сервопак kinetix 3 Allen Bradley

Контроллеры, драйверы, датчики, управляющие устройства.
копол
Опытный
Сообщения: 190
Зарегистрирован: 19 янв 2018, 22:57
Репутация: 3
Настоящее имя: саша
Контактная информация:

Сервопак kinetix 3 Allen Bradley

Сообщение копол »

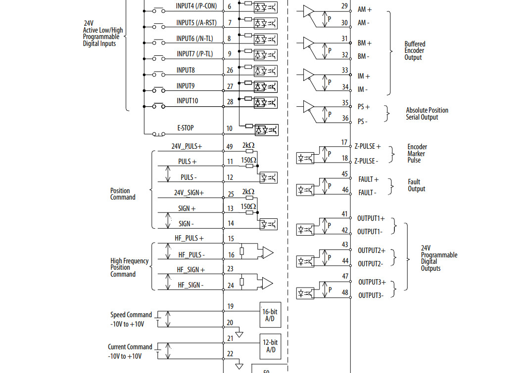
Имеется такой сервопак Allen Bradley, очень мало инфы про него, главный вопрос степ дир с компьютера будет работать или ему нужен интерфейсный контроллер и своя шина данных?
16704393760354463886534922255822.jpg (1126 просмотров) <a class='original' href='./download/file.php?id=205773&mode=view' target=_blank>Загрузить оригинал (3.49 МБ)</a>
Kulibin74
Почётный участник
Почётный участник
Сообщения: 665
Зарегистрирован: 08 апр 2013, 15:33
Репутация: 65
Настоящее имя: Сергей Александрович
Откуда: Москва
Контактная информация:

Re: Сервопак kinetix 3 Allen Bradley

Сообщение Kulibin74 »

Очень похож на omron он же samsung chdj он же allen bradley. Только вчера видел такой на ebay.
Kulibin74
Почётный участник
Почётный участник
Сообщения: 665
Зарегистрирован: 08 апр 2013, 15:33
Репутация: 65
Настоящее имя: Сергей Александрович
Откуда: Москва
Контактная информация:

Re: Сервопак kinetix 3 Allen Bradley

Сообщение Kulibin74 »

Евжений
Мастер
Сообщения: 1168
Зарегистрирован: 05 апр 2016, 20:18
Репутация: 136
Настоящее имя: Жэзэрэл
Откуда: Там, сям.
Контактная информация:

Re: Сервопак kinetix 3 Allen Bradley

Сообщение Евжений »

копол писал(а): степ дир
2022-12-13_072751.jpg (1034 просмотра) <a class='original' href='./download/file.php?id=205859&mode=view' target=_blank>Загрузить оригинал (154.58 КБ)</a>
Вроде есть.
ВК https://vk.com/id353124059
О Боже, дай мне .... пендель!
копол
Опытный
Сообщения: 190
Зарегистрирован: 19 янв 2018, 22:57
Репутация: 3
Настоящее имя: саша
Контактная информация:

Re: Сервопак kinetix 3 Allen Bradley

Сообщение копол »

Да я видел но засомневался
Ответить

Вернуться в «Электроника»