Какое устройство использовать и возможно ли воплотить схему в жизнь?

Контроллеры, драйверы, датчики, управляющие устройства.
Аватара пользователя
Doktordrew
Кандидат
Сообщения: 97
Зарегистрирован: 15 фев 2017, 21:16
Репутация: 12
Настоящее имя: Андрей Геннадьевич
Откуда: Челябинск
Контактная информация:

Re: Какое устройство использовать и возможно ли воплотить схему в жизнь?

Сообщение Doktordrew »

Либо вот этот вариант https://aliexpress.ru/item/32909391527. ... _id=272343
Аватара пользователя
Doktordrew
Кандидат
Сообщения: 97
Зарегистрирован: 15 фев 2017, 21:16
Репутация: 12
Настоящее имя: Андрей Геннадьевич
Откуда: Челябинск
Контактная информация:

Re: Какое устройство использовать и возможно ли воплотить схему в жизнь?

Сообщение Doktordrew »

Doktordrew писал(а): Либо вот этот вариант https://aliexpress.ru/item/32909391527. ... _id=272343
Кстати, говоря. Кто может пояснить, почему на этой плате управления выходные клеммы step, dir, ena и +5V дублируются такими же разъемам?
Далее, на пульте управления есть кнопка MPG ON/OFF, то есть, я так полагаю - включение/отключение пульта. То есть при включенной кнопке MPG ON/OFF на каком-то каскаде клемм пин "ENA" выдает сигнал о включенных осях. Может есть смысл задействовать этот сигнал и привязать его на контроллер http://inoplk.ru/1/plc/ на входной сигнал и прописать чтобы при наличии сигнала происходило включение нескольких реле (таким образом сигналы с платы пойдут на клеммы соответствующих сигналов драйвера), а при отсутствии сигнала - включается другое реле (и на клеммы драйвера идут сигналы с платы HF).
Ваше мнения, друзья!?
D.L.
Мастер
Сообщения: 474
Зарегистрирован: 25 авг 2018, 10:11
Репутация: 152
Настоящее имя: Дмитрий
Откуда: Киров
Контактная информация:

Re: Какое устройство использовать и возможно ли воплотить схему в жизнь?

Сообщение D.L. »

Для любой из этих плат нужен комп с мач3 или для автономной работы необходимо переписать прошивку для микроконтроллера на плате.
Doktordrew писал(а): Кстати, говоря. Кто может пояснить, почему на этой плате управления выходные клеммы step, dir, ena и +5V дублируются такими же разъемам?
Для удобства подключения, если есть провода с обжатыми разъёмами:
drv.jpg (948 просмотров) <a class='original' href='./download/file.php?id=201960&sid=9f0aab0d7183f5a357d1a88618217c78&mode=view' target=_blank>Загрузить оригинал (41.97 КБ)</a>
Аватара пользователя
Doktordrew
Кандидат
Сообщения: 97
Зарегистрирован: 15 фев 2017, 21:16
Репутация: 12
Настоящее имя: Андрей Геннадьевич
Откуда: Челябинск
Контактная информация:

Re: Какое устройство использовать и возможно ли воплотить схему в жизнь?

Сообщение Doktordrew »

D.L. писал(а): Для удобства подключения, если есть провода с обжатыми разъёмами:
Спасибо за разъяснение. Одним вопросом меньше)
D.L.
Мастер
Сообщения: 474
Зарегистрирован: 25 авг 2018, 10:11
Репутация: 152
Настоящее имя: Дмитрий
Откуда: Киров
Контактная информация:

Re: Какое устройство использовать и возможно ли воплотить схему в жизнь?

Сообщение D.L. »

Doktordrew писал(а): Далее, на пульте управления есть кнопка MPG ON/OFF, то есть, я так полагаю - включение/отключение пульта.
Если это обычный пульт с маховичком, то это просто кнопка, ни к чему не подключенная, которую нужно завести в чпу или в плк, и уже их средствами обрабатывать.
Doktordrew писал(а): Может есть смысл задействовать этот сигнал и привязать его на контроллер http://inoplk.ru/1/plc/ на входной сигнал и прописать чтобы при наличии сигнала происходило включение нескольких реле (таким образом сигналы с платы пойдут на клеммы соответствующих сигналов драйвера), а при отсутствии сигнала - включается другое реле (и на клеммы драйвера идут сигналы с платы HF).
Можно так сделать. Если решили использовать реле для коммутации сигналов, то тогда достаточно использовать одно реле с несколькими переключающими группами контактов.
Аватара пользователя
Doktordrew
Кандидат
Сообщения: 97
Зарегистрирован: 15 фев 2017, 21:16
Репутация: 12
Настоящее имя: Андрей Геннадьевич
Откуда: Челябинск
Контактная информация:

Re: Какое устройство использовать и возможно ли воплотить схему в жизнь?

Сообщение Doktordrew »

D.L. писал(а): то тогда достаточно использовать одно реле с несколькими переключающими группами контактов.
Можете подсказать варианты?
D.L.
Мастер
Сообщения: 474
Зарегистрирован: 25 авг 2018, 10:11
Репутация: 152
Настоящее имя: Дмитрий
Откуда: Киров
Контактная информация:

Re: Какое устройство использовать и возможно ли воплотить схему в жизнь?

Сообщение D.L. »

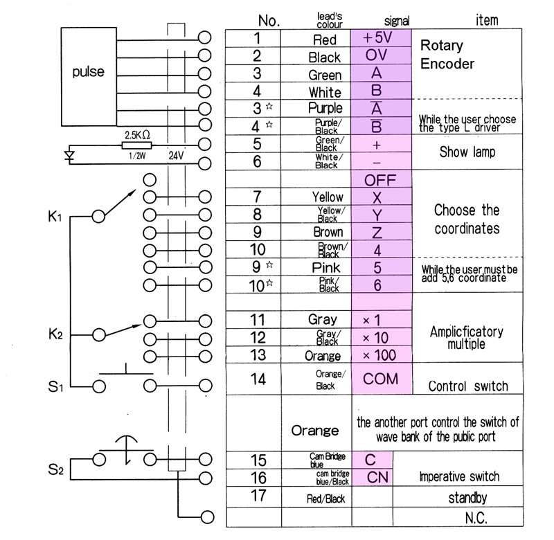
Вот схема типичного пульта, никакой электроники в нём нет:
mpg.jpg (938 просмотров) <a class='original' href='./download/file.php?id=201961&sid=9f0aab0d7183f5a357d1a88618217c78&mode=view' target=_blank>Загрузить оригинал (115.27 КБ)</a>
Аватара пользователя
Doktordrew
Кандидат
Сообщения: 97
Зарегистрирован: 15 фев 2017, 21:16
Репутация: 12
Настоящее имя: Андрей Геннадьевич
Откуда: Челябинск
Контактная информация:

Re: Какое устройство использовать и возможно ли воплотить схему в жизнь?

Сообщение Doktordrew »

D.L. писал(а): Если это обычный пульт с маховичком, то это просто кнопка, ни к чему не подключенная, которую нужно завести в чпу или в плк, и уже их средствами обрабатывать.
Я так понял в этом наборе на али, этот пульт кнопочный, без маховика. У нас на Sodickе похожий пульт, только функций больше, и там оси U/V активируются кнопкой на пульте, примерно так же как в этом варианте.
Аватара пользователя
Doktordrew
Кандидат
Сообщения: 97
Зарегистрирован: 15 фев 2017, 21:16
Репутация: 12
Настоящее имя: Андрей Геннадьевич
Откуда: Челябинск
Контактная информация:

Re: Какое устройство использовать и возможно ли воплотить схему в жизнь?

Сообщение Doktordrew »

D.L. писал(а): Вот схема типичного пульта, никакой электроники в нём нет:
https://aliexpress.ru/item/32909391527. ... 6673397519
Здесь немного другой пульт, вроде бы, без штурвала (генератора импульсов).
D.L.
Мастер
Сообщения: 474
Зарегистрирован: 25 авг 2018, 10:11
Репутация: 152
Настоящее имя: Дмитрий
Откуда: Киров
Контактная информация:

Re: Какое устройство использовать и возможно ли воплотить схему в жизнь?

Сообщение D.L. »

Doktordrew писал(а): Можете подсказать варианты?
https://www.chipdip.ru/catalog-show/ele ... ?x.916=n3U
На 4ре группы, напряжение обмотки реле подберёте сами.
Покупать тут не обязательно, главное найти название реле с нужными параметрами, а потом купить где-нить в другом мести.
Так-же можно искать в диджикее.
Про этот пульт ничего не скажу, скорее всего в нём так-же обычные кнопки, только эта плата с пультом не будет работать без компа с мач3.
Аватара пользователя
Doktordrew
Кандидат
Сообщения: 97
Зарегистрирован: 15 фев 2017, 21:16
Репутация: 12
Настоящее имя: Андрей Геннадьевич
Откуда: Челябинск
Контактная информация:

Re: Какое устройство использовать и возможно ли воплотить схему в жизнь?

Сообщение Doktordrew »

D.L. писал(а): только эта плата с пультом не будет работать без компа с мач3.
тогда отпадает((
Аватара пользователя
Doktordrew
Кандидат
Сообщения: 97
Зарегистрирован: 15 фев 2017, 21:16
Репутация: 12
Настоящее имя: Андрей Геннадьевич
Откуда: Челябинск
Контактная информация:

Re: Какое устройство использовать и возможно ли воплотить схему в жизнь?

Сообщение Doktordrew »

D.L. писал(а): Про этот пульт ничего не скажу, скорее всего в нём так-же обычные кнопки, только эта плата с пультом не будет работать без компа с мач3.
Узнал у китайцев - он действительно без связи с Mach3 не работает.
Аватара пользователя
Doktordrew
Кандидат
Сообщения: 97
Зарегистрирован: 15 фев 2017, 21:16
Репутация: 12
Настоящее имя: Андрей Геннадьевич
Откуда: Челябинск
Контактная информация:

Re: Какое устройство использовать и возможно ли воплотить схему в жизнь?

Сообщение Doktordrew »

А возможно ли сделать так:
1. Набором каких-то микросхем собрать на плате компактное устройство, которое помещается шкаф управления (например, на дин-рейку) и имеет следующие функции: а) преобразовывает сигнал от штурвала в step/dir; б) осуществляет перенаправление сигналов от штурвала на серводрайвер или от платы станка на серводрайвер (лучше всего применить это задействовав на китайском пульте селектор "OFF/X/Y/Z" - при переключении селектора в положение OFF - происходит отключение пульта, а сигналы с платы станка наоборот, подключаются на серводрайвер; в) производит переключение между управляемыми осями, когда происходит управление с маховика; г) и решить вопрос с переключением скорости х1/х10/х100 - как я понимаю, это необходимо как-то запрограммировать на нужные параметры, чтобы иметь необходимую скорость движения на заданном положении переключателя.
Если возможно, тогда ищем исполнителя, кто все это сделает грамотно.
Kost_irk
Мастер
Сообщения: 1000
Зарегистрирован: 19 июл 2018, 07:46
Репутация: 194
Откуда: Иркутск
Контактная информация:

Re: Какое устройство использовать и возможно ли воплотить схему в жизнь?

Сообщение Kost_irk »

Doktordrew писал(а): Если возможно, тогда ищем исполнителя, кто все это сделает грамотно.
Это возможно, но готовьте приличные суммы на разработку, либо готовьтесть к поделкам студентов.
kfmut
Мастер
Сообщения: 1249
Зарегистрирован: 30 янв 2021, 21:34
Репутация: 147
Настоящее имя: Максим
Откуда: г.Тверь
Контактная информация:

Re: Какое устройство использовать и возможно ли воплотить схему в жизнь?

Сообщение kfmut »

Doktordrew писал(а): Если возможно
У вас в любом случае будет микроконтроллер с обвязкой, как и писали выше; логика работы по желанию и качеству составленного для исполнителя ТЗ. При серийности в 3-4 штуки будет стоить как пароход...хотя для предприятия может быть другое понимание что есть норм, а что нет.
Аватара пользователя
Doktordrew
Кандидат
Сообщения: 97
Зарегистрирован: 15 фев 2017, 21:16
Репутация: 12
Настоящее имя: Андрей Геннадьевич
Откуда: Челябинск
Контактная информация:

Re: Какое устройство использовать и возможно ли воплотить схему в жизнь?

Сообщение Doktordrew »

kfmut писал(а): хотя для предприятия может быть другое понимание что есть норм, а что нет.
"Предприятие предприятию рознь". ИПшник в гараже - тоже "предприятие")))
Kost_irk писал(а): Это возможно, но готовьте приличные суммы на разработку, либо готовьтесть к поделкам студентов.
Смотря что понимается под приличными суммами.
Да и, скорее всего, не будет иметь смысла - если на один станок это устройство будет дороже 30т.р.
В случае, если разработка и изготовление из расчета на один станок будет близка к 100-200т.р. - на этих станках проще работать "по старинке", так как окупит оно себя не скоро.
Kost_irk
Мастер
Сообщения: 1000
Зарегистрирован: 19 июл 2018, 07:46
Репутация: 194
Откуда: Иркутск
Контактная информация:

Re: Какое устройство использовать и возможно ли воплотить схему в жизнь?

Сообщение Kost_irk »

Doktordrew писал(а): Да и, скорее всего, не будет иметь смысла - если на один станок это устройство будет дороже 30т.р.
В случае, если разработка и изготовление из расчета на один станок будет близка к 100-200т.р. - на этих станках проще работать "по старинке", так как окупит оно себя не скоро.
Я про то и вещаю, что 30к это бюджет на студенческую поделку. Или вы готовы на заказ сразу нескольких устройств?
При таком подходе может оказаться, что проще взять какой-нибудь автономник типа ddcs и использовать 1% от его функционала. А потом может придуматься ему еще какое-нибудь применение.
SVP
Мастер
Сообщения: 6140
Зарегистрирован: 19 дек 2012, 15:49
Репутация: 884
Откуда: Москва
Контактная информация:

Re: Какое устройство использовать и возможно ли воплотить схему в жизнь?

Сообщение SVP »

> Смотря что понимается под приличными суммами.
Кто-то проработает на вас несколько недель.
Кто-то кто не 100к в месяц получает, а скажем 3-5к$.
Набежит, полагаю, прилично.

Либо самостоятельно вникать, либо искать готовое, либо платить, либо забить...

Еще есть вариант нанять студентов, они меньше берут. Это, если хочется в венчурные инвестиции играть...
D.L.
Мастер
Сообщения: 474
Зарегистрирован: 25 авг 2018, 10:11
Репутация: 152
Настоящее имя: Дмитрий
Откуда: Киров
Контактная информация:

Re: Какое устройство использовать и возможно ли воплотить схему в жизнь?

Сообщение D.L. »

Doktordrew писал(а): если на один станок это устройство будет дороже 30т.р.
Разработка будет не менее 30ти, а устройство в пределах 3х.
Kost_irk
Мастер
Сообщения: 1000
Зарегистрирован: 19 июл 2018, 07:46
Репутация: 194
Откуда: Иркутск
Контактная информация:

Re: Какое устройство использовать и возможно ли воплотить схему в жизнь?

Сообщение Kost_irk »

D.L. писал(а): Разработка будет не менее 30ти, а устройство в пределах 3х.
Вы реально знаете разработчиков и исполнителей, которые за эту сумму будут что-то делать? И реальное устройство, какая-никакая плата, контроллер, всякое барахло, бп, корпус в серии даже 10шт в пределах 3 тысяч?
Ответить

Вернуться в «Электроника»