Глюки GRBL с осью А

Контроллеры, драйверы, датчики, управляющие устройства.
ainur101
Новичок
Сообщения: 4
Зарегистрирован: 02 фев 2019, 15:19
Репутация: 2
Настоящее имя: Айнур
Контактная информация:

Глюки GRBL с осью А

Сообщение ainur101 »

Здравствуйте! Имеем самодельный лазерный гравер на GRBL, по оси Y два ШД, подключены отдельно к своему контроллеру A4988, задействована ось А в cnc shield, установлены перемычки объединения сигналов. В один прекрасный момент ОСЬ А начала очень сильно замедлятся через 2-3 минуты(именно замедление, без пропуска шагов, без остановки двигателя) после запуска задачи, итог: перекос портала, заготовка испорчена. Проблема именно по электрике, т.к. проблема есть и при снятых ремнях. Попробовал менять драйвера местами, заменить проводку, заменить сам двигатель, заменить прошивку, блок питания - все бесполезно. В чем может быть проблема?

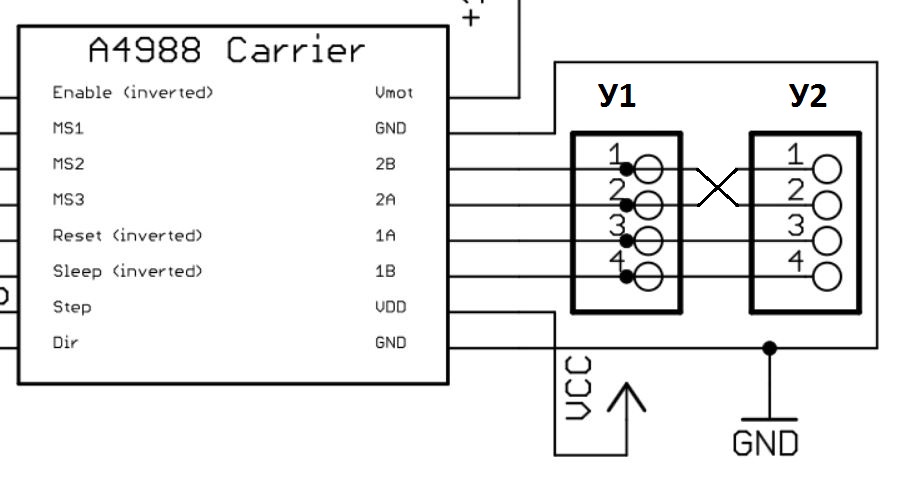
И как на время можно запаралелить двигатели, которые имеют разное направление (остальное идентично, кроме длины проводов), желательно схему бы.. Хотя бы текущий заказ закончить..
Аватара пользователя
Rom327
Почётный участник
Почётный участник
Сообщения: 2989
Зарегистрирован: 03 апр 2015, 13:23
Репутация: 437
Настоящее имя: Роман
Откуда: Подольск
Контактная информация:

Re: Глюки GRBL с осью А

Сообщение Rom327 »

ainur101 писал(а): И как на время можно запаралелить двигатели, которые имеют разное направление (остальное идентично, кроме длины проводов), желательно схему бы.. Хотя бы текущий заказ закончить..
Сажаешь двигатели в параллель, на одном меняешь провода одной обмотки местами...
Два.JPG (799 просмотров) <a class='original' href='./download/file.php?id=185940&mode=view' target=_blank>Загрузить оригинал (67.58 КБ)</a>
Зачем использовать ось А? Подключи сигналы dir/step оси У к двум драйверам оси У.
Это сугубо мое мнение, могу и ошибаться...
https://vk.com/rom327
GRBL настройки: http://blogandbux.blogspot.com/2018/07/ ... revod.html
G коды: http://3d-stanki.ru/spravochnik/program ... stankov-2/
calabr
Мастер
Сообщения: 937
Зарегистрирован: 04 янв 2019, 15:19
Репутация: 146
Настоящее имя: Calabr
Откуда: Киев
Контактная информация:

Re: Глюки GRBL с осью А

Сообщение calabr »

ainur101 писал(а): В один прекрасный момент ОСЬ А начала очень сильно замедлятся через 2-3 минуты
Возможно отваливается перемычка микро-шага (или наоборот коротит)
если не сразу по включению, то от нагрева или вибрации.
ainur101
Новичок
Сообщения: 4
Зарегистрирован: 02 фев 2019, 15:19
Репутация: 2
Настоящее имя: Айнур
Контактная информация:

Re: Глюки GRBL с осью А

Сообщение ainur101 »

calabr писал(а): 11 сен 2020, 03:11
ainur101 писал(а): В один прекрасный момент ОСЬ А начала очень сильно замедлятся через 2-3 минуты
Возможно отваливается перемычка микро-шага (или наоборот коротит)
если не сразу по включению, то от нагрева или вибрации.
Спасибо! Дело было на самом деле в микрошаге, оказалось то, что на проблемной стороне двигатель работает как положено, а ускоряется двигатель второй стороны т.к. отваливался контакт и ведущий драйвер переходил в 1/8 шага, а ведомый оставался в режиме 1/16 шага. :hehehe:
Ответить

Вернуться в «Электроника»