Лазерный волоконный станок
-
Nadnael
- Новичок
- Сообщения: 10
- Зарегистрирован: 13 дек 2019, 18:43
- Репутация: 0
- Настоящее имя: Капский Павел
- Откуда: Беларусь,Минск
- Контактная информация:
Лазерный волоконный станок
Здравствуйте
Хочу собрать лазерный волоконный станок , на али нашёл источник и плату управления.
Возможно ли подключить такую плату к шаговым двигателям?Да и в общем хотелось бы разобраться со схемой подключения ,принципы наладки двигателей.
Опыт сборки чпу фрезера у меня есть.
Хочу собрать лазерный волоконный станок , на али нашёл источник и плату управления.
Возможно ли подключить такую плату к шаговым двигателям?Да и в общем хотелось бы разобраться со схемой подключения ,принципы наладки двигателей.
Опыт сборки чпу фрезера у меня есть.
-
aftaev
- Зачётный участник

- Сообщения: 34042
- Зарегистрирован: 04 апр 2010, 19:22
- Репутация: 6194
- Откуда: Казахстан.
- Контактная информация:
Re: Лазерный волоконный станок
Что значит волоконный станок? Волокно делать?Nadnael писал(а):Хочу собрать лазерный волоконный станок
Лазерные станки предназначены для резки, гравировки. Судя по мощности лазера, будет гравировальный.
Подобные платы на Али продаются для замены, и часто схем никаких нет и от продавцов не получить.Nadnael писал(а):Да и в общем хотелось бы разобраться со схемой подключения
Тащить Раукус с Али. Потом растамаживать? Мож стоит позвонить в IPG в Москву/Фрязино в ИРЭ Полюс? Лазеры их получшее, и цена была примерно сопоставима.
Дилетанту сложные вещи кажутся очень простыми, и только профессионал понимает насколько сложна самая простая вещь
Кто хочет - ищет возможности, кто не хочет - ищет оправдание.
Найди работу по душе и тебе не придется работать.
Кто хочет - ищет возможности, кто не хочет - ищет оправдание.
Найди работу по душе и тебе не придется работать.
-
Nadnael
- Новичок
- Сообщения: 10
- Зарегистрирован: 13 дек 2019, 18:43
- Репутация: 0
- Настоящее имя: Капский Павел
- Откуда: Беларусь,Минск
- Контактная информация:
Re: Лазерный волоконный станок
Я просматривал много фото внутренностей по таким станкам .
Сделать такой можно самому но самому разбираться долго поэтому я и пришёл на форум искать тех кто уже разбирался по этому вопросу.
А купить можно всё но зачем скажите тогда этот форум?
Сделать такой можно самому но самому разбираться долго поэтому я и пришёл на форум искать тех кто уже разбирался по этому вопросу.
А купить можно всё но зачем скажите тогда этот форум?
-
aftaev
- Зачётный участник

- Сообщения: 34042
- Зарегистрирован: 04 апр 2010, 19:22
- Репутация: 6194
- Откуда: Казахстан.
- Контактная информация:
Re: Лазерный волоконный станок
Может лазерный станок с оптоволоконным лазером?Nadnael писал(а):оптоволоконный станок*
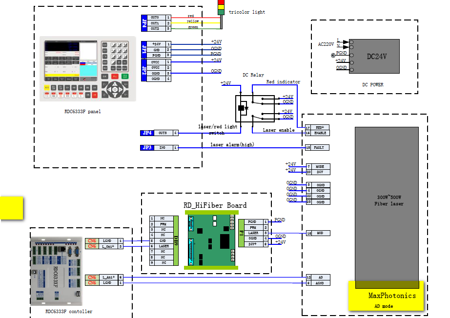
Интересная схема. На зеленую плату с кучей разъема приходит 2 провода и выходит 2 проводаNadnael писал(а):схема у меня есть
Непонятно о каком станке вообще речь.Nadnael писал(а):Сделать такой можно самому но самому разбираться долго поэтому я и пришёл на форум искать тех кто уже разбирался по этому вопросу.
Зачем тогда покупать лазер оптоволоконный, плату управления, когда есть форум?Nadnael писал(а):А купить можно всё но зачем скажите тогда этот форум?
Дилетанту сложные вещи кажутся очень простыми, и только профессионал понимает насколько сложна самая простая вещь
Кто хочет - ищет возможности, кто не хочет - ищет оправдание.
Найди работу по душе и тебе не придется работать.
Кто хочет - ищет возможности, кто не хочет - ищет оправдание.
Найди работу по душе и тебе не придется работать.
-
Nadnael
- Новичок
- Сообщения: 10
- Зарегистрирован: 13 дек 2019, 18:43
- Репутация: 0
- Настоящее имя: Капский Павел
- Откуда: Беларусь,Минск
- Контактная информация:
Re: Лазерный волоконный станок
а по делу есть информация?
- Serg
- Мастер
- Сообщения: 21923
- Зарегистрирован: 17 апр 2012, 14:58
- Репутация: 5183
- Заслуга: c781c134843e0c1a3de9
- Настоящее имя: Сергей
- Откуда: Москва
- Контактная информация:
Re: Лазерный волоконный станок
По делу информации нет даже в первом посте.
Я не Христос, рыбу не раздаю, но могу научить, как сделать удочку...
-
goldmen8
- Кандидат
- Сообщения: 42
- Зарегистрирован: 07 авг 2017, 22:52
- Репутация: 7
- Настоящее имя: Александр.
- Контактная информация:
Re: Лазерный волоконный станок
Nadnael писал(а):Да и в общем хотелось бы разобраться со схемой подключения, принципы наладки двигателей.
aftaev писал(а):Подобные платы на Али продаются для замены, и часто схем никаких нет и от продавцов не получить.
Nadnael писал(а):схема у меня есть.
Да тут вообще ничего не понятно, о чём речь.
Схема вроде бы и есть, ... но уважаемый это не схема, это какая то аппликация (подобие).
Нужна конкретная, схема именно этого блока, где указаны все "адресные" подключения. И нужно описание (техническое), что может этот блок.
Вот тогда и будут конкретные ответы на Ваши вопросы.
Задавайте ясные и четкие вопросы.
Неограниченные вопросы требуют обычно неограниченного времени для ответа. Люди, скорее всего способные дать вам полезный ответ, еще и самые занятые люди (еще и потому, что большую часть своей работы делают сами). Такие люди ревностно относятся к своему времени, и поэтому часто не воспринимают неограниченные вопросы.
-
Nadnael
- Новичок
- Сообщения: 10
- Зарегистрирован: 13 дек 2019, 18:43
- Репутация: 0
- Настоящее имя: Капский Павел
- Откуда: Беларусь,Минск
- Контактная информация:
Re: Лазерный волоконный станок
con 2 поддерживает подключение лазерного блока но проблемы я думаю будут, пины могут отличатся
-
Nadnael
- Новичок
- Сообщения: 10
- Зарегистрирован: 13 дек 2019, 18:43
- Репутация: 0
- Настоящее имя: Капский Павел
- Откуда: Беларусь,Минск
- Контактная информация:
Re: Лазерный волоконный станок
а собрать я хочу станок по принципу как на картинке но на 2 осях x и y для увеличения рабочей площади
-
gendos
- Мастер
- Сообщения: 1117
- Зарегистрирован: 06 июл 2011, 15:26
- Репутация: 81
- Настоящее имя: Геннадий
- Откуда: Ростов-на-дону
- Контактная информация:
Re: Лазерный волоконный станок
Плата будет работать с шаговыми двигателями.софт должен идти вместе с платой .Nadnael писал(а):Здравствуйте
Хочу собрать лазерный волоконный станок , на али нашёл источник и плату управления.
Возможно ли подключить такую плату к шаговым двигателям?Да и в общем хотелось бы разобраться со схемой подключения ,принципы наладки двигателей.
Опыт сборки чпу фрезера у меня есть.
Ezcad
-
Nadnael
- Новичок
- Сообщения: 10
- Зарегистрирован: 13 дек 2019, 18:43
- Репутация: 0
- Настоящее имя: Капский Павел
- Откуда: Беларусь,Минск
- Контактная информация:
Re: Лазерный волоконный станок
а калибровка двигателя по такому же принципу как и в mach3?
-
Argentum47
- Мастер
- Сообщения: 911
- Зарегистрирован: 05 июн 2015, 10:00
- Репутация: 110
- Откуда: Саратов
- Контактная информация:
Re: Лазерный волоконный станок
На картинке СО2 маркер, лол. Уважаемый вы запутались по-моему.
-
gendos
- Мастер
- Сообщения: 1117
- Зарегистрирован: 06 июл 2011, 15:26
- Репутация: 81
- Настоящее имя: Геннадий
- Откуда: Ростов-на-дону
- Контактная информация:
Re: Лазерный волоконный станок
да.Nadnael писал(а):а калибровка двигателя по такому же принципу как и в mach3?