Самодельный центроискатель
-
trikot
- Опытный
- Сообщения: 165
- Зарегистрирован: 08 апр 2017, 22:27
- Репутация: 25
- Настоящее имя: Ян
- Откуда: Москва
- Контактная информация:
Re: Самодельный центроискатель
Вот я не додумался... Нога то не задействована! Действительно, так проще.
- xvovanx
- Мастер
- Сообщения: 3776
- Зарегистрирован: 25 фев 2016, 12:27
- Репутация: 920
- Настоящее имя: Владимир
- Откуда: Latvia
- Контактная информация:
Re: Самодельный центроискатель
Серьезно взялся обмозговывать и прикидывать устройство беспроводного центроискателя для себя, уж больно напрягает вечно цепляющийся и мешающий для настройки провод у проводного. Чем больше ковыряюсь с беспроводным, тем больше понимаю о необходимости применить серьезные подходы. ИК с 38МГц и всякие там RC5 и NEC кодировки- сразу за борт, большие паузы по времени. Остановился на RF передатчике на 443, и схемка небольшая и спящий режим меньше 1мкА. От обычного UART по радиоканалу откажусь, применю в посылке избыточную кодировку для исправления пойманных ошибок, а не просто пропуск ложных посылок, тем самым теряем время на прием. Будет бустер от батарейки 2032 на 18 вольт, тоже с режимом сна меньше 1мкА. МК Pic12LF1840 микроамперный, откажусь от тригера шмидта, заведу сразу через КМОП преобразователь на аналоговый вход МК и антидребезг сделаю програмно и батарейку померить. Ток в спящем режиме выходит никакой, даже пожалуй и включателя не надо, при активной передаче импульс 17мА передатчик + 15мА светодиод. На сколько хватит надо будет прикинуть на макетке. И по габаритам даже можно в 30мм высотой и диаметром 28-30мм можно втиснуться. Одна круглая платка снизу с шариками, МК и светодиодами, вторая сверху под батарейкой (монтажем вниз) с бустером и передатчиком. Так вот к чему я всю эту болтовню- появились вопросы к гуру:
1. как правильнее использовать контактную группу, чтобы шарики были всегда под напряжением и размыкаясь "тянули искру", либо были на нуле и размыкаясь напряжением пробивался окисел контактов?
2. как можно попроще замерить задержку сигнала посылка-прием? Осцилограф имею только однолучевой, по видеокадрам не определить. Можно конечно ИЛИ-НЕ какую ЛП-шку использовать с двумя входами и длительность разностного импульса померить на выходе, но может есть что проще?
1. как правильнее использовать контактную группу, чтобы шарики были всегда под напряжением и размыкаясь "тянули искру", либо были на нуле и размыкаясь напряжением пробивался окисел контактов?
2. как можно попроще замерить задержку сигнала посылка-прием? Осцилограф имею только однолучевой, по видеокадрам не определить. Можно конечно ИЛИ-НЕ какую ЛП-шку использовать с двумя входами и длительность разностного импульса померить на выходе, но может есть что проще?
Последний раз редактировалось xvovanx 27 ноя 2018, 15:53, всего редактировалось 3 раза.
-
nik1
- Мастер
- Сообщения: 8408
- Зарегистрирован: 02 окт 2012, 07:37
- Репутация: 3629
- Откуда: Красногорск
- Контактная информация:
Re: Самодельный центроискатель
Сколько видел схем везде шарики на минусе
- xvovanx
- Мастер
- Сообщения: 3776
- Зарегистрирован: 25 фев 2016, 12:27
- Репутация: 920
- Настоящее имя: Владимир
- Откуда: Latvia
- Контактная информация:
Re: Самодельный центроискатель
Я вот потому и задумался, почему уважаемый Vers повесил в своем проводном на плюс?nik1 писал(а):Сколько видел схем везде шарики на минусе
- Serg
- Мастер
- Сообщения: 21923
- Зарегистрирован: 17 апр 2012, 14:58
- Репутация: 5183
- Заслуга: c781c134843e0c1a3de9
- Настоящее имя: Сергей
- Откуда: Москва
- Контактная информация:
Re: Самодельный центроискатель
С электрической точки зрения разницы нет.xvovanx писал(а):1. как правильнее использовать контактную группу, чтобы шарики были всегда под напряжением и размыкаясь "тянули искру", либо были на нуле и размыкаясь напряжением пробивался окисел контактов?
А внешняя синхронизация в осциллографе есть?.. Ну или сделать простейшую "измерилку" на МК.xvovanx писал(а):2. как можно попроще замерить задержку сигнала посылка-прием? Осцилограф имею только однолучевой, по видеокадрам не определить. Можно конечно И-НЕ какую ЛП-шку использовать с двумя входами и длительность разностного импульса померить на выходе, но может есть что проще?
Я не Христос, рыбу не раздаю, но могу научить, как сделать удочку...
- xvovanx
- Мастер
- Сообщения: 3776
- Зарегистрирован: 25 фев 2016, 12:27
- Репутация: 920
- Настоящее имя: Владимир
- Откуда: Latvia
- Контактная информация:
Re: Самодельный центроискатель
Нет нету, и Y входа нет, а то бы я уже давно бы элипсы крутилUAVpilot писал(а):А внешняя синхронизация в осциллографе есть?.. Ну или сделать простейшую "измерилку" на МК.
П.С. сумашедшая идея зародилась - А два однолучевых осцилографа никак нельзя "скрестить" и смотреть одновременно на оба скажем через стеклышко?
П.С.2 еще одна идея - у осцила есть эталонный выход меандра для настройки, может фронты этого сигнала попробовать использовать как тактовые для запуска посылок сигнала и смотреть. Может внутр.синхронизация совпадает с фронтами эталона...
- Serg
- Мастер
- Сообщения: 21923
- Зарегистрирован: 17 апр 2012, 14:58
- Репутация: 5183
- Заслуга: c781c134843e0c1a3de9
- Настоящее имя: Сергей
- Откуда: Москва
- Контактная информация:
Re: Самодельный центроискатель
Сейчас всякие USB-осциллографы и логические анализаторы вполне подъёмных денег стоят...
Хотя если человек мазохист или к примеру комсомолец...
Хотя если человек мазохист или к примеру комсомолец...
Я не Христос, рыбу не раздаю, но могу научить, как сделать удочку...
- Сергей Саныч
- Мастер
- Сообщения: 9116
- Зарегистрирован: 30 май 2012, 14:20
- Репутация: 2858
- Откуда: Тюмень
- Контактная информация:
Re: Самодельный центроискатель
Роль играет разность потенциалов, а она там и там одна и та же. Работать будут одинаково оба варианта. Но второй (шарики на плюсе) проще согласовать с низковольтным входом МК. Достаточно вместо одного резистора поставить два, то есть соорудить делитель напряжения.xvovanx писал(а):1. как правильнее использовать контактную группу, чтобы шарики были всегда под напряжением и размыкаясь "тянули искру", либо были на нуле и размыкаясь напряжением пробивался окисел контактов?
Собственно, в приведенной схеме так и сделано.
И еще. Имеет смысл сопротивление сделать побольше. По крайней мере в промышленном ЦИ "Контакт-3" ток ограничен на уровне 0,5 мА. Это снижает эрозию контактов (теоретически
Чудес не бывает. Бывают фокусы.
- xvovanx
- Мастер
- Сообщения: 3776
- Зарегистрирован: 25 фев 2016, 12:27
- Репутация: 920
- Настоящее имя: Владимир
- Откуда: Latvia
- Контактная информация:
Re: Самодельный центроискатель
Насчет сопротивления это конечно - в планах порядка 100к-1М ставить. А вот с делителем на входе решил переиграть и вот по какой причине. Если сделать делитель с 18В от бустера, то при переходе в сон МК и бустер выключается и вместо 18В будем иметь 3-0.4(диод шотки)=2.6В. А после делителя получим на входе МК еще раз в 10 меньше ~0.2В. И когда МК будет спать, пошевелив стилусом, мы МК 0.2 вольтами не разбудим, на входе как был логический ноль, так и останется. Решил 18В подавать на МК через преобразователь уровня на изолированном полевике с двумя резисторами (по аналогии преобразователей 5В-3.3В). Теперь при работающем и спящем бустере будем иметь всегда четкую TTL единицу чтобы вывести МК и бустер из режима сна.Сергей Саныч писал(а):Работать будут одинаково оба варианта. Но второй (шарики на плюсе) проще согласовать с низковольтным входом МК. Достаточно вместо одного резистора поставить два, то есть соорудить делитель напряжения.
Собственно, в приведенной схеме так и сделано.
И еще. Имеет смысл сопротивление сделать побольше. По крайней мере в промышленном ЦИ "Контакт-3" ток ограничен на уровне 0,5 мА. Это снижает эрозию контактов (теоретически ). А при автономном питании еще и позволит уменьшить потребление.
- Serg
- Мастер
- Сообщения: 21923
- Зарегистрирован: 17 апр 2012, 14:58
- Репутация: 5183
- Заслуга: c781c134843e0c1a3de9
- Настоящее имя: Сергей
- Откуда: Москва
- Контактная информация:
Re: Самодельный центроискатель
Высоковольтный дискретный сигнал согласовать с низковольтным входом контроллера проще простого при любом варианте - просто включив последовательно входу резистор например на 100к.Сергей Саныч писал(а):Роль играет разность потенциалов, а она там и там одна и та же. Работать будут одинаково оба варианта. Но второй (шарики на плюсе) проще согласовать с низковольтным входом МК. Достаточно вместо одного резистора поставить два, то есть соорудить делитель напряжения.
Поставь SW18010.xvovanx писал(а):пошевелив стилусом, мы МК 0.2 вольтами не разбудим
Я не Христос, рыбу не раздаю, но могу научить, как сделать удочку...
- xvovanx
- Мастер
- Сообщения: 3776
- Зарегистрирован: 25 фев 2016, 12:27
- Репутация: 920
- Настоящее имя: Владимир
- Откуда: Latvia
- Контактная информация:
Re: Самодельный центроискатель
Можно, но этоUAVpilot писал(а):Высоковольтный дискретный сигнал согласовать с низковольтным входом контроллера проще простого при любом варианте - просто включив последовательно входу резистор например на 100к
Нее, огромные эти штуки, у меня таких валяется горсть от вибродотчиков. Полевичек sot23 габарита как-то ближеUAVpilot писал(а):Поставь SW18010
- Serg
- Мастер
- Сообщения: 21923
- Зарегистрирован: 17 апр 2012, 14:58
- Репутация: 5183
- Заслуга: c781c134843e0c1a3de9
- Настоящее имя: Сергей
- Откуда: Москва
- Контактная информация:
Re: Самодельный центроискатель
Они именно для этого там и поставлены и зарплата у них не сдельная.xvovanx писал(а):Можно, но это негигиенично несхемотехнично, чтобы постоянно "напрягались" защитные диоды на входе МК
Он будет насыщать зарядом не батарейку, а GND через замкнутые шарики.xvovanx писал(а):да и бустер тогда через резистор и диод будет постоянно заряжать батарейку от которой и питается
Я не Христос, рыбу не раздаю, но могу научить, как сделать удочку...
- Сергей Саныч
- Мастер
- Сообщения: 9116
- Зарегистрирован: 30 май 2012, 14:20
- Репутация: 2858
- Откуда: Тюмень
- Контактная информация:
Re: Самодельный центроискатель
С точки зрения энергосбережения имеет смысл повышенное напряжение включать только при обнаружении разрыва контактов и отключать при замыкании.
Чудес не бывает. Бывают фокусы.
- xvovanx
- Мастер
- Сообщения: 3776
- Зарегистрирован: 25 фев 2016, 12:27
- Репутация: 920
- Настоящее имя: Владимир
- Откуда: Latvia
- Контактная информация:
Re: Самодельный центроискатель
А да точно! Заряжать батарейку и от нее питаться (вечный двигательUAVpilot писал(а):Он будет насыщать зарядом не батарейку, а GND через замкнутые шарики.
Теоретически да, а вот с точки зрения практики - бустер имеет плавный запуск и пока "шарики зарядятся для пробоя" портал уже заедет не тудаСергей Саныч писал(а):С точки зрения энергосбережения имеет смысл повышенное напряжение включать только при обнаружении разрыва контактов и отключать при замыкании.
- R6MF49T2
- Мастер
- Сообщения: 235
- Зарегистрирован: 14 июл 2016, 17:18
- Репутация: 32
- Откуда: Великий Новгород/Санкт-Петербург
- Контактная информация:
Re: Самодельный центроискатель
Если токи нужны небольшие нафиг вообще индуктивные преобразователи? Тут самое то использовать умножители на конденсаторах
- xvovanx
- Мастер
- Сообщения: 3776
- Зарегистрирован: 25 фев 2016, 12:27
- Репутация: 920
- Настоящее имя: Владимир
- Откуда: Latvia
- Контактная информация:
Re: Самодельный центроискатель
А выигрыш в чем? И схемку бы для начала глянуть... и габариты сравнитьR6MF49T2 писал(а):Если токи нужны небольшие нафиг вообще индуктивные преобразователи? Тут самое то использовать умножители на конденсаторах
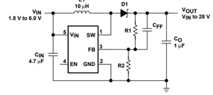
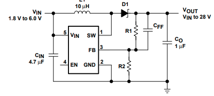
Размеры smd индуктивности где-то 4х4мм всего будут и схема бустера отработана. А для умножения на 6 кучка надо будет диодов и кондеров, да и генератор на чем-то мудрить.
- R6MF49T2
- Мастер
- Сообщения: 235
- Зарегистрирован: 14 июл 2016, 17:18
- Репутация: 32
- Откуда: Великий Новгород/Санкт-Петербург
- Контактная информация:
Re: Самодельный центроискатель
Первый попавшийся на 12в, думаю можно найти и на большее напряжение: Выигрыш в простоте, и токах потребления.xvovanx писал(а):А выигрыш в чем? И схемку бы для начала глянуть... и габариты сравнитьR6MF49T2 писал(а):Если токи нужны небольшие нафиг вообще индуктивные преобразователи? Тут самое то использовать умножители на конденсаторах![]()
Размеры smd индуктивности где-то 4х4мм всего будут и схема бустера отработана. А для умножения на 6 кучка надо будет диодов и кондеров, да и генератор на чем-то мудрить.
- xvovanx
- Мастер
- Сообщения: 3776
- Зарегистрирован: 25 фев 2016, 12:27
- Репутация: 920
- Настоящее имя: Владимир
- Откуда: Latvia
- Контактная информация:
Re: Самодельный центроискатель
В токах потребления выигрыша не увидел, даже наоборот (500мкА и 27мкА). Минусы - нет маленьких SOT 5/6 ногих корпусов микросхем, у конденсаторных преобразователей корпуса SO, DIP 8 ног и больше; производители крайне не рекомендует в такого рода преобразователях использование танталовых кондеров, а электролиты сильно габаритны; не встречал в продаже с низким входным питанием от 1.8-2 вольт.R6MF49T2 писал(а):Выигрыш в простоте, и токах потребления.
П.С. пока остаюсь при своем мнении использовать все таки step-up booster.
-
calabr
- Мастер
- Сообщения: 937
- Зарегистрирован: 04 янв 2019, 15:19
- Репутация: 146
- Настоящее имя: Calabr
- Откуда: Киев
- Контактная информация:
Re: Самодельный центроискатель
Приветствую!
Задумался о чем-то подобном.
Посмотрел конструкцию - немогу понять как юстируется датчик на соосмость с шпинделем
Достаточно - ли вывести только шарик соосно, или нужно весь стилус?
Задумался о чем-то подобном.
Посмотрел конструкцию - немогу понять как юстируется датчик на соосмость с шпинделем
Достаточно - ли вывести только шарик соосно, или нужно весь стилус?
-
aftaev
- Зачётный участник

- Сообщения: 34042
- Зарегистрирован: 04 апр 2010, 19:22
- Репутация: 6194
- Откуда: Казахстан.
- Контактная информация:
Re: Самодельный центроискатель
Измерение происходит шариком, а не стилусомcalabr писал(а):Достаточно - ли вывести только шарик соосно, или нужно весь стилус?
https://www.youtube.com/watch?v=ZvX3S8Ky3Ok
https://www.youtube.com/watch?v=TvphKvGXP_4
Дилетанту сложные вещи кажутся очень простыми, и только профессионал понимает насколько сложна самая простая вещь
Кто хочет - ищет возможности, кто не хочет - ищет оправдание.
Найди работу по душе и тебе не придется работать.
Кто хочет - ищет возможности, кто не хочет - ищет оправдание.
Найди работу по душе и тебе не придется работать.