Помогите разобраться, контроллер DDLMV1

Контроллеры, драйверы, датчики, управляющие устройства.
olegprom19
Опытный
Сообщения: 117
Зарегистрирован: 05 июн 2017, 18:28
Репутация: 7
Настоящее имя: Олег
Контактная информация:

Re: Помогите разобраться, контроллер DDLMV1

Сообщение olegprom19 »

конечно не стоит объединять земли
енэйбл не подключен
bawero
Опытный
Сообщения: 153
Зарегистрирован: 20 дек 2015, 22:02
Репутация: 23
Откуда: BY
Контактная информация:

Re: Помогите разобраться, контроллер DDLMV1

Сообщение bawero »

hmnijp писал(а): А опишите/нарисуйте пожалуйста как вы соединяли... Вы упоминали резисторы, но вроде как в драйверах на входе и так стоят 220, и думается что не нужно согласовывать, но у вас видимо по другому, и сделано так что всё работает) интересно в чем отличие, и как вы этого добились?!) А то у меня получается куча пропусков шагов, дребезг, на обороты нормальные двигателя не выходят, и в ноль никогда не возвращаются даже стоя на столе без нагрузки. Хотя причина этому совершенно не ясна. Так же интересно куда приходит минус/плюс сигнала enable с драйвера. У контроллера его нет, а контакты для степдир и для датчиков, естоп имеют разное напряжение и земли развязаны между собой, не уверен стоит ли их объединять..
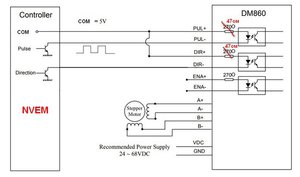
У меня драйвера DM860 подключал немного не по инструкции.
2017-11-22_203738.jpg (5505 просмотров) <a class='original' href='./download/file.php?id=125201&mode=view' target=_blank>Загрузить оригинал (32.91 КБ)</a>
Точнее сразу по инструкции, но как оказалось с резисторами на 270ом "плавали" размеры по всем осям и инструмент тоже не возвращался в ноль. И чем длиннее была УП тем большая накапливалась погрешность. Без резисторов двигатели тоже очень сильно гремели и пропускали шаги, а нормально работали только при дроблении шага 1/32 на скорости до 1.2 м/м. Резисторы подбирал методом научного тыка, остановился на 47ом. По оси Y у меня 2 двигателя, там поставил резисторы на 20 ом. Enable не подключал. Он, по большому счету, особо не нужен.
Аватара пользователя
hmnijp
Мастер
Сообщения: 1754
Зарегистрирован: 20 авг 2017, 15:02
Репутация: 542
Настоящее имя: Константин
Откуда: Ульяновск
Контактная информация:

Re: Помогите разобраться, контроллер DDLMV1

Сообщение hmnijp »

bawero писал(а): У меня драйвера DM860 подключал немного не по инструкции.
2017-11-22_203738.jpg
Точнее сразу по инструкции, но как оказалось с резисторами на 270ом "плавали" размеры по всем осям и инструмент тоже не возвращался в ноль. И чем длиннее была УП тем большая накапливалась погрешность. Без резисторов двигатели тоже очень сильно гремели и пропускали шаги, а нормально работали только при дроблении шага 1/32 на скорости до 1.2 м/м. Резисторы подбирал методом научного тыка, остановился на 47ом. По оси Y у меня 2 двигателя, там поставил резисторы на 20 ом. Enable не подключал. Он, по большому счету, особо не нужен.
Спасибо за информацию! Есть куда копать, будем пробовать.
У меня драйвера похожие, 2DM860. Надеюсь удастся разобраться с этой китайской техникой :freak:
stas67
Новичок
Сообщения: 19
Зарегистрирован: 14 дек 2016, 20:52
Репутация: 2
Настоящее имя: Пётр
Контактная информация:

Re: Помогите разобраться, контроллер DDLMV1

Сообщение stas67 »

hmnijp писал(а):У меня драйвера похожие, 2DM860. Надеюсь удастся разобраться с этой китайской техникой
Подождите курочить драйвера, по позже скину свой профель с настройками мач попробуете.
Вложения
NVEM вот на этих драйверах работает отлично без всякого вмешательства в схему (5468 просмотров) <a class='original' href='./download/file.php?id=125329&mode=view' target=_blank>Загрузить оригинал (1.32 МБ)</a>
NVEM вот на этих драйверах работает отлично без всякого вмешательства в схему
NVEM вот на этих драйверах работает отлично без всякого вмешательства в схему (5468 просмотров) <a class='original' href='./download/file.php?id=125330&mode=view' target=_blank>Загрузить оригинал (818.95 КБ)</a>
NVEM вот на этих драйверах работает отлично без всякого вмешательства в схему
stas67
Новичок
Сообщения: 19
Зарегистрирован: 14 дек 2016, 20:52
Репутация: 2
Настоящее имя: Пётр
Контактная информация:

Re: Помогите разобраться, контроллер DDLMV1

Сообщение stas67 »

Вот настроенный с рабочего станка профиль попробуйте https://yadi.sk/d/pdWMdtgU3Q2WeC
Sklific
Новичок
Сообщения: 8
Зарегистрирован: 02 мар 2017, 17:21
Репутация: 0
Настоящее имя: Сергей
Контактная информация:

Re: Помогите разобраться, контроллер DDLMV1

Сообщение Sklific »

Доброго времени суток. Спасибо bawero за информацию по подключению драйверов. У меня такие же драйвера, как на фото выше - DMA860H, контроллер NVEM. Так вот какая ситуация получилась - 3 драйвера покупал у одного продавца, серийные номера на наклейках шли по порядку. Два драйвера работают нормально, а один - глючит. При подаче сигнала движения - двигатель (Leadshine 57HS22) без нагрузки гудит как при пропуске шагов, вроде и пытается крутиться - но никак, как будто ему очень тяжело. При этом двигатель точно исправный, менял двигатели, картина та же. Разобрал исправный и глючный драйвера и сравнил хотя бы визуально, заметил один нюанс. Сразу после входных оптопар стоит чип - триггер, так вот у исправных драйверов его маркировка одна, а у глючного другая, а све остальные компоненты на платах совсем одинаковы, все сопротивления, транзисторы (их прозванивал - целые). Вот и вопрос, есть ли смысл мне тоже попробовать поменять входные сопротивления. Извиняюсь. если может не совсем корректно описал ситуацию. Вот фото чипа, на исправных драйверах. Пытался такой найти у китайцев, но не совсем получилось. Как я узнал - HCT14 - это триггер, просто у исправных драйверов стоит маркировка G4 а у глючного G3. Может ли это влиять на чувствительность входов драйвера?
Вложения
чип.jpg (5428 просмотров) <a class='original' href='./download/file.php?id=125443&mode=view' target=_blank>Загрузить оригинал (143.14 КБ)</a>
olegprom19
Опытный
Сообщения: 117
Зарегистрирован: 05 июн 2017, 18:28
Репутация: 7
Настоящее имя: Олег
Контактная информация:

Re: Помогите разобраться, контроллер DDLMV1

Сообщение olegprom19 »

входные сопротивления думаю не причем
хотя можете проверить срабатывает ли оптрон или нет
подать на вход драйвера подать 0 5В (в зав-ти от схемы подключяения) и посмотреть включатся ли оптрон (померить напряжение)
и дальше посмотреть сигнал на ножке триггера на входе и на выходе есть или нет
bawero
Опытный
Сообщения: 153
Зарегистрирован: 20 дек 2015, 22:02
Репутация: 23
Откуда: BY
Контактная информация:

Re: Помогите разобраться, контроллер DDLMV1

Сообщение bawero »

Sklific писал(а): Вот и вопрос, есть ли смысл мне тоже попробовать поменять входные сопротивления?
Я сами драйвера даже не трогал, в смысле не курочил, не паял. На DM860 по мануалу нужно вешать резисторы на входные сигнальные провода. Только вот всё по тому же мануалу, при +5 вольтах на выходе контроллера нужно было вешать резисторы на 270 ом. Впрочем эти обстоятельства описаны выше.
Аватара пользователя
hmnijp
Мастер
Сообщения: 1754
Зарегистрирован: 20 авг 2017, 15:02
Репутация: 542
Настоящее имя: Константин
Откуда: Ульяновск
Контактная информация:

Re: Помогите разобраться, контроллер DDLMV1

Сообщение hmnijp »

bawero писал(а):
Sklific писал(а): Вот и вопрос, есть ли смысл мне тоже попробовать поменять входные сопротивления?
Я сами драйвера даже не трогал, в смысле не курочил, не паял. На DM860 по мануалу нужно вешать резисторы на входные сигнальные провода. Только вот всё по тому же мануалу, при +5 вольтах на выходе контроллера нужно было вешать резисторы на 270 ом. Впрочем эти обстоятельства описаны выше.
Спасибо всем кто отвечает по теме! Сам ещё не добрался до железок, и не успел проверить всё что советуют, но скажу:
bawero, догадался что вы имели ввиду дополнительные резисторы, а не замена в драйверах. Я когда разбирал и смотрел свои драйвера 2DM860 - там на входе уже стоят резисторы какие-то для 5в, и по мануалу дополнительные не требуются, только если сигнал >5v. Но возможно номиналы не совсем подходящие для работы с конкретно этим контроллером, не проверял сколько точно у него на выходах. Собственно в мануале на драйвера, в таблице написано что входное сопротивление step и dir 220, далее по схеме подключения уже цифра 270(эта схема показывает что резистор уже внутри драйвера, а дополнительный вне него и подписан буквой R), а на плате, на сколько помню, и вовсе другие цифры. По хорошему надо собрать и посмотреть осциллографом что там будет на какой частоте у драйвера на выходе с оптронов, но пока нет возможности этим заняться. Скоро буду пробовать их ещё раз подключать и поиграюсь с резисторами, а так же с настройками. Спасибо stas67 за предоставленную информацию. Посмотрел что там dll другой версии, с названием nvem_f, кажется ту же самую получил от участника форума cnczone, но так же, не успел ещё проверить. На сколько понял - она содержит некие исправления, и производитель просит её не распространять. В общем буду пробовать.
Аватара пользователя
Nil$
Кандидат
Сообщения: 97
Зарегистрирован: 30 авг 2015, 13:10
Репутация: 13
Настоящее имя: Макс
Контактная информация:

Re: Помогите разобраться, контроллер DDLMV1

Сообщение Nil$ »

Спасибо всем за информацию о Nvem. Особенно bawero , который делится опытом и позволил обойти некоторые грабли. Этим девайсом.
У меня так же не работает подсхчиненная ось.
Сейчас окончательно разбираюсь с входными портами. В деле еще не опробовал.
До Nvem было 4 других глючных контроллера. Все со своими тараканами. Надеюсь этот оправдает мои потребности.
Не сочтите за рекламу, но 6 осевой Nvem стоит около 9 тыс рублей.
В официалтном магазине 3.600.
Вот ссыль на официалов http://s.aliexpress.com/6JfQraiI
И сразу вопрос к знатокам — стоит ои брать еще один про запас или есть что то получше за приемлимую цену?
stas67
Новичок
Сообщения: 19
Зарегистрирован: 14 дек 2016, 20:52
Репутация: 2
Настоящее имя: Пётр
Контактная информация:

Re: Помогите разобраться, контроллер DDLMV1

Сообщение stas67 »

Nil$ писал(а):Вы выложили настроенный профиль под контроллер NVEM ?
Какие у вас лрайвера и мотроы?
Да контроллер NVEM, ШВП 1605, моторы NEMA34, драйвера DMA860H
stas67
Новичок
Сообщения: 19
Зарегистрирован: 14 дек 2016, 20:52
Репутация: 2
Настоящее имя: Пётр
Контактная информация:

Re: Помогите разобраться, контроллер DDLMV1

Сообщение stas67 »

Вот попробовал с скоростями 11000 мм\мин, дальше поднять скорость можно но винты ШВП-16 по Y вибрируют, контроллер NVEM
https://youtu.be/031zsmc0dqs
stas67
Новичок
Сообщения: 19
Зарегистрирован: 14 дек 2016, 20:52
Репутация: 2
Настоящее имя: Пётр
Контактная информация:

Re: Помогите разобраться, контроллер DDLMV1

Сообщение stas67 »

Пришол ещё один контролер NVEM на очередной станок, проверил работает нормально, решил по экспериментировать, результат таков Mach3 работает на любом компьютере и ОС, а так же без установки в ОС например распаковать на CD карту, берёшь ноут прописываешь IP втыкаешь влешку и всё можно работать.
bawero
Опытный
Сообщения: 153
Зарегистрирован: 20 дек 2015, 22:02
Репутация: 23
Откуда: BY
Контактная информация:

Re: Помогите разобраться, контроллер DDLMV1

Сообщение bawero »

stas67 писал(а):Пришол ещё один контролер NVEM на очередной станок, проверил работает нормально, решил по экспериментировать, результат таков Mach3 работает на любом компьютере и ОС, а так же без установки в ОС например распаковать на CD карту, берёшь ноут прописываешь IP втыкаешь влешку и всё можно работать.
На сколько осей контроллер новый?
stas67
Новичок
Сообщения: 19
Зарегистрирован: 14 дек 2016, 20:52
Репутация: 2
Настоящее имя: Пётр
Контактная информация:

Re: Помогите разобраться, контроллер DDLMV1

Сообщение stas67 »

bawero писал(а):На сколько осей контроллер новый?
6 осей
bawero
Опытный
Сообщения: 153
Зарегистрирован: 20 дек 2015, 22:02
Репутация: 23
Откуда: BY
Контактная информация:

Re: Помогите разобраться, контроллер DDLMV1

Сообщение bawero »

stas67 писал(а):
bawero писал(а):На сколько осей контроллер новый?
6 осей
Подчинённые оси работают?
stas67
Новичок
Сообщения: 19
Зарегистрирован: 14 дек 2016, 20:52
Репутация: 2
Настоящее имя: Пётр
Контактная информация:

Re: Помогите разобраться, контроллер DDLMV1

Сообщение stas67 »

bawero писал(а):Подчинённые оси работают?
У меня станок 4х осный работает нормально, а играться с осями не пробовал.
bawero
Опытный
Сообщения: 153
Зарегистрирован: 20 дек 2015, 22:02
Репутация: 23
Откуда: BY
Контактная информация:

Re: Помогите разобраться, контроллер DDLMV1

Сообщение bawero »

stas67 писал(а):
bawero писал(а):Подчинённые оси работают?
У меня станок 4х осный работает нормально, а играться с осями не пробовал.
Четырёхосный - в смысле с повороткой ? Или по одной из осей 2 двигателя?
stas67
Новичок
Сообщения: 19
Зарегистрирован: 14 дек 2016, 20:52
Репутация: 2
Настоящее имя: Пётр
Контактная информация:

Re: Помогите разобраться, контроллер DDLMV1

Сообщение stas67 »

Да по Y два двигателя но драйвера подключены параллельно с контролера, поворотка подключена штатно к оси А на контролере
bawero
Опытный
Сообщения: 153
Зарегистрирован: 20 дек 2015, 22:02
Репутация: 23
Откуда: BY
Контактная информация:

Re: Помогите разобраться, контроллер DDLMV1

Сообщение bawero »

В продаже появились новенькие контроллеры NVEM, типа NVEM v.2 ) Появились уже давно и вроде как у них нормально работают подчинённые оси. Но в тоже время, в сети, стала появляться инфа и о нормально работающих первых экземплярах. На забугорных форумах пишут, что якобы разработчик платы занялся исправлением косяков. Так что возможно подрихтовали плагин.
Если заgooглить NVEM, то теперь в первой же строке выскакивает сайт nvcnc. Чей сайт непонятно ввиду отсутствия какой либо контактной информации, но плагины для контроллера на нём присутствуют.
Нужно попробовать плагин v.2 на своей плате, может будет работать нормально. Появится свободное время обязательно займусь.
Novusun_NVEM v.2.rar
(352.37 КБ) 437 скачиваний
Ответить

Вернуться в «Электроника»