Замена энкодера
-
shura28
- Опытный
- Сообщения: 103
- Зарегистрирован: 27 май 2012, 21:18
- Репутация: 25
- Контактная информация:
Замена энкодера
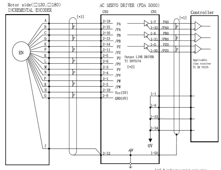
В результате нелепой череды событий был убит энкодер SUMTAK на 3000 ppr. Собственно ищу замену и прошу совета. У родного энкодера вот такая схема подключения (думаю стандартная):
Все бы ничего, но там 14 проводов и все распаяны:
До сего момента имел дело только с китайскими энкодерами типа "OMRON" у которых в лучшем случае 8 проводов (3 канала и питание).
Собственно сомневаюсь, что драйверу будет достаточно 3 каналов (A,B,Z).
Посоветуйте пожалуйста какой-нибудь не дорогой аналог. Производителя или марку (если можно, то ссылкой на инет-магазин).
Или можно таки китайца поставить ?
Собственно сомневаюсь, что драйверу будет достаточно 3 каналов (A,B,Z).
Посоветуйте пожалуйста какой-нибудь не дорогой аналог. Производителя или марку (если можно, то ссылкой на инет-магазин).
Или можно таки китайца поставить ?
- Hanter
- Мастер
- Сообщения: 5414
- Зарегистрирован: 27 янв 2012, 14:52
- Репутация: 4338
- Настоящее имя: Алексей
- Откуда: Питер
- Контактная информация:
Re: Замена энкодера
Тут смотрите какой момент есть - обычно у энкодера 8 концов. то есть три сигнальные пары и два питание. У вас шесть сигнальных линий. (пар). соответственно нада выяснить "шо це за хрень". единственное что я могу предположить - это энкодер с встроенными датчиками холла. такие есть у "Ренко". они же попадаются под маркой "Q-Phase". но меня смущает что сигнальные линии все диференциальные. на датчики холла обычно диференциальный сигнал не используют. по этому что у вас за сигнальные линии - хрен знает. 
Опыт - это когда на смену вопросам: "Что? Где? Когда? Как? Почему?" Приходит единственный вопрос: "Нахрена?"
==========================================
фрезерная и токарная обработка на станках с чпу.
Резка, гибка, сварка и порошковая окраса.
==========================================
фрезерная и токарная обработка на станках с чпу.
Резка, гибка, сварка и порошковая окраса.
-
Duhas
- Мастер
- Сообщения: 1961
- Зарегистрирован: 10 окт 2015, 23:25
- Репутация: 285
- Настоящее имя: Андрей
- Откуда: Красноярск
- Контактная информация:
Re: Замена энкодера
там по схеме все ясно - квадратура и холлы, и все дифференциальное.Hanter писал(а): по этому что у вас за сигнальные линии - хрен знает.
- N1X
- Мастер
- Сообщения: 3653
- Зарегистрирован: 16 фев 2015, 21:19
- Репутация: 1646
- Настоящее имя: Владимир
- Откуда: Беларусь, Гомель
- Контактная информация:
Re: Замена энкодера
Только правильно не "датчики холла", а сигналы положения ротора. Функция та же, просто в энкодерах их чаще реализуют дополнительными метками на стекле, а не холлами.
И т.к. энкодер с этими сигналами, то, автор, имейте ввиду, что энкодер придется выставлять по осциллографу.
И т.к. энкодер с этими сигналами, то, автор, имейте ввиду, что энкодер придется выставлять по осциллографу.
- smart4on
- Почётный участник

- Сообщения: 160
- Зарегистрирован: 27 июн 2016, 18:54
- Репутация: 34
- Настоящее имя: Михаил
- Откуда: Беларусь, Минск
- Контактная информация:
Re: Замена энкодера
Если не ошибаюсь, то heidenhain круговые датчики на 14пин.shura28 писал(а):В результате нелепой череды событий был убит энкодер SUMTAK на 3000 ppr. Собственно ищу замену и прошу совета.?
Причем они бывают и на 12 без ноль метки.
-
shura28
- Опытный
- Сообщения: 103
- Зарегистрирован: 27 май 2012, 21:18
- Репутация: 25
- Контактная информация:
Re: Замена энкодера
В общем грусть-печаль 
Две нижние микрухи - это линейные драйверы диф. сигнала. Слева вверху - АЦП 10 бит. Справа маленькая - вроде триггер Шмитта.
Микросхемы драйверов я заменил первым делом, так как они ближе всего находились к "очагу поражения". Не помогло.
Похоже малой кровью не отделаться.
А для чего приводу знать положение ротора (в двух словах, если можно) ?
Энкодер переставили от аналогичного двигателя и никаких сложных манипуляций с установкой не было - просто прикрутили и привод его увидел.
Возможно привод не такой умный и имеет смысл попробовать прикрутить китайца.
Посмотрел энкодеры на сайте Renco, в описании присутствует упоминание Хайденхайн. Когда искал оригинал (SUMTAK), то вроде тоже обнаружил, что он был куплен Хайденхайном. Короче все "переженились", что и концов не найти.
Спасибо за помощь.
Две нижние микрухи - это линейные драйверы диф. сигнала. Слева вверху - АЦП 10 бит. Справа маленькая - вроде триггер Шмитта.
Микросхемы драйверов я заменил первым делом, так как они ближе всего находились к "очагу поражения". Не помогло.
Похоже малой кровью не отделаться.
А для чего приводу знать положение ротора (в двух словах, если можно) ?
Энкодер переставили от аналогичного двигателя и никаких сложных манипуляций с установкой не было - просто прикрутили и привод его увидел.
Возможно привод не такой умный и имеет смысл попробовать прикрутить китайца.
Посмотрел энкодеры на сайте Renco, в описании присутствует упоминание Хайденхайн. Когда искал оригинал (SUMTAK), то вроде тоже обнаружил, что он был куплен Хайденхайном. Короче все "переженились", что и концов не найти.
Спасибо за помощь.
- N1X
- Мастер
- Сообщения: 3653
- Зарегистрирован: 16 фев 2015, 21:19
- Репутация: 1646
- Настоящее имя: Владимир
- Откуда: Беларусь, Гомель
- Контактная информация:
Re: Замена энкодера
Что за АЦП? Маркировку можно? Привод клммутирует обмотки согласно положения ротора. Если прикрутили и увидел - то либо удачно попали, либо энкодер не используется полностью )
- N1X
- Мастер
- Сообщения: 3653
- Зарегистрирован: 16 фев 2015, 21:19
- Репутация: 1646
- Настоящее имя: Владимир
- Откуда: Беларусь, Гомель
- Контактная информация:
Re: Замена энкодера
BIPOLAR ANALOG INTEGRATED CIRCUIT SINGLE POWER SUPPLY QUAD COMPARATORS звучит более логично, ибо АЦП в энкодере делать нефиг...
http://www.alldatasheet.com/datasheet-p ... R-9LG.html
Глубоко не вдавался, но по цоколевке подойдет lm339 которая нифига не дефицит.
Кстати перед компаратором еще усилитель должен быть... Если он конечно не в гибридной сборке с фотодиодами...
http://www.alldatasheet.com/datasheet-p ... R-9LG.html
Глубоко не вдавался, но по цоколевке подойдет lm339 которая нифига не дефицит.
Кстати перед компаратором еще усилитель должен быть... Если он конечно не в гибридной сборке с фотодиодами...
- Hanter
- Мастер
- Сообщения: 5414
- Зарегистрирован: 27 янв 2012, 14:52
- Репутация: 4338
- Настоящее имя: Алексей
- Откуда: Питер
- Контактная информация:
Re: Замена энкодера
Андрей, увы, я не настолько свободно определяю по виду платы что там и какDuhas писал(а):там по схеме все ясно - квадратура и холлы, и все дифференциальное.
ага! полностью согласен! холлами по привычке назвал. Осцилограф нужен будет если коммутация осуществляется по ним. Счас многие усилки могут работать в безсенсорном режиме. что у автора - неведомо. может и прокатит.N1X писал(а):Только правильно не "датчики холла", а сигналы положения ротора. Функция та же, просто в энкодерах их чаще реализуют дополнительными метками на стекле, а не холлами.
И т.к. энкодер с этими сигналами, то, автор, имейте ввиду, что энкодер придется выставлять по осциллографу.
усилитель должен как то получать информацию о положении вала для правильного переключения обмоток.shura28 писал(а):А для чего приводу знать положение ротора (в двух словах, если можно) ?
Опыт - это когда на смену вопросам: "Что? Где? Когда? Как? Почему?" Приходит единственный вопрос: "Нахрена?"
==========================================
фрезерная и токарная обработка на станках с чпу.
Резка, гибка, сварка и порошковая окраса.
==========================================
фрезерная и токарная обработка на станках с чпу.
Резка, гибка, сварка и порошковая окраса.
-
Duhas
- Мастер
- Сообщения: 1961
- Зарегистрирован: 10 окт 2015, 23:25
- Репутация: 285
- Настоящее имя: Андрей
- Откуда: Красноярск
- Контактная информация:
Re: Замена энкодера
зато есть знания о вариантах замены )Hanter писал(а):Андрей, увы, я не настолько свободно определяю по виду платы что там и какDuhas писал(а):там по схеме все ясно - квадратура и холлы, и все дифференциальное.по этому мне вид платы увы ничего не говорит
![]()
я про эту картинку
хотя по плате и правда тоже вполне можно судитьshura28 писал(а):
-
Lunatic
- Мастер
- Сообщения: 460
- Зарегистрирован: 09 мар 2015, 20:25
- Репутация: 75
- Настоящее имя: Дмитрий
- Контактная информация:
Re: Замена энкодера
У меня есть Dynapar f152048_80910, только он на 2048 ppr. Может бывают на 3000 ppr модели этого производителя.
Спецификация во вложенном файле.
Спецификация во вложенном файле.
-
shura28
- Опытный
- Сообщения: 103
- Зарегистрирован: 27 май 2012, 21:18
- Репутация: 25
- Контактная информация:
Re: Замена энкодера
Вот так выгядит диск:
На нем 6 окружностей. Три из них прерывистые - из четырех сегментов. Это по всей видимости и есть UVW-каналы.
Три окружности целые - видимо A, B и Z. Никаких рисок/делений на глаз не рассмотреть.
Взял такой же рабочий энкодер с другого двигателя и подключил через SN75175 к ардуине и все вышесказанное проверил.
Каналы UVW срабатывают 4 раза на оборот диска каждый.
Z-один раз.
A и B не считал - много
Что касается установки:
энкодер имеет полый вал (или как правильно это называется?) и фиксируется двумя радиальными болтиками. Так вот от этих болтиков на валу двигателя остается след. При замене энкодера нужно просто попасть в эти отметины. Точность не велика, но двигатель работает. Крутил до 3 тыс. оборотов.
А на этом дохлом энкодере, Vcc звонится на Gnd, скорее всего не восстановить. Боюсь сдохла фотосборка.
Энкодеры с аналогичными характеристиками предлагает в том числе и Delta. Но цена нового энкодера сопоставима со стоимостью б/у двигателя, с которого можно снять энкодер и бонусом получить двигатель.
Три окружности целые - видимо A, B и Z. Никаких рисок/делений на глаз не рассмотреть.
Взял такой же рабочий энкодер с другого двигателя и подключил через SN75175 к ардуине и все вышесказанное проверил.
Каналы UVW срабатывают 4 раза на оборот диска каждый.
Z-один раз.
A и B не считал - много
Что касается установки:
энкодер имеет полый вал (или как правильно это называется?) и фиксируется двумя радиальными болтиками. Так вот от этих болтиков на валу двигателя остается след. При замене энкодера нужно просто попасть в эти отметины. Точность не велика, но двигатель работает. Крутил до 3 тыс. оборотов.
А на этом дохлом энкодере, Vcc звонится на Gnd, скорее всего не восстановить. Боюсь сдохла фотосборка.
Энкодеры с аналогичными характеристиками предлагает в том числе и Delta. Но цена нового энкодера сопоставима со стоимостью б/у двигателя, с которого можно снять энкодер и бонусом получить двигатель.
-
shura28
- Опытный
- Сообщения: 103
- Зарегистрирован: 27 май 2012, 21:18
- Репутация: 25
- Контактная информация:
Re: Замена энкодера
Заменил C177G на LM339 и подкючил к ардуине+SN75175. Со всех каналов сигнал идет нормально. Прозвонил цепи от выводов AM26C31 до разъема и обнаружил, что один из выводов канала Z не прозванивается.
С обратной стороны платы рядом с этим выводом есть вздутие: Плата видимо многослойная, так как дорожки не прослеживаются.
Сверху припаял волосок и залил термоклеем: Обгоревшие конденсаторы еле припаял: Осталось проверить на двигателе. Если заработает - будет круто! По факту отпишусь.
Спасибо за помощь!
p.s.: отсутствие денег (или жаба?) порой заставляет проявлять чудеса ловкости
С обратной стороны платы рядом с этим выводом есть вздутие: Плата видимо многослойная, так как дорожки не прослеживаются.
Сверху припаял волосок и залил термоклеем: Обгоревшие конденсаторы еле припаял: Осталось проверить на двигателе. Если заработает - будет круто! По факту отпишусь.
Спасибо за помощь!
p.s.: отсутствие денег (или жаба?) порой заставляет проявлять чудеса ловкости
- N1X
- Мастер
- Сообщения: 3653
- Зарегистрирован: 16 фев 2015, 21:19
- Репутация: 1646
- Настоящее имя: Владимир
- Откуда: Беларусь, Гомель
- Контактная информация:
Re: Замена энкодера
Прикольно, обычно наобоот 422й интерфейс выгорает...
-
L4_novator
- Новичок
- Сообщения: 22
- Зарегистрирован: 28 мар 2018, 13:36
- Репутация: 1
- Настоящее имя: Александр
- Контактная информация:
Re: Замена энкодера
Приветствую!shura28 писал(а):Вот так выгядит диск:
Взял такой же рабочий энкодер с другого двигателя и подключил через SN75175 к ардуине и все вышесказанное проверил.
Каналы UVW срабатывают 4 раза на оборот диска каждый.
Z-один раз.
A и B не считал - много![]()
Можно более детально, насчет SN75175 и ардуины. Что то не понял, смысл этой микросхемы? Я пытался подключать ардуине экнодер через прерывания, А и Z - смысл был посчитать импульсы на оборот. А тут другая интерпритация? Очень интересуют подробности)