Автономный контроллер для самодельного лазерного гравера

Контроллеры, драйверы, датчики, управляющие устройства.
ALViktor
Кандидат
Сообщения: 84
Зарегистрирован: 07 апр 2015, 17:24
Репутация: 50
Настоящее имя: Виктор
Контактная информация:

Re: Автономный контроллер для самодельного лазерного гравера

Сообщение ALViktor »

По видимому нужно сохранить в формате который примет программа автора, потом загрузить в программу автора и сделать файл для автономки
sergan
Опытный
Сообщения: 106
Зарегистрирован: 30 окт 2014, 16:33
Репутация: 93
Контактная информация:

Re: Автономный контроллер для самодельного лазерного гравера

Сообщение sergan »

Новичок2 писал(а):чем можно сгенерировать код из вектора понятливый для контроллера и меня .У самого ума не хватает .
Заранее благодарю .
Генерировал этой прогой https://github.com/selenur/ToolsGenGkod ... 51/v51.zip есть новая версия , но с этой попроще все. Почитать как пользоваться можно тут http://selenur.ru/?page_id=400. Точно не помню , но там еще надо будет профиль переписывать, а может и нет.
Аватара пользователя
Козёл
Мастер
Сообщения: 252
Зарегистрирован: 15 мар 2017, 12:07
Репутация: 482
Настоящее имя: Артурио
Откуда: Бишкек
Контактная информация:

Re: Автономный контроллер для самодельного лазерного гравера

Сообщение Козёл »

Новичок2 писал(а):Подскажите пожалуйста за арткам или чем можно сгенерировать код из вектора понятливый для контроллера и меня .У самого ума не хватает .
Я в Vectric Aspire создаю. Вот постп-процессор, для резки, перед началом реза включается лазер, затем задержка 0.5 сек, и только потом резка. Файл извлечь в папку "C:\Users\All Users\Application Data\Vectric\Aspire\V8.0\PostP".
_papper.zip
(385 байт) 344 скачивания
ALViktor писал(а):Может и правильно, только не спешите, автор несколько раз писал не на меге 328. В 769 сообщении.
Да, здесь как-бы есть намек, но это не так. Имелось ввиду, что таких функций на m328p нету и небудет, т.к. просто больше нету памяти. От этих функций было бы больше пользы на фрезере.
Последний раз редактировалось Козёл 11 янв 2018, 21:16, всего редактировалось 1 раз.
svm
Мастер
Сообщения: 367
Зарегистрирован: 23 ноя 2017, 12:56
Репутация: 75
Настоящее имя: Владимир Сергеев
Откуда: Бузулук
Контактная информация:

Re: Автономный контроллер для самодельного лазерного гравера

Сообщение svm »

Тоже делал в GenGkodes v51 , программа неплохая. Немного непривычная, но работает.
Новичок2
Новичок
Сообщения: 11
Зарегистрирован: 11 янв 2018, 19:26
Репутация: 2
Настоящее имя: Михаил
Контактная информация:

Re: Автономный контроллер для самодельного лазерного гравера

Сообщение Новичок2 »

Благодарю всех откликнувшихся , буду изучать .
svm
Мастер
Сообщения: 367
Зарегистрирован: 23 ноя 2017, 12:56
Репутация: 75
Настоящее имя: Владимир Сергеев
Откуда: Бузулук
Контактная информация:

Re: Автономный контроллер для самодельного лазерного гравера

Сообщение svm »

sergan Спрашивал модели выжигателя, есть вариант в Скетчапе, но им мало кто пользуется,поэтому даю ссылку на
STLки основных деталей. Некоторые элементы придется доработать напильником. Может еще кому пригодится.
https://yadi.sk/d/0fhUhOdL3RQBqj
ССылка на проект в Скетчапе в посту #759/
Последний раз редактировалось svm 12 янв 2018, 17:43, всего редактировалось 1 раз.
Аватара пользователя
spryt
Кандидат
Сообщения: 90
Зарегистрирован: 21 май 2017, 20:02
Репутация: 89
Настоящее имя: Тимур
Контактная информация:

Re: Автономный контроллер для самодельного лазерного гравера

Сообщение spryt »

svm писал(а):sergan Спрашивал модели выжигателя, есть вариант в Скетчапе, но им мало кто пользуется,поэтому даю ссылку на
STLки основных деталей. Некоторые элементы придется доработать напильником. Может еще кому пригодится.
https://yadi.sk/d/FtApBGBm3RHmFt
ССылка на проект в Скетчапе в посту #759/
В обоих сообщениях ссылка на один и тот же файл.
svm
Мастер
Сообщения: 367
Зарегистрирован: 23 ноя 2017, 12:56
Репутация: 75
Настоящее имя: Владимир Сергеев
Откуда: Бузулук
Контактная информация:

Re: Автономный контроллер для самодельного лазерного гравера

Сообщение svm »

spryt писал(а):В обоих сообщениях ссылка на один и тот же файл
Извиняюсь, вторую ссылку поправил. Пятница.......... :wik:

Если кому нужны модели Скетчап, пишите, выложу более свежие, но тоже с косяками. Исправлять не хочется. Второй раз печатать уже не буду.
Aleksey173
Новичок
Сообщения: 21
Зарегистрирован: 27 мар 2017, 08:29
Репутация: 23
Настоящее имя: Алексей
Контактная информация:

Re: Автономный контроллер для самодельного лазерного гравера

Сообщение Aleksey173 »

Всем доброго дня!Кто нибудь пробовал прошивка из папки DEV
Aleksey173
Новичок
Сообщения: 21
Зарегистрирован: 27 мар 2017, 08:29
Репутация: 23
Настоящее имя: Алексей
Контактная информация:

Re: Автономный контроллер для самодельного лазерного гравера

Сообщение Aleksey173 »

Прошивку.
svm
Мастер
Сообщения: 367
Зарегистрирован: 23 ноя 2017, 12:56
Репутация: 75
Настоящее имя: Владимир Сергеев
Откуда: Бузулук
Контактная информация:

Re: Автономный контроллер для самодельного лазерного гравера

Сообщение svm »

Aleksey173 писал(а):Прошивку.
https://yadi.sk/d/7bHaRurQ3LtvVW
папка DEV
Harkan
Новичок
Сообщения: 18
Зарегистрирован: 04 янв 2018, 18:05
Репутация: 21
Настоящее имя: Sahib
Контактная информация:

Re: Автономный контроллер для самодельного лазерного гравера

Сообщение Harkan »

Если что поправьте..... Значит функция отключения питание действует только на фрезере (Mega 2560). Из за нехватку памяти на 328р не предусмотрено.
Аватара пользователя
Козёл
Мастер
Сообщения: 252
Зарегистрирован: 15 мар 2017, 12:07
Репутация: 482
Настоящее имя: Артурио
Откуда: Бишкек
Контактная информация:

Re: Автономный контроллер для самодельного лазерного гравера

Сообщение Козёл »

Harkan писал(а):Значит функция отключения питание действует только на фрезере (Mega 2560). Из за нехватку памяти на 328р не предусмотрено.
На m328p предусмотрено только сохранение позиции, т.е. при каждом включении контроллера координаты будут не 0,0 а те, которые были при выключении. А так да, на код который бы прочитал до нужной строки и восстановил все предыдущие значения (скорость подачи, мощьность лазера, единицы измерения), не хватит (точнее не хватает, я проверял) памяти!

И для этой функции нужно придумать какое-то устройство, которое бы определило отключение питания. К примеру, когда я выключаю свой лазер из розетки, контроллер еще где-то 1-1.5 секунды работает. Может быть одного компаратора будет достаточно?
1.jpg (3459 просмотров) <a class='original' href='./download/file.php?id=129317&mode=view' target=_blank>Загрузить оригинал (50.19 КБ)</a>
На схеме Arduino и компаратор запитываются от внешнего преобразователя 7805 (КРЕН'ка), один из входов компаратора подключен к выходу (+5V) 7805, а на другом - делитель напряжения. Резисторы R1 и R2 нужно подобрать таким образом, чтобы при 12В на выходе напряжение было больше чем на 7805. При отключении питания напряжение (наверное) должно плавно падать? И в какой-то момент на делителе должно будет получится меньше 5V и выход компаратора изменит свое состояние и контроллер начнет записывать данные в EEPROM. Или я фигню какую-то придумал? Может это как-то по другому делается?

P.S. Толком не знаю как и когда используется компаратор.
ALViktor
Кандидат
Сообщения: 84
Зарегистрирован: 07 апр 2015, 17:24
Репутация: 50
Настоящее имя: Виктор
Контактная информация:

Re: Автономный контроллер для самодельного лазерного гравера

Сообщение ALViktor »

Видел я схему сохранения данных при исчезновении питания, никак не вспомню где. Там еще организована подпитка процессора конденсатором 1000 мкф. А за напряжением следил сам процессор, без компоратора. Как только напряжение начинало падать, до стабилизатора питания, процессор останавливал работу и сохранял данные в память. И это было не для ЧПУ, не помню вообще для чего. Но схема где то есть. Если найду напишу.
svm
Мастер
Сообщения: 367
Зарегистрирован: 23 ноя 2017, 12:56
Репутация: 75
Настоящее имя: Владимир Сергеев
Откуда: Бузулук
Контактная информация:

Re: Автономный контроллер для самодельного лазерного гравера

Сообщение svm »

Логика правильная, но ждать пока напряжение упадет до 5 вольт, не обязательно, можно среагировать и на более высокое 8-10 В.
Компараторы, это конечно хорошо, но есть специализированные ИС контроля напряжения.

http://kazus.ru/articles/431.html

Или банальная TL431.

А контроль напряжения осуществляется путем опроса входа или по прерыванию?
Последний раз редактировалось svm 14 янв 2018, 17:43, всего редактировалось 3 раза.
ALViktor
Кандидат
Сообщения: 84
Зарегистрирован: 07 апр 2015, 17:24
Репутация: 50
Настоящее имя: Виктор
Контактная информация:

Re: Автономный контроллер для самодельного лазерного гравера

Сообщение ALViktor »

svm писал(а):Компараторы, это конечно хорошо, но есть специализированные ИС контроля напряжения.
это немного не то, они просто останавливают проц при снижении питания, что бы он данные не попортил.
А тут надо сохранить позицию в памяти, что бы продолжить с места остановки.
Нужно измерять напряжение до стабилизатора питания и при определенном снижении останавливать работу станка и сохранять данные. Нужна свободная нога процессора. добавляется до входа в 7805 диод и конденсатор большой емкости. Измеряется напряжение до диода.
ALViktor
Кандидат
Сообщения: 84
Зарегистрирован: 07 апр 2015, 17:24
Репутация: 50
Настоящее имя: Виктор
Контактная информация:

Re: Автономный контроллер для самодельного лазерного гравера

Сообщение ALViktor »

140120181996.jpg (3434 просмотра) <a class='original' href='./download/file.php?id=129320&mode=view' target=_blank>Загрузить оригинал (437.24 КБ)</a>
Примерно так.
Необходимо еще обеспечить работу силовой части до того как процессор остановит станок.
svm
Мастер
Сообщения: 367
Зарегистрирован: 23 ноя 2017, 12:56
Репутация: 75
Настоящее имя: Владимир Сергеев
Откуда: Бузулук
Контактная информация:

Re: Автономный контроллер для самодельного лазерного гравера

Сообщение svm »

ALViktor писал(а):это немного не то, они просто останавливают проц при снижении питания, что бы он данные не попортил.
Не обязательно проц останавливать, они с высокой точностью могут определить просадку напряжения и просигнализировать об этом. А что делать с этим сигналом решаете Вы. Их преимущество - три ноги, низкая цена и высокая точность
Аватара пользователя
ArrSoft
Мастер
Сообщения: 424
Зарегистрирован: 20 май 2017, 18:31
Репутация: 235
Настоящее имя: добродушненький
Контактная информация:

Re: Автономный контроллер для самодельного лазерного гравера

Сообщение ArrSoft »

Козёл писал(а):
Harkan писал(а):Значит функция отключения питание действует только на фрезере (Mega 2560). Из за нехватку памяти на 328р не предусмотрено.
На m328p предусмотрено только сохранение позиции, т.е. при каждом включении контроллера координаты будут не 0,0 а те, которые были при выключении. А так да, на код который бы прочитал до нужной строки и восстановил все предыдущие значения (скорость подачи, мощьность лазера, единицы измерения), не хватит (точнее не хватает, я проверял) памяти!

И для этой функции нужно придумать какое-то устройство, которое бы определило отключение питания. К примеру, когда я выключаю свой лазер из розетки, контроллер еще где-то 1-1.5 секунды работает. Может быть одного компаратора будет достаточно?
Вложение 1.jpg больше недоступно
На схеме Arduino и компаратор запитываются от внешнего преобразователя 7805 (КРЕН'ка), один из входов компаратора подключен к выходу (+5V) 7805, а на другом - делитель напряжения. Резисторы R1 и R2 нужно подобрать таким образом, чтобы при 12В на выходе напряжение было больше чем на 7805. При отключении питания напряжение (наверное) должно плавно падать? И в какой-то момент на делителе должно будет получится меньше 5V и выход компаратора изменит свое состояние и контроллер начнет записывать данные в EEPROM. Или я фигню какую-то придумал? Может это как-то по другому делается?

P.S. Толком не знаю как и когда используется компаратор.
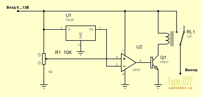
вот так сработает, надо только питание самого контроллера сделать через диод и конденсатор большой емкости, что бы хватило времени не тольо послать команду стоп но и записать координаты
http://radiokot.ru/circuit/power/charger/11/
Вложения
01.gif
01.gif (8.73 КБ) 3413 просмотров
питание.jpg (3409 просмотров) <a class='original' href='./download/file.php?id=129323&mode=view' target=_blank>Загрузить оригинал (62.74 КБ)</a>
svm
Мастер
Сообщения: 367
Зарегистрирован: 23 ноя 2017, 12:56
Репутация: 75
Настоящее имя: Владимир Сергеев
Откуда: Бузулук
Контактная информация:

Re: Автономный контроллер для самодельного лазерного гравера

Сообщение svm »

ArrSoft писал(а):вот так сработает
Сработать то сработает, но зачем два 7805 включенных абсолютно одинаково, зачем реле, может еще и контактор пятой величины поставить?
Ответить

Вернуться в «Электроника»