Простые схемы для ЧПУ
- Сергей Саныч
- Мастер
- Сообщения: 9116
- Зарегистрирован: 30 май 2012, 14:20
- Репутация: 2858
- Откуда: Тюмень
- Контактная информация:
Простые схемы для ЧПУ
В этой теме планирую изредка размещать несложные схемки (свои и не только) и простые решения, которые могут пригодиться для станков с ЧПУ.
Все схемы мной были проверены и работают.
Итак, начнем.
Схема обработки сигналов контактных датчиков.
Рассчитана, главным образом, на работу с центроискателями типа "6 шаров, 3 цилиндра", например "Контакт-3", либо самодельных. Напряжение на разомкнутых входных контактах 12 В, ток через замкнутые контакты - 0,5 мА. Эти параметры обеспечивают как уверенную фиксацию замыкания, так и отсутствие электроэрозии контактов.
Построена на базе распространенной микросхемы NE555 (отечественный аналог КР1006ВИ1), включенной по схеме триггера Шмитта. При размыкании входных контактов выход OUT замыкается на GND и загорается светодиод.
Все схемы мной были проверены и работают.
Итак, начнем.
Схема обработки сигналов контактных датчиков.
Рассчитана, главным образом, на работу с центроискателями типа "6 шаров, 3 цилиндра", например "Контакт-3", либо самодельных. Напряжение на разомкнутых входных контактах 12 В, ток через замкнутые контакты - 0,5 мА. Эти параметры обеспечивают как уверенную фиксацию замыкания, так и отсутствие электроэрозии контактов.
Построена на базе распространенной микросхемы NE555 (отечественный аналог КР1006ВИ1), включенной по схеме триггера Шмитта. При размыкании входных контактов выход OUT замыкается на GND и загорается светодиод.
Чудес не бывает. Бывают фокусы.
-
nik1
- Мастер
- Сообщения: 8408
- Зарегистрирован: 02 окт 2012, 07:37
- Репутация: 3629
- Откуда: Красногорск
- Контактная информация:
Re: Простые схемы для ЧПУ
Сергей Саныч, выход на контроллер с 7 выхода напрямую , транзистрон не нужно ставить?
С 3 выхода можно брать сигнал на контролер?
С 3 выхода можно брать сигнал на контролер?
- Сергей Саныч
- Мастер
- Сообщения: 9116
- Зарегистрирован: 30 май 2012, 14:20
- Репутация: 2858
- Откуда: Тюмень
- Контактная информация:
Re: Простые схемы для ЧПУ
Да. Это выход с открытым коллектором. Если на отключенном входе контроллера не более 12 вольт.nik1 писал(а):выход на контроллер с 7 выхода напрямую
Выход 3 тоже можно использовать, он типа push-pull, то есть может работать и со втекающим током и с вытекающим, до 200 мА.
Чудес не бывает. Бывают фокусы.
-
nik1
- Мастер
- Сообщения: 8408
- Зарегистрирован: 02 окт 2012, 07:37
- Репутация: 3629
- Откуда: Красногорск
- Контактная информация:
Re: Простые схемы для ЧПУ
Питание 24в
тогда может оптопару поставить ?
тогда может оптопару поставить ?
-
sas_75
- Мастер
- Сообщения: 463
- Зарегистрирован: 10 мар 2015, 11:03
- Репутация: 115
- Настоящее имя: Сергей
- Откуда: Владивосток
- Контактная информация:
Re: Простые схемы для ЧПУ
С 7 можно напрямую к контроллеру, только подтянуть его через резистор 4,7-10 кОм к "+" питания контроллера. Можно для надежности между 7 выводом NE555 и входом контроллера включить диод катодом к NE555, подтягивающий резистор соответственно на ногу контроллера.
- Сергей Саныч
- Мастер
- Сообщения: 9116
- Зарегистрирован: 30 май 2012, 14:20
- Репутация: 2858
- Откуда: Тюмень
- Контактная информация:
Re: Простые схемы для ЧПУ
Можно оптопару, можно простой транзисторный ключ.nik1 писал(а):Питание 24в
тогда может оптопару поставить ?
Если покажешь схему входных цепей контроллера, можно еще что-нибудь будет придумать.
Чудес не бывает. Бывают фокусы.
-
nik1
- Мастер
- Сообщения: 8408
- Зарегистрирован: 02 окт 2012, 07:37
- Репутация: 3629
- Откуда: Красногорск
- Контактная информация:
Re: Простые схемы для ЧПУ
На входе контролера стоят оптопары, питание 24в
включаются минусом
включаются минусом
- Сергей Саныч
- Мастер
- Сообщения: 9116
- Зарегистрирован: 30 май 2012, 14:20
- Репутация: 2858
- Откуда: Тюмень
- Контактная информация:
Re: Простые схемы для ЧПУ
Тогда берем любой npn транзистор, который держит на коллекторе не менее 30В и делаем ключ. Базу через резистор килоома на 2-3 к третьей ноге 555, эмиттер на GND, коллектор - ко входу контроллера. Можно полевик поставить, тот же 2N7002, тогда резистор не нужен.
Чудес не бывает. Бывают фокусы.
- Сергей Саныч
- Мастер
- Сообщения: 9116
- Зарегистрирован: 30 май 2012, 14:20
- Репутация: 2858
- Откуда: Тюмень
- Контактная информация:
Устройство аварийного отключения
Это устройство предназначено для отключения сетевого питания, когда "что-то пошло не так" и пошел дым
Например, забыли сковородку на электроплите. Или термошкаф вышел из-под контроля.
Сделано на базе пожарного извещателя (датчика дыма) и доработанного автоматического предохранителя ("автомата"). Доработка заключалась в установке электромагнита, воздействующего на механизм автомата. Такие устройства называются "независимый расцепитель" и выпускаются промышленно, но подходящего я не нашел, поэтому приладил электромагнит от ВАЗовского автомобильного реле. При срабатывании рычажок, припаянный к якорю реле, нажимает на пластмаску внутри автомата, в результате он выключается. Для обнаружения дыма служит стандартный пожарный извещатель ИП212-45. При появлении дыма извещатель замыкает цепь сигнализации, но допустимый ток для срабатывания электромагнита недостаточен. Поэтому для согласования с электромагнитом применен простой ключ на транзисторе.
Питание - БП для светодиодного освещения 220/12В, 0.5А, точнее, плата от него. Видео тестирования "в условиях, близких к реальным"
https://www.youtube.com/watch?v=qt0Qzx6MYC8
Например, забыли сковородку на электроплите. Или термошкаф вышел из-под контроля.
Сделано на базе пожарного извещателя (датчика дыма) и доработанного автоматического предохранителя ("автомата"). Доработка заключалась в установке электромагнита, воздействующего на механизм автомата. Такие устройства называются "независимый расцепитель" и выпускаются промышленно, но подходящего я не нашел, поэтому приладил электромагнит от ВАЗовского автомобильного реле. При срабатывании рычажок, припаянный к якорю реле, нажимает на пластмаску внутри автомата, в результате он выключается. Для обнаружения дыма служит стандартный пожарный извещатель ИП212-45. При появлении дыма извещатель замыкает цепь сигнализации, но допустимый ток для срабатывания электромагнита недостаточен. Поэтому для согласования с электромагнитом применен простой ключ на транзисторе.
Питание - БП для светодиодного освещения 220/12В, 0.5А, точнее, плата от него. Видео тестирования "в условиях, близких к реальным"
https://www.youtube.com/watch?v=qt0Qzx6MYC8
Чудес не бывает. Бывают фокусы.
- xvovanx
- Мастер
- Сообщения: 3773
- Зарегистрирован: 25 фев 2016, 12:27
- Репутация: 920
- Настоящее имя: Владимир
- Откуда: Latvia
- Контактная информация:
Re: Устройство аварийного отключения
А если закурил на кухне, то и без ужина осталсяСергей Саныч писал(а):Это устройство предназначено для отключения сетевого питания, когда "что-то пошло не так" и пошел дым![]()
....
-
Фрост
- Мастер
- Сообщения: 393
- Зарегистрирован: 28 окт 2013, 00:18
- Репутация: 23
- Настоящее имя: Сергей
- Контактная информация:
Re: Простые схемы для ЧПУ
Сергей Саныч,
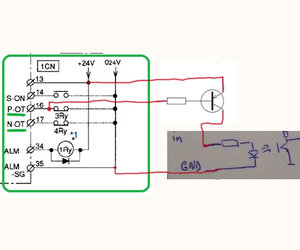
не совсем по теме, но просьба помочь. Есть входа сервы (оптроны) управляемые 0в, есть концевики (нормально замкнутые индукционные китайские датчики). Хочу подключить к плате, чтоб чпу в случае чего знало, что сработали лимиты. Но сигнал надо подавать +24в (сейчас работает от 12) при пропадании 0в на базе транзистора. Ну или наоборот, пропаданием 24в если вход выставить в in-n, смотря как проще. Мне это видится ввиде такого простого ключа, но не знаю, какой транзистор для этого подойдет, и какой номинал ограничивающего резистора. Ну или может есть какая микросхема с аналогичным функционалом, мне надо сделать 6 таких ключей.
не совсем по теме, но просьба помочь. Есть входа сервы (оптроны) управляемые 0в, есть концевики (нормально замкнутые индукционные китайские датчики). Хочу подключить к плате, чтоб чпу в случае чего знало, что сработали лимиты. Но сигнал надо подавать +24в (сейчас работает от 12) при пропадании 0в на базе транзистора. Ну или наоборот, пропаданием 24в если вход выставить в in-n, смотря как проще. Мне это видится ввиде такого простого ключа, но не знаю, какой транзистор для этого подойдет, и какой номинал ограничивающего резистора. Ну или может есть какая микросхема с аналогичным функционалом, мне надо сделать 6 таких ключей.