Связка 4х сервоприводов в одно целое

Контроллеры, драйверы, датчики, управляющие устройства.
Nikomas
Мастер
Сообщения: 721
Зарегистрирован: 07 янв 2012, 14:31
Репутация: 64
Откуда: Беларусь
Контактная информация:

Связка 4х сервоприводов в одно целое

Сообщение Nikomas »

Друзья, будет ли работать 3яя схема, или здесь без диодов не обойтись? Планирую все 4 сигнала EMG усилков рвать одной релюшкой.
Вложения
2017-06-23_084515.jpg (3315 просмотров) <a class='original' href='./download/file.php?id=114597&mode=view' target=_blank>Загрузить оригинал (216.44 КБ)</a>
Аватара пользователя
michael-yurov
Почётный участник
Почётный участник
Сообщения: 11731
Зарегистрирован: 26 июл 2012, 00:10
Репутация: 4703
Настоящее имя: Михаил Львович
Откуда: Новоуральск
Контактная информация:

Re: Связка 4х сервоприводов в одно целое

Сообщение michael-yurov »

А чем третья схема отличается от первой?
Nikomas
Мастер
Сообщения: 721
Зарегистрирован: 07 янв 2012, 14:31
Репутация: 64
Откуда: Беларусь
Контактная информация:

Re: Связка 4х сервоприводов в одно целое

Сообщение Nikomas »

michael-yurov писал(а):А чем третья схема отличается от первой?
Мне так нагляднее)) Уж простите нуба. Если ничем, то тогда 3яя имеет право на жизнь?
Аватара пользователя
michael-yurov
Почётный участник
Почётный участник
Сообщения: 11731
Зарегистрирован: 26 июл 2012, 00:10
Репутация: 4703
Настоящее имя: Михаил Львович
Откуда: Новоуральск
Контактная информация:

Re: Связка 4х сервоприводов в одно целое

Сообщение michael-yurov »

Да я без подколок. Вроде бы не отличается.
А ответа на ваш вопрос не знаю. Я не знаю, что за сервоприводы и что за сигнал EMG.

Если это вход сигнала, то, полагаю, можно обойтись одной контактной парой и все входы запараллельить.
2017-06-23_084515.jpg (3298 просмотров) <a class='original' href='./download/file.php?id=114601&mode=view' target=_blank>Загрузить оригинал (179.21 КБ)</a>
Но это лишь предположение. Что там на самом деле - не известно.
Nikomas
Мастер
Сообщения: 721
Зарегистрирован: 07 янв 2012, 14:31
Репутация: 64
Откуда: Беларусь
Контактная информация:

Re: Связка 4х сервоприводов в одно целое

Сообщение Nikomas »

michael-yurov писал(а):Что там на самом деле - не известно.
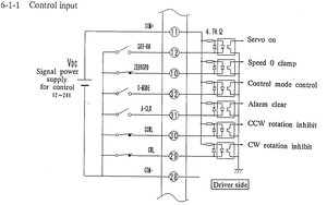
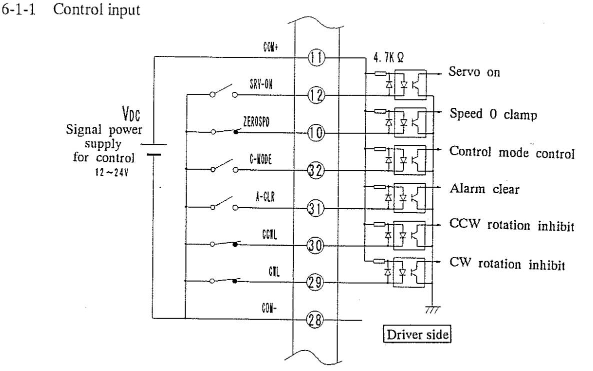
Вот что внутрях.
2017-06-23_095750.jpg (3296 просмотров) <a class='original' href='./download/file.php?id=114602&mode=view' target=_blank>Загрузить оригинал (73.36 КБ)</a>
Сигналы Servo-ON с 4х усилков хочу завести в одну группу контактов реле. И уже из LinuxCNC управлять включением приводов.
MGG
Мастер
Сообщения: 3673
Зарегистрирован: 08 фев 2016, 16:33
Репутация: 1010
Настоящее имя: Манн Геннадий Геннадьевич
Откуда: Москва
Контактная информация:

Re: Связка 4х сервоприводов в одно целое

Сообщение MGG »

Nikomas писал(а):Сигналы Servo-ON с 4х усилков хочу завести в одну группу контактов реле. И уже из LinuxCNC управлять включением приводов.
Будет работать. У меня вообще без реле напрямую в контроллер заведено.
http://www.cnc-club.ru/forum/viewtopic. ... 76#p304076 Поставки оборудования для ваших станков
https://www.instagram.com/dtw.moscow/
dtw.moscow@gmail.com
Nikomas
Мастер
Сообщения: 721
Зарегистрирован: 07 янв 2012, 14:31
Репутация: 64
Откуда: Беларусь
Контактная информация:

Re: Связка 4х сервоприводов в одно целое

Сообщение Nikomas »

MGG писал(а):Будет работать.
Диоды лишние?
Аватара пользователя
michael-yurov
Почётный участник
Почётный участник
Сообщения: 11731
Зарегистрирован: 26 июл 2012, 00:10
Репутация: 4703
Настоящее имя: Михаил Львович
Откуда: Новоуральск
Контактная информация:

Re: Связка 4х сервоприводов в одно целое

Сообщение michael-yurov »

Nikomas писал(а):Сигналы Servo-ON с 4х усилков хочу завести в одну группу контактов реле. И уже из LinuxCNC управлять включением приводов.
Если там как на схеме резисторы на 4,7 кОм и питание до 24 В, то можно все входы повесить на одну оптопару pc817 и контактных групп реле не нужно.
MGG
Мастер
Сообщения: 3673
Зарегистрирован: 08 фев 2016, 16:33
Репутация: 1010
Настоящее имя: Манн Геннадий Геннадьевич
Откуда: Москва
Контактная информация:

Re: Связка 4х сервоприводов в одно целое

Сообщение MGG »

Nikomas писал(а):Диоды лишние?
В электроинке не силен, у меня работает без них, контроллер разрывает землю, в данном случае SRV-ON. Все подключено напрямую, без диодов и реле
http://www.cnc-club.ru/forum/viewtopic. ... 76#p304076 Поставки оборудования для ваших станков
https://www.instagram.com/dtw.moscow/
dtw.moscow@gmail.com
aftaev
Зачётный участник
Зачётный участник
Сообщения: 34042
Зарегистрирован: 04 апр 2010, 19:22
Репутация: 6194
Откуда: Казахстан.
Контактная информация:

Re: Связка 4х сервоприводов в одно целое

Сообщение aftaev »

Nikomas писал(а):Сигналы Servo-ON с 4х усилков хочу завести в одну группу контактов реле. И уже из LinuxCNC управлять включением приводов.
Платы MESA умеют включать сигнал S-On без всяких реле ;)
Дилетанту сложные вещи кажутся очень простыми, и только профессионал понимает насколько сложна самая простая вещь
Кто хочет - ищет возможности, кто не хочет - ищет оправдание.
Найди работу по душе и тебе не придется работать.
Nikomas
Мастер
Сообщения: 721
Зарегистрирован: 07 янв 2012, 14:31
Репутация: 64
Откуда: Беларусь
Контактная информация:

Re: Связка 4х сервоприводов в одно целое

Сообщение Nikomas »

aftaev писал(а):Платы MESA умеют включать сигнал S-On без всяких реле
Ради включения SON покупать Меса - расточительство)))
vektor_z
Мастер
Сообщения: 405
Зарегистрирован: 30 ноя 2014, 16:45
Репутация: 387
Настоящее имя: Василий
Откуда: Украина. Закарпатская обл.
Контактная информация:

Re: Связка 4х сервоприводов в одно целое

Сообщение vektor_z »

Nikomas писал(а):Ради включения SON покупать Меса - расточительство)))
В принципе любые контроллеры которые разрывают землю можно подключать на S-ON напрямую. У меня на контроллере myCNC тоже S-ON заведен в контроллер напрямую, и работает.
Nikomas
Мастер
Сообщения: 721
Зарегистрирован: 07 янв 2012, 14:31
Репутация: 64
Откуда: Беларусь
Контактная информация:

Re: Связка 4х сервоприводов в одно целое

Сообщение Nikomas »

vektor_z писал(а):У меня на контроллере myCNC тоже S-ON заведен в контроллер напрямую, и работает.
Речь идет о 4 SON от усилков в одном жгуте.
vektor_z
Мастер
Сообщения: 405
Зарегистрирован: 30 ноя 2014, 16:45
Репутация: 387
Настоящее имя: Василий
Откуда: Украина. Закарпатская обл.
Контактная информация:

Re: Связка 4х сервоприводов в одно целое

Сообщение vektor_z »

Насчет 4 S-ON не знаю, но 3 S-ON в одной связке, то есть все 3 S-ON подключены паралельно к одному выходному порту работают)
Nikomas
Мастер
Сообщения: 721
Зарегистрирован: 07 янв 2012, 14:31
Репутация: 64
Откуда: Беларусь
Контактная информация:

Re: Связка 4х сервоприводов в одно целое

Сообщение Nikomas »

vektor_z писал(а):то есть все 3 S-ON подключены паралельно к одному выходному порту работают
Вот и отлично. Думаю, вопрос решен.
Аватара пользователя
michael-yurov
Почётный участник
Почётный участник
Сообщения: 11731
Зарегистрирован: 26 июл 2012, 00:10
Репутация: 4703
Настоящее имя: Михаил Львович
Откуда: Новоуральск
Контактная информация:

Re: Связка 4х сервоприводов в одно целое

Сообщение michael-yurov »

Nikomas писал(а):Речь идет о 4 SON от усилков в одном жгуте.
(24 - 1,2) В / 4700 Ом * 4 шт. = 19 мА
С таким справится оптопара за 3 руб. + резистор за 20 коп.
Аватара пользователя
Сергей Саныч
Мастер
Сообщения: 9116
Зарегистрирован: 30 май 2012, 14:20
Репутация: 2858
Откуда: Тюмень
Контактная информация:

Re: Связка 4х сервоприводов в одно целое

Сообщение Сергей Саныч »

Если подключать к обычной китайской плате ввода-вывода, где на выходах 74HC244 или подобные микросхемы, то прямое подключение не подойдет. Нельзя на ее выходы подавать больше 5 вольт.
Цена решения вопроса - один транзистор и один резистор. Ну или
michael-yurov писал(а):С таким справится оптопара за 3 руб. + резистор за 20 коп.
Чудес не бывает. Бывают фокусы.
Nikomas
Мастер
Сообщения: 721
Зарегистрирован: 07 янв 2012, 14:31
Репутация: 64
Откуда: Беларусь
Контактная информация:

Re: Связка 4х сервоприводов в одно целое

Сообщение Nikomas »

Сергей Саныч писал(а):Если подключать к обычной китайской плате ввода-вывода
У китайской платы есть 3 реле (14, 16, 17 выходы LPT). На NO группу контактов одной из реле и будут заведены все SON.
Аватара пользователя
Сергей Саныч
Мастер
Сообщения: 9116
Зарегистрирован: 30 май 2012, 14:20
Репутация: 2858
Откуда: Тюмень
Контактная информация:

Re: Связка 4х сервоприводов в одно целое

Сообщение Сергей Саныч »

Nikomas писал(а):На NO группу контактов одной из реле и будут заведены все SON.
Можно и так.
Чудес не бывает. Бывают фокусы.
Аватара пользователя
Serg
Мастер
Сообщения: 21923
Зарегистрирован: 17 апр 2012, 14:58
Репутация: 5183
Заслуга: c781c134843e0c1a3de9
Настоящее имя: Сергей
Откуда: Москва
Контактная информация:

Re: Связка 4х сервоприводов в одно целое

Сообщение Serg »

Nikomas писал(а):Ради включения SON покупать Меса - расточительство)))
Помнится у MGG уже есть 7i77...
Я не Христос, рыбу не раздаю, но могу научить, как сделать удочку...
Ответить

Вернуться в «Электроника»