Китайский Ардуино и Grbl Controller

Контроллеры, драйверы, датчики, управляющие устройства.
olega01
Новичок
Сообщения: 7
Зарегистрирован: 31 янв 2017, 16:22
Репутация: 0
Настоящее имя: Олег
Контактная информация:

Re: Китайский Ардуино и Grbl Controller

Сообщение olega01 »

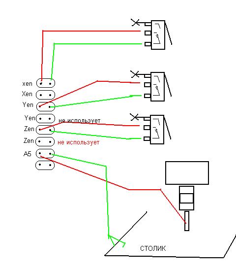
IGOR888 писал(а):Уважаемый Игорь! Интересует схема подключения концевиков к плате и соответствующие настройки в программе для замкнутых концевиков.
Еще интересует вопрос управления оборотами шпинделя на данной плате. С Уважением, Игорь.

У kip96 схема примерно такая как на фото, регулировать можно но с доп платой на али есть регулятор оборотов с ШИМ на 35в до 10А и с помощью ее без проблем .
Вложения
33333.JPG (9759 просмотров) <a class='original' href='./download/file.php?id=101818&mode=view' target=_blank>Загрузить оригинал (27.4 КБ)</a>
kip96
Новичок
Сообщения: 35
Зарегистрирован: 13 янв 2017, 20:41
Репутация: 0
Настоящее имя: Игорь
Контактная информация:

Re: Китайский Ардуино и Grbl Controller

Сообщение kip96 »

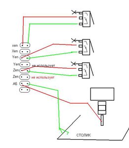
$5 - 0-нормально разомкнутые, 1- нормально замкнутые.
Концевики по одному, толька для того, что-бы отойти к нулевой точке. Если во время работы сработает концевик- то авария и всё заново. По этому зня размеры станка, стараюсь не выходить за пределы.
Транзистор не откусаны. Просто к ножкам подпаян разъём для TTL лазера. Один провод GND, второй ШИМ/затвор транзистора. Все функции сохранены.
olega01
Новичок
Сообщения: 7
Зарегистрирован: 31 янв 2017, 16:22
Репутация: 0
Настоящее имя: Олег
Контактная информация:

Re: Китайский Ардуино и Grbl Controller

Сообщение olega01 »

сегодня все собрал и настроил в GRBL controller был там один момент в программе , включал концивики в меню GRBL setting и оказалось что настройки в таблицы менялись не правильно то есть вводил в сетинге на $20 менял ноль на единицу наж кнопк апле и увидел что в таблице с лева пункт дол 20 не изменился а поменял свое значение дол13 )) затем уже менял значения вводя в строку над таблицей с лева например дол21 равно 1 и интер в результате все норм сегодня запустил концивики без резисторов , единственно как отключить этот режим "Если во время работы сработает концевик- то авария и всё заново" мало ли в программе ошибусь или заготовку положить на стол и по игрику например "уже было такое" два раза нажимал кнопку в права, забыл поменять с 100 на 1ку как дошел в конец так захрустел думал все хана ))
olega01
Новичок
Сообщения: 7
Зарегистрирован: 31 янв 2017, 16:22
Репутация: 0
Настоящее имя: Олег
Контактная информация:

Re: Китайский Ардуино и Grbl Controller

Сообщение olega01 »

как то давненько написал продавцу по поводу расспиновки на плату так сегодня прислал (а) сообщение с ссылкой !
Dear , you can learn it here :
http://www.instructables.com/id/GRBL-Pi ... -Nano-v30/
Аватара пользователя
АлександрСамара
Новичок
Сообщения: 18
Зарегистрирован: 24 ноя 2014, 18:03
Репутация: 2
Настоящее имя: Александр Николаевич
Контактная информация:

Re: Китайский Ардуино и Grbl Controller

Сообщение АлександрСамара »

Забодался я со своим шилдом, подтянул на землю 9-1-12 вывода через 10К, поменял усб шнур на другой от принтера, заэкранировал провод шпинделя, поставил шунтирующие емкости на самом шпинделе, провод шпинделя скруткой сделал, поменял другой УНО, так проблема и осталась. И появилась новая, встает и пишет про MPOs прочитал это, что то смутило.. https://github.com/MPOS/php-mpos оно не оно?

А кто юзал совмещенный ардуино-шилд, есть такие проблемы?
Аватара пользователя
Борисыч
Мастер
Сообщения: 215
Зарегистрирован: 08 фев 2017, 23:55
Репутация: 55
Настоящее имя: Константин
Откуда: Бишкек - Димитровград
Контактная информация:

Re: Китайский Ардуино и Grbl Controller

Сообщение Борисыч »

АлександрСамара писал(а):Забодался я со своим шилдом,
савсем не работает? :)
Аватара пользователя
АлександрСамара
Новичок
Сообщения: 18
Зарегистрирован: 24 ноя 2014, 18:03
Репутация: 2
Настоящее имя: Александр Николаевич
Контактная информация:

Re: Китайский Ардуино и Grbl Controller

Сообщение АлександрСамара »

Костян и ты тут)) Да, есть небольшие проблемы, не пойму где косяк лезет, но на твою НС Студио не перейду и не уговаривай))) И тем более на МАЧ3
IGOR888
Новичок
Сообщения: 15
Зарегистрирован: 18 ноя 2016, 16:03
Репутация: 0
Настоящее имя: IGOR
Контактная информация:

Re: Китайский Ардуино и Grbl Controller

Сообщение IGOR888 »

Уважаемые мастера! Подскажите пожалуйста по прошивке на GRBL контроллер китайского производства https://ru.aliexpress.com/item/Usb-Cnc- ... 4-VnYZvQVf . В данный момент стоит прошивка 0.9 - все работает как надо, но с программой управления Candle ранних версий не работает круговая интерполяция при прорезании отверстий заданного диаметра (с последними версиями работает, но не функционирует ручная подача). Короче - замкнутый круг, одним словом надо переходить на прошивку 1.1. Подскажите можно ли перейти на версию GRBL 1.1 на указанном шильде без последствий. Нигде не могу найти информации (может там есть несовпадение по выводам и т.д.). Заранее спасибо!
Аватара пользователя
АлександрСамара
Новичок
Сообщения: 18
Зарегистрирован: 24 ноя 2014, 18:03
Репутация: 2
Настоящее имя: Александр Николаевич
Контактная информация:

Re: Китайский Ардуино и Grbl Controller

Сообщение АлександрСамара »

В итоге у меня проблема не в ардуине, не в софте, а в помехах от китайского 500 ваттного шпинделя. как только заземлил его (громко сказано) корпус шпинделя повесил на массу "- питания") все проблемы рассосались. и чем больше всю аппаратную часть причесывал, экранировал, тем изощреннее вставала UGS, с более веселыми ошибками и ход от 0 точки до ошибки становился всё короче.

Шпиндель у меня развязан от сети, питаю через мощный трансформатор и выпрямитель напряжением 110 Вольт.
Fiks
Мастер
Сообщения: 299
Зарегистрирован: 08 окт 2012, 11:45
Репутация: 28
Контактная информация:

Re: Китайский Ардуино и Grbl Controller

Сообщение Fiks »

IGOR888 писал(а):не функционирует ручная подача
Не управляется с клавиатуры и стрелками на экране? Проверьте расстояние перемещения, по умолчанию кажется установлено 0,1мм. По этому и не видно движения.
IGOR888 писал(а):Подскажите можно ли перейти на версию GRBL 1.1 на указанном шильде без последствий.
На каком контроллере собрано? Из описания по ссылке не понятно. Для 328 и 2560 меги, прошивки верии 1.1 разные.
IGOR888
Новичок
Сообщения: 15
Зарегистрирован: 18 ноя 2016, 16:03
Репутация: 0
Настоящее имя: IGOR
Контактная информация:

Re: Китайский Ардуино и Grbl Controller

Сообщение IGOR888 »

Контроллер собран на 328.
Fiks
Мастер
Сообщения: 299
Зарегистрирован: 08 окт 2012, 11:45
Репутация: 28
Контактная информация:

Re: Китайский Ардуино и Grbl Controller

Сообщение Fiks »

На меге 328 прошивка 1. 1 работает, проверено лично. Главное после прошивки, сделать полный сброс настроек контроллера и заново настроить, иначе чудеса с перемещениями осей будет.
Аватара пользователя
ScrewDriver
Мастер
Сообщения: 1942
Зарегистрирован: 06 сен 2016, 01:44
Репутация: 498
Настоящее имя: Василий
Откуда: Москва
Контактная информация:

Re: Китайский Ардуино и Grbl Controller

Сообщение ScrewDriver »

А кто каким софтом для управления и посылки g-code пользуется?
Сейчас использую GRBL Controller 3.0 - но в нем многое не удобно, нет сканирования поверхности...

Пробовал Candle https://github.com/Denvi/Candle - всем понравилось, но иногда зависает на отправке g кода - такое ощущение, что не видит ответа от станка. (станок у меня по bluetooth подключен)
версия grbl 1.1 f
Промышленная автоматика, ПЛК, приводы, SCADA системы
Мой Ютуб канал.
Аватара пользователя
selenur
Почётный участник
Почётный участник
Сообщения: 4605
Зарегистрирован: 21 авг 2013, 19:44
Репутация: 1622
Настоящее имя: Сергей
Откуда: Новый Уренгой
Контактная информация:

Re: Китайский Ардуино и Grbl Controller

Сообщение selenur »

ScrewDriver писал(а):Candle https://github.com/Denvi/Candle - всем понравилось, но иногда зависает на отправке g кода - такое ощущение, что не видит ответа от станка. (станок у меня по bluetooth подключен)
Там по умолчанию высокая скорость запросов состояния у станка, попробуй увеличить значение этого параметра:
2017-02-28_180050.jpg (9216 просмотров) <a class='original' href='./download/file.php?id=104674&mode=view' target=_blank>Загрузить оригинал (87.02 КБ)</a>
Мой сайт: http://selenur.ru
Исходники моих программ: https://github.com/selenur
Instagram https://www.instagram.com/zheigurov/
Аватара пользователя
ScrewDriver
Мастер
Сообщения: 1942
Зарегистрирован: 06 сен 2016, 01:44
Репутация: 498
Настоящее имя: Василий
Откуда: Москва
Контактная информация:

Re: Китайский Ардуино и Grbl Controller

Сообщение ScrewDriver »

selenur писал(а): Там по умолчанию высокая скорость запросов состояния у станка, попробуй увеличить значение этого параметра:
Спасибо, попробую. Эм... А до скольки увеличить? У тебя, например сколько стоит? 40?
И еще момент... Там в настройках есть размеры фрезы - это для визуализации сделано?
Промышленная автоматика, ПЛК, приводы, SCADA системы
Мой Ютуб канал.
Аватара пользователя
selenur
Почётный участник
Почётный участник
Сообщения: 4605
Зарегистрирован: 21 авг 2013, 19:44
Репутация: 1622
Настоящее имя: Сергей
Откуда: Новый Уренгой
Контактная информация:

Re: Китайский Ардуино и Grbl Controller

Сообщение selenur »

ScrewDriver писал(а):
selenur писал(а): Там по умолчанию высокая скорость запросов состояния у станка, попробуй увеличить значение этого параметра:
Спасибо, попробую. Эм... А до скольки увеличить? У тебя, например сколько стоит? 40?
И еще момент... Там в настройках есть размеры фрезы - это для визуализации сделано?
Это вроде значение мсек, запроса статуса, попробуй поставить 1000 (это одна секунда) проверь как будет работать, если всё нормально, то попробуй 500, 250, и т.д. Возможно у тебя модуль bluetooth просто не может обеспечивать стабильно передачу на большой скорости, и снижение нагрузки поможет. Можно ещё конечно изменить в прошивке скорость с 115200 на меньшую, но это уже если первый вариант не поможет.

У меня стоит 40, и за последние пол года не одного сбоя не было, но у меня USB провод экранированный, 20 см длиной, и воткнут в USB 3.0
Мой сайт: http://selenur.ru
Исходники моих программ: https://github.com/selenur
Instagram https://www.instagram.com/zheigurov/
Аватара пользователя
ScrewDriver
Мастер
Сообщения: 1942
Зарегистрирован: 06 сен 2016, 01:44
Репутация: 498
Настоящее имя: Василий
Откуда: Москва
Контактная информация:

Re: Китайский Ардуино и Grbl Controller

Сообщение ScrewDriver »

selenur писал(а):У меня стоит 40, и за последние пол года не одного сбоя не было, но у меня USB провод экранированный, 20 см длиной, и воткнут в USB 3.0
Хм у меня тоже стояло 40, видимо значение по умолчанию.
Поставил пока 250 - попробовал тестовый прогон, вроде бы нормально. Буду мониторить.
Поуправлял с клавиатуры - красота! Клава на беспроводной связи - получается как джойстик у станка.

Спасибо за подсказку!
Промышленная автоматика, ПЛК, приводы, SCADA системы
Мой Ютуб канал.
Аватара пользователя
3DPrinter
Мастер
Сообщения: 254
Зарегистрирован: 27 янв 2014, 23:51
Репутация: 8
Настоящее имя: Мария
Откуда: http://3DPrinter.ua
Контактная информация:

Re: Китайский Ардуино и Grbl Controller

Сообщение 3DPrinter »

Может немного оффтоп, но GRBL конечно круто
только вот чем под него gcode нарезаете?

Для лазера, я так понимаю оптимальный вариант: LaserGRBL

А для шпинделя чем нарезать? (В голову только ArtCam приходит, но он платный)
https://3DPrinter.ua - купить 3D принтер или заказать 3D печать в Украине.
Аватара пользователя
АлександрСамара
Новичок
Сообщения: 18
Зарегистрирован: 24 ноя 2014, 18:03
Репутация: 2
Настоящее имя: Александр Николаевич
Контактная информация:

Re: Китайский Ардуино и Grbl Controller

Сообщение АлександрСамара »

Они все платнные, но мы то умнее))
Есть HSMWorks для солида, крутое добавление, правда тоже "платный"
Можно и ручками в текстовом редакторе
вот список некоторых программ, там есть и бесплатные
https://en.wikipedia.org/wiki/Compariso ... gn_editors))

Габриелю все равно, откуда ему А-код прилетел..
Аватара пользователя
3DPrinter
Мастер
Сообщения: 254
Зарегистрирован: 27 янв 2014, 23:51
Репутация: 8
Настоящее имя: Мария
Откуда: http://3DPrinter.ua
Контактная информация:

Re: Китайский Ардуино и Grbl Controller

Сообщение 3DPrinter »

Не феншуй =)
Опенсорс прошивка, а потому логичней было бы использовать опенсорс софт
Не люблю пиратский софт. Первостепенно всегда пытаюсь найти фри альтернативу.
https://3DPrinter.ua - купить 3D принтер или заказать 3D печать в Украине.
Ответить

Вернуться в «Электроника»