Brushless analog tacho
- ART_ME
- Мастер
- Сообщения: 394
- Зарегистрирован: 17 ноя 2015, 18:05
- Репутация: -40
- Контактная информация:
Brushless analog tacho
Ввиду того, что по объективным причинам хотелось бы смоделировать сервосистему INDRAMAT в отсутствии мотора и всего прочего, окромя отремонтированной сервы TDM 3, хотелось бы получить любую инфу о том, какой именно сигнал подается с устройства под названием Brushless analog tacho на ниже приложенном куске схемы. Буду признателен за любую информацию, включая свободный поток мыслей и логические выводы, а также сплетни, слухи и басни.
Никогда не спорьте с дураками. Они опустят Вас до своего уровня и победят за счет опыта.
- ART_ME
- Мастер
- Сообщения: 394
- Зарегистрирован: 17 ноя 2015, 18:05
- Репутация: -40
- Контактная информация:
Re: Brushless analog tacho
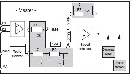
Вот есть еще такой рисунок из мануала.
Никогда не спорьте с дураками. Они опустят Вас до своего уровня и победят за счет опыта.
- Serg
- Мастер
- Сообщения: 21923
- Зарегистрирован: 17 апр 2012, 14:58
- Репутация: 5183
- Заслуга: c781c134843e0c1a3de9
- Настоящее имя: Сергей
- Откуда: Москва
- Контактная информация:
Re: Brushless analog tacho
Полагаю три прямоугольных сигнала со сдвигом по фазе в 120 градусов.
Я не Христос, рыбу не раздаю, но могу научить, как сделать удочку...
- NightV
- Почётный участник

- Сообщения: 6610
- Зарегистрирован: 30 дек 2011, 09:14
- Репутация: 2279
- Настоящее имя: Владимир Айрапетян
- Откуда: Israel
- Контактная информация:
Re: Brushless analog tacho
Походу обычный тахогенератор, только безщеточный.
Только зачем уточнять что он аналоговый, я не понял... Так как это по сути генератор, чем быстрее крутим тем выше напряжение на выходе, на щилдике должно быть написано, сколько вольт на сколько оборот (кажется так вольт/1000 rpm)
Только зачем уточнять что он аналоговый, я не понял... Так как это по сути генератор, чем быстрее крутим тем выше напряжение на выходе, на щилдике должно быть написано, сколько вольт на сколько оборот (кажется так вольт/1000 rpm)
Всё просто! если знаешь КАК!
- ART_ME
- Мастер
- Сообщения: 394
- Зарегистрирован: 17 ноя 2015, 18:05
- Репутация: -40
- Контактная информация:
Re: Brushless analog tacho
Вот и я засомневался - если он бесщеточный, значит на его выходе переменное напряжение? 
Опять же, обычный тахогенератор постоянного тока бесполезен на низких оборотах, а ведь это не вентилятор, а полноценная серва.
Опять же, обычный тахогенератор постоянного тока бесполезен на низких оборотах, а ведь это не вентилятор, а полноценная серва.
Никогда не спорьте с дураками. Они опустят Вас до своего уровня и победят за счет опыта.
- N1X
- Мастер
- Сообщения: 3653
- Зарегистрирован: 16 фев 2015, 21:19
- Репутация: 1646
- Настоящее имя: Владимир
- Откуда: Беларусь, Гомель
- Контактная информация:
Re: Brushless analog tacho
Тахогенератор не бесполезен на малых оборотах. Старые советские сервы легко выдают порядка 1 оборота в минуту и меньше, и держат эту скорость по тахику... не так точно как на больших оборотах, но все же... И у тахогенератора есть одна особенность - у него на коллекторе с сотню ламелей, на глаз, никогда не считал, может и больше, а это порядка 50 полюсов... Т.е. он выдает довольно низкий коэффициент пульсаций. Чтобы сохранить эту фишку без коллектора нужно вывести все концы обмоток, нифиговый жгутик? Я думаю что-то они там намутили, но чтобы понять что - хотя бы фотка этого чуда нужна...
- ART_ME
- Мастер
- Сообщения: 394
- Зарегистрирован: 17 ноя 2015, 18:05
- Репутация: -40
- Контактная информация:
Re: Brushless analog tacho
В этой доке слово "бесщеточный" употреблено как минимум дважды, в доке на немецком языке значится "bürstenloser
Tachogenerator"... и да, это не китайцы, а немцы, причем с именем и историей, т.е. ошибки в доке исключены по определению.
Опять же в чертежике мотора явно показан бесконтактный датчик.
Напрашивается датчик Холла, но опять же - они пишут "аналоговый".
Неужели катушка с вращающимся внутри неё магнитом?
Tachogenerator"... и да, это не китайцы, а немцы, причем с именем и историей, т.е. ошибки в доке исключены по определению.
Опять же в чертежике мотора явно показан бесконтактный датчик.
Напрашивается датчик Холла, но опять же - они пишут "аналоговый".
Неужели катушка с вращающимся внутри неё магнитом?
Никогда не спорьте с дураками. Они опустят Вас до своего уровня и победят за счет опыта.
- N1X
- Мастер
- Сообщения: 3653
- Зарегистрирован: 16 фев 2015, 21:19
- Репутация: 1646
- Настоящее имя: Владимир
- Откуда: Беларусь, Гомель
- Контактная информация:
Re: Brushless analog tacho
Я не про ошибку, "намудрили" в смысле не просто убрали коллектор, там что-то другое. Катушка и магнит опять же при малом кол-ве полюсов даст сильную пульсацию ЭДС, чего в тахиках стараются избегать... Может там диск с прорезями и оптопара, а дальше преобразователь частота-напряжение...
Нужны карты таро )
Нужны карты таро )
- ART_ME
- Мастер
- Сообщения: 394
- Зарегистрирован: 17 ноя 2015, 18:05
- Репутация: -40
- Контактная информация:
Re: Brushless analog tacho
А вот она, карта!
И согласно этой карте мы имеем дело с... постоянным током.
Что в понятие бесщеточности нифига не укладывается.
Что в понятие бесщеточности нифига не укладывается.
Никогда не спорьте с дураками. Они опустят Вас до своего уровня и победят за счет опыта.
- ART_ME
- Мастер
- Сообщения: 394
- Зарегистрирован: 17 ноя 2015, 18:05
- Репутация: -40
- Контактная информация:
Re: Brushless analog tacho
...Указанный недостаток известных устройств, использующих якоря с коллекторами, устранён в заявляемом техническом решении, целями которого являются упрощение устройства, повышение надёжности его работы и увеличение срока его службы.
Указанные цели достигаются в бесколлекторном моторе-генераторе постоянного тока, содержащем вращающийся якорь вокруг неподвижного статора, отличающийся тем, что в качестве вращающегося якоря использована группа симметрично распределённых на окружности постоянных тороидальных магнитов, магнитные полюсы которых находятся на их плоских торцевых поверхностях и образуют прерывистый однонаправленный магнитный поток вдоль этой окружности, а в качестве неподвижного статора использована обмотка, выполненная на кольцевом каркасе круглого поперечного сечения, ось симметрии которого представляет окружность, совпадающую с окружностью, являющейся осью симметрии вращающегося якоря.
...
В отличие от получения частично пульсирующего тока одного направления в известных коллекторных электрогенераторах в заявляемом устройстве индуцируется чисто постоянный ток без каких-либо пульсаций, не требующий сглаживания применением сглаживающих фильтров. Это также следует отнести к числу достоинств заявляемого устройства. Поскольку напряжение в нагрузке определяется скоростью вращения якоря электрогенератора, то такое устройство можно использовать как измеритель скорости вращения (как тахогенератор).
Указанные цели достигаются в бесколлекторном моторе-генераторе постоянного тока, содержащем вращающийся якорь вокруг неподвижного статора, отличающийся тем, что в качестве вращающегося якоря использована группа симметрично распределённых на окружности постоянных тороидальных магнитов, магнитные полюсы которых находятся на их плоских торцевых поверхностях и образуют прерывистый однонаправленный магнитный поток вдоль этой окружности, а в качестве неподвижного статора использована обмотка, выполненная на кольцевом каркасе круглого поперечного сечения, ось симметрии которого представляет окружность, совпадающую с окружностью, являющейся осью симметрии вращающегося якоря.
...
В отличие от получения частично пульсирующего тока одного направления в известных коллекторных электрогенераторах в заявляемом устройстве индуцируется чисто постоянный ток без каких-либо пульсаций, не требующий сглаживания применением сглаживающих фильтров. Это также следует отнести к числу достоинств заявляемого устройства. Поскольку напряжение в нагрузке определяется скоростью вращения якоря электрогенератора, то такое устройство можно использовать как измеритель скорости вращения (как тахогенератор).
Никогда не спорьте с дураками. Они опустят Вас до своего уровня и победят за счет опыта.
-
nkp
- Мастер
- Сообщения: 8340
- Зарегистрирован: 28 ноя 2011, 00:25
- Репутация: 1589
- Контактная информация:
Re: Brushless analog tacho
вроде как описание отсюда взято...ART_ME писал(а):Указанные цели достигаются в бесколлекторном моторе-генераторе постоянного тока, содержащем вращающийся якорь вокруг неподвижного статора, отличающийся тем, что в качестве вращающегося якоря использована группа симметрично распределённых на окружности постоянных тороидальных магнитов
как по мне - так перепутаны термины - якорем названы магниты,хотя якорь - это всегда "основная" обмотка эл.машины...
в случае с генератором - обмотка,с которой снимается вырабатываемое напряжение,вне зависимости где она(обмотка) расположена - на роторе или на
статоре...
============
- ART_ME
- Мастер
- Сообщения: 394
- Зарегистрирован: 17 ноя 2015, 18:05
- Репутация: -40
- Контактная информация:
Re: Brushless analog tacho
В данном случае не важно откуда взято, важно, что бесколлекторный постоянного тока - это не нонсенс, а вполне реальное техническое решение, одно из которых и было описано в приведенной цитате. Что ведет к весьма приятному для меня следствию: вместо тахогенератора вешаю на вход сервы тривиальный потенциометр с +\- 15В.
Никогда не спорьте с дураками. Они опустят Вас до своего уровня и победят за счет опыта.
-
nkp
- Мастер
- Сообщения: 8340
- Зарегистрирован: 28 ноя 2011, 00:25
- Репутация: 1589
- Контактная информация:
Re: Brushless analog tacho
ну как бы пока не фактART_ME писал(а):реальное техническое решение
пока всего лишь не очень грамотное описание "изобретения"
да и вживую никто не встречал))
----------------
это как?ART_ME писал(а):вместо тахогенератора вешаю на вход сервы тривиальный потенциометр с +\- 15В.
тахогенератор(ТГ) - это попросту датчик оборотов в ОС системы "двигатель-привод"
потенциометр здесь вроде "не пляшет"
-
sidor094
- Мастер
- Сообщения: 826
- Зарегистрирован: 20 фев 2014, 09:13
- Репутация: 81
- Настоящее имя: Сергей
- Откуда: Москва
- Контактная информация:
Re: Brushless analog tacho
Это пока что только публикация.Где - нибудь описан реально работающий мотор или генератор подобного типа?Ток в любой обмотке возникает за счет изменения магнитного поля.Постоянный ток требует постоянно возрастающего или постоянно убывающего магнитного поля .Что в принципе не возможно.Так как потребовало бы бесконечно большого магнитного поля.Все коллекторные двигатели постоянного тока просто снимают напряжения во время только положительного или отрицательного изменения потока.ART_ME писал(а):В данном случае не важно откуда взято, важно, что бесколлекторный постоянного тока - это не нонсенс, а вполне реальное техническое решение
- ART_ME
- Мастер
- Сообщения: 394
- Зарегистрирован: 17 ноя 2015, 18:05
- Репутация: -40
- Контактная информация:
Re: Brushless analog tacho
Если данный датчик оборотов выдает аналоговое напряжение постоянного тока, то потенциометр - самая простая его модель - что не так?nkp писал(а):это как?ART_ME писал(а):вместо тахогенератора вешаю на вход сервы тривиальный потенциометр с +\- 15В.
тахогенератор(ТГ) - это попросту датчик оборотов в ОС системы "двигатель-привод"
потенциометр здесь вроде "не пляшет"
Никогда не спорьте с дураками. Они опустят Вас до своего уровня и победят за счет опыта.
-
nkp
- Мастер
- Сообщения: 8340
- Зарегистрирован: 28 ноя 2011, 00:25
- Репутация: 1589
- Контактная информация:
Re: Brushless analog tacho
он (ТГ) выдает его(напряжение) в зависимости от величины оборотов двигателя...ART_ME писал(а):что не так?
как тоже самое сделать с потенциометром??
- ART_ME
- Мастер
- Сообщения: 394
- Зарегистрирован: 17 ноя 2015, 18:05
- Репутация: -40
- Контактная информация:
Re: Brushless analog tacho
К мотору, которого нет!nkp писал(а):он (ТГ) выдает его(напряжение) в зависимости от величины оборотов двигателя...ART_ME писал(а):что не так?
как тоже самое сделать с потенциометром??
кто будет его крутить ?куда его механически прицепить?
С первым постом этой темы ознакомьтесь пожалуйста.
Никогда не спорьте с дураками. Они опустят Вас до своего уровня и победят за счет опыта.
-
nkp
- Мастер
- Сообщения: 8340
- Зарегистрирован: 28 ноя 2011, 00:25
- Репутация: 1589
- Контактная информация:
Re: Brushless analog tacho
прошу прощения - читал по диагонали ,ART_ME писал(а):С первым постом этой темы ознакомьтесь пожалуйста.
ох уж эта привычка многих называть словом "серва" почти всё ,что купили в Китае

понял так - есть в наличии привод,двигателя нет тогда полный вперед! а что такое "смоделировать"??
получить с сервопривода силовой сигнал в зависимости от управляющего? то есть - почти "нормальную" работу,только
без двигателя??
- ART_ME
- Мастер
- Сообщения: 394
- Зарегистрирован: 17 ноя 2015, 18:05
- Репутация: -40
- Контактная информация:
Re: Brushless analog tacho
Как минимум - добиться выдачи приводом сигнала готовности. Для чего подсунуть ему модели того, чего нет.nkp писал(а):понял так - есть в наличии привод,двигателя нет![]()
тогда полный вперед! а что такое "смоделировать"??
получить с сервопривода силовой сигнал в зависимости от управляющего? то есть - почти "нормальную" работу,только
без двигателя??
Как максимум - получить с сервопривода силовой сигнал в зависимости от управляющего - почти "нормальную" работу,только
без двигателя.
Исполнению первой задачи сейчас мешает отсутствие сигнала готовности тахо, почему собственно и возникла эта тема.
Никогда не спорьте с дураками. Они опустят Вас до своего уровня и победят за счет опыта.