Феррит на проводе - миф или реальность :)
- Карабас
- Мастер
- Сообщения: 1862
- Зарегистрирован: 02 мар 2016, 06:53
- Репутация: 690
- Контактная информация:
Re: Феррит на проводе - миф или реальность :)
Случай из жизни: год 2009, страшная гроза, молния бьёт в крышу. Крыша на тот момент не заземлена, но протянут провод для освещения.Разряд по проводу в домовую сеть, и в скважину по ПЛАСТИКОВОЙ трубе. Насос в хлам,лампочки в доме вдребезги. Вот вам и пластиковая труба.Вода как проводник не учитывается?
Последний раз редактировалось Карабас 12 май 2016, 21:30, всего редактировалось 1 раз.
Если на минусы жизни смотреть сквозь поднятый средний палец, то они становятся плюсами.
- torvn77
- Мастер
- Сообщения: 2442
- Зарегистрирован: 02 июн 2012, 22:12
- Репутация: 215
- Откуда: Россия,Санкт-Петербург
- Контактная информация:
Re: Феррит на проводе - миф или реальность :)
пойду, скастую в форум Вадима Большакова. 
- N1X
- Мастер
- Сообщения: 3653
- Зарегистрирован: 16 фев 2015, 21:19
- Репутация: 1646
- Настоящее имя: Владимир
- Откуда: Беларусь, Гомель
- Контактная информация:
Re: Феррит на проводе - миф или реальность :)
Ванна является действующей электроустановкой?Карабас писал(а):А ты в ванную, в старой панельке зайди и посмотри на что ванна заземлена.
Правила пожарной безопасности Республики Беларусь (не думаю, что в России и на Украине сильно по другому)
65. В качестве нулевых защитных (заземляющих) проводников должны использоваться только специально предназначенные для этого исправные проводники. Магистрали заземления должны быть присоединены к заземлителям не менее чем в двух разных местах и, по возможности, с противоположных сторон. Не допускается в качестве заземления использовать трубопроводы систем водопровода, канализации, отопления и подобных систем.
ПРАВИЛА УСТРОЙСТВА ЭЛЕКТРОУСТАНОВОК (ПУЭ)
1.7.123. Не допускается использовать в качестве PE-проводников:
металлические оболочки изоляционных трубок и трубчатых проводов, несущие тросы при тросовой электропроводке, металлорукава, а также свинцовые оболочки проводов и кабелей;
трубопроводы газоснабжения и другие трубопроводы горючих и взрывоопасных веществ и смесей, трубы канализации и центрального отопления;
водопроводные трубы при наличии в них изолирующих вставок.
А кабеля питания насоса рядом с трубой не было...Карабас писал(а):Насос в хлам
- AndyBig
- Мастер
- Сообщения: 3971
- Зарегистрирован: 07 мар 2014, 04:01
- Репутация: 1121
- Откуда: юг России
- Контактная информация:
Re: Феррит на проводе - миф или реальность :)
Зависит от напряжения. Для молний с их десятками-сотнями миллионов вольт и воздух - проводникКарабас писал(а):Вода как проводник не учитывается?
- K-ot-ya
- Новичок
- Сообщения: 23
- Зарегистрирован: 07 мар 2015, 23:35
- Репутация: 7
- Настоящее имя: Константин
- Контактная информация:
Re: Феррит на проводе - миф или реальность :)
Гы... Ржу-не могу.... Вот и поделился своим опытом за колечки.... Тема молчала почти год... И вот решил отметиться... Результат порадовал. За сутки две страницы накатали...
Что особенно забавляет, так это то, что полезной инфы = почти ноль.. Тот кто чой-то знает = отмалчивается и изъясняется намёками. Остальные флудят и тролят... За намёки и ссылочки спасибо.
К участникам огромная просьба. Господа! Не останавливайтесь! Теме ЖИТЬ! Глядишь, и кто-нить проговорится... =)))
Что особенно забавляет, так это то, что полезной инфы = почти ноль.. Тот кто чой-то знает = отмалчивается и изъясняется намёками. Остальные флудят и тролят... За намёки и ссылочки спасибо.
К участникам огромная просьба. Господа! Не останавливайтесь! Теме ЖИТЬ! Глядишь, и кто-нить проговорится... =)))
- Serg
- Мастер
- Сообщения: 21923
- Зарегистрирован: 17 апр 2012, 14:58
- Репутация: 5183
- Заслуга: c781c134843e0c1a3de9
- Настоящее имя: Сергей
- Откуда: Москва
- Контактная информация:
Re: Феррит на проводе - миф или реальность :)
Ну ты ж предложил заземление делать... Я лишь спросил для чего ты предлагаешь планету дырявить. А ты сразу и слился...Predator писал(а):Ну, вот снова начал троллить, пора покинуть эту дискуссию!...
Ванна не заземлена, а просто соединена с трубами (подающими и сливной) - это чтобы статика от текущей воды из душа в слив уходила не через тебя, а по этим самым проводам.Карабас писал(а):А ты в ванную, в старой панельке зайди и посмотри на что ванна заземлена.
Ну или если твой сосед свою фазу заземлит на вашу общую трубу, то это тоже спасёт стоящего под душем.
P.S. Причём в случае пластиковых труб специально устанавливается металлический элемент для этого.
Я не Христос, рыбу не раздаю, но могу научить, как сделать удочку...
- Serg
- Мастер
- Сообщения: 21923
- Зарегистрирован: 17 апр 2012, 14:58
- Репутация: 5183
- Заслуга: c781c134843e0c1a3de9
- Настоящее имя: Сергей
- Откуда: Москва
- Контактная информация:
Re: Феррит на проводе - миф или реальность :)
Вся полезная инфа уже много десятилетий как изложена в совершенно несекретном документе с названием "ПУЭ", но из вопрошающих его мало кто читает - им надо прямо щас конкретный ответ по их конкретному случаю.K-ot-ya писал(а):Что особенно забавляет, так это то, что полезной инфы = почти ноль..
Про заземления уже написано столько тем по разным форумам, что тем, "кто чой-то знает" уже надоело по стопицот раз разъяснять прописные истины тем, кто в этом мало что смыслит, остаётся только потроллить их в очередной раз.K-ot-ya писал(а):Тот кто чой-то знает = отмалчивается и изъясняется намёками.
Я не Христос, рыбу не раздаю, но могу научить, как сделать удочку...
- K-ot-ya
- Новичок
- Сообщения: 23
- Зарегистрирован: 07 мар 2015, 23:35
- Репутация: 7
- Настоящее имя: Константин
- Контактная информация:
Re: Феррит на проводе - миф или реальность :)
=) Достойный ответ и главное честный и справедливый... =) А как быть с этим? Ну отправьте меня по адресу коли чепятать лень....UAVpilot писал(а): Про заземления уже написано столько тем по разным форумам, что тем, "кто чой-то знает" уже надоело по стопицот раз разъяснять прописные истины тем, кто в этом мало что смыслит, остаётся только потроллить их в очередной раз.
UAVpilot писал(а): Помехи это никак не уменьшит. Заземление никак не влияет на помехи, оно всегда делается для защиты от пробоя, утечки, статики, молнии, ...
- Карабас
- Мастер
- Сообщения: 1862
- Зарегистрирован: 02 мар 2016, 06:53
- Репутация: 690
- Контактная информация:
Re: Феррит на проводе - миф или реальность :)
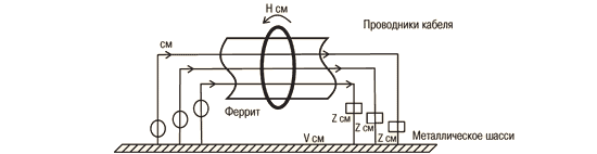
Ферриты для подавления электромагнитного излучения кабелей.
Внутренние и внешние кабели компьютерного оборудования могут работать как миниатюрные антенны, поскольку они преобразуют шумы напряжения и тока в электромагнитное излучение. Ферритовые изделия для плоских и круглых кабелей обеспечивают эффективное подавление шумовых токов до их излучения в виде электромагнитных помех.
Неэкранированные кабели излучают помехи вследствие протекания по их медным проводникам синфазного шума, то есть высокочастотного тока, текущего в одном направлении по всем проводникам кабеля.
Эти токи создают магнитное поле определенной величины и направления. Кабельные ферриты ослабляют шумовые токи, «захватывая» магнитное поле и рассеивая часть его энергии в виде тепла. Говоря на языке электротехники, ферритовый элемент, надетый на проводники кабеля, создает большой активный импеданс для синфазных токов.
Найдено на просторах интернета.
Внутренние и внешние кабели компьютерного оборудования могут работать как миниатюрные антенны, поскольку они преобразуют шумы напряжения и тока в электромагнитное излучение. Ферритовые изделия для плоских и круглых кабелей обеспечивают эффективное подавление шумовых токов до их излучения в виде электромагнитных помех.
Неэкранированные кабели излучают помехи вследствие протекания по их медным проводникам синфазного шума, то есть высокочастотного тока, текущего в одном направлении по всем проводникам кабеля.
Эти токи создают магнитное поле определенной величины и направления. Кабельные ферриты ослабляют шумовые токи, «захватывая» магнитное поле и рассеивая часть его энергии в виде тепла. Говоря на языке электротехники, ферритовый элемент, надетый на проводники кабеля, создает большой активный импеданс для синфазных токов.
Найдено на просторах интернета.
Если на минусы жизни смотреть сквозь поднятый средний палец, то они становятся плюсами.
- Serg
- Мастер
- Сообщения: 21923
- Зарегистрирован: 17 апр 2012, 14:58
- Репутация: 5183
- Заслуга: c781c134843e0c1a3de9
- Настоящее имя: Сергей
- Откуда: Москва
- Контактная информация:
Re: Феррит на проводе - миф или реальность :)
В гугле ищите ПУЭ и про "передачу сигналов".K-ot-ya писал(а):Ну отправьте меня по адресу коли чепятать лень....
Кроме самого последнего предложения всё остальное фигня полная...Карабас писал(а):Найдено на просторах интернета.
Собственно в #14 посте этой темы всё уже давно написано.
Я не Христос, рыбу не раздаю, но могу научить, как сделать удочку...
- Карабас
- Мастер
- Сообщения: 1862
- Зарегистрирован: 02 мар 2016, 06:53
- Репутация: 690
- Контактная информация:
Re: Феррит на проводе - миф или реальность :)
А мужики то не знают.UAVpilot писал(а):Собственно в #14 посте этой темы всё уже давно написано
Если на минусы жизни смотреть сквозь поднятый средний палец, то они становятся плюсами.
- шпиндель
- Мастер
- Сообщения: 1811
- Зарегистрирован: 23 янв 2016, 17:57
- Репутация: 901
- Настоящее имя: Дмитрий
- Откуда: Бологое
- Контактная информация:
Re: Феррит на проводе - миф или реальность :)
Феррит на проводе - миф или реальность
ещё какая реальность...я после попойки, на все пальцы рук, по одному ферриту...и ручки не трясутся !
- NightV
- Почётный участник

- Сообщения: 6610
- Зарегистрирован: 30 дек 2011, 09:14
- Репутация: 2279
- Настоящее имя: Владимир Айрапетян
- Откуда: Israel
- Контактная информация:
Re: Феррит на проводе - миф или реальность :)
а браслеты не пробовал смастерить?шпиндель писал(а):я после попойки, на все пальцы рук, по одному ферриту...и ручки не трясутся !
Всё просто! если знаешь КАК!
- torvn77
- Мастер
- Сообщения: 2442
- Зарегистрирован: 02 июн 2012, 22:12
- Репутация: 215
- Откуда: Россия,Санкт-Петербург
- Контактная информация:
Re: Феррит на проводе - миф или реальность :)
А почему никто не предложил такого простого способа тестирования фильтра:
- N1X
- Мастер
- Сообщения: 3653
- Зарегистрирован: 16 фев 2015, 21:19
- Репутация: 1646
- Настоящее имя: Владимир
- Откуда: Беларусь, Гомель
- Контактная информация:
Re: Феррит на проводе - миф или реальность :)
Сожгите уже еретика!
- NightV
- Почётный участник

- Сообщения: 6610
- Зарегистрирован: 30 дек 2011, 09:14
- Репутация: 2279
- Настоящее имя: Владимир Айрапетян
- Откуда: Israel
- Контактная информация:
Re: Феррит на проводе - миф или реальность :)
ты че!? этож миссия! несёт слово ЛинуксСНС в народ! правда... не всегда правильно и внятно.... но тащит!N1X писал(а):Сожгите уже еретика!
Всё просто! если знаешь КАК!
- kalinvick
- Мастер
- Сообщения: 1109
- Зарегистрирован: 30 янв 2015, 15:38
- Репутация: 1134
- Откуда: Москва
- Контактная информация:
Re: Феррит на проводе - миф или реальность :)
Поймете потом, через тыщу лет, да и то не все.NightV писал(а):ты че!? этож миссия! несёт слово ЛинуксСНС в народ! правда... не всегда правильно и внятно.... но тащит!
Мессии они всегда такие, не похожие на электриков и сантехников, живущих в соседнем подъезде с заземлением через ванную.
-
valb
- Мастер
- Сообщения: 267
- Зарегистрирован: 10 апр 2011, 23:01
- Репутация: 20
- Откуда: Пенза
- Контактная информация:
Re: Феррит на проводе - миф или реальность :)
Опять всем здрасьте.
За прошедший год так и не читалась теория, не делались опыты. Как топикстартер "познал" в первом посте, так знания и затормозились...
Мальчики уже все большие и учить значит портить. Поймите правильно: прежде чем сделать опыт (сказать слово) стоит подумать. И не раз.
Пы.сы. в своё время занимался вопросами помех на хорошем оборудовании в заводских условиях и за подписью заказчика.
За прошедший год так и не читалась теория, не делались опыты. Как топикстартер "познал" в первом посте, так знания и затормозились...
Канешна, дорогие генераторы, осциллографы, микровольтметры, анализаторы спектра стоят денех и больших. Проще орудовать пальцем. Просто знаний ЭТО не прибавляет. И прикрученая голосовалка больше против меня чем поиск истины.Сергей Саныч писал(а):Вопрос: что реально дают эти фильтры?Конечно, можно сказать, что эксперимент не корректен, что нужны специальные стенды за много тысяч нерублей, экранированная камера с клеткой уже упоминавшегося Фарадея. Но.Ведь мы смотрим работу в реальных условиях. И разным датчикам и прочим слаботочным чувствительным устройствам как-то без разницы, как изменился спектр помех с точки зрения прецизионного анализатора поля.
Мальчики уже все большие и учить значит портить. Поймите правильно: прежде чем сделать опыт (сказать слово) стоит подумать. И не раз.
Пы.сы. в своё время занимался вопросами помех на хорошем оборудовании в заводских условиях и за подписью заказчика.
- N1X
- Мастер
- Сообщения: 3653
- Зарегистрирован: 16 фев 2015, 21:19
- Репутация: 1646
- Настоящее имя: Владимир
- Откуда: Беларусь, Гомель
- Контактная информация:
Re: Феррит на проводе - миф или реальность :)
valb, что сказать то хотел? 
Кстати положу ссылку, в общем-то по теме...
http://bsvi.ru/setevye-filtry-i-pomexop ... densatory/
Кстати положу ссылку, в общем-то по теме...
http://bsvi.ru/setevye-filtry-i-pomexop ... densatory/
- NightV
- Почётный участник

- Сообщения: 6610
- Зарегистрирован: 30 дек 2011, 09:14
- Репутация: 2279
- Настоящее имя: Владимир Айрапетян
- Откуда: Israel
- Контактная информация:
Re: Феррит на проводе - миф или реальность :)
развитие LinuxCNC через тыщу лет!!?? а через тыщу лет Линукс покорит мир!?kalinvick писал(а):Поймете потом, через тыщу лет, да и то не все.
че сказать то хотел?
Всё просто! если знаешь КАК!