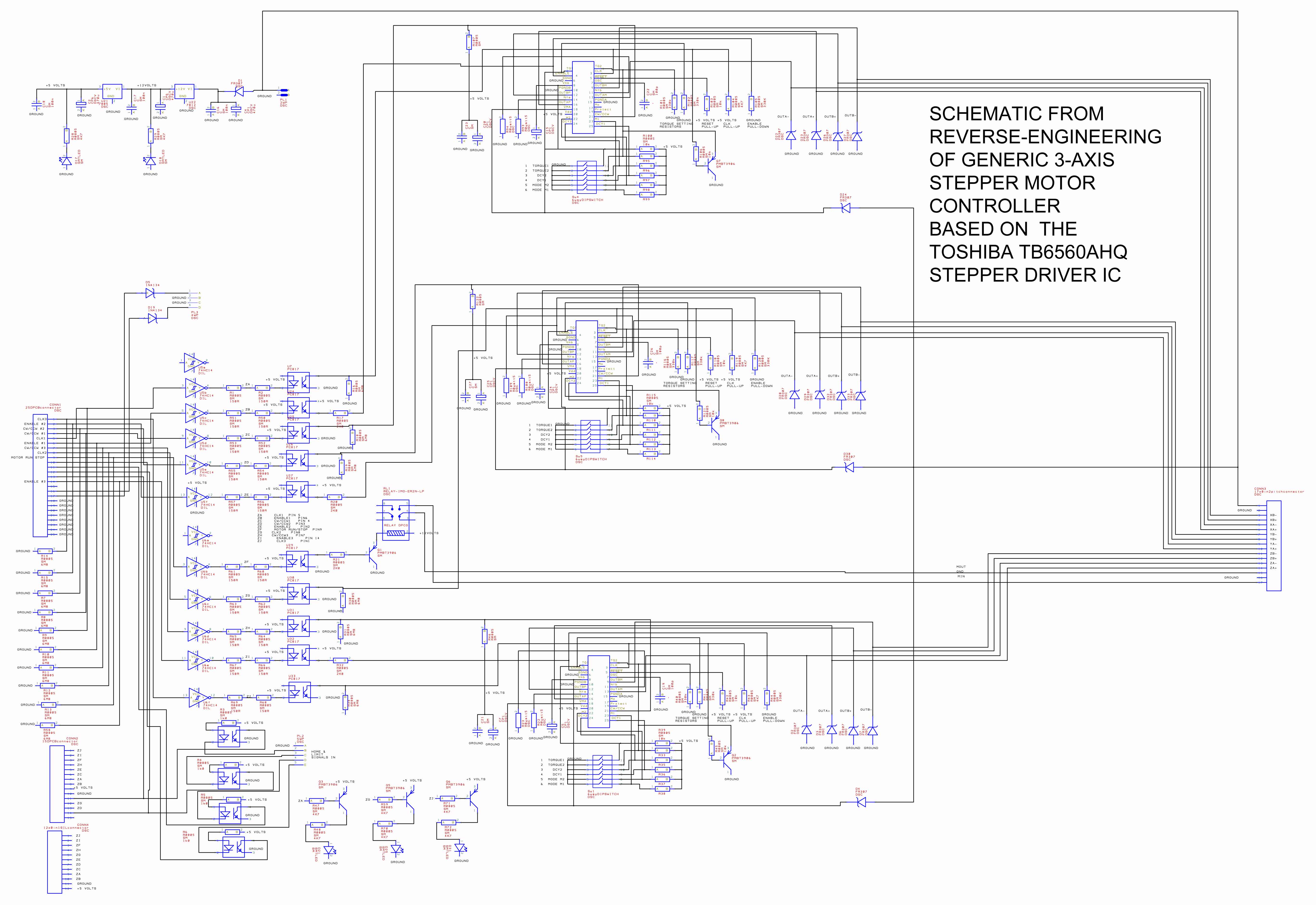
там же есть и документация к нему
http://cnc-club.ru/forum/viewtopic.php? ... 6054#p6054
у меня она 2 дня назад сгорела.aftaev писал(а):Вот еще одна чудо плата
Выгорели все 3 микросхемы. Боюсь что там с LPT портом - живой, али нет...
Включил БП и в linuxcnc как обычно нажал "влево" для вращения оси - а станок не шевелится и запах паленой пластмассы усиливается и усиливается...
Причину так и не выяснил. Прозвонил провода к двигателям - нигде не замкнуто.
Побелка не сыпалась, в комнате нет повышенной влажности, далеко расположено от пыли создаваемой станком, подключения двигателей не менял, да и вообще электронику, переключатели и даже настройки ПО не трогал... единственное - не включал его месяца полтора, т.к. переделывал станок. Впервые включил после долгого перерыва и на тебе. Пылью немного припал, а так ничего...
Не знаю на что и грешить...
думаю какую замену ей купить? Наверное вот эту: хотя она почти такая же. Чем отличается от синей можно почитать здесь: http://cnc.prom.ua/company_faq
и увидеть здесь:
--Nick.


