Аналоговое управление
-
Supermagnetto
- Мастер
- Сообщения: 344
- Зарегистрирован: 10 фев 2015, 10:55
- Репутация: 63
- Настоящее имя: Николай
- Откуда: Москва
- Контактная информация:
Аналоговое управление
Всем доброго времени суток.
Возникла проблема при настройке аналогового упралвения на серводрайвере HSD3. Суть вот в чем: задаю параметры на серводрайвере, но при подаче аналогового сигнала из halscope движок стоит и не крутится. Информация по параметрам взята из мануала. Скажу честно он скудненький. Может кто сталкивался с настройкой и подскажет, что и как. Есть подозрение, что не те параметры выставляю. В само мануале есть только пример управляния по sign+, sign -. А вот про аналоговое управление скоростью ни слова.
Вот собственно мануал http://darxton.ru/files/pdf/servo/HSD3.pdf. Производитель молчит.
Возникла проблема при настройке аналогового упралвения на серводрайвере HSD3. Суть вот в чем: задаю параметры на серводрайвере, но при подаче аналогового сигнала из halscope движок стоит и не крутится. Информация по параметрам взята из мануала. Скажу честно он скудненький. Может кто сталкивался с настройкой и подскажет, что и как. Есть подозрение, что не те параметры выставляю. В само мануале есть только пример управляния по sign+, sign -. А вот про аналоговое управление скоростью ни слова.
Вот собственно мануал http://darxton.ru/files/pdf/servo/HSD3.pdf. Производитель молчит.
- farengeit
- Опытный
- Сообщения: 115
- Зарегистрирован: 30 авг 2015, 19:54
- Репутация: 13
- Настоящее имя: Дмитрий
- Откуда: Самара
- Контактная информация:
Re: Аналоговое управление
Схема подключения как на странице 20?
Параметр №4 = 1 (управление скоростью) поставили?
Убедитесь, что управляющий сигнал 10В приходит на соответствующие клеммы.
Параметр №4 = 1 (управление скоростью) поставили?
Убедитесь, что управляющий сигнал 10В приходит на соответствующие клеммы.
Разрабатываем индивидуальные алгоритмы управления, создаем уникальные интерфейсы, решаем задачи автоматизации, диспетчеризации и удаленного доступа. С уважением инженеры компании Системы контроля.
http://www.systemcontrol.ru
http://www.systemcontrol.ru
- Serg
- Мастер
- Сообщения: 21923
- Зарегистрирован: 17 апр 2012, 14:58
- Репутация: 5183
- Заслуга: c781c134843e0c1a3de9
- Настоящее имя: Сергей
- Откуда: Москва
- Контактная информация:
Re: Аналоговое управление
Это как?Supermagnetto писал(а):но при подаче аналогового сигнала из halscope
Я не Христос, рыбу не раздаю, но могу научить, как сделать удочку...
-
Supermagnetto
- Мастер
- Сообщения: 344
- Зарегистрирован: 10 фев 2015, 10:55
- Репутация: 63
- Настоящее имя: Николай
- Откуда: Москва
- Контактная информация:
Re: Аналоговое управление
UAVpilot в halscope при выводе графика anallogout и при нажатии +/- появляются значения.
farengeit да параметры выставил.
farengeit да параметры выставил.
-
aftaev
- Зачётный участник

- Сообщения: 34042
- Зарегистрирован: 04 апр 2010, 19:22
- Репутация: 6194
- Откуда: Казахстан.
- Контактная информация:
Re: Аналоговое управление
Supermagnetto, берешь обычную батарейку на 1.5 в и подключаешь к серве. Когда закрутиться от батарейки тогда и прикручивай к какому либо ЧПУ.
halscope это осцил в Lcnc. Мож речь про мастер в Lcnc. вот там есть кнопочки +/- 
Могу ошибиться, но из halscope вроде как аналоговый сигнал не выдаетсяSupermagnetto писал(а):UAVpilot в halscope при выводе графика anallogout и при нажатии +/- появляются значения.
Дилетанту сложные вещи кажутся очень простыми, и только профессионал понимает насколько сложна самая простая вещь
Кто хочет - ищет возможности, кто не хочет - ищет оправдание.
Найди работу по душе и тебе не придется работать.
Кто хочет - ищет возможности, кто не хочет - ищет оправдание.
Найди работу по душе и тебе не придется работать.
-
Supermagnetto
- Мастер
- Сообщения: 344
- Зарегистрирован: 10 фев 2015, 10:55
- Репутация: 63
- Настоящее имя: Николай
- Откуда: Москва
- Контактная информация:
Re: Аналоговое управление
Наверно про него. Извиняюсь, но я новичок)
-
Supermagnetto
- Мастер
- Сообщения: 344
- Зарегистрирован: 10 фев 2015, 10:55
- Репутация: 63
- Настоящее имя: Николай
- Откуда: Москва
- Контактная информация:
Re: Аналоговое управление
А вот такой вопрос, на схеме на рисунке 20 в мануале изображены AS+ и AS-. Надо между ними батарейку?
-
Darxton
- Мастер
- Сообщения: 2113
- Зарегистрирован: 17 янв 2013, 08:19
- Репутация: 623
- Контактная информация:
Re: Аналоговое управление
Supermagnetto писал(а):задаю параметры на серводрайвере,
Из этого непонятно, что задаете, что подаете. И как подключено. Непонятно также, вал в удержании или свободно вращается.но при подаче аналогового сигнала из halscope движок стоит и не крутится.
Схема подключения.: п. 4.3.1.
Для работы драйвера надо
1) чтобы было включено состояние Enable. Это зависит от PA53 и состояния входов
2) все д.б. подключено согласно схеме
3) режим управления - скорость. PA4 = 1
4) задание скорости - аналоговый сигнал. PA23 = 1
5) На пины AS должно подаваться напряжение. Проверьте хотя бы мультиметром.
6) скомпенсируйте аналоговый сигнал по ситуации параметром PA45
-
Supermagnetto
- Мастер
- Сообщения: 344
- Зарегистрирован: 10 фев 2015, 10:55
- Репутация: 63
- Настоящее имя: Николай
- Откуда: Москва
- Контактная информация:
Re: Аналоговое управление
Darxton, задаю параметры описанные вами. Enable включен. Режим управления PA4=1, PA23=1. Замыкаю батарейку 1.5В между пинами AS+ и AS-. и ничего не происходит
-
Darxton
- Мастер
- Сообщения: 2113
- Зарегистрирован: 17 янв 2013, 08:19
- Репутация: 623
- Контактная информация:
Re: Аналоговое управление
Вал в удержании? 13 и 5 пин соединены?Supermagnetto писал(а):и AS+ и AS-. и ничего не происходит
-
Supermagnetto
- Мастер
- Сообщения: 344
- Зарегистрирован: 10 фев 2015, 10:55
- Репутация: 63
- Настоящее имя: Николай
- Откуда: Москва
- Контактная информация:
Re: Аналоговое управление
Вал в удержании. Да соединены как показано на схеме. При пайке провода соединил их в разъеме. Потом отпаял и вывел отдельно 5 пин. Соединял их не в разъеме.
-
Darxton
- Мастер
- Сообщения: 2113
- Зарегистрирован: 17 янв 2013, 08:19
- Репутация: 623
- Контактная информация:
Re: Аналоговое управление
Жестко стоит(в управлении скоростью и позицией вал держится по-разному, в позиционном режиме намного жестче стоит)? Реагирует на манипуляции с разъемами? Когда втыкаются-вынимаются, пальцами если пинов касаться?Supermagnetto писал(а):Вал в удержании.
Фото крупным планом было бы неплохо.Supermagnetto писал(а):Да соединены как показано на схеме
-
Darxton
- Мастер
- Сообщения: 2113
- Зарегистрирован: 17 янв 2013, 08:19
- Репутация: 623
- Контактная информация:
Re: Аналоговое управление
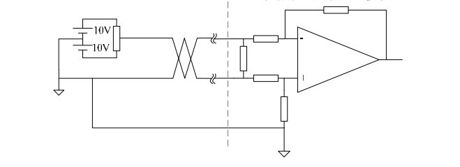
Батарейки, кстати, 2 надо.
- Вложения
-
- Clipboard01.jpg (9.82 КБ) 2388 просмотров
-
Supermagnetto
- Мастер
- Сообщения: 344
- Зарегистрирован: 10 фев 2015, 10:55
- Репутация: 63
- Настоящее имя: Николай
- Откуда: Москва
- Контактная информация:
Re: Аналоговое управление
Данной схемы в инструкции не былоDarxton писал(а):Батарейки, кстати, 2 надо.
- N1X
- Мастер
- Сообщения: 3653
- Зарегистрирован: 16 фев 2015, 21:19
- Репутация: 1646
- Настоящее имя: Владимир
- Откуда: Беларусь, Гомель
- Контактная информация:
Re: Аналоговое управление
Не сбивайте с толку человека. На схеме их двсе просто для изменения полярности движком резистора.Darxton писал(а):Батарейки, кстати, 2 надо.
-
Supermagnetto
- Мастер
- Сообщения: 344
- Зарегистрирован: 10 фев 2015, 10:55
- Репутация: 63
- Настоящее имя: Николай
- Откуда: Москва
- Контактная информация:
Re: Аналоговое управление
Уважаемый darxton в инструкции размещенной на сайте ОШИБКИ. Все запустилось от батарейки
-
Supermagnetto
- Мастер
- Сообщения: 344
- Зарегистрирован: 10 фев 2015, 10:55
- Репутация: 63
- Настоящее имя: Николай
- Откуда: Москва
- Контактная информация:
Re: Аналоговое управление
Попробовал прикрутить аналоговое управление к 7i77. AS+ и AS- завел на AOUTN и GND. Включил усилитель. Задаю аналоговый сигнал, кнопками +/-. Сигнал есть, но серва не двигается.
P.S. от батарейки все работает.
P.S. от батарейки все работает.