Спасибо, по этому вопросу все понятно сталоСергей Саныч писал(а):Обычно к контактам 1, 2 и 3. Какой куда - значения не имеет. Если закрутится не в ту сторону, нужно будет поменять местами любые два провода.
Четвертый контакт внутри китайских шпинделей как правило, никуда не подключен. Изредка идет на корпус шпинделя - то есть заземление.
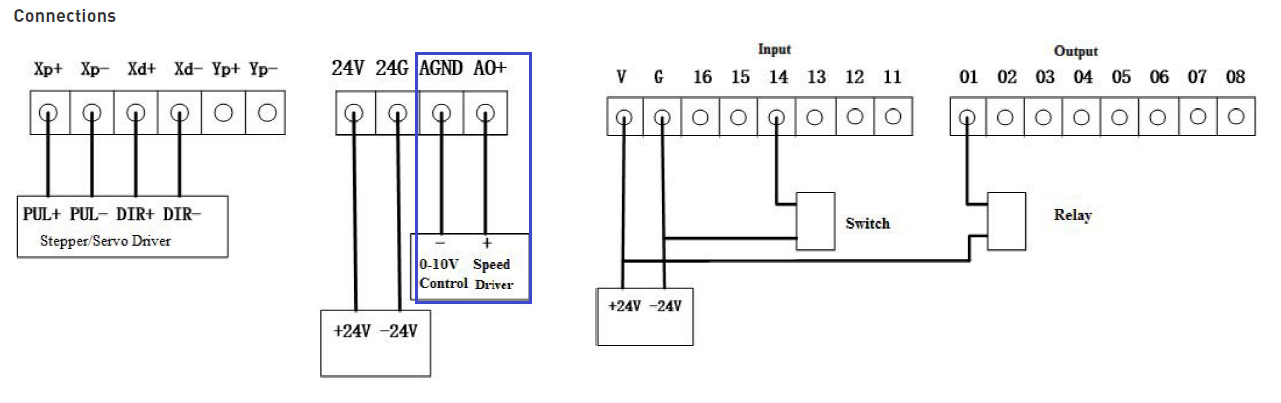
Но есть еще, по управлению частотой вращения от контроллера.
1. У контроллера есть выходы (обозначены синим), а у инвертора - входы (обозначены красным), для входов инвертора есть описание (в приложении).
Правильно ли я сопоставил эти выходы-входы:
AGND -> GND; AO+ -> +10V?
2. Нужно ли еще что-то подключить от контроллера к инвертору, что бы можно было управлять шпинделем из УП? Скоростью вращения я, по идее буду управлять подключениями из первого вопроса, а вот режимы резания "попутный" и "встречный" - это же как-то тоже должно управляться?
