Посоветуйте по подключению генератора и концевиков
-
pant-79
- Мастер
- Сообщения: 240
- Зарегистрирован: 21 авг 2015, 11:38
- Репутация: 1
- Контактная информация:
Посоветуйте по подключению генератора и концевиков
Планируется подключение на одну ось двух нормально-разомкнутых концевиков.
Думаю брать у пурелоджиков PLL02-14 http://purelogic.ru/shop/elektromehanic ... ndartnye1/
но пока до конца не определился.
Схема там получается не совсем ЧПУшная, т.к. будет куплен генератор импульсов http://duxe.ru/product_info.php?cPath=3 ... cts_id=497, у которого нормально разомкнутые контакты на включение/выключение и на реверс.
Рабочий цикл предполагается простой, как бревно:
1. Оператор жмет на простую кнопку и замыкает контакт включения/выключения генератора.
2. Каретка проезжает до конца оси, где срабатывает концевик и замыкается контакт реверса генератора.
3. Каретка возвращается к началу оси, где срабатывает второй концевик и замыкается контакт включения/выключения генератора.
Непонятны следующие моменты:
1. Время нахождения каретки в зоне концевика может быть длиннее, чем надо, и контакты генератора начнут "шуметь" или "дребезжать", как это правильно назвать... как этого избежать, пока непонятно.
2. Возможно, необходимо будет включение сразу и старта, и реверса, т.к. генератор остается включен в сеть и может помнить направление. Как сделать такую логику подключения, чтоб всегда включалось движение только в одну сторону, пока непонятно. Возможно, придется второй концевик держать все время в зоне старта каретки, и он все это время, пока каретка не отъедет, будет замкнутым.
Посоветуйте, как все это правильно подключить
Думаю брать у пурелоджиков PLL02-14 http://purelogic.ru/shop/elektromehanic ... ndartnye1/
но пока до конца не определился.
Схема там получается не совсем ЧПУшная, т.к. будет куплен генератор импульсов http://duxe.ru/product_info.php?cPath=3 ... cts_id=497, у которого нормально разомкнутые контакты на включение/выключение и на реверс.
Рабочий цикл предполагается простой, как бревно:
1. Оператор жмет на простую кнопку и замыкает контакт включения/выключения генератора.
2. Каретка проезжает до конца оси, где срабатывает концевик и замыкается контакт реверса генератора.
3. Каретка возвращается к началу оси, где срабатывает второй концевик и замыкается контакт включения/выключения генератора.
Непонятны следующие моменты:
1. Время нахождения каретки в зоне концевика может быть длиннее, чем надо, и контакты генератора начнут "шуметь" или "дребезжать", как это правильно назвать... как этого избежать, пока непонятно.
2. Возможно, необходимо будет включение сразу и старта, и реверса, т.к. генератор остается включен в сеть и может помнить направление. Как сделать такую логику подключения, чтоб всегда включалось движение только в одну сторону, пока непонятно. Возможно, придется второй концевик держать все время в зоне старта каретки, и он все это время, пока каретка не отъедет, будет замкнутым.
Посоветуйте, как все это правильно подключить
-
sas_75
- Мастер
- Сообщения: 463
- Зарегистрирован: 10 мар 2015, 11:03
- Репутация: 115
- Настоящее имя: Сергей
- Откуда: Владивосток
- Контактная информация:
Re: Посоветуйте по подключению генератора и концевиков
Можно на триггерах сделать, заодно решится проблема дребезга. Но, думаю, по хорошему нужно делать паузу перед реверсом, а еще лучше делать разгон и торможение.
На микроконтроллере решается довольно просто и генератор, и логика реверса с разгоном/торможением
На микроконтроллере решается довольно просто и генератор, и логика реверса с разгоном/торможением
- odekolon
- Мастер
- Сообщения: 1125
- Зарегистрирован: 05 ноя 2014, 14:53
- Репутация: 360
- Настоящее имя: Борис
- Контактная информация:
Re: Посоветуйте по подключению генератора и концевиков
если не предполагается дальнейшей модернизации, я бы сделал на поляризованном реле, только концевики нужны нормально разомкнутые.
реле РПС20, к примеру
реле РПС20, к примеру
"Капиталистом стать можно лишь тогда, когда обогатишь свою память знанием всех тех богатств, которые выработало человечество"
-
pant-79
- Мастер
- Сообщения: 240
- Зарегистрирован: 21 авг 2015, 11:38
- Репутация: 1
- Контактная информация:
Re: Посоветуйте по подключению генератора и концевиков
Хм, тема неплохая, буду копать. А если модернизация предполагается, то могут быть какие-то противоречия?odekolon писал(а):если не предполагается дальнейшей модернизации, я бы сделал на поляризованном реле, только концевики нужны нормально разомкнутые.
реле РПС20, к примеру
- odekolon
- Мастер
- Сообщения: 1125
- Зарегистрирован: 05 ноя 2014, 14:53
- Репутация: 360
- Настоящее имя: Борис
- Контактная информация:
Re: Посоветуйте по подключению генератора и концевиков
ну если развитие будет идти по принципу " а давайте еще какую-нибудь фичу присобачим"
то лучше сразу делать на микроконтроллере/ардуино
то лучше сразу делать на микроконтроллере/ардуино
"Капиталистом стать можно лишь тогда, когда обогатишь свою память знанием всех тех богатств, которые выработало человечество"
-
alexandr1988
- Кандидат
- Сообщения: 77
- Зарегистрирован: 07 окт 2014, 11:54
- Репутация: 5
- Контактная информация:
Re: Посоветуйте по подключению генератора и концевиков
А если нужен более промышленный вариант, то можно программируемое реле Овен ПР-110 или Siemens LOGO! использовать, благо программируются они элементарно.
-
pant-79
- Мастер
- Сообщения: 240
- Зарегистрирован: 21 авг 2015, 11:38
- Репутация: 1
- Контактная информация:
Re: Посоветуйте по подключению генератора и концевиков
Не представляю, какие фичи можно еще присобачить к такому генератору. Скорость он сам регулирует. Если доводить до окончательной ЧПУизации, то его вообще придется снимать.odekolon писал(а):ну если развитие будет идти по принципу " а давайте еще какую-нибудь фичу присобачим"
то лучше сразу делать на микроконтроллере/ардуино
А по поводу схемы вопросы: там у релюшки по идее один контакт нормально разомкнутый, другой - нормально замкнутый. Не совсем по схеме понятно, что там где...
- michael-yurov
- Почётный участник

- Сообщения: 11731
- Зарегистрирован: 26 июл 2012, 00:10
- Репутация: 4703
- Настоящее имя: Михаил Львович
- Откуда: Новоуральск
- Контактная информация:
Re: Посоветуйте по подключению генератора и концевиков
Как минимум - плавный разгон.pant-79 писал(а): Не представляю, какие фичи можно еще присобачить к такому генератору.
В видеоролике специально не показали, что будет, если сменить направление, или включить генератор на высокой частоте.
-
pant-79
- Мастер
- Сообщения: 240
- Зарегистрирован: 21 авг 2015, 11:38
- Репутация: 1
- Контактная информация:
Re: Посоветуйте по подключению генератора и концевиков
А что будет? Движок заест, пока он будет преодолевать инерцию каретки?michael-yurov писал(а):Как минимум - плавный разгон.pant-79 писал(а): Не представляю, какие фичи можно еще присобачить к такому генератору.
В видеоролике специально не показали, что будет, если сменить направление, или включить генератор на высокой частоте.
По поводу плавного разгона да, это отдельная заморочка. Но в данной конфигурации как раз присобачить отдельную заморочку без проблем - там на место потенциометра (или что там за регулятор) повесить дополнительную схему, а уж ее потом еще к общей системе запитывать - отдельный разговор.
Пока надо решить проблему законтачивания кнопок на генераторе через концевики и без дребезга. С релюшкой, вроде, что-то нащупывается, но пока окончательная схема в голове не сложилась...
- MX_Master
- Мастер
- Сообщения: 7490
- Зарегистрирован: 27 июн 2015, 19:45
- Репутация: 3113
- Настоящее имя: Михаил
- Откуда: Алматы
- Контактная информация:
Re: Посоветуйте по подключению генератора и концевиков
Еще немного и как раз по деньгам получится тот одноосный программируемый контроллер за 38$ ( раз, два, три ) 
- michael-yurov
- Почётный участник

- Сообщения: 11731
- Зарегистрирован: 26 июл 2012, 00:10
- Репутация: 4703
- Настоящее имя: Михаил Львович
- Откуда: Новоуральск
- Контактная информация:
Re: Посоветуйте по подключению генератора и концевиков
Нет - будет срыв в пропуск шагов, и мотор будет пищать на месте, пока частота не будет снижена до "частоты приемистости".pant-79 писал(а): А что будет? Движок заест, пока он будет преодолевать инерцию каретки?
-
pant-79
- Мастер
- Сообщения: 240
- Зарегистрирован: 21 авг 2015, 11:38
- Репутация: 1
- Контактная информация:
Re: Посоветуйте по подключению генератора и концевиков
Да, если б я для себя брал, то взял бы. А фирма может работать только с резидентами РФ, взаиморасчеты по безналу, все такое. Так что алиекспресс пока откладываем в сторонку....MX_Master писал(а):Еще немного и как раз по деньгам получится тот одноосный программируемый контроллер за 38$ ( раз, два, три )
- MX_Master
- Мастер
- Сообщения: 7490
- Зарегистрирован: 27 июн 2015, 19:45
- Репутация: 3113
- Настоящее имя: Михаил
- Откуда: Алматы
- Контактная информация:
Re: Посоветуйте по подключению генератора и концевиков
А где тут проблема? Сыграйте роль резидента РФ сами, мож даже кое-какой наварчик выйдетpant-79 писал(а):Да, если б я для себя брал, то взял бы. А фирма может работать только с резидентами РФ, взаиморасчеты по безналу, все такое. Так что алиекспресс пока откладываем в сторонку....MX_Master писал(а):Еще немного и как раз по деньгам получится тот одноосный программируемый контроллер за 38$ ( раз, два, три )
-
pant-79
- Мастер
- Сообщения: 240
- Зарегистрирован: 21 авг 2015, 11:38
- Репутация: 1
- Контактная информация:
Re: Посоветуйте по подключению генератора и концевиков
Ну, если ничего другого не останется, то так и сделаю.
А пока мне для завершенной схемы не хватает двух фигулин, которые при замыкании контакта пропускают только начало входного сигнала, а весь дальнейший хвост отрубают.
Вспомнить бы еще, как такие фигулины называются... И ведь помню, что были такие в природе...
А пока мне для завершенной схемы не хватает двух фигулин, которые при замыкании контакта пропускают только начало входного сигнала, а весь дальнейший хвост отрубают.
Вспомнить бы еще, как такие фигулины называются... И ведь помню, что были такие в природе...
- michael-yurov
- Почётный участник

- Сообщения: 11731
- Зарегистрирован: 26 июл 2012, 00:10
- Репутация: 4703
- Настоящее имя: Михаил Львович
- Откуда: Новоуральск
- Контактная информация:
- odekolon
- Мастер
- Сообщения: 1125
- Зарегистрирован: 05 ноя 2014, 14:53
- Репутация: 360
- Настоящее имя: Борис
- Контактная информация:
Re: Посоветуйте по подключению генератора и концевиков
на самом деле у рпс20 две группы переключаемых контактов - вам вполне хватитpant-79 писал(а): А по поводу схемы вопросы: там у релюшки по идее один контакт нормально разомкнутый, другой - нормально замкнутый. Не совсем по схеме понятно, что там где...
http://www.radioman-portal.ru/sprav/com ... ps20.shtml
схему я некорректно нарисовал - просто неверно понял задание.
в моей схеме каретка будет ездить туда-сюда, пока питание включено
при небольшой доработке - можно и под ваши требования подогнать
если сами не справитесь - помогу.
"Капиталистом стать можно лишь тогда, когда обогатишь свою память знанием всех тех богатств, которые выработало человечество"
-
sas_75
- Мастер
- Сообщения: 463
- Зарегистрирован: 10 мар 2015, 11:03
- Репутация: 115
- Настоящее имя: Сергей
- Откуда: Владивосток
- Контактная информация:
Re: Посоветуйте по подключению генератора и концевиков
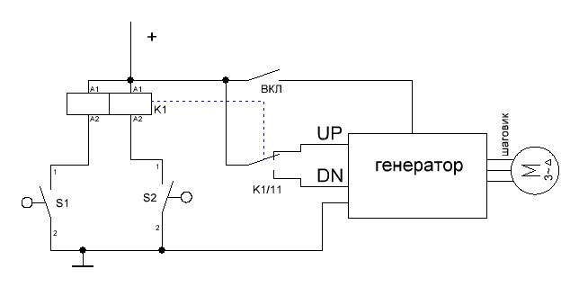
В самом простом варианте (без разгонов/торможений) я вижу это как-то так:
-
pant-79
- Мастер
- Сообщения: 240
- Зарегистрирован: 21 авг 2015, 11:38
- Репутация: 1
- Контактная информация:
Re: Посоветуйте по подключению генератора и концевиков
Это вы уже, по моему, самостоятельный контроллер придумываете.
А там же уже готовое решение есть, знай только импульсы на него вовремя подавай.
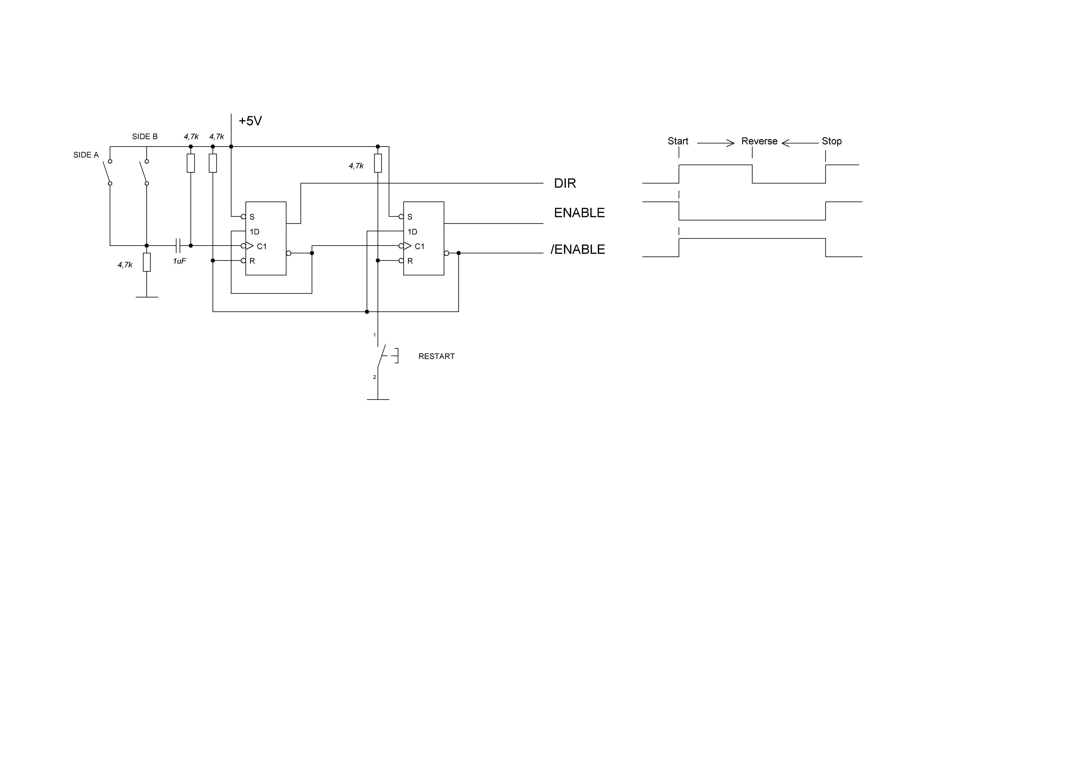
Мне эти импульсы пока видятся так:
А там же уже готовое решение есть, знай только импульсы на него вовремя подавай.
Мне эти импульсы пока видятся так:
- tooshka
- Почётный участник

- Сообщения: 1803
- Зарегистрирован: 24 окт 2012, 14:26
- Репутация: 209
- Настоящее имя: Андрей
- Откуда: Нижний Новгород
- Контактная информация:
Re: Посоветуйте по подключению генератора и концевиков
А как вы собираетесь крутить двигатель без ускорения и торможения? "Британские ученые" предложили не учитывать массу?
Милая, ты услышь меня
под окном стою со своим я ЧПУ! (Протяжно; с надрывом; форте)
Внимание!!! Чрезмерное увлечение ЧПУ приводит к проблемам в семейных отношениях!
под окном стою со своим я ЧПУ! (Протяжно; с надрывом; форте)
Внимание!!! Чрезмерное увлечение ЧПУ приводит к проблемам в семейных отношениях!
- Predator
- Мастер
- Сообщения: 9583
- Зарегистрирован: 18 июл 2013, 18:26
- Репутация: 2531
- Контактная информация:
Re: Посоветуйте по подключению генератора и концевиков
Не предложили, а доказали! Они ж "британские учёные"tooshka писал(а):"Британские ученые" предложили не учитывать массу?