как получить дифференциальный сигнал?
- ukr-sasha
- Мастер
- Сообщения: 3401
- Зарегистрирован: 21 мар 2011, 07:47
- Репутация: 2181
- Настоящее имя: Украинец Александр Григорьевич
- Откуда: Киев, Украина
- Контактная информация:
как получить дифференциальный сигнал?
Всем привет.
Имеется энкодер с сигналами А, В и С с амплитудой 5В.
Как получить дифференциальный сигнал А/А-, В/В- и С/С-?
Есть ли логический элемент который это позволяет сделать, или другая какая микросхема?
Думал с помощью логического "НЕ" сделать, но там же разница по времени будет.
Есть что то похожее с помощью дифференциалього усилителя, но мне усиливать не нужно.
http://www.kit-e.ru/articles/usil/2009_08_70.php
Имеется энкодер с сигналами А, В и С с амплитудой 5В.
Как получить дифференциальный сигнал А/А-, В/В- и С/С-?
Есть ли логический элемент который это позволяет сделать, или другая какая микросхема?
Думал с помощью логического "НЕ" сделать, но там же разница по времени будет.
Есть что то похожее с помощью дифференциалього усилителя, но мне усиливать не нужно.
http://www.kit-e.ru/articles/usil/2009_08_70.php
- Сергей Саныч
- Мастер
- Сообщения: 9116
- Зарегистрирован: 30 май 2012, 14:20
- Репутация: 2858
- Откуда: Тюмень
- Контактная информация:
Re: как получить дифференциальный сигнал?
Самый "честный" вариант - дифференциальный передатчик (драйвер), к примеру MC3487.
Чудес не бывает. Бывают фокусы.
- ukr-sasha
- Мастер
- Сообщения: 3401
- Зарегистрирован: 21 мар 2011, 07:47
- Репутация: 2181
- Настоящее имя: Украинец Александр Григорьевич
- Откуда: Киев, Украина
- Контактная информация:
Re: как получить дифференциальный сигнал?
Спасибо.Сергей Саныч писал(а):Дифференциальный передатчик (драйвер), к примеру MC3487
Похоже то, что нужно.
- Сергей Саныч
- Мастер
- Сообщения: 9116
- Зарегистрирован: 30 май 2012, 14:20
- Репутация: 2858
- Откуда: Тюмень
- Контактная информация:
Re: как получить дифференциальный сигнал?
Это не совсем то, это для ЭСЛ.mhael писал(а):http://www.gaw.ru/html.cgi/txt/ic/Maxim/max9360-61.htm
Чудес не бывает. Бывают фокусы.
- ukr-sasha
- Мастер
- Сообщения: 3401
- Зарегистрирован: 21 мар 2011, 07:47
- Репутация: 2181
- Настоящее имя: Украинец Александр Григорьевич
- Откуда: Киев, Украина
- Контактная информация:
Re: как получить дифференциальный сигнал?
MC3487 недорогая и есть в наличие "за углом". Четыре канала в одном корпусе.
Супер!
Сергей Саныч спасибо!
Достаточно будет просто подать питание? Или нужна еще обвязка? При условии, что будет распологаться прямо возле контроллера.
Супер!
Сергей Саныч спасибо!
Достаточно будет просто подать питание? Или нужна еще обвязка? При условии, что будет распологаться прямо возле контроллера.
- Сергей Саныч
- Мастер
- Сообщения: 9116
- Зарегистрирован: 30 май 2012, 14:20
- Репутация: 2858
- Откуда: Тюмень
- Контактная информация:
Re: как получить дифференциальный сигнал?
Нет, ничего не надо. Если работать на длинную линию, можно между выходами включить резистор 100 Ом, типа согласование.ukr-sasha писал(а):Достаточно будет просто подать питание? Или нужна еще обвязка? При условии, что будет распологаться прямо возле контроллера.
Чудес не бывает. Бывают фокусы.
-
Zampoteh
- Опытный
- Сообщения: 172
- Зарегистрирован: 18 сен 2016, 18:20
- Репутация: 48
- Настоящее имя: Александр
- Контактная информация:
Re: как получить дифференциальный сигнал?
Здраствуйте. Воюю с сервой Sanyo, у которой дифференциальные входы. Скажите, можно ли подружить их с обычным сигналом Step через микруху MC3487?
-
gigs
- Кандидат
- Сообщения: 99
- Зарегистрирован: 14 янв 2018, 13:50
- Репутация: 83
- Настоящее имя: Дмитрий
- Откуда: Архангельск
- Контактная информация:
Re: как получить дифференциальный сигнал?
MC3487 (аналоги SN75174, AM26LS31) – для передачи сигнала,думаю что самое оно....
- Hanter
- Мастер
- Сообщения: 5414
- Зарегистрирован: 27 янв 2012, 14:52
- Репутация: 4338
- Настоящее имя: Алексей
- Откуда: Питер
- Контактная информация:
Re: как получить дифференциальный сигнал?
Александр - вот тут готовая плата рабочая. http://www.cnc-club.ru/forum/viewtopic. ... &start=380Zampoteh писал(а):Здраствуйте. Воюю с сервой Sanyo, у которой дифференциальные входы. Скажите, можно ли подружить их с обычным сигналом Step через микруху MC3487?
Опыт - это когда на смену вопросам: "Что? Где? Когда? Как? Почему?" Приходит единственный вопрос: "Нахрена?"
==========================================
фрезерная и токарная обработка на станках с чпу.
Резка, гибка, сварка и порошковая окраса.
==========================================
фрезерная и токарная обработка на станках с чпу.
Резка, гибка, сварка и порошковая окраса.
-
Zampoteh
- Опытный
- Сообщения: 172
- Зарегистрирован: 18 сен 2016, 18:20
- Репутация: 48
- Настоящее имя: Александр
- Контактная информация:
Re: как получить дифференциальный сигнал?
Благодарю. А схему нарисовать не затруднит? Я с дифф. драйверами вообще дел не имел.
-
Zampoteh
- Опытный
- Сообщения: 172
- Зарегистрирован: 18 сен 2016, 18:20
- Репутация: 48
- Настоящее имя: Александр
- Контактная информация:
Re: как получить дифференциальный сигнал?
Ну в принципе со схемой разобрался, заатра спаяю. Одно дичайше смущает, у сервы указаны входы forward и backward revolution pulse. Это проканает для степ/дир, или ище преобразование потребуется?
- R6MF49T2
- Мастер
- Сообщения: 235
- Зарегистрирован: 14 июл 2016, 17:18
- Репутация: 32
- Откуда: Великий Новгород/Санкт-Петербург
- Контактная информация:
Re: как получить дифференциальный сигнал?
Нужно мануал внимательно читать. Если не прокатит - логические «и» и «и не» в помощь. Или древнюю altera max в помощь, которая 5в, с ней и диф . драйвер не понадобится
- donvictorio
- Мастер
- Сообщения: 2457
- Зарегистрирован: 11 окт 2012, 16:26
- Репутация: 683
- Настоящее имя: Виктор
- Откуда: Санкт-Петербург
- Контактная информация:
Re: как получить дифференциальный сигнал?
диф и не диф - разница только в максимальной частоте импульсов. на практике, если чпу возле драйвера, можно и без диф.
- AndyBig
- Мастер
- Сообщения: 3971
- Зарегистрирован: 07 мар 2014, 04:01
- Репутация: 1121
- Откуда: юг России
- Контактная информация:
Re: как получить дифференциальный сигнал?
Разница в помехозащищенности, в частоте разницы нет 
- N1X
- Мастер
- Сообщения: 3653
- Зарегистрирован: 16 фев 2015, 21:19
- Репутация: 1646
- Настоящее имя: Владимир
- Откуда: Беларусь, Гомель
- Контактная информация:
Re: как получить дифференциальный сигнал?
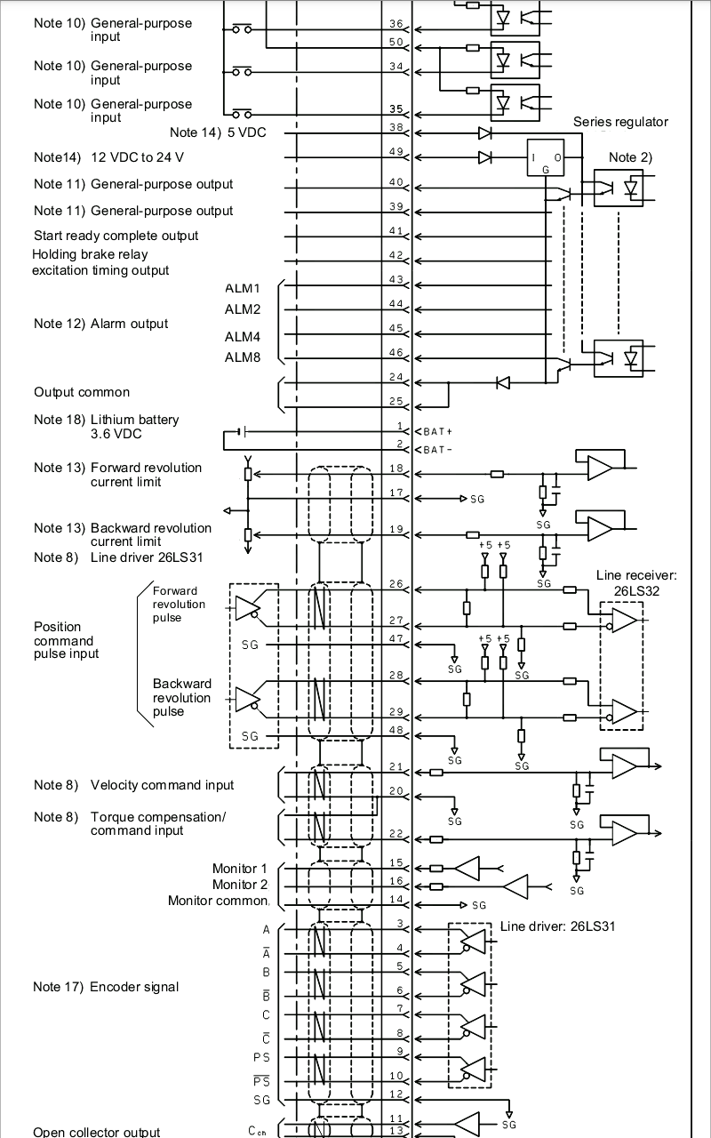
Не понятно только, что на схеме нарисовано: сигналы энкодера показаны как входы, а вот position command подписаны как входы, на деле нарисованы выходы... Или это схема интерфейса к серве, а не подключения самой сервы?
- Hanter
- Мастер
- Сообщения: 5414
- Зарегистрирован: 27 янв 2012, 14:52
- Репутация: 4338
- Настоящее имя: Алексей
- Откуда: Питер
- Контактная информация:
Re: как получить дифференциальный сигнал?
аха... щас.. буду очередной шкафчик собирать - продемонстрирую как живет с диф и не диф третья сигма например.... длина сигнальных проводов - сантиметров 30...donvictorio писал(а):диф и не диф - разница только в максимальной частоте импульсов. на практике, если чпу возле драйвера, можно и без диф.
Опыт - это когда на смену вопросам: "Что? Где? Когда? Как? Почему?" Приходит единственный вопрос: "Нахрена?"
==========================================
фрезерная и токарная обработка на станках с чпу.
Резка, гибка, сварка и порошковая окраса.
==========================================
фрезерная и токарная обработка на станках с чпу.
Резка, гибка, сварка и порошковая окраса.
-
Zampoteh
- Опытный
- Сообщения: 172
- Зарегистрирован: 18 сен 2016, 18:20
- Репутация: 48
- Настоящее имя: Александр
- Контактная информация:
Re: как получить дифференциальный сигнал?
Спаял, заработало. Всем спасибо, особенно Алексею. Импульсы step идут с частотой 15 кГц.
-
viael
- Кандидат
- Сообщения: 60
- Зарегистрирован: 17 фев 2015, 15:35
- Репутация: 23
- Настоящее имя: Vitaliy
- Контактная информация:
Re: как получить дифференциальный сигнал?
Дык третья понимает Только диф. У ней на входе дифприемник стоит. Я уже накалывался на этом. Стояла 2 сигма все работало, третью поставили и понеслось.. Доки читать иногда полезно.Hanter писал(а):аха... щас.. буду очередной шкафчик собирать - продемонстрирую как живет с диф и не диф третья сигма например.... длина сигнальных проводов - сантиметров 30...donvictorio писал(а):диф и не диф - разница только в максимальной частоте импульсов. на практике, если чпу возле драйвера, можно и без диф.
- Serg
- Мастер
- Сообщения: 21923
- Зарегистрирован: 17 апр 2012, 14:58
- Репутация: 5183
- Заслуга: c781c134843e0c1a3de9
- Настоящее имя: Сергей
- Откуда: Москва
- Контактная информация:
Re: как получить дифференциальный сигнал?
Диффиренциальный вход работает от разницы потенциалов на его входах (вх.+ и вх.- для простоты) - потому он так и называется.
Например если сказано, что уровень лог.1 должен быть 3В или более, то не важно что и как подключать к входам, важно, чтобы эта разница потенциалов была достигнута. Например в данном случае совершенно корректно будет подать на вх.+ +1.5В и на вх.- -1.5В, или на вх.+3В и на вх.- 0В.
Разница между входами Sigma2 и Sigma3 запросто может оказаться в увеличении уровня лог.1 (лень проверять).
О требовании использовать дифф.сигнал для управления оптопарами: Тут надо внимательно смотреть схему подключения в мануале, а именно какие оптопары стоят на входе. Например вот в этом случае:

Дифф.сигнал совершенно необязателен, при подключении на вх.+ +3В и на вх.- 0В (прямая полярность на дифф.входе) светодиод оптопары будет светиться, а при подключении на вх.+ 0В(GND) и на вх.- +3В (обратная полярность на дифф.входе) сигнал "зашунтируется" через защитный диод. Т.е. в данном случае дифф. сигнал на входе не обязателен.
Однако если на входе будет стоять оптопара с двунаправленным светодом (например KP3010), то при подаче на такой вход дифф. сигнала она работать не будет - оптопара будет открываться сигналами и лог.1 и лог.0.
Например если сказано, что уровень лог.1 должен быть 3В или более, то не важно что и как подключать к входам, важно, чтобы эта разница потенциалов была достигнута. Например в данном случае совершенно корректно будет подать на вх.+ +1.5В и на вх.- -1.5В, или на вх.+3В и на вх.- 0В.
Разница между входами Sigma2 и Sigma3 запросто может оказаться в увеличении уровня лог.1 (лень проверять).
О требовании использовать дифф.сигнал для управления оптопарами: Тут надо внимательно смотреть схему подключения в мануале, а именно какие оптопары стоят на входе. Например вот в этом случае:
Дифф.сигнал совершенно необязателен, при подключении на вх.+ +3В и на вх.- 0В (прямая полярность на дифф.входе) светодиод оптопары будет светиться, а при подключении на вх.+ 0В(GND) и на вх.- +3В (обратная полярность на дифф.входе) сигнал "зашунтируется" через защитный диод. Т.е. в данном случае дифф. сигнал на входе не обязателен.
Однако если на входе будет стоять оптопара с двунаправленным светодом (например KP3010), то при подаче на такой вход дифф. сигнала она работать не будет - оптопара будет открываться сигналами и лог.1 и лог.0.
Я не Христос, рыбу не раздаю, но могу научить, как сделать удочку...