Фрезерный ЧПУ станок по дереву.
-
dima190390
- Новичок
- Сообщения: 29
- Зарегистрирован: 23 июн 2014, 18:40
- Репутация: -1
- Контактная информация:
Фрезерный ЧПУ станок по дереву.
питание контроллеров +5В хочу собрать качественно и чтоб надёжно, думаю на ШИМе TL494, вот но хотелось бы схемку от профи в этом деле, что посоветуете? Ещё такой вопрос: читал что есть проблемма с очерёдностью выключения питания контроллеров и питание самих ШД (валетают IRZF44N) хочу за ранее решить этот момент. Получается что на нокопительных кондёрах питания ШД какоето время остаётся заряд, а привыключении +5В возникает согнал открывающий полевики, каким метом решить это?
-
aftaev
- Зачётный участник

- Сообщения: 34042
- Зарегистрирован: 04 апр 2010, 19:22
- Репутация: 6194
- Откуда: Казахстан.
- Контактная информация:
Re: Фрезерный ЧПУ станок по дереву.
купить нормальные драйвераdima190390 писал(а):каким метом решить это?
Дилетанту сложные вещи кажутся очень простыми, и только профессионал понимает насколько сложна самая простая вещь
Кто хочет - ищет возможности, кто не хочет - ищет оправдание.
Найди работу по душе и тебе не придется работать.
Кто хочет - ищет возможности, кто не хочет - ищет оправдание.
Найди работу по душе и тебе не придется работать.
- tooshka
- Почётный участник

- Сообщения: 1803
- Зарегистрирован: 24 окт 2012, 14:26
- Репутация: 209
- Настоящее имя: Андрей
- Откуда: Нижний Новгород
- Контактная информация:
Re: Фрезерный ЧПУ станок по дереву.
Лучше и дешевле самострой не выйдет (если конечно вы не супер гений). Проще купить готовые проверенные разработки. Тем более цены на них супердемократичные.dima190390 писал(а):каким метом решить это?
Милая, ты услышь меня
под окном стою со своим я ЧПУ! (Протяжно; с надрывом; форте)
Внимание!!! Чрезмерное увлечение ЧПУ приводит к проблемам в семейных отношениях!
под окном стою со своим я ЧПУ! (Протяжно; с надрывом; форте)
Внимание!!! Чрезмерное увлечение ЧПУ приводит к проблемам в семейных отношениях!
-
dima190390
- Новичок
- Сообщения: 29
- Зарегистрирован: 23 июн 2014, 18:40
- Репутация: -1
- Контактная информация:
Re: Фрезерный ЧПУ станок по дереву.
Купить это дрогое решение проблемы, я же у вас спрошиваю схемотехническое решение....
-
dima190390
- Новичок
- Сообщения: 29
- Зарегистрирован: 23 июн 2014, 18:40
- Репутация: -1
- Контактная информация:
Re: Фрезерный ЧПУ станок по дереву.
Направляющие:
Вал полированный SFC-25/800
Вал полированный SFC-20/500
Вал полированный SFC-10/300
Планирую использовать двигатели на лево-право, верх-вниз
Модель : 23HS8430
Шаг, гр : 1,8
Длина, мм : 76
Диаметр вала: 8мм
Ток, А : 3
Сопротивление фазы, ом : 1
Индуктивность, mH : 3,5
Момент удержания кг*см : 18
Кол-во выводов : 4
Вес, гр. : 1100
На передвижение портала
Шаг, гр : 1,8
Длина, мм : 112
Диаметр вала: 8мм
Ток, А : 3
Сопротивление фазы, ом : 1.6
Индуктивность, mH : 6.8
Момент удержания кг*см : 28
Кол-во выводов : 4
Вес, гр. : 1660
Вопросы: Каокое напряжение питания для них лучше всего использовать? И какой общий ампераж должен выдавать БП на 3 ШД, хочу подсчитать мощность транса чисто для питания движков
Вал полированный SFC-25/800
Вал полированный SFC-20/500
Вал полированный SFC-10/300
Планирую использовать двигатели на лево-право, верх-вниз
Модель : 23HS8430
Шаг, гр : 1,8
Длина, мм : 76
Диаметр вала: 8мм
Ток, А : 3
Сопротивление фазы, ом : 1
Индуктивность, mH : 3,5
Момент удержания кг*см : 18
Кол-во выводов : 4
Вес, гр. : 1100
На передвижение портала
Шаг, гр : 1,8
Длина, мм : 112
Диаметр вала: 8мм
Ток, А : 3
Сопротивление фазы, ом : 1.6
Индуктивность, mH : 6.8
Момент удержания кг*см : 28
Кол-во выводов : 4
Вес, гр. : 1660
Вопросы: Каокое напряжение питания для них лучше всего использовать? И какой общий ампераж должен выдавать БП на 3 ШД, хочу подсчитать мощность транса чисто для питания движков
- michael-yurov
- Почётный участник

- Сообщения: 11731
- Зарегистрирован: 26 июл 2012, 00:10
- Репутация: 4703
- Настоящее имя: Михаил Львович
- Откуда: Новоуральск
- Контактная информация:
Re: Фрезерный ЧПУ станок по дереву.
Так ты хочешь заменить линейный стабилизатор импульсным в синей китайской плате многоканального драйвера,
Или хочешь собрать свой драйвер на основе TL494?
Не пойму, при чем тут IRZF44N?
О чем , вообще, идет речь?
Накопительные конденсаторы еще какие-то...
Если хочешь сам собрать драйвер, и спрашиваешь о проблемах такой схемы - то где схема, которую мы обсуждаем?
А про движки - им (на три мотора) нужно не менее 350 вт. Ампераж сам считай, исходя из напряжения.
Напряжение - зависит от механики станка (требуемых скоростей) и от драйверов.
Или хочешь собрать свой драйвер на основе TL494?
Не пойму, при чем тут IRZF44N?
О чем , вообще, идет речь?
Накопительные конденсаторы еще какие-то...
Если хочешь сам собрать драйвер, и спрашиваешь о проблемах такой схемы - то где схема, которую мы обсуждаем?
А про движки - им (на три мотора) нужно не менее 350 вт. Ампераж сам считай, исходя из напряжения.
Напряжение - зависит от механики станка (требуемых скоростей) и от драйверов.
-
dima190390
- Новичок
- Сообщения: 29
- Зарегистрирован: 23 июн 2014, 18:40
- Репутация: -1
- Контактная информация:
Re: Фрезерный ЧПУ станок по дереву.
Я про питание +5в и питание ШД на
драйверах L297+IRZF44N
Что тут не ясного?
драйверах L297+IRZF44N
Что тут не ясного?
- michael-yurov
- Почётный участник

- Сообщения: 11731
- Зарегистрирован: 26 июл 2012, 00:10
- Репутация: 4703
- Настоящее имя: Михаил Львович
- Откуда: Новоуральск
- Контактная информация:
Re: Фрезерный ЧПУ станок по дереву.
Чего не ясного?!dima190390 писал(а):Я про питание +5в и питание ШД на
драйверах L297+IRZF44N
Что тут не ясного?
Не ясно - зачем тебе +5 В, и не ясно откуда вдруг L297? Про нее ни слова не было. Речь шла только про TL494.
А тема - вообще про станок по дереву - что к чему?!
При чем здесь TL494 - до сих пор не пойму, если в качестве регулятора шим для своих драйверов собрался использовать L297?
В общем - много слов пропустил.
-
dima190390
- Новичок
- Сообщения: 29
- Зарегистрирован: 23 июн 2014, 18:40
- Репутация: -1
- Контактная информация:
Re: Фрезерный ЧПУ станок по дереву.
Начну по порядку
питание контроллеров +5В хочу собрать качественно и чтоб надёжно (3 контоллера на L297+IRZF44N), думаю на ШИМе TL494, вот но хотелось бы схемку от профи в этом деле, что посоветуете?
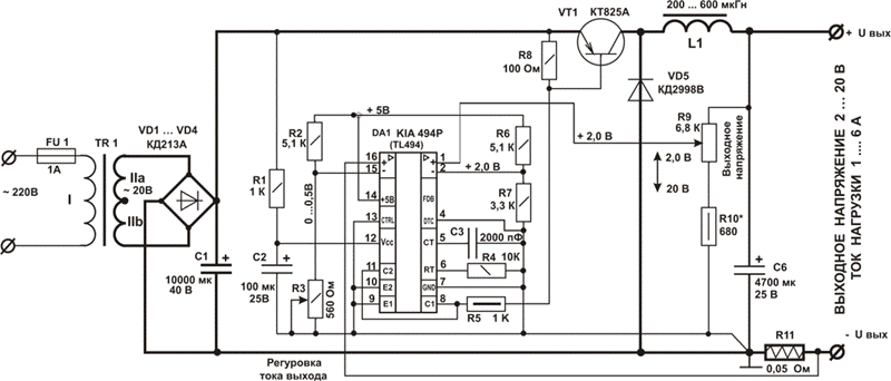
нашёл вот такую схему, как думаете можно будет её приспособить под+5В 3А
питание контроллеров +5В хочу собрать качественно и чтоб надёжно (3 контоллера на L297+IRZF44N), думаю на ШИМе TL494, вот но хотелось бы схемку от профи в этом деле, что посоветуете?
нашёл вот такую схему, как думаете можно будет её приспособить под+5В 3А
- michael-yurov
- Почётный участник

- Сообщения: 11731
- Зарегистрирован: 26 июл 2012, 00:10
- Репутация: 4703
- Настоящее имя: Михаил Львович
- Откуда: Новоуральск
- Контактная информация:
Re: Фрезерный ЧПУ станок по дереву.
А!, так вот, что ты контроллером называешь - так бы и написал - L297, а не "контроллер"!dima190390 писал(а):Начну по порядку
питание контроллеров +5В хочу собрать качественно и чтоб надёжно (3 контоллера на L297+IRZF44N)
Я, конечно, понимаю, что в документации тысяча девятьсот лохматого года даже L297 контроллером назвали,.. но здесь то форум по ЧПУ станкам, а не по управлению полевыми транзисторами.
Вот контроллер!:
Я то решил, что ты хочешь использовать эту микросхему в качестве регулятора тока в обмотках шаговых моторов и в качестве силовой части использовать IRZF44N.dima190390 писал(а):думаю на ШИМе TL494
Не экономил бы слова - потребовалось бы намного меньше усилий, чтобы понять, о чем ты пишешь.
L7805 посоветую!dima190390 писал(а):вот но хотелось бы схемку от профи в этом деле, что посоветуете?
Начерта тебе 3 А?! ты собрался подключить 60 штук драйверов на L297?dima190390 писал(а):нашёл вот такую схему, как думаете можно будет её приспособить под+5В 3А
Потребление L297 - около 50 мА! Зачем городить импульсный регулятор на рассыпухе?
- megagad
- Почётный участник

- Сообщения: 3207
- Зарегистрирован: 05 апр 2014, 18:57
- Репутация: 712
- Откуда: Реуспублика Крым, Бахчисарай.
- Контактная информация:
Re: Фрезерный ЧПУ станок по дереву.
Чтоб потом выискивать причину "самохода" движков при включённом блоке питанияmichael-yurov писал(а):Зачем городить импульсный регулятор на рассыпухе?
Берёте от такое чудо: uA78H05 - +5в 5А и не мучаете ни себя, ни окружающих. Для больших токов привинчиваете её к большому радиатору.dima190390 писал(а):+5В 3А
We Do What We Must, Because We Can!
Причинять добро, наносить пользу и подвергать ласке.
Причинять добро, наносить пользу и подвергать ласке.
- michael-yurov
- Почётный участник

- Сообщения: 11731
- Зарегистрирован: 26 июл 2012, 00:10
- Репутация: 4703
- Настоящее имя: Михаил Львович
- Откуда: Новоуральск
- Контактная информация:
Re: Фрезерный ЧПУ станок по дереву.
Так для L297 всего 50 мА нужно!megagad писал(а):Берёте от такое чудо: uA78H05 - +5в 5А и не мучаете ни себя, ни окружающих. Для больших токов привинчиваете её к большому радиатору.
- megagad
- Почётный участник

- Сообщения: 3207
- Зарегистрирован: 05 апр 2014, 18:57
- Репутация: 712
- Откуда: Реуспублика Крым, Бахчисарай.
- Контактная информация:
Re: Фрезерный ЧПУ станок по дереву.
Если человек хочет три ампера - так дайте ему 3Аmichael-yurov писал(а):Так для L297 всего 50 мА нужно!
We Do What We Must, Because We Can!
Причинять добро, наносить пользу и подвергать ласке.
Причинять добро, наносить пользу и подвергать ласке.
-
dima190390
- Новичок
- Сообщения: 29
- Зарегистрирован: 23 июн 2014, 18:40
- Репутация: -1
- Контактная информация:
Re: Фрезерный ЧПУ станок по дереву.
Нет мне наоборот приятно, что мне советуют действительно правильные советы, я к ними прислушиваюсь 
-
dima190390
- Новичок
- Сообщения: 29
- Зарегистрирован: 23 июн 2014, 18:40
- Репутация: -1
- Контактная информация:
Re: Фрезерный ЧПУ станок по дереву.
Нет мне наоборот приятно, что мне советуют действительно правильные советы, я к ними прислушиваюсь 
А вообще стоит у меня 7805 на 3 L297+L298 на небольшом радиаторе, и скажу она горячая 7805, вот почему я и задую такие вопросы, ток потребления вроде 0,4 A давно мерил точно не скажу
А вообще стоит у меня 7805 на 3 L297+L298 на небольшом радиаторе, и скажу она горячая 7805, вот почему я и задую такие вопросы, ток потребления вроде 0,4 A давно мерил точно не скажу
- michael-yurov
- Почётный участник

- Сообщения: 11731
- Зарегистрирован: 26 июл 2012, 00:10
- Репутация: 4703
- Настоящее имя: Михаил Львович
- Откуда: Новоуральск
- Контактная информация:
Re: Фрезерный ЧПУ станок по дереву.
Ну так еще каждая L298 еще миллиампер по 30 кушает.dima190390 писал(а):А вообще стоит у меня 7805 на 3 L297+L298 на небольшом радиаторе, и скажу она горячая 7805, вот почему я и задую такие вопросы, ток потребления вроде 0,4 A давно мерил точно не скажу
Вроде бы не должно было 0,4 А получиться. Может быть еще потребители были.
В принципе, для этих микросхем нагрев - нормальное дело.
Можно ведь по стабилизатору на каждый драйвер поставить. Можно последовательно два стабилизатора (сначала на 15 В, например, а потом на 5).
Мне понадобилось сделать стабилизатор для платы потребляющей 5 В, 500 мА.
Я собрал на LM2576 / LM2596. Понадобилась еще индуктивность, диод Шоттки и 4 конденсатора.
Вот фото (правда индуктивность могла бы быть и поменьше размером, на меньший ток, а конденсаторы стоило бы взять побольше).
- selenur
- Почётный участник

- Сообщения: 4605
- Зарегистрирован: 21 авг 2013, 19:44
- Репутация: 1622
- Настоящее имя: Сергей
- Откуда: Новый Уренгой
- Контактная информация:
Re: Фрезерный ЧПУ станок по дереву.
Греется ведь из-за того что входное напряжение значительно больше на 7805, есть очень простая формула вычисления выделяемого тепла, для этого из входящего напряжения например 12 вольт отнимают 5 вольт которые дает 7805, и умножается на потребляющий ток, например 0.5ампера и получаем 3.5 вата будет уходить в тепло, которое необходимо рассеять радиатором, поэтому часто проще использовать Step-down преобразователь, усложнение схемы небольшое, но не прийдется задумываться об отводе теплаdima190390 писал(а):Нет мне наоборот приятно, что мне советуют действительно правильные советы, я к ними прислушиваюсь
А вообще стоит у меня 7805 на 3 L297+L298 на небольшом радиаторе, и скажу она горячая 7805, вот почему я и задую такие вопросы, ток потребления вроде 0,4 A давно мерил точно не скажу
Мой сайт: http://selenur.ru
Исходники моих программ: https://github.com/selenur
Instagram https://www.instagram.com/zheigurov/
Исходники моих программ: https://github.com/selenur
Instagram https://www.instagram.com/zheigurov/
-
dima190390
- Новичок
- Сообщения: 29
- Зарегистрирован: 23 июн 2014, 18:40
- Репутация: -1
- Контактная информация:
Re: Фрезерный ЧПУ станок по дереву.
Вот подумал, а что если вместо мощных трансов собрать импульсник, хотябы на питание двигателей, 45в 10а, может подскажете простой расчёт имульсного БП....
- megagad
- Почётный участник

- Сообщения: 3207
- Зарегистрирован: 05 апр 2014, 18:57
- Репутация: 712
- Откуда: Реуспублика Крым, Бахчисарай.
- Контактная информация:
Re: Фрезерный ЧПУ станок по дереву.
Что следующее?? Спросите как самому сделать шаговики?dima190390 писал(а): а что если вместо мощных трансов собрать импульсник,
Или может вас в гугле забанили??? там схем импульсников как грязи = делай нехочу. Вопрос в том - сможете-ли вы повторить то, что китайцы клепают уже как минимум лет 10-15 по отточенной технологии
We Do What We Must, Because We Can!
Причинять добро, наносить пользу и подвергать ласке.
Причинять добро, наносить пользу и подвергать ласке.
-
dima190390
- Новичок
- Сообщения: 29
- Зарегистрирован: 23 июн 2014, 18:40
- Репутация: -1
- Контактная информация:
Re: Фрезерный ЧПУ станок по дереву.
Нет просто считал, что здесь могут давать конкретные ответы, но ошибся... Такие советы как типа гугл в помощь, дают настоящие профи, что впринципе доказано