Вот думаю:
1) как лучше реализовать ускорение/торможение.
2) Какой функционал в него ещё вложить
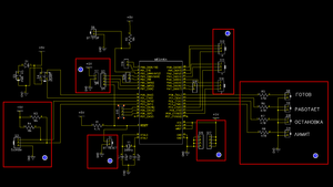
Основной целью является сделать недорогой контроллер для очень простеньких задач, с легкой повторяемостью






michael-yurov писал(а):А я то подумал, что речь идет о постоянном движении но с остановкой в дискретных позициях.



При разработке на плате намечаются реперные метки по центру каждой стороны. По этим меткам уже можно будет вычислить погрешность на смещения.selenur писал(а):А дальше собственно начинается секс... это верно спозиционировать плату
При правильном травлении величина бокового подтрава будет не больше толщины фольги (типично 17 микрон). Стоит ли бояться?selenur писал(а):По многим урокам в инете всегда советуют вытравить, а потом сверлить, т.к. тонер на печатной плате защищает лишь сверху, а по бокам в местах сверления, медь остается открытой.

Ну тогда действительно, бояться нечегоСергей Саныч писал(а):При правильном травлении величина бокового подтрава будет не больше толщины фольги (типично 17 микрон). Стоит ли бояться?
Обсолютно верно. Для подстраховки, контактные площадки фото шаблона делать без отверстий. При закатке, фоторезист прикроет торцы.Сергей Саныч писал(а):При правильном травлении величина бокового подтрава будет не больше толщины фольги (типично 17 микрон). Стоит ли бояться?

Это только ради металлизации.Сергей Саныч писал(а):Кстати, при заводском изготовлении вначале заготовки плат сверлят, потом делают всё остальное.
Односторонние без металлизации делают так же. По крайней мере, где мы заказываем.UAVpilot писал(а):Это только ради металлизации.