Помогите с чертежами

Конструкции станков, линейные перемещения, направляющие, передачи.
rustech
Мастер
Сообщения: 451
Зарегистрирован: 24 сен 2012, 07:17
Репутация: -40
Контактная информация:

Re: Помогите с чертежами

Сообщение rustech »

ну вот и указывай, что там сварка )
http://moyasvarka.ru/wp-content/uploads ... /znaki.gif
Аватара пользователя
mhael
Мастер
Сообщения: 2443
Зарегистрирован: 09 мар 2013, 11:22
Репутация: 769
Настоящее имя: Ильдар
Контактная информация:

Re: Помогите с чертежами

Сообщение mhael »

rustech писал(а):ну вот и указывай, что там сварка )
Спасибо, не знал как её указывают.
Supermagnetto
Мастер
Сообщения: 344
Зарегистрирован: 10 фев 2015, 10:55
Репутация: 63
Настоящее имя: Николай
Откуда: Москва
Контактная информация:

Re: Помогите с чертежами

Сообщение Supermagnetto »

Наверно я опоздал...но я бы сделал так:
Вложения
чертеж.jpg (2457 просмотров) <a class='original' href='./download/file.php?id=50011&mode=view' target=_blank>Загрузить оригинал (2.03 МБ)</a>
Аватара пользователя
mhael
Мастер
Сообщения: 2443
Зарегистрирован: 09 мар 2013, 11:22
Репутация: 769
Настоящее имя: Ильдар
Контактная информация:

Re: Помогите с чертежами

Сообщение mhael »

тоже вариант.
Onebe
Опытный
Сообщения: 100
Зарегистрирован: 02 апр 2015, 14:20
Репутация: 17
Настоящее имя: Александр
Контактная информация:

Re: Помогите с чертежами

Сообщение Onebe »

mhael писал(а):тоже вариант.
я бы подумал получше, как-то не вариант :hehehe:
Вложения
хомут.jpg (2352 просмотра) <a class='original' href='./download/file.php?id=50607&mode=view' target=_blank>Загрузить оригинал (1.4 МБ)</a>
Supermagnetto
Мастер
Сообщения: 344
Зарегистрирован: 10 фев 2015, 10:55
Репутация: 63
Настоящее имя: Николай
Откуда: Москва
Контактная информация:

Re: Помогите с чертежами

Сообщение Supermagnetto »

Onebe писал(а):
mhael писал(а):тоже вариант.
я бы подумал получше, как-то не вариант :hehehe:
Ну Ты выпендёжник)
На самом деле, как меня учили ставь размеры которые важны.. остальные сами сабой получаться.. так что я считаю больше не надо:
Там где 30 между отверстиями, это основной размер мне же пофигу может сделали место 60-> 60.5 главное чтобы было по центру и между отверстиями 30.. так что думаю всё ок)
Аватара пользователя
mhael
Мастер
Сообщения: 2443
Зарегистрирован: 09 мар 2013, 11:22
Репутация: 769
Настоящее имя: Ильдар
Контактная информация:

Re: Помогите с чертежами

Сообщение mhael »

Пока вот такое навертел. Вес этой конструкции - примерно 60кг. Еще сам шпиндель килограмм 25. Ну еще мотор не взвешивал. Думается мне килограмм в 90-100 ось Z должна уложиться.
Вложения
Ось Z в сборе снизу.JPG (2309 просмотров) <a class='original' href='./download/file.php?id=50661&mode=view' target=_blank>Загрузить оригинал (104.97 КБ)</a>
Ось Z в сборе.JPG (2309 просмотров) <a class='original' href='./download/file.php?id=50662&mode=view' target=_blank>Загрузить оригинал (92.4 КБ)</a>
Аватара пользователя
ukr-sasha
Мастер
Сообщения: 3401
Зарегистрирован: 21 мар 2011, 07:47
Репутация: 2181
Настоящее имя: Украинец Александр Григорьевич
Откуда: Киев, Украина
Контактная информация:

Re: Помогите с чертежами

Сообщение ukr-sasha »

mhael писал(а):Пока вот такое навертел.
Ильдар. Недоработанная конструкция: нужны боковые ребра жесткости. Причем, я бы их связал с кронштейнами удерживающими шпиндель и мотор.
Спросите у nik1 про пользу продольных ребер. ;-)
Аватара пользователя
mhael
Мастер
Сообщения: 2443
Зарегистрирован: 09 мар 2013, 11:22
Репутация: 769
Настоящее имя: Ильдар
Контактная информация:

Re: Помогите с чертежами

Сообщение mhael »

ukr-sasha писал(а):Ильдар. Недоработанная конструкция: нужны боковые ребра жесткости.
Они изначально в "проекте" были. Но потом убрал - шпиндель же тоже часть конструкции, тоже на жесткость влияет. Основание - плита стальная 30мм. СТакан шпинделя 132мм в диаметре с толщиной стенки больше 10мм, связывает верхний и нижний хомуты. Честно сказать не знаю, что там и куда прогнется. Пока не изучил в Solid-е как жесткость конструкции проверить. В дальнейшем, по необходимости, ребра можно будет добавить, для этого верхний и нижний хомуты сделаны одной ширины, к ним легко можно доделать ребра.
Аватара пользователя
ukr-sasha
Мастер
Сообщения: 3401
Зарегистрирован: 21 мар 2011, 07:47
Репутация: 2181
Настоящее имя: Украинец Александр Григорьевич
Откуда: Киев, Украина
Контактная информация:

Re: Помогите с чертежами

Сообщение ukr-sasha »

mhael писал(а):Честно сказать не знаю, что там и куда прогнется
Мы с nik1 считали и потом практика (он мерял безменом и индикатором) подтвердила - разница с ребрами и без них на порядок. У него шпиндель тоже не игрушечный. В твоей конструкции заложен потенциал, почему бы сразу его не использовать. Тем более для этого многого не нужно.
(для просмотра содержимого нажмите на ссылку)
П.С. Почему то хочется, чтобы именно у тебя получилась грамотно выполненная конструкция.
Аватара пользователя
alexg-nn
Мастер
Сообщения: 793
Зарегистрирован: 08 фев 2015, 12:45
Репутация: 127
Настоящее имя: Алексей
Откуда: Нижний Новгород
Контактная информация:

Re: Помогите с чертежами

Сообщение alexg-nn »

mhael, монументальная конструкция. А что за станок?
Аватара пользователя
mhael
Мастер
Сообщения: 2443
Зарегистрирован: 09 мар 2013, 11:22
Репутация: 769
Настоящее имя: Ильдар
Контактная информация:

Re: Помогите с чертежами

Сообщение mhael »

ukr-sasha писал(а):В твоей конструкции заложен потенциал, почему бы сразу его не использовать. Тем более для этого многого не нужно.
Как минимум нужен фрезер. И токарный. Рабочие и с нормальным полем (510х270 для фрезера, и токарный размера 1К62). Я бы отдал на обработку, но финансы пока не те, чтоб по фирмам ходить.
alexg-nn писал(а):mhael, монументальная конструкция. А что за станок?
Эх мне бы самому знать :) Леплю пока вокруг шпинделя, посмотрим, что получится :)
Mihaill
Мастер
Сообщения: 238
Зарегистрирован: 02 июн 2014, 12:06
Репутация: 68
Откуда: Ярославль
Контактная информация:

Re: Помогите с чертежами

Сообщение Mihaill »

Совсем недавно что то очень похожее делал, только шпиндель у меня не круглый.
Вложения
ось Z (2240 просмотров) <a class='original' href='./download/file.php?id=50725&mode=view' target=_blank>Загрузить оригинал (54.19 КБ)</a>
ось Z
Аватара пользователя
mhael
Мастер
Сообщения: 2443
Зарегистрирован: 09 мар 2013, 11:22
Репутация: 769
Настоящее имя: Ильдар
Контактная информация:

Re: Помогите с чертежами

Сообщение mhael »

Mihaill писал(а):Совсем недавно что то очень похожее делал, только шпиндель у меня не круглый.
основа - литье или из цельного куска фрезеровать?
Mihaill
Мастер
Сообщения: 238
Зарегистрирован: 02 июн 2014, 12:06
Репутация: 68
Откуда: Ярославль
Контактная информация:

Re: Помогите с чертежами

Сообщение Mihaill »

Фрезеровал из чугунной плиты.
Извиняюсь за качество фотки, телефон древний, а фотика под рукой не оказалось.
Вложения
на станке выглядит вот так (2217 просмотров) <a class='original' href='./download/file.php?id=50775&mode=view' target=_blank>Загрузить оригинал (36.21 КБ)</a>
на станке выглядит вот так
Аватара пользователя
mhael
Мастер
Сообщения: 2443
Зарегистрирован: 09 мар 2013, 11:22
Репутация: 769
Настоящее имя: Ильдар
Контактная информация:

Re: Помогите с чертежами

Сообщение mhael »

Mihaill писал(а):Извиняюсь за качество фотки, телефон древний, а фотика под рукой не оказалось
ничего не видно :)
Аватара пользователя
mhael
Мастер
Сообщения: 2443
Зарегистрирован: 09 мар 2013, 11:22
Репутация: 769
Настоящее имя: Ильдар
Контактная информация:

Re: Помогите с чертежами

Сообщение mhael »

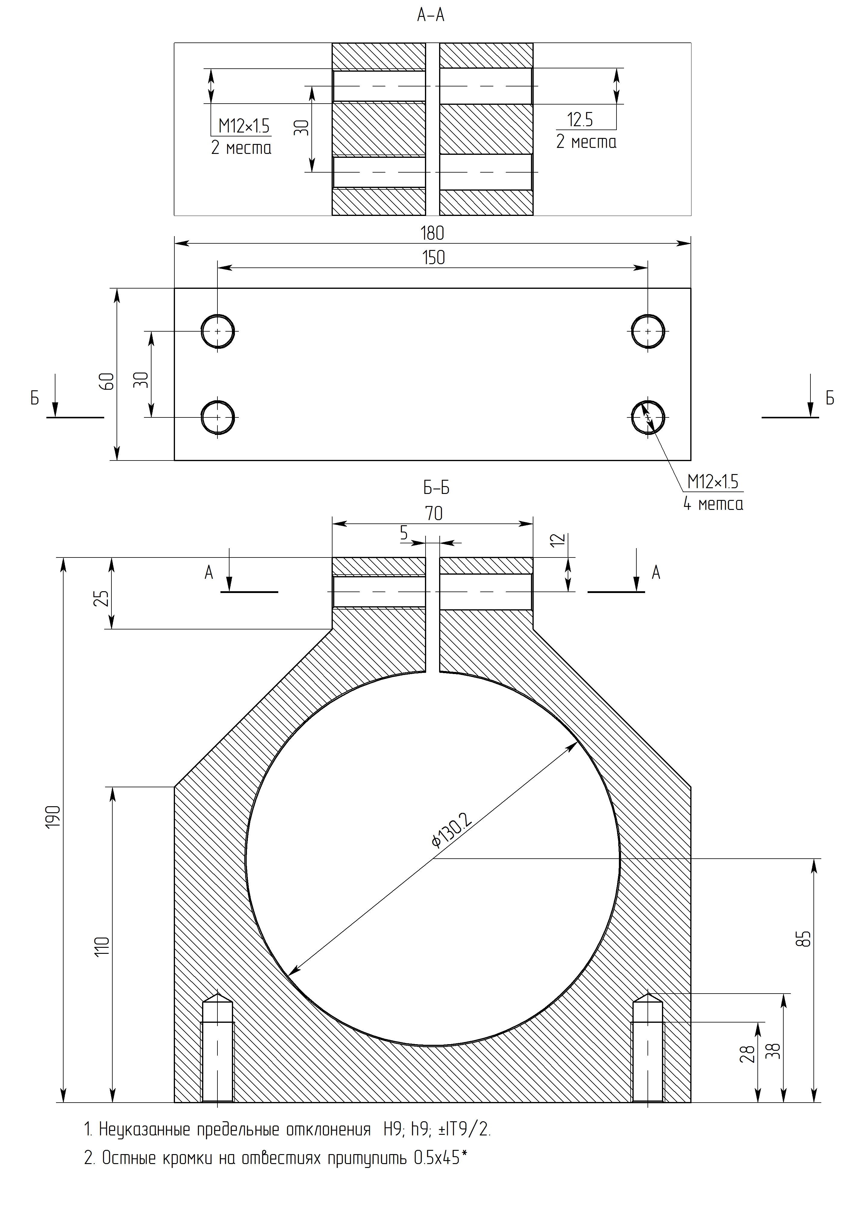
Люди Добрые! Помогите! Нужно отверстия сделать. То, что 130,2мм и 85мм. Кто сможет и за сколько? У кого есть 1к62 или другое соразмерное? Заготовки отторцованы "в черновую", косынки к верхнему хомуту еще не приварены.

P.S. При наличии четырехкулачкового патрона работы наверное на час максимум. Выставить заготовку +-0,5мм, выточить отверстие, торцануть поверхность (базу сделать для дальнейшей обработки).

P.P.S. Кстати, а можно на токарном выточить отверстие так, чтою не все в стружку, а часть материала из сердцевины осталось... на заготовочку?
Аватара пользователя
Predator
Мастер
Сообщения: 9583
Зарегистрирован: 18 июл 2013, 18:26
Репутация: 2531
Контактная информация:

Re: Помогите с чертежами

Сообщение Predator »

mhael писал(а):а можно на токарном выточить отверстие так, чтою не все в стружку, а часть материала из сердцевины осталось... на заготовочку?
Можно.
Аватара пользователя
shalek
Почётный участник
Почётный участник
Сообщения: 3023
Зарегистрирован: 25 авг 2014, 10:40
Репутация: 2583
Настоящее имя: Александр
Откуда: РБ Бобруйск
Контактная информация:

Re: Помогите с чертежами

Сообщение shalek »

Predator писал(а):
mhael писал(а):а можно на токарном выточить отверстие так, чтою не все в стружку, а часть материала из сердцевины осталось... на заготовочку?
Можно.
А можно с прутка диаметром 40 мм выточить лом 1500 мм длиной и чтобы труба такой же длины осталась?
Если ты не можешь решить проблему, значит это не твоя проблема!
Мой канал на YouTube: YouTube
ЧПУ "Бобр" 600x500 мм
shalek64@gmail.com
Аватара пользователя
Serg
Мастер
Сообщения: 21923
Зарегистрирован: 17 апр 2012, 14:58
Репутация: 5183
Заслуга: c781c134843e0c1a3de9
Настоящее имя: Сергей
Откуда: Москва
Контактная информация:

Re: Помогите с чертежами

Сообщение Serg »

Predator писал(а):Можно.
Но не нужно. Просто купить ещё одну заготовку будет дешевле.
Я не Христос, рыбу не раздаю, но могу научить, как сделать удочку...
Ответить

Вернуться в «Механика»