Проблема с фрезами при раскрое ЛДСП

Аватара пользователя
[TARAN]>
Мастер
Сообщения: 663
Зарегистрирован: 13 янв 2014, 03:58
Репутация: 58
Контактная информация:

Re: Проблема с фрезами при раскрое ЛДСП

Сообщение [TARAN]> »

Enot_1 писал(а): 03 сен 2021, 23:37 Цанги лучше ААА.
Раньше цанги купить было проблемой, но когда покупал высокого класса проблем с ними не было. Так на домашнем станке 2 комплекта до сих пор работают. И все отлично. Уже лет 5) Редко работаю на нем. А сейчас их везде продают и похоже маркировка ничего не значит уже..
На сколько я понимаю, не важно должно быть какого класса цанга, угол должен быть примерно 8 градусов. А вот качество шлифовки, соосность и т.д. уже по классам точности. А тут косяки на градус.. Это просто брак продают. :pssdoff:
Аватара пользователя
[TARAN]>
Мастер
Сообщения: 663
Зарегистрирован: 13 янв 2014, 03:58
Репутация: 58
Контактная информация:

Re: Проблема с фрезами при раскрое ЛДСП

Сообщение [TARAN]> »

Если кому интересно.
Пока жду цангу 12 мм, режу какой то компрессионкой 6 мм. На вид китай, купил в местном магазине за 1700.. Дорого..
Режет 6й лист, сама фреза уже тупая, но сколов нет и рез приемлемый. Раньше столько не ходили подобные фрезы. Т.е. если проблема не только в цангах и конусе, то в них на 80% точно.
Alex_kh
Мастер
Сообщения: 362
Зарегистрирован: 03 сен 2019, 01:31
Репутация: 37
Настоящее имя: Александр
Откуда: Харьков
Контактная информация:

Re: Проблема с фрезами при раскрое ЛДСП

Сообщение Alex_kh »

[TARAN писал(а):> post_id=618783 user_id=8936]
Шлифовал прямо на станке, установив макитовский фрезер вместо шлиф. головки. Угол задал поворотом шпинделя, по уклономеру (естественно примерный получился). Потом после проходов примерял ту цангу на 6 мм. У которой, как мне кажется, самый верный угол. С вставленной фрезой и периодически с гайкой, на тонкий слой принтерной краски. На все потратил почти 2е суток. Подготовка шлифовка и т.д.
Результат - биение на конусе мои индикаторы не показывают совсем. Ну понятно, что люфт в них какой то есть. На конце фрезы 6 мм. и у ее основании не показывает совсем
Вот это вот всё было б неплохо с подробностями и картинками, как и что устанавливается и всЯмя инструкциями.

"- Не корысти ради, а токмо волею пославшей мя супруги!"

Пысы: ждал фразы " Т.е. если проблема не только в цангах и конусе, то в них на 80% точно." -
Аватара пользователя
[TARAN]>
Мастер
Сообщения: 663
Зарегистрирован: 13 янв 2014, 03:58
Репутация: 58
Контактная информация:

Re: Проблема с фрезами при раскрое ЛДСП

Сообщение [TARAN]> »

Alex_kh писал(а): 06 сен 2021, 17:09
[TARAN писал(а):> post_id=618783 user_id=8936]
Шлифовал прямо на станке, установив макитовский фрезер вместо шлиф. головки. Угол задал поворотом шпинделя, по уклономеру (естественно примерный получился). Потом после проходов примерял ту цангу на 6 мм. У которой, как мне кажется, самый верный угол. С вставленной фрезой и периодически с гайкой, на тонкий слой принтерной краски. На все потратил почти 2е суток. Подготовка шлифовка и т.д.
Результат - биение на конусе мои индикаторы не показывают совсем. Ну понятно, что люфт в них какой то есть. На конце фрезы 6 мм. и у ее основании не показывает совсем
Вот это вот всё было б неплохо с подробностями и картинками, как и что устанавливается и всЯмя инструкциями.

"- Не корысти ради, а токмо волею пославшей мя супруги!"

Пысы: ждал фразы " Т.е. если проблема не только в цангах и конусе, то в них на 80% точно." -
Фоток не осталось... не до фоток было..
Ну я взял кромочный фрезер макита, который из платформы вынимается, из толстой фанеры сделал ему столик. Установил на станке вертикально, "фрезой вверх".
WhatsApp Image 2021-09-06 at 21.15.45.jpeg (3469 просмотров) <a class='original' href='./download/file.php?id=197953&mode=view' target=_blank>Загрузить оригинал (28.72 КБ)</a>
Обточил камень и установил во фрезер. Чуть подправил уже установленный. Камень, как можно заметить, с починкой. Он оказался на державку приклеен только по кругу и в тонком месте обломился. Приклеил космофеном и салфеткой)))
Потом установленным гравером в шпиндель, в :geek: установил центр шпинделя и центр камушка. При этом они вращались, так понятнее было где центр. Смотрел через лупу.
Далее открутил держатель шпинделя и повернул на 8 градусов, что бы одна грань конуса встала перпендикулярно к столу станка. Затянул на один винт крепления, с другой стороны притянул струбцинкой к плите оси z.
По одной из осей, при этом, шпиндель и камень оказались отцентрованы, для этого и искал центр гравером.
Ну а дальше сдвигаем шпиндель, что бы завести камень в конус, опускаем, смещаем до касания и вверх вниз по оси z пока звук не пропадет, тем самым выберем вибрации возможные на камне и люфты в фрезере. Шпиндель на минимальных, фрезер чуть выше минимальных, пока еще вибрации на нем не сильные, но искры что бы летели при шлифовке.
Такой способ только с примеркой постоянной. Выставить так что бы все сошлось не реально, как мне кажется.
А, да, над повернутым держателем шпинделя закрепил часовой индикатор, что бы видно было куда и на сколько сдвинул угол, хотя бы примерно. Двигал много раз, пока цанга плотно не села. Каждый раз по много проходов делал. когда понял, что примерно попал, 40 минут туда сюда елозил) :relsa: Что бы поверхность нормальная получилась. Перемещал не быстро, скорость подбирал, что бы вибраций на станке не было, серва гибридная, по сути шаговый, резонансы и прочее.
WhatsApp Image 2021-09-06 at 21.32.03.jpeg (3469 просмотров) <a class='original' href='./download/file.php?id=197954&mode=view' target=_blank>Загрузить оригинал (92.82 КБ)</a>
Все обматывал стрейчем, подводил пылесос самодельный, с циклоном и 2х ступенчатым фильтром hepa13, что бы на станок не осело ничего.
Второй раз этим всем делом заниматься бы я не стал) Скорее всего. Точно измерить конус не знаю как, примерял только по цанге. Просто запросил счет на новый шпиндель и решил рискнуть с этим. Но был морально готов, что испорчу его совсем. Там прям очень точный конус должен получиться, сложно на коленке это провернуть :freak:
Последний раз редактировалось [TARAN]> 06 сен 2021, 20:03, всего редактировалось 1 раз.
Аватара пользователя
[TARAN]>
Мастер
Сообщения: 663
Зарегистрирован: 13 янв 2014, 03:58
Репутация: 58
Контактная информация:

Re: Проблема с фрезами при раскрое ЛДСП

Сообщение [TARAN]> »

frezeryga Выкладывал видео похожее. Только я делал немного в другой плоскости. Двигал осью z. Но принцип такой же.
https://www.youtube.com/watch?v=ziIzreK_Wyo
Думаю он выставлялся по конусу индикатором. В моем же случае, там особо не выставишься уже, он попорчен был.
Еще снял фасочки и чуть чуть торцанул об этот же камушек.
Alex_kh
Мастер
Сообщения: 362
Зарегистрирован: 03 сен 2019, 01:31
Репутация: 37
Настоящее имя: Александр
Откуда: Харьков
Контактная информация:

Re: Проблема с фрезами при раскрое ЛДСП

Сообщение Alex_kh »

[TARAN писал(а):> post_id=619124 user_id=8936]
В моем же случае, там особо не выставишься уже, он попорчен был.
Подозреваю, что это самая "эротичная" так сказать, часть процесса, а еще подозреваю, что кто-то ещё это попытается воспроизвести, поэтому и выпытываю.
На чипмейкере была инструкция - но на взрослом станке и с вагоном мериловки.
А тут! Ну как по мне это даже круче чем новый станок собрать.
Меня например, даже от проверки конуса и реального биения шпинделя (меряю только на фрезе) останавливает необходимость переделки З-оси.
Могу только добавить, что такая шлифовка ЭТО РЕАЛЬНО КРУТО!
Аватара пользователя
niksooon
Мастер
Сообщения: 2144
Зарегистрирован: 23 июн 2014, 23:18
Репутация: 1207
Откуда: Кашира
Контактная информация:

Re: Проблема с фрезами при раскрое ЛДСП

Сообщение niksooon »

[TARAN писал(а):> post_id=619119 user_id=8936]
Точно измерить конус не знаю как, примерял только по цанге.
конус шпинделя извазюкай хотя бы маркером,а лучше краской что для шабрения идет , В самую приличную из имеющихся цангу вставь фрезу (фреза должна с легким натягом заходить тем самым придав правильную форму внешней геометрии цанги) Цангу (с фрезой ,но без гайки) вставляешь в конус ,поворачиваешь на пару -тройку градусов ,аккуратненько вынимаешь и смотришь на следы краски отпечатавшиеся на цанге........
Сделанное правильно — красиво. Если сделанное тебе не нравится — то и работать оно будет хреново. Перевари, пересверли, выпили заново — ну, или хотя бы покрась.
Alex_kh
Мастер
Сообщения: 362
Зарегистрирован: 03 сен 2019, 01:31
Репутация: 37
Настоящее имя: Александр
Откуда: Харьков
Контактная информация:

Re: Проблема с фрезами при раскрое ЛДСП

Сообщение Alex_kh »

niksooon писал(а): лучше
То есть желательно купить брендовую не китайскую цангу, для использования ее в качестве шаблона или лекала.
Весьма дельная мысль кстати!
А если вместо фрезы использовать какой нибудь прецизионный цилиндрический штифт то цангу можно проверить балансировкой на ножах, но индикатор нужен реально микронный
Аватара пользователя
[TARAN]>
Мастер
Сообщения: 663
Зарегистрирован: 13 янв 2014, 03:58
Репутация: 58
Контактная информация:

Re: Проблема с фрезами при раскрое ЛДСП

Сообщение [TARAN]> »

niksooon писал(а): 06 сен 2021, 21:56
[TARAN писал(а):> post_id=619119 user_id=8936]
Точно измерить конус не знаю как, примерял только по цанге.
конус шпинделя извазюкай хотя бы маркером,а лучше краской что для шабрения идет , В самую приличную из имеющихся цангу вставь фрезу (фреза должна с легким натягом заходить тем самым придав правильную форму внешней геометрии цанги) Цангу (с фрезой ,но без гайки) вставляешь в конус ,поворачиваешь на пару -тройку градусов ,аккуратненько вынимаешь и смотришь на следы краски отпечатавшиеся на цанге........
Так я примерно так и делал. Только брал краску пигментную от принтера, тонким слоем на цангу мазюкал, вставлял фрезу и того... мерил) потом еще с гайкой мерил, и биения мерил. Только вот не факт, что та цанга правильная) по угломеру показала ровно 8 на сторону. Ее и использовал. А вот на счет подойдет ли цанга от того же cmt это я утром узнаю))
Enot_1
Мастер
Сообщения: 1359
Зарегистрирован: 28 апр 2015, 00:12
Репутация: 242
Настоящее имя: Arkadiy
Откуда: Краснодар
Контактная информация:

Re: Проблема с фрезами при раскрое ЛДСП

Сообщение Enot_1 »

Alex_kh писал(а): фреза уже тупая, но сколов нет и рез приемлемый.
Имхо, проблема в материале. Дсп кроить фрезами - не лучшее решение. Либо сколы, либо расход фрез.
Алмаз будет крошится, поликристалл - любой. Как ранее писал, по дсп бы не рискнул.
Alex_kh писал(а): На вид китай, купил в местном магазине за 1700.. Дорого..
Искать дешевле и брать пачку. Цанга роли не сыграет.
Аватара пользователя
[TARAN]>
Мастер
Сообщения: 663
Зарегистрирован: 13 янв 2014, 03:58
Репутация: 58
Контактная информация:

Re: Проблема с фрезами при раскрое ЛДСП

Сообщение [TARAN]> »

Alex_kh писал(а): 06 сен 2021, 23:00
niksooon писал(а): лучше
То есть желательно купить брендовую не китайскую цангу, для использования ее в качестве шаблона или лекала.
Весьма дельная мысль кстати!
А если вместо фрезы использовать какой нибудь прецизионный цилиндрический штифт то цангу можно проверить балансировкой на ножах, но индикатор нужен реально микронный
Да, цангу надо брать нормальную! На счет балансировки не уверен, в цангах в любом случае есть погрешность, если имелось ввиду биение. В данном случае от нее нужен только угол. А соосность ее конуса и центрального отверстия особого значения не имеют, как мне кажется.
Аватара пользователя
[TARAN]>
Мастер
Сообщения: 663
Зарегистрирован: 13 янв 2014, 03:58
Репутация: 58
Контактная информация:

Re: Проблема с фрезами при раскрое ЛДСП

Сообщение [TARAN]> »

Enot_1 писал(а): 06 сен 2021, 23:40
Alex_kh писал(а): фреза уже тупая, но сколов нет и рез приемлемый.
Имхо, проблема в материале. Дсп кроить фрезами - не лучшее решение. Либо сколы, либо расход фрез.
Алмаз будет крошится, поликристалл - любой. Как ранее писал, по дсп бы не рискнул.
Alex_kh писал(а): На вид китай, купил в местном магазине за 1700.. Дорого..
Искать дешевле и брать пачку. Цанга роли не сыграет.
Ну тут роль играют отзывы, несколько человек в моем городе уверяют, что на 30-40 листов хватает.
На счет брать пачку, проблема была на столько серьезной, что твердосплавной фрезы не хватало на лист.. Всю голову сломал уже, и режимы менял и т.д. Просто тупились махом и давали сколы. Да же фреза за 1700 которая отходила 7 листов и еще без сколов режет, в моем случае, победа! :hehehe:
Несколько человек советовали цангу сменить, я менял.. и покупал такое же г... Так как в голове не укладывалось, что у них угол не соответствует. Есть мелкий токарный советский, КМ2 в задней бабке. Так я на него покупал самые задрипанные переходники, еще совковые, и все вставало без проблем. Оно и не могло бы встать с неправильным углом то. И не думал, что сейчас могут на столько косячить. Реально некоторые цанги 7.5 градусов и да же меньше..
Последний раз редактировалось [TARAN]> 06 сен 2021, 23:56, всего редактировалось 1 раз.
Alex_kh
Мастер
Сообщения: 362
Зарегистрирован: 03 сен 2019, 01:31
Репутация: 37
Настоящее имя: Александр
Откуда: Харьков
Контактная информация:

Re: Проблема с фрезами при раскрое ЛДСП

Сообщение Alex_kh »

:wtf:
Enot_1 писал(а): Непрочитанное сообщение 6 минут назад

Alex_kh писал(а): ↑
фреза уже тупая, но сколов нет и рез приемлемый.
Имхо, проблема в материале. Дсп кроить фрезами - не лучшее решение. Либо сколы, либо расход фрез.
Алмаз будет крошится, поликристалл - любой. Как ранее писал, по дсп бы не рискнул.
Alex_kh писал(а): ↑
На вид китай, купил в местном магазине за 1700.. Дорого..
Искать дешевле и брать пачку. Цанга роли не сыграет.
"Это не правильные пчелы".
Как вы так процитировали? Это вообще слова TARAN> :thinking:
Это не мои слова! Может цитирование "подпортилось"?
Enot_1
Мастер
Сообщения: 1359
Зарегистрирован: 28 апр 2015, 00:12
Репутация: 242
Настоящее имя: Arkadiy
Откуда: Краснодар
Контактная информация:

Re: Проблема с фрезами при раскрое ЛДСП

Сообщение Enot_1 »

[TARAN писал(а):> post_id=619084 user_id=8936]
купил в местном магазине за 1700.. Дорого..
...
Alex_kh писал(а): Это не мои слова! Может цитирование "подпортилось"?
Работает, но как так вышло, в душе не чаю.
Enot_1
Мастер
Сообщения: 1359
Зарегистрирован: 28 апр 2015, 00:12
Репутация: 242
Настоящее имя: Arkadiy
Откуда: Краснодар
Контактная информация:

Re: Проблема с фрезами при раскрое ЛДСП

Сообщение Enot_1 »

[TARAN писал(а):> post_id=619148 user_id=8936]
цанги 7.5 градусов и да же меньше
Ради интереса сделаю замеры, есть цанги АА, и ААА.
Enot_1
Мастер
Сообщения: 1359
Зарегистрирован: 28 апр 2015, 00:12
Репутация: 242
Настоящее имя: Arkadiy
Откуда: Краснодар
Контактная информация:

Re: Проблема с фрезами при раскрое ЛДСП

Сообщение Enot_1 »

Цытаты от TARAN, реально, чёт криво встают.
Аватара пользователя
[TARAN]>
Мастер
Сообщения: 663
Зарегистрирован: 13 янв 2014, 03:58
Репутация: 58
Контактная информация:

Re: Проблема с фрезами при раскрое ЛДСП

Сообщение [TARAN]> »

Enot_1 писал(а): 06 сен 2021, 23:58 Цытаты от TARAN, реально, чёт криво встают.
Возможно дело в символах в нике) но это не точно. Я в языках програмирования "вообще не але")
Enot_1
Мастер
Сообщения: 1359
Зарегистрирован: 28 апр 2015, 00:12
Репутация: 242
Настоящее имя: Arkadiy
Откуда: Краснодар
Контактная информация:

Re: Проблема с фрезами при раскрое ЛДСП

Сообщение Enot_1 »

Ага. Скобки...
Аватара пользователя
[TARAN]>
Мастер
Сообщения: 663
Зарегистрирован: 13 янв 2014, 03:58
Репутация: 58
Контактная информация:

Re: Проблема с фрезами при раскрое ЛДСП

Сообщение [TARAN]> »

Enot_1 писал(а): 06 сен 2021, 23:57
[TARAN писал(а):> post_id=619148 user_id=8936]
цанги 7.5 градусов и да же меньше
Ради интереса сделаю замеры, есть цанги АА, и ААА.
Очень хочется узнать, чего там с углами. Все в городе перебрал и все разные. С угломером ездил и фрезой на 12.
nevkon
Почётный участник
Почётный участник
Сообщения: 2471
Зарегистрирован: 17 июл 2015, 10:25
Репутация: 310
Настоящее имя: Константин
Откуда: Балаково (Саратовская обл.)
Контактная информация:

Re: Проблема с фрезами при раскрое ЛДСП

Сообщение nevkon »

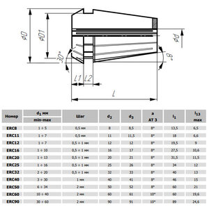
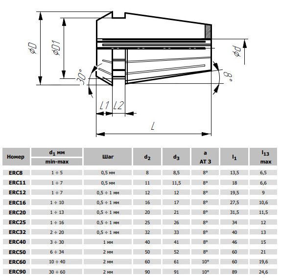
Ну найти как бы не проблема какими должны быть:
er_schtech[1].jpg (3355 просмотров) <a class='original' href='./download/file.php?id=197962&mode=view' target=_blank>Загрузить оригинал (87.11 КБ)</a>
Ответить

Вернуться в «Инструмент»