Помощь в проектировании чертежей, 3D моделирование
Правила форума
Разрешается публиковать предложения по предоставлению услуг как физическим лицам так и коммерческим организациям, при соблюдении следующих условий:
1. должны присутствовать характеристики предлагаемых услуг, возможности оборудования
2. должна присутствовать стоимость услуги
3. должно присутствовать описание способов оплаты, доставки и места расположения (город)
4. один продавец - одна тема
Фотографии товаров приветствуются (фотографии должны быть вложениями к сообщениям).
Возможно размещение ссылки на свой сайт, с описанием товара, при обязательном соблюдении пунктов 1-3.
Администрация форума может удалить тему или сообщения из данного раздела на свое усмотрение, без объяснения причин!
Разрешается публиковать предложения по предоставлению услуг как физическим лицам так и коммерческим организациям, при соблюдении следующих условий:
1. должны присутствовать характеристики предлагаемых услуг, возможности оборудования
2. должна присутствовать стоимость услуги
3. должно присутствовать описание способов оплаты, доставки и места расположения (город)
4. один продавец - одна тема
Фотографии товаров приветствуются (фотографии должны быть вложениями к сообщениям).
Возможно размещение ссылки на свой сайт, с описанием товара, при обязательном соблюдении пунктов 1-3.
Администрация форума может удалить тему или сообщения из данного раздела на свое усмотрение, без объяснения причин!
- Openair
- Новичок
- Сообщения: 24
- Зарегистрирован: 29 июл 2017, 13:30
- Репутация: 6
- Настоящее имя: Максим
- Контактная информация:
Помощь в проектировании чертежей, 3D моделирование
Здравствуйте!.
Оказываю услуги инженера конструктора/разработчика.
- Изготовление рабочих чертежей по эскизам или по чертежу-образцу, перерисовка.
- Разводка (трассировка) одно-, двух-, многослойных печатных плат, схемы электрические
- Компоновка РЭА на базе: Камаз, Урал, ГАЗ, МтЛБу
- 3D моделирование (высокая сложность)
- Оформление конструкторской документации на все из вышеперечисленные пункты.
На Ваш выбор выполнение графических работ в пакетах САПР таких как:
Компас-3D, SolidWorks, P-Cad, AltiumDesigner.
Для наглядности в скобках указана конкретная цена, на работу, образец которой приложен ниже. Цены на работы:
А4 от 150р. до 400р. (образец №1 стоит 200р);
А3 от 300р до 600р. (образец №2 стоит 400р);
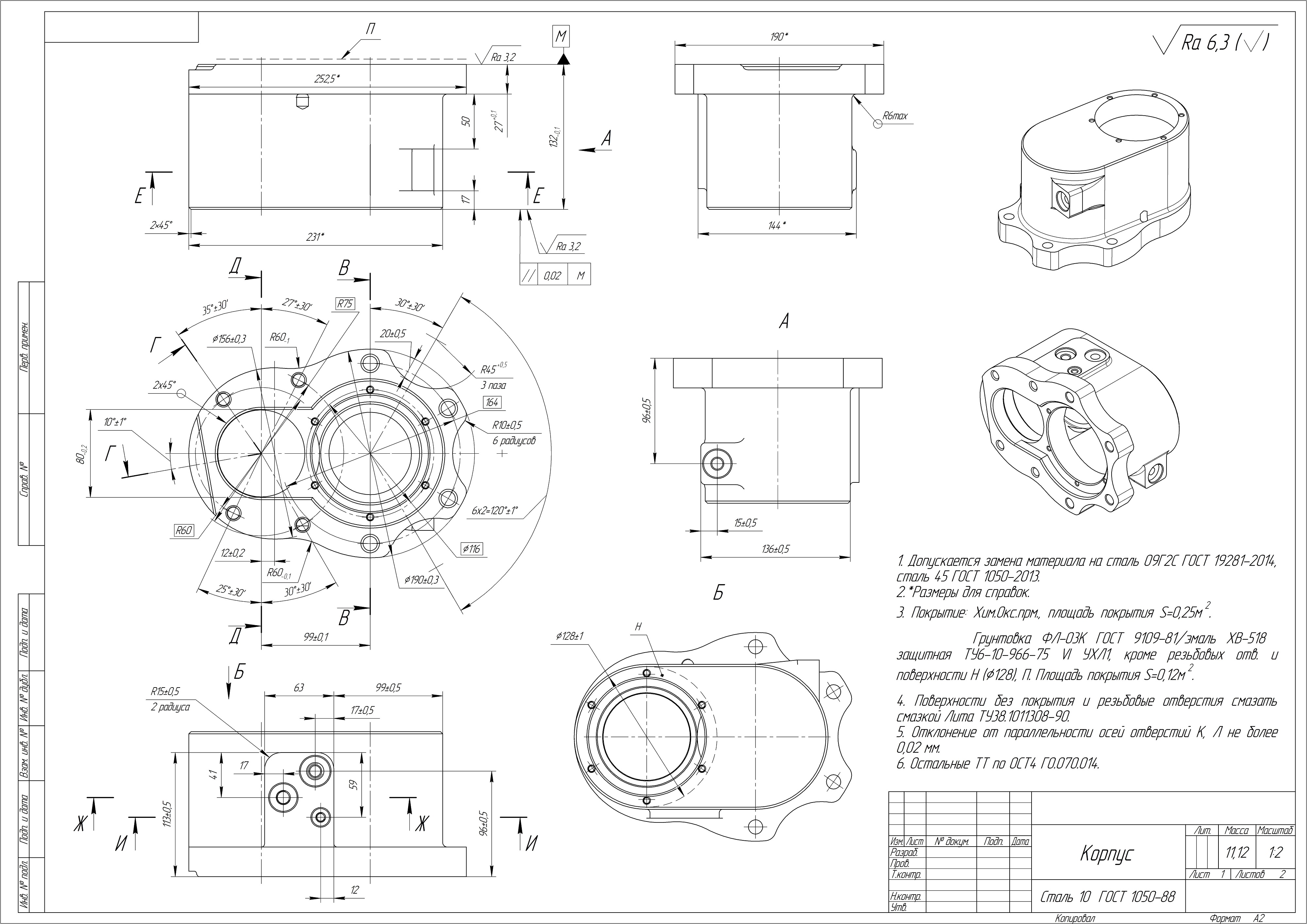
А2 от 500р до 800р. (образец №3 стоит 600р);
А1 от 700р до 1300р. (образец №4 стоит 1000р);
3D модели от 200р до 2000р. (образец №5 стоит 1200р);
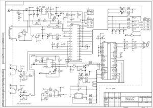
Платы печатные односторонние (однослойная) от 500р до 3000р. (образец №6 стоит 2000р);
Оплата наличные на карту.
Доставка по почте.
http://kompaswork.ru чертежи на заказ
asconic182@mail.ru
Образцы работ:
Оказываю услуги инженера конструктора/разработчика.
- Изготовление рабочих чертежей по эскизам или по чертежу-образцу, перерисовка.
- Разводка (трассировка) одно-, двух-, многослойных печатных плат, схемы электрические
- Компоновка РЭА на базе: Камаз, Урал, ГАЗ, МтЛБу
- 3D моделирование (высокая сложность)
- Оформление конструкторской документации на все из вышеперечисленные пункты.
На Ваш выбор выполнение графических работ в пакетах САПР таких как:
Компас-3D, SolidWorks, P-Cad, AltiumDesigner.
Для наглядности в скобках указана конкретная цена, на работу, образец которой приложен ниже. Цены на работы:
А4 от 150р. до 400р. (образец №1 стоит 200р);
А3 от 300р до 600р. (образец №2 стоит 400р);
А2 от 500р до 800р. (образец №3 стоит 600р);
А1 от 700р до 1300р. (образец №4 стоит 1000р);
3D модели от 200р до 2000р. (образец №5 стоит 1200р);
Платы печатные односторонние (однослойная) от 500р до 3000р. (образец №6 стоит 2000р);
Оплата наличные на карту.
Доставка по почте.
http://kompaswork.ru чертежи на заказ
asconic182@mail.ru
Образцы работ:
- Openair
- Новичок
- Сообщения: 24
- Зарегистрирован: 29 июл 2017, 13:30
- Репутация: 6
- Настоящее имя: Максим
- Контактная информация:
Re: Помощь в проектировании чертежей, 3D моделирование
Еще немного примеров моих сделанных работ, с указанием цен.
3D модель рамы, сварочная конструкция. Образец №7 стоит 1000р;
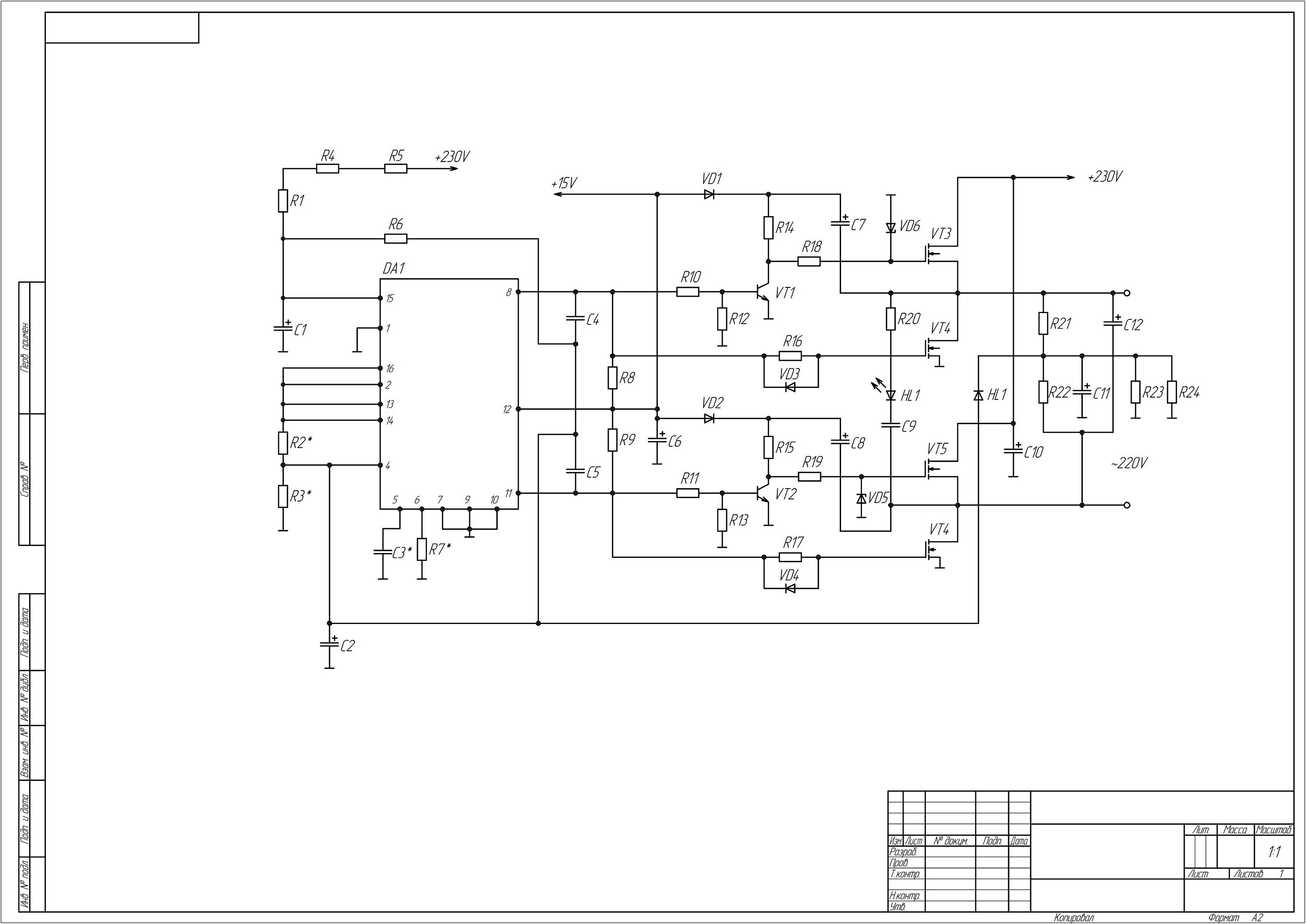
Схема электрическая (Э3) сигнализации охранной. Образец №8 стоит 1500р;
3D модель печатной платы маршрутиризатора. Образец №9 стоит 2000р.
Образцы работ: образец №7
образец №8
образец №9
3D модель рамы, сварочная конструкция. Образец №7 стоит 1000р;
Схема электрическая (Э3) сигнализации охранной. Образец №8 стоит 1500р;
3D модель печатной платы маршрутиризатора. Образец №9 стоит 2000р.
Образцы работ: образец №7
образец №8
образец №9
- Openair
- Новичок
- Сообщения: 24
- Зарегистрирован: 29 июл 2017, 13:30
- Репутация: 6
- Настоящее имя: Максим
- Контактная информация:
Re: Помощь в проектировании чертежей, 3D моделирование
Еще немного примеров моих сделанных работ, с указанием цен.
3D модель патрона зажимного. Образец №10 стоит 400р;
3D модель корпуса манипулятора (ABS пластик). Образец №11 стоит 500р.
Образцы работ: образец №10
образец №11
3D модель патрона зажимного. Образец №10 стоит 400р;
3D модель корпуса манипулятора (ABS пластик). Образец №11 стоит 500р.
Образцы работ: образец №10
образец №11
- Openair
- Новичок
- Сообщения: 24
- Зарегистрирован: 29 июл 2017, 13:30
- Репутация: 6
- Настоящее имя: Максим
- Контактная информация:
Re: Помощь в проектировании чертежей, 3D моделирование
Еще немного примеров моих сделанных работ, с указанием цен.
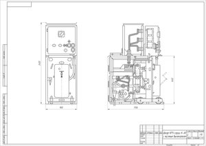
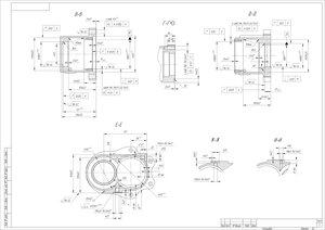
Оцифровка чертежа шкафа КРУ (формат А2). Образец №12 стоит 800р.;
Оцифровка чертежа рудуктора (формат А1). Образец №13 стоит 1300р.
Образцы работ: образец №12
образец №13
Оцифровка чертежа шкафа КРУ (формат А2). Образец №12 стоит 800р.;
Оцифровка чертежа рудуктора (формат А1). Образец №13 стоит 1300р.
Образцы работ: образец №12
образец №13
- marinadudikova
- Новичок
- Сообщения: 2
- Зарегистрирован: 16 мар 2018, 15:26
- Репутация: 1
- Настоящее имя: Марина
- Откуда: Санкт-Петербург
- Контактная информация:
Re: Помощь в проектировании чертежей, 3D моделирование
Здравствуйте!
Есть россыпь деталей, интересует создание разверток и 3D моделирование для ЧПУ (желательно сделать файлы в *dxf,*stl). Отправила Вам заказ. Интересует цена, сроки?
Есть россыпь деталей, интересует создание разверток и 3D моделирование для ЧПУ (желательно сделать файлы в *dxf,*stl). Отправила Вам заказ. Интересует цена, сроки?
- Openair
- Новичок
- Сообщения: 24
- Зарегистрирован: 29 июл 2017, 13:30
- Репутация: 6
- Настоящее имя: Максим
- Контактная информация:
Re: Помощь в проектировании чертежей, 3D моделирование
3D конструкция печки. Образец №14 стоит 5000р;
3D модель печатной платы усилителя. Образец №15 стоит 3000р.
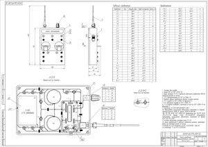
Конструирование+чертежи корпуса. Образец №16 стоит 2500р;
Образец №14
Образец №15
Образец №16
3D модель печатной платы усилителя. Образец №15 стоит 3000р.
Конструирование+чертежи корпуса. Образец №16 стоит 2500р;
Образец №14
Образец №15
Образец №16
- Fagot
- Мастер
- Сообщения: 240
- Зарегистрирован: 03 дек 2015, 21:35
- Репутация: 21
- Настоящее имя: Дмитрий
- Откуда: Алтайский край
- Контактная информация:
Re: Помощь в проектировании чертежей, 3D моделирование
День добрый! Мне необходимо изготовить сборочный чертеж и деталировку из листового материала (с развертками). Возьметесь?
- Openair
- Новичок
- Сообщения: 24
- Зарегистрирован: 29 июл 2017, 13:30
- Репутация: 6
- Настоящее имя: Максим
- Контактная информация:
Re: Помощь в проектировании чертежей, 3D моделирование
хорошо, нужно подумать, непростая работа
- Fagot
- Мастер
- Сообщения: 240
- Зарегистрирован: 03 дек 2015, 21:35
- Репутация: 21
- Настоящее имя: Дмитрий
- Откуда: Алтайский край
- Контактная информация:
Re: Помощь в проектировании чертежей, 3D моделирование
День добрый необходимо изготовить чертежи конструкции из листового металла (с развертками) Эскизы представляю.
- Вложения
-
- Фюзеляж центральная часть вектор основной-Лист2.pdf
- (226.77 КБ) 367 скачиваний
-
- Фюзеляж центральная часть вектор основной-Лист1.pdf
- (318.42 КБ) 346 скачиваний
- Openair
- Новичок
- Сообщения: 24
- Зарегистрирован: 29 июл 2017, 13:30
- Репутация: 6
- Настоящее имя: Максим
- Контактная информация:
Re: Помощь в проектировании чертежей, 3D моделирование
подскажите, пожалуйста, у вас есть еще исходные данные, одной картинки картинки не достаточноFagot писал(а):День добрый необходимо изготовить чертежи конструкции из листового металла (с развертками) Эскизы представляю.
- Fagot
- Мастер
- Сообщения: 240
- Зарегистрирован: 03 дек 2015, 21:35
- Репутация: 21
- Настоящее имя: Дмитрий
- Откуда: Алтайский край
- Контактная информация:
Re: Помощь в проектировании чертежей, 3D моделирование
Да, конечно! Есть все размеры, общий вид конструкции, фото.Openair писал(а):подскажите, пожалуйста, у вас есть еще исходные данные, одной картинки картинки не достаточноFagot писал(а):День добрый необходимо изготовить чертежи конструкции из листового металла (с развертками) Эскизы представляю.
- Tokar
- Новичок
- Сообщения: 2
- Зарегистрирован: 05 дек 2020, 20:40
- Репутация: 0
- Настоящее имя: Олег
- Контактная информация:
Re: Помощь в проектировании чертежей, 3D моделирование
Здравствуйте. Нужно изготовить чертежи на пару шестерня-колесо.
Вы можете замерить всё и зарисовать? Мне это нужно для дальнейшего изготовления на производстве.
Вы можете замерить всё и зарисовать? Мне это нужно для дальнейшего изготовления на производстве.
-
aftaev
- Зачётный участник

- Сообщения: 34042
- Зарегистрирован: 04 апр 2010, 19:22
- Репутация: 6194
- Откуда: Казахстан.
- Контактная информация:
Re: Помощь в проектировании чертежей, 3D моделирование
Дилетанту сложные вещи кажутся очень простыми, и только профессионал понимает насколько сложна самая простая вещь
Кто хочет - ищет возможности, кто не хочет - ищет оправдание.
Найди работу по душе и тебе не придется работать.
Кто хочет - ищет возможности, кто не хочет - ищет оправдание.
Найди работу по душе и тебе не придется работать.
- Openair
- Новичок
- Сообщения: 24
- Зарегистрирован: 29 июл 2017, 13:30
- Репутация: 6
- Настоящее имя: Максим
- Контактная информация:
Re: Помощь в проектировании чертежей, 3D моделирование
Да, можно сделать такую работу, позвоните на контакты указанные в первом сообщении, договоримся куда подвезти детали
Re: Помощь в проектировании чертежей, 3D моделирование
Здравствуйте. А вы просматривает почту из первого поста?
- Openair
- Новичок
- Сообщения: 24
- Зарегистрирован: 29 июл 2017, 13:30
- Репутация: 6
- Настоящее имя: Максим
- Контактная информация:
Re: Помощь в проектировании чертежей, 3D моделирование
Почта периодически просматривается, всем отвечаю!
- Openair
- Новичок
- Сообщения: 24
- Зарегистрирован: 29 июл 2017, 13:30
- Репутация: 6
- Настоящее имя: Максим
- Контактная информация:
Re: Помощь в проектировании чертежей, 3D моделирование
Здравствуйте, уважаемые! С 1 апреля на все услуги действуют 20% скидки!
-
sinkacnc
- Мастер
- Сообщения: 488
- Зарегистрирован: 11 июл 2023, 10:35
- Репутация: 38
- Настоящее имя: Alexey
- Контактная информация:
Re: Помощь в проектировании чертежей, 3D моделирование
Добрый день.
Сколько будет стоит сделать такую модель?
Сколько будет стоит сделать такую модель?
- Openair
- Новичок
- Сообщения: 24
- Зарегистрирован: 29 июл 2017, 13:30
- Репутация: 6
- Настоящее имя: Максим
- Контактная информация:
Re: Помощь в проектировании чертежей, 3D моделирование
А у вас есть какой-нибудь эскиз с размерами?