Модуль выравнивания портала станка с чпу любого типа
Правила форума
Разрешается публиковать предложения по покупке/продаже как физическим лицам так и коммерческим организациям, при соблюдении следующих условий:
1. должны присутствовать характеристики товаров
2. должна присутствовать стоимость товара
3. должно присутствовать описание способов оплаты и доставки
4. один продавец - одна тема
Фотографии товаров приветствуются (фотографии должны быть вложениями к сообщениям).
Возможно размещение ссылки на свой сайт, с описанием товара, при обязательном соблюдении пунктов 1-3!
При несоблюдении правил тема перемещается в Карантин, откуда автоматически удаляется через 2 дня!
Администрация форума может удалить тему или сообщения из данного раздела на свое усмотрение, без объяснения причин!
Разрешается публиковать предложения по покупке/продаже как физическим лицам так и коммерческим организациям, при соблюдении следующих условий:
1. должны присутствовать характеристики товаров
2. должна присутствовать стоимость товара
3. должно присутствовать описание способов оплаты и доставки
4. один продавец - одна тема
Фотографии товаров приветствуются (фотографии должны быть вложениями к сообщениям).
Возможно размещение ссылки на свой сайт, с описанием товара, при обязательном соблюдении пунктов 1-3!
При несоблюдении правил тема перемещается в Карантин, откуда автоматически удаляется через 2 дня!
Администрация форума может удалить тему или сообщения из данного раздела на свое усмотрение, без объяснения причин!
-
Alexsem76
- Кандидат
- Сообщения: 51
- Зарегистрирован: 19 июн 2017, 11:11
- Репутация: 16
- Настоящее имя: Алексей Семёнов
- Контактная информация:
Re: Модуль выравнивания портала станка с чпу любого типа
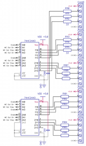
Выкладываю схему подключения модуля
Последний раз редактировалось Alexsem76 21 июн 2017, 18:54, всего редактировалось 1 раз.
- Лодочник
- Мастер
- Сообщения: 2178
- Зарегистрирован: 10 авг 2012, 05:24
- Репутация: 1835
- Настоящее имя: Олег
- Откуда: г.Королев
- Контактная информация:
Re: Модуль выравнивания портала станка с чпу любого типа
Зачем два левых двигателя? 
-
Alexsem76
- Кандидат
- Сообщения: 51
- Зарегистрирован: 19 июн 2017, 11:11
- Репутация: 16
- Настоящее имя: Алексей Семёнов
- Контактная информация:
Re: Модуль выравнивания портала станка с чпу любого типа
Уже сам увидал. Спасибо. Исправил!
-
Alexsem76
- Кандидат
- Сообщения: 51
- Зарегистрирован: 19 июн 2017, 11:11
- Репутация: 16
- Настоящее имя: Алексей Семёнов
- Контактная информация:
Re: Модуль выравнивания портала станка с чпу любого типа
Изучил инструкцию на STEPMASTER и, дабы исключить вопросы пишу следующее:
выдержка из инструкции на STEPMASTER
3 – Блок выходов для подключения драйверов двигателей / сервоусилителей. Блок выходов состоит из 4 6-
контактных разъемов с клеммами Step +/-, Direction +/-, Enable +/-. Уровень сигнала 0 – 5 В. Клеммы «-»
объединены с минусом питания платы и общим проводом LPT. Выходы Enable управляются общим сигналом,
поступающим на первый пин LPT.
По выше написанному могу сказать следующее: Модуль напрямую работать не будет. Необходимо добавить конвертер PNP-NPN, например на "быстрых" оптопарах (до 10мГц) или транзисторных ключах на сигналы step и dir.
схема конвертера, т.е.решение вопроса сегодня-завтра будет выложено.
выдержка из инструкции на STEPMASTER
3 – Блок выходов для подключения драйверов двигателей / сервоусилителей. Блок выходов состоит из 4 6-
контактных разъемов с клеммами Step +/-, Direction +/-, Enable +/-. Уровень сигнала 0 – 5 В. Клеммы «-»
объединены с минусом питания платы и общим проводом LPT. Выходы Enable управляются общим сигналом,
поступающим на первый пин LPT.
По выше написанному могу сказать следующее: Модуль напрямую работать не будет. Необходимо добавить конвертер PNP-NPN, например на "быстрых" оптопарах (до 10мГц) или транзисторных ключах на сигналы step и dir.
схема конвертера, т.е.решение вопроса сегодня-завтра будет выложено.
- michael-yurov
- Почётный участник

- Сообщения: 11731
- Зарегистрирован: 26 июл 2012, 00:10
- Репутация: 4703
- Настоящее имя: Михаил Львович
- Откуда: Новоуральск
- Контактная информация:
Re: Модуль выравнивания портала станка с чпу любого типа
Что-то ты не то прочитал. Где это нашел? Наверное, инструкция к первой версии.Alexsem76 писал(а):схема конвертера, т.е.решение вопроса сегодня-завтра будет выложено.
На выходе у всех версий плат HC244: Так что проблем быть не должно.
Схема входов есть в инструкции. На всякий случай продублирую: У версии 2.5 входы под NPN датчики.
-
Alexsem76
- Кандидат
- Сообщения: 51
- Зарегистрирован: 19 июн 2017, 11:11
- Репутация: 16
- Настоящее имя: Алексей Семёнов
- Контактная информация:
Re: Модуль выравнивания портала станка с чпу любого типа
Вот здесь: http://www.cnc-box.ru/sites/default/files/SM4x5i2r.pdf
Коли так вопрос снят.
Коли так вопрос снят.
-
Nikomas
- Мастер
- Сообщения: 721
- Зарегистрирован: 07 янв 2012, 14:31
- Репутация: 64
- Откуда: Беларусь
- Контактная информация:
Re: Модуль выравнивания портала станка с чпу любого типа
Ваша плата работает с оптическими датчиками?
-
Alexsem76
- Кандидат
- Сообщения: 51
- Зарегистрирован: 19 июн 2017, 11:11
- Репутация: 16
- Настоящее имя: Алексей Семёнов
- Контактная информация:
Re: Модуль выравнивания портала станка с чпу любого типа
Работает со всеми датчика NPN NO типа
Re: Модуль выравнивания портала станка с чпу любого типа
Наверняка я прошляпил публикацию решения? если это допустимо, повторитесь пожалуйста или ссылчкой? - ни тени иронии.UAVpilot писал(а):Да и решение абсолютно бесплатное.
- Serg
- Мастер
- Сообщения: 21923
- Зарегистрирован: 17 апр 2012, 14:58
- Репутация: 5183
- Заслуга: c781c134843e0c1a3de9
- Настоящее имя: Сергей
- Откуда: Москва
- Контактная информация:
Re: Модуль выравнивания портала станка с чпу любого типа
LinuxCNC - Альтернативная кинематика. #1a321 писал(а):Наверняка я прошляпил публикацию решения? если это допустимо, повторитесь пожалуйста или ссылчкой? - ни тени иронии.
Я не Христос, рыбу не раздаю, но могу научить, как сделать удочку...
- shalek
- Почётный участник

- Сообщения: 3023
- Зарегистрирован: 25 авг 2014, 10:40
- Репутация: 2583
- Настоящее имя: Александр
- Откуда: РБ Бобруйск
- Контактная информация:
Re: Модуль выравнивания портала станка с чпу любого типа
Алексей! Модуль получил. Спасибо! Качественно сделано, тестировать позже буду.
Если ты не можешь решить проблему, значит это не твоя проблема!
Мой канал на YouTube: YouTube
ЧПУ "Бобр" 600x500 мм
shalek64@gmail.com
Мой канал на YouTube: YouTube
ЧПУ "Бобр" 600x500 мм
shalek64@gmail.com
-
Alexsem76
- Кандидат
- Сообщения: 51
- Зарегистрирован: 19 июн 2017, 11:11
- Репутация: 16
- Настоящее имя: Алексей Семёнов
- Контактная информация:
Re: Модуль выравнивания портала станка с чпу любого типа
Очень хорошо, что все до Вас доехало.shalek писал(а):Алексей! Модуль получил. Спасибо! Качественно сделано, тестировать позже буду.
-
алекс33вл
- Новичок
- Сообщения: 3
- Зарегистрирован: 01 июл 2017, 16:00
- Репутация: 2
- Настоящее имя: Плавский Александр Викторович
- Контактная информация:
Re: Модуль выравнивания портала станка с чпу любого типа
Привет всем! Алексей хочу купить модуль
- shalek
- Почётный участник

- Сообщения: 3023
- Зарегистрирован: 25 авг 2014, 10:40
- Репутация: 2583
- Настоящее имя: Александр
- Откуда: РБ Бобруйск
- Контактная информация:
Re: Модуль выравнивания портала станка с чпу любого типа
Сегодня собрал электронику с модулем. Захотелось посмотреть как работать будет со Stepmaster. Отлично работает!

Если ты не можешь решить проблему, значит это не твоя проблема!
Мой канал на YouTube: YouTube
ЧПУ "Бобр" 600x500 мм
shalek64@gmail.com
Мой канал на YouTube: YouTube
ЧПУ "Бобр" 600x500 мм
shalek64@gmail.com
-
Alexsem76
- Кандидат
- Сообщения: 51
- Зарегистрирован: 19 июн 2017, 11:11
- Репутация: 16
- Настоящее имя: Алексей Семёнов
- Контактная информация:
Re: Модуль выравнивания портала станка с чпу любого типа
Очень рад, что в работе данный модуль Вам понравился.
- shalek
- Почётный участник

- Сообщения: 3023
- Зарегистрирован: 25 авг 2014, 10:40
- Репутация: 2583
- Настоящее имя: Александр
- Откуда: РБ Бобруйск
- Контактная информация:
Re: Модуль выравнивания портала станка с чпу любого типа
А Enable можно как-то подключить?
Если ты не можешь решить проблему, значит это не твоя проблема!
Мой канал на YouTube: YouTube
ЧПУ "Бобр" 600x500 мм
shalek64@gmail.com
Мой канал на YouTube: YouTube
ЧПУ "Бобр" 600x500 мм
shalek64@gmail.com
-
anahron
- Новичок
- Сообщения: 11
- Зарегистрирован: 30 май 2017, 17:08
- Репутация: 0
- Контактная информация:
Re: Модуль выравнивания портала станка с чпу любого типа
Тоже подключил со степмастером, вроде все работает как надо, правда подъезжаю на меньшей скорости чем без модуля ездил с мач3, ибо один из датчиков почему то сработаным оставался
энейбл в обход пустил
энейбл в обход пустил
-
Alexsem76
- Кандидат
- Сообщения: 51
- Зарегистрирован: 19 июн 2017, 11:11
- Репутация: 16
- Настоящее имя: Алексей Семёнов
- Контактная информация:
Re: Модуль выравнивания портала станка с чпу любого типа
посмотрите соединения проводов и проверьте перемычки. Скорость не должна влиять на сработку датчиков.