Mesa 5i25+7i77+BD15A8 (ШИМ)
-
eugenysg
- Опытный
- Сообщения: 119
- Зарегистрирован: 18 ноя 2013, 13:23
- Репутация: 25
- Контактная информация:
Mesa 5i25+7i77+BD15A8 (ШИМ)
Коллеги, добрый день!
Пытаюсь придумать, что делать с приводами станочка. Провел инвентаризацию имеющегося у меня оборудования и опять образовалась связка Mesa 5i25+7i77+BD15A8, с которой года полтора назад не смог дать ладу. Обратился к Nick через ЛС, он порекомендовал создать тему на форуме. Переписку прилагаю:
Mesa 5i25+7i77+BD15A8 (ШИМ)
Отправлено: Вчера, 18:42
eugenysg
Добрый день!
Прошу прощения, что отвлекаю, и прошу по возможности помочь мне с моей проблемой. Проблема следующего характера:
1. Имеется некоторый набор железа, описанный на дружественном форуме: http://www.chipmaker.ru/topic/143551/
2. Имеется в наличии комплект Mesa 5i25 + 7i77.
3. Имеется 1 сервоусилитель AMC B30A8. Управление +-10 вольт.
4. Имеется 2 сервоусилителя AMC BD15A8. Управление ШИМ - направление(PWM-DIR).
5. Имеется частотный преобразователь +-10 вольт.
6. Отсутствует опыт работы с LinuxCNC и Mesa.
Когда то на chipmaker`е я спрашивал за BD15A8 и вроде бы как форумчане говорили, что 5i25 напрямую не может управлять pmw/dir:
Golubeff - "EugenySG, у 5i25 есть второй выход для второй платы расширения. и там, соответственно, свободные выхода. Но, так как выходы у 5ш25 рассчитаны на работу с внешней платой, с дешифратором, то придется прошивку править, чтобы на них ШИМ завести. (так как доступных прошивок сразу с прямым выводом ШИМ и интерфейсной платой 7i77 нет.)"
С тех пор прошло 1,5 года, проект под который покупалось оборудование давно досрочно завершен. Но появилась новая задача и опять меня терзает желание подключить AMC BD15A8 к 5i25. Возможно что то изменилось за 1,5 года (в смысле прошивки появились)? Или в прошлый раз не увидели/не рассмотрели какие либо варианты подключения.
Собственно что хотел спросить - подскажите, возможно ли заставить данную связку работать Mesa 5i25 + 7i77 + AMC B30A8 + AMC BD15A8 + ЧП под управлением LinuxCNC и что для этого требуется? или искать сервоусилители управляемые +-10 вольт?
Спасибо!
Re: Mesa 5i25+7i77+BD15A8 (ШИМ)
Отправлено: Сегодня, 07:52
Nick
Привет. Вот все тоже самое лучше напиши в раздел Linux. Я в электронике не силен, могу подсказать по По.
Прошивка с поддержкой 7i77 действительно не имеет ШИМ. ШИМ есть в отдельной прошивке. Или в отдельной дочерней плате.
Варианта два или купить еще одну 5i25 или что наверное лучше дочернюю 7i80 по моему.
Можно конечно попробовать попросить pcw c linuxcnc.org сделать прошивку с ШИМ и 7i77, но не уверен, что это получится.
Мое сообщение можешь тоже в тему добавить, я сейчас с телефона, не удобно копировать.
Пытаюсь придумать, что делать с приводами станочка. Провел инвентаризацию имеющегося у меня оборудования и опять образовалась связка Mesa 5i25+7i77+BD15A8, с которой года полтора назад не смог дать ладу. Обратился к Nick через ЛС, он порекомендовал создать тему на форуме. Переписку прилагаю:
Mesa 5i25+7i77+BD15A8 (ШИМ)
Отправлено: Вчера, 18:42
eugenysg
Добрый день!
Прошу прощения, что отвлекаю, и прошу по возможности помочь мне с моей проблемой. Проблема следующего характера:
1. Имеется некоторый набор железа, описанный на дружественном форуме: http://www.chipmaker.ru/topic/143551/
2. Имеется в наличии комплект Mesa 5i25 + 7i77.
3. Имеется 1 сервоусилитель AMC B30A8. Управление +-10 вольт.
4. Имеется 2 сервоусилителя AMC BD15A8. Управление ШИМ - направление(PWM-DIR).
5. Имеется частотный преобразователь +-10 вольт.
6. Отсутствует опыт работы с LinuxCNC и Mesa.
Когда то на chipmaker`е я спрашивал за BD15A8 и вроде бы как форумчане говорили, что 5i25 напрямую не может управлять pmw/dir:
Golubeff - "EugenySG, у 5i25 есть второй выход для второй платы расширения. и там, соответственно, свободные выхода. Но, так как выходы у 5ш25 рассчитаны на работу с внешней платой, с дешифратором, то придется прошивку править, чтобы на них ШИМ завести. (так как доступных прошивок сразу с прямым выводом ШИМ и интерфейсной платой 7i77 нет.)"
С тех пор прошло 1,5 года, проект под который покупалось оборудование давно досрочно завершен. Но появилась новая задача и опять меня терзает желание подключить AMC BD15A8 к 5i25. Возможно что то изменилось за 1,5 года (в смысле прошивки появились)? Или в прошлый раз не увидели/не рассмотрели какие либо варианты подключения.
Собственно что хотел спросить - подскажите, возможно ли заставить данную связку работать Mesa 5i25 + 7i77 + AMC B30A8 + AMC BD15A8 + ЧП под управлением LinuxCNC и что для этого требуется? или искать сервоусилители управляемые +-10 вольт?
Спасибо!
Re: Mesa 5i25+7i77+BD15A8 (ШИМ)
Отправлено: Сегодня, 07:52
Nick
Привет. Вот все тоже самое лучше напиши в раздел Linux. Я в электронике не силен, могу подсказать по По.
Прошивка с поддержкой 7i77 действительно не имеет ШИМ. ШИМ есть в отдельной прошивке. Или в отдельной дочерней плате.
Варианта два или купить еще одну 5i25 или что наверное лучше дочернюю 7i80 по моему.
Можно конечно попробовать попросить pcw c linuxcnc.org сделать прошивку с ШИМ и 7i77, но не уверен, что это получится.
Мое сообщение можешь тоже в тему добавить, я сейчас с телефона, не удобно копировать.
- Serg
- Мастер
- Сообщения: 21923
- Зарегистрирован: 17 апр 2012, 14:58
- Репутация: 5183
- Заслуга: c781c134843e0c1a3de9
- Настоящее имя: Сергей
- Откуда: Москва
- Контактная информация:
Re: Mesa 5i25+7i77+BD15A8 (ШИМ)
Думаю самым простым решением будет применение преобразователя "+-10 вольт -> pmw/dir".
Другое решение, посложней: отказаться от 7i77 и сделать плату развязки для 5i25, на которой сделать "pmw/dir -> +-10 вольт" для пп. 3 и 5, ну и прямые выходы для п.4.
Другое решение, посложней: отказаться от 7i77 и сделать плату развязки для 5i25, на которой сделать "pmw/dir -> +-10 вольт" для пп. 3 и 5, ну и прямые выходы для п.4.
Я не Христос, рыбу не раздаю, но могу научить, как сделать удочку...
- Nick
- Мастер
- Сообщения: 22776
- Зарегистрирован: 23 ноя 2009, 16:45
- Репутация: 1735
- Заслуга: Developer
- Откуда: Gatchina, Saint-Petersburg distr., Russia
- Контактная информация:
Re: Mesa 5i25+7i77+BD15A8 (ШИМ)
Есть вот такая платка:
http://www.cnc-box.ru/content/Mesa_7i85_S
Подключается к 5i25, можно вместе с 7i77.
В ней есть 5 каналов ШИМ.
Кстати, ШИМ можно пихать в LPT, правда стабильность может оказаться не очень хорошей...
Какая частота у ШИМ?
http://www.cnc-box.ru/content/Mesa_7i85_S
Подключается к 5i25, можно вместе с 7i77.
В ней есть 5 каналов ШИМ.
Кстати, ШИМ можно пихать в LPT, правда стабильность может оказаться не очень хорошей...
Какая частота у ШИМ?
- Serg
- Мастер
- Сообщения: 21923
- Зарегистрирован: 17 апр 2012, 14:58
- Репутация: 5183
- Заслуга: c781c134843e0c1a3de9
- Настоящее имя: Сергей
- Откуда: Москва
- Контактная информация:
Re: Mesa 5i25+7i77+BD15A8 (ШИМ)
Там стабильность особо и не нужна - это ж задание скорости.Nick писал(а):Кстати, ШИМ можно пихать в LPT, правда стабильность может оказаться не очень хорошей...
с учётом servo-thread килогерц 5 вполне хватит.Nick писал(а):Какая частота у ШИМ?
Я не Христос, рыбу не раздаю, но могу научить, как сделать удочку...
- Nick
- Мастер
- Сообщения: 22776
- Зарегистрирован: 23 ноя 2009, 16:45
- Репутация: 1735
- Заслуга: Developer
- Откуда: Gatchina, Saint-Petersburg distr., Russia
- Контактная информация:
Re: Mesa 5i25+7i77+BD15A8 (ШИМ)
тогда можно и из lpt...
это получится по 5 герц на серво период? Дискретность не шибко высокая будет. Или отзывчивость чуть по меньше будет.UAVpilot писал(а):с учётом servo-thread килогерц 5 вполне хватит.
-
eugenysg
- Опытный
- Сообщения: 119
- Зарегистрирован: 18 ноя 2013, 13:23
- Репутация: 25
- Контактная информация:
Re: Mesa 5i25+7i77+BD15A8 (ШИМ)
Прошу прощения, а разве в LPT возможно управлять шириной импульса?Nick писал(а):Кстати, ШИМ можно пихать в LPT
- Nick
- Мастер
- Сообщения: 22776
- Зарегистрирован: 23 ноя 2009, 16:45
- Репутация: 1735
- Заслуга: Developer
- Откуда: Gatchina, Saint-Petersburg distr., Russia
- Контактная информация:
Re: Mesa 5i25+7i77+BD15A8 (ШИМ)
Да. Например, вот так:
Код: Выделить всё
1000100010001000
1100110011001100
1110111011101110
-
eugenysg
- Опытный
- Сообщения: 119
- Зарегистрирован: 18 ноя 2013, 13:23
- Репутация: 25
- Контактная информация:
Re: Mesa 5i25+7i77+BD15A8 (ШИМ)
Golubeff как то писал - "У нормального драйвера глубина регулирования не меньше 1:5000 а обычно 1:10000". Предположим, что мы можем менять состояние пина LPT порта 25.000 раз в секунду. Для получения глубины регулирования даже в 1:100 нам потребуются "пакеты шим" из 100 импульсов. Соответственно частота ШИМ получится 250 гц, что крайне мало.
Ничего не напутал?
Ничего не напутал?
- PKM
- Почётный участник

- Сообщения: 4263
- Зарегистрирован: 31 мар 2011, 18:11
- Репутация: 705
- Настоящее имя: Андрей
- Откуда: Украина
- Контактная информация:
Re: Mesa 5i25+7i77+BD15A8 (ШИМ)
Прошить в 7i77 + 7i76 и использовать для ШИМ выход stepgen, без дочерней платы, прямо на Р2.
-
eugenysg
- Опытный
- Сообщения: 119
- Зарегистрирован: 18 ноя 2013, 13:23
- Репутация: 25
- Контактная информация:
Re: Mesa 5i25+7i77+BD15A8 (ШИМ)
а как жеPKM писал(а):Прошить в 7i77 + 7i76 и использовать для ШИМ выход stepgen, без дочерней платы, прямо на Р2.
?eugenysg писал(а):Но, так как выходы у 5ш25 рассчитаны на работу с внешней платой, с дешифратором, то придется прошивку править, чтобы на них ШИМ завести.
- PKM
- Почётный участник

- Сообщения: 4263
- Зарегистрирован: 31 мар 2011, 18:11
- Репутация: 705
- Настоящее имя: Андрей
- Откуда: Украина
- Контактная информация:
Re: Mesa 5i25+7i77+BD15A8 (ШИМ)
Я немного ошибся. Надо использовать прошивку 5i25_7i77_7i85sp, там будут выходы ШИМ на Р2
Код: Выделить всё
IO Connections for P2
Pin# I/O Pri. func Sec. func Chan Pin func Pin Dir
1 17 IOPort SSerial 0 RXData4 (In)
14 18 IOPort SSerial 0 TXData4 (Out)
2 19 IOPort PWMGen 3 PWM (Out)
15 20 IOPort PWMGen 3 Dir (Out)
3 21 IOPort PWMGen 2 PWM (Out)
16 22 IOPort PWMGen 2 Dir (Out)
4 23 IOPort PWMGen 1 PWM (Out)
17 24 IOPort PWMGen 1 Dir (Out)
5 25 IOPort PWMGen 0 PWM (Out)
6 26 IOPort PWMGen 0 Dir (Out)
7 27 IOPort MuxedQCountSel 4 MuxSel0 (Out)
8 28 IOPort MuxedQCount 3 MuxQ-A (In)
9 29 IOPort MuxedQCount 3 MuxQ-B (In)
10 30 IOPort MuxedQCount 3 MuxQ-IDX (In)
11 31 IOPort MuxedQCount 4 MuxQ-A (In)
12 32 IOPort MuxedQCount 4 MuxQ-B (In)
13 33 IOPort MuxedQCount 4 MuxQ-IDX (In)
-
eugenysg
- Опытный
- Сообщения: 119
- Зарегистрирован: 18 ноя 2013, 13:23
- Репутация: 25
- Контактная информация:
Re: Mesa 5i25+7i77+BD15A8 (ШИМ)
Спасибо! Уже намного веселее... С вашего ползволения немного подумаю на тему "как жить дальше" в смысле как железо скомпоновать. Дойду до настройки видимо еще появятся вопросы.PKM писал(а):Я немного ошибся. Надо использовать прошивку 5i25_7i77_7i85sp, там будут выходы ШИМ на Р2
- PKM
- Почётный участник

- Сообщения: 4263
- Зарегистрирован: 31 мар 2011, 18:11
- Репутация: 705
- Настоящее имя: Андрей
- Откуда: Украина
- Контактная информация:
Re: Mesa 5i25+7i77+BD15A8 (ШИМ)
Вопросы будут, конфиг не совсем стандартный. Но в принципе проблем немного: на одной оси вместо 7i77...analogout использовать 5i85...pwmgen или как там он будет называться.
- Nick
- Мастер
- Сообщения: 22776
- Зарегистрирован: 23 ноя 2009, 16:45
- Репутация: 1735
- Заслуга: Developer
- Откуда: Gatchina, Saint-Petersburg distr., Russia
- Контактная информация:
Re: Mesa 5i25+7i77+BD15A8 (ШИМ)
+1! Я об этом даже не подумал!PKM писал(а):Я немного ошибся. Надо использовать прошивку 5i25_7i77_7i85sp, там будут выходы ШИМ на Р2
-
eugenysg
- Опытный
- Сообщения: 119
- Зарегистрирован: 18 ноя 2013, 13:23
- Репутация: 25
- Контактная информация:
Re: Mesa 5i25+7i77+BD15A8 (ШИМ)
Коллеги, спасайте. Оказалось что мне не хватает знаний для компоновки электроники. Не судите строго и направьте на путь истинный
Сразу приведу ссылки на документацию:
AMC Install Manual - http://www.a-m-c.com/download/manual/AM ... Manual.pdf
AMC datasheet bd15a8 - http://www.a-m-c.com/download/datasheet/bd15a8.pdf
MESA 5I25 - http://www.mesanet.com/pdf/parallel/5i25man.pdf
MESA 7I77 - http://www.mesanet.com/pdf/parallel/7i77man.pdf
По замыслу система ЧПУ будет состоять из 2 блоков:
1. Собственно ПК с платой mesa 5i25.
2. Блок, в котором собрана вся электрика/электроника. Cиловые трансформаторы (остались от "родного ЧПУ" данного станка) 3 штуки, обмотки 38,18,12 вольт. Соответствующие обмотки тр-в запараллелены. Далее идут на 3 диодных моста. 12, 18 вольт пока никуда не разведены.
38 вольт (после выпрямления около 50) идет на блок конденсаторов (60000 мкф) и сервоусилители. В этом же блоке установлен ЧП. Там же будут установлены реле и т.д. Там же установлена Mesa 7i77 в отдельном металлическом корпусе.
Собственно вопрос по подключению всей слаботочки друг с другом.
Начнем с MESA - Вопрос с питанием, на форуме писали:
"VFIELD - питание для выходов. Именно это напряжение через выходной транзистор подаётся на исполнительные устройства. 4 контакта сделаны для того, чтоб не погорели дорожки/контакты от большого тока. Питание желательно подавать на все 4.
VIN - это питание для входов, отдельно сделано для того, чтоб можно было датчики запитывать от источника с напряжением, отличным от подаваемого на VFIELD. Рядом на плате есть джампер соединяющий VIN с VFIELD, по дефолту соединено."
В документации пишут:
"Inputs can sense 5V to 32V signals and the outputs can switch 5V through 28V signals. Maximum output load is 300 mA.".
Вопрос 1. Джампер оставляем по умолчанию. На VFIELD подаем 24 вольта. Правильно ли я понимаю, что на Input входы, для перевода их в "1" я должен подавать от того же источника +24v (от источника питания 7i77)?
Судя по "The 7I77s outputs can drive loads of up to 350 mA." на output я получу 24v, до 350mA. То есть можно напрямую подключать реле, параллельно обмотке которых добавть диоды для компенсации переходных процессов.
Вопрос 2. Как организовать ESTOP? Достаточно ли поставить пускатель на питание тр-ов и частотника (и аварийные кнопки подключить последовательно к управляющим контактам пускателя), или необходимо подавать сигнал в 7i77?
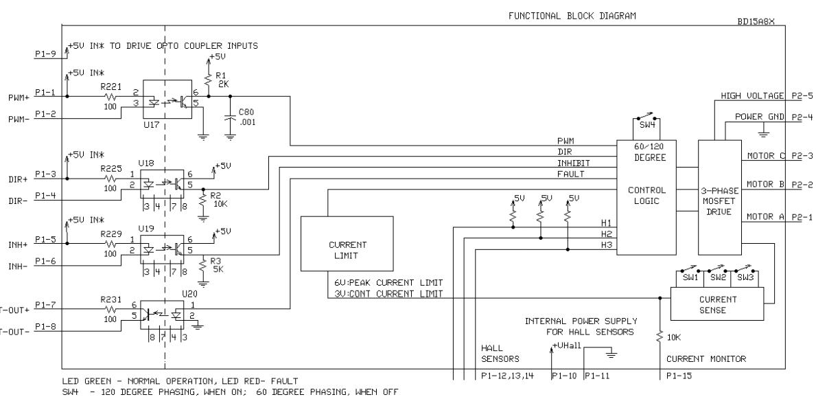
Далее, как помним, AMC BD15A8 будем подключать напрямую к Mesa 5I25. В BD15A8 есть отдельный контакт +5 вольт. В документации (AMC Install Manual 37 стр.) пишут:
"PWM and Direction Inputs On drives that accept a PWM and Direction signal for a command
input, the inputs are optically isolated from the power stage of the drive. The PWM and
Direction, Inhibit, and Fault I/O will not provide any functionality to the drive unless the
optocouplers are activated. Depending on the drive model, there are two methods to activate
the optocouplers and thereby activate the drive.
• Some drive models feature a +5V input pin that is used to drive the optocoupler inputs.
This +5V supply must be grounded at the negative Inhibit terminal. The positive terminals
for the PWM, Direction, and Inhibit inputs are all internally connected to the +5V input.
Therefore, the external PWM and Direction input signals should be connected at the
negative PWM and Direction terminals. The positive Fault output terminal can also be
connected to the +5V input supply, and when the drive enters a fault stage, the negative
Fault output terminal will rise to the +5V supply indicating a fault condition."
Переводя на русский, необходимо запитать оптроны внутри сервоусилителя для активации I/O. Это понятно. Далее ничего не понимаю.
Судя по "Block Diagam" плюсы всех входов соединены между собой и туда необходимо подать +5 вольт.
"Therefore, the external PWM and Direction input signals should be connected at the negative PWM and Direction terminals." - правильно я понимаю, что "1" это -5 вольт (в смысле "-" 5 вольтового источника), поданные на соответствующий вход ?
Вопрос 3. Как это состыковать с 5i25?
Сразу приведу ссылки на документацию:
AMC Install Manual - http://www.a-m-c.com/download/manual/AM ... Manual.pdf
AMC datasheet bd15a8 - http://www.a-m-c.com/download/datasheet/bd15a8.pdf
MESA 5I25 - http://www.mesanet.com/pdf/parallel/5i25man.pdf
MESA 7I77 - http://www.mesanet.com/pdf/parallel/7i77man.pdf
По замыслу система ЧПУ будет состоять из 2 блоков:
1. Собственно ПК с платой mesa 5i25.
2. Блок, в котором собрана вся электрика/электроника. Cиловые трансформаторы (остались от "родного ЧПУ" данного станка) 3 штуки, обмотки 38,18,12 вольт. Соответствующие обмотки тр-в запараллелены. Далее идут на 3 диодных моста. 12, 18 вольт пока никуда не разведены.
38 вольт (после выпрямления около 50) идет на блок конденсаторов (60000 мкф) и сервоусилители. В этом же блоке установлен ЧП. Там же будут установлены реле и т.д. Там же установлена Mesa 7i77 в отдельном металлическом корпусе.
Собственно вопрос по подключению всей слаботочки друг с другом.
Начнем с MESA - Вопрос с питанием, на форуме писали:
"VFIELD - питание для выходов. Именно это напряжение через выходной транзистор подаётся на исполнительные устройства. 4 контакта сделаны для того, чтоб не погорели дорожки/контакты от большого тока. Питание желательно подавать на все 4.
VIN - это питание для входов, отдельно сделано для того, чтоб можно было датчики запитывать от источника с напряжением, отличным от подаваемого на VFIELD. Рядом на плате есть джампер соединяющий VIN с VFIELD, по дефолту соединено."
В документации пишут:
"Inputs can sense 5V to 32V signals and the outputs can switch 5V through 28V signals. Maximum output load is 300 mA.".
Вопрос 1. Джампер оставляем по умолчанию. На VFIELD подаем 24 вольта. Правильно ли я понимаю, что на Input входы, для перевода их в "1" я должен подавать от того же источника +24v (от источника питания 7i77)?
Судя по "The 7I77s outputs can drive loads of up to 350 mA." на output я получу 24v, до 350mA. То есть можно напрямую подключать реле, параллельно обмотке которых добавть диоды для компенсации переходных процессов.
Вопрос 2. Как организовать ESTOP? Достаточно ли поставить пускатель на питание тр-ов и частотника (и аварийные кнопки подключить последовательно к управляющим контактам пускателя), или необходимо подавать сигнал в 7i77?
Далее, как помним, AMC BD15A8 будем подключать напрямую к Mesa 5I25. В BD15A8 есть отдельный контакт +5 вольт. В документации (AMC Install Manual 37 стр.) пишут:
"PWM and Direction Inputs On drives that accept a PWM and Direction signal for a command
input, the inputs are optically isolated from the power stage of the drive. The PWM and
Direction, Inhibit, and Fault I/O will not provide any functionality to the drive unless the
optocouplers are activated. Depending on the drive model, there are two methods to activate
the optocouplers and thereby activate the drive.
• Some drive models feature a +5V input pin that is used to drive the optocoupler inputs.
This +5V supply must be grounded at the negative Inhibit terminal. The positive terminals
for the PWM, Direction, and Inhibit inputs are all internally connected to the +5V input.
Therefore, the external PWM and Direction input signals should be connected at the
negative PWM and Direction terminals. The positive Fault output terminal can also be
connected to the +5V input supply, and when the drive enters a fault stage, the negative
Fault output terminal will rise to the +5V supply indicating a fault condition."
Переводя на русский, необходимо запитать оптроны внутри сервоусилителя для активации I/O. Это понятно. Далее ничего не понимаю.
Судя по "Block Diagam" плюсы всех входов соединены между собой и туда необходимо подать +5 вольт.
"Therefore, the external PWM and Direction input signals should be connected at the negative PWM and Direction terminals." - правильно я понимаю, что "1" это -5 вольт (в смысле "-" 5 вольтового источника), поданные на соответствующий вход ?
Вопрос 3. Как это состыковать с 5i25?
- Serg
- Мастер
- Сообщения: 21923
- Зарегистрирован: 17 апр 2012, 14:58
- Репутация: 5183
- Заслуга: c781c134843e0c1a3de9
- Настоящее имя: Сергей
- Откуда: Москва
- Контактная информация:
Re: Mesa 5i25+7i77+BD15A8 (ШИМ)
Да. Всё, что выше 60% от VFIELD считается высоким уровнем, всё, что ниже 40% - низким.eugenysg писал(а):Правильно ли я понимаю, что на Input входы, для перевода их в "1" я должен подавать от того же источника +24v (от источника питания 7i77)?
Не более 350мА на один выход, но не более 1А на весь чип (8 выходов). Подключать реле можно, обычные реле которые вставляются в колодки на DIN-рейку как правило потребляют 50мА. Диод не нужен - в чипе есть своя защита.eugenysg писал(а):То есть можно напрямую подключать реле, параллельно обмотке которых добавть диоды для компенсации переходных процессов.
Необходимо подавать, чтоб LinuxCNC была в курсе...eugenysg писал(а):или необходимо подавать сигнал в 7i77?
Для начала необходимо осознать, что не существует готовой прошивки для 5i25, подерживающей работу 7i77 и PWM выход...eugenysg писал(а):Как это состыковать с 5i25?
Я не Христос, рыбу не раздаю, но могу научить, как сделать удочку...
-
eugenysg
- Опытный
- Сообщения: 119
- Зарегистрирован: 18 ноя 2013, 13:23
- Репутация: 25
- Контактная информация:
Re: Mesa 5i25+7i77+BD15A8 (ШИМ)
Как так, в 11 сообщении неправда написана?UAVpilot писал(а):Для начала необходимо осознать, что не существует готовой прошивки для 5i25, подерживающей работу 7i77 и PWM выход...
PKM писал(а):Надо использовать прошивку 5i25_7i77_7i85sp, там будут выходы ШИМ на Р2
PKM писал(а):IO Connections for P2
Pin# I/O Pri. func Sec. func Chan Pin func Pin Dir
1 17 IOPort SSerial 0 RXData4 (In)
14 18 IOPort SSerial 0 TXData4 (Out)
2 19 IOPort PWMGen 3 PWM (Out)
15 20 IOPort PWMGen 3 Dir (Out)
3 21 IOPort PWMGen 2 PWM (Out)
16 22 IOPort PWMGen 2 Dir (Out)
4 23 IOPort PWMGen 1 PWM (Out)
17 24 IOPort PWMGen 1 Dir (Out)
5 25 IOPort PWMGen 0 PWM (Out)
6 26 IOPort PWMGen 0 Dir (Out)
7 27 IOPort MuxedQCountSel 4 MuxSel0 (Out)
8 28 IOPort MuxedQCount 3 MuxQ-A (In)
9 29 IOPort MuxedQCount 3 MuxQ-B (In)
10 30 IOPort MuxedQCount 3 MuxQ-IDX (In)
11 31 IOPort MuxedQCount 4 MuxQ-A (In)
12 32 IOPort MuxedQCount 4 MuxQ-B (In)
13 33 IOPort MuxedQCount 4 MuxQ-IDX (In)
- Serg
- Мастер
- Сообщения: 21923
- Зарегистрирован: 17 апр 2012, 14:58
- Репутация: 5183
- Заслуга: c781c134843e0c1a3de9
- Настоящее имя: Сергей
- Откуда: Москва
- Контактная информация:
Re: Mesa 5i25+7i77+BD15A8 (ШИМ)
Да, такая подходит.eugenysg писал(а): 5i25_7i77_7i85sp
Тогда минусы на землю, а плюсы к выходам/входам.
Я не Христос, рыбу не раздаю, но могу научить, как сделать удочку...
-
eugenysg
- Опытный
- Сообщения: 119
- Зарегистрирован: 18 ноя 2013, 13:23
- Репутация: 25
- Контактная информация:
Re: Mesa 5i25+7i77+BD15A8 (ШИМ)
Судя по диаграмме (15 сообщение) плюсы (PWM, DIR, INH)соединены внутри усилителя, причем диоды не нарисованы. Соответственно собрав минусы на землю, подав + на один из входов, все входы перейдут в "1", а нам этого не надо. Что то я не понимаю.UAVpilot писал(а):Тогда минусы на землю, а плюсы к выходам/входам.
- Serg
- Мастер
- Сообщения: 21923
- Зарегистрирован: 17 апр 2012, 14:58
- Репутация: 5183
- Заслуга: c781c134843e0c1a3de9
- Настоящее имя: Сергей
- Откуда: Москва
- Контактная информация:
Re: Mesa 5i25+7i77+BD15A8 (ШИМ)
Если соеденены, то тогда минусы через диоды на входы. И помнить, что сигналы будут инвертированы.
Ну или через ключи на транзисторах...
Ну или через ключи на транзисторах...
Я не Христос, рыбу не раздаю, но могу научить, как сделать удочку...
