Delta 3d принтер a-ля Kossel mini
-
robot-home2000
- Опытный
- Сообщения: 154
- Зарегистрирован: 04 июн 2014, 09:44
- Репутация: 8
- Контактная информация:
Re: Delta 3d принтер a-ля Kossel mini
Нам ещё пол года назад чтото такое обещали привезти ... Так и не привезли.. Так что брали за прототип расположение форсунок на отдельной платформе.. Кабы повторили несколько головок стоящих в три ряда...
- ennio
- Кандидат
- Сообщения: 91
- Зарегистрирован: 24 сен 2011, 12:05
- Репутация: 2
- Настоящее имя: Евгений
- Откуда: Кирово-Чепецк, Кировская обл.
- Контактная информация:
Re: Delta 3d принтер a-ля Kossel mini
Traxxas...Raptirius писал(а):Небольшое продолжение ... Все стало на свои места Далее ждем ардуинку и стекло для стола...
на магнитных тягах не решился?
-
vovan032
- Новичок
- Сообщения: 2
- Зарегистрирован: 10 июн 2016, 11:03
- Репутация: 0
- Настоящее имя: Владимир
- Контактная информация:
Re: Delta 3d принтер a-ля Kossel mini
Добрый день! Тоже надумал собрать такую модель.Raptirius писал(а):Профиль покупал здесь http://prime-technic.by/contact/
Режут в размер, но не работают с физ лицами.
Недорогой профиль нашёл здесь. Производитель конечно не Bosch, но думаю что тоже пойдёт. http://soberizavod.ru/
Raptirius, пожалуйста поделитесь ссылками на покупку всех комплектующих к принтеру с aliexpress.
-
tegauss
- Кандидат
- Сообщения: 47
- Зарегистрирован: 30 янв 2014, 02:17
- Репутация: 11
- Настоящее имя: Антон
- Откуда: Москва
- Контактная информация:
Re: Delta 3d принтер a-ля Kossel mini
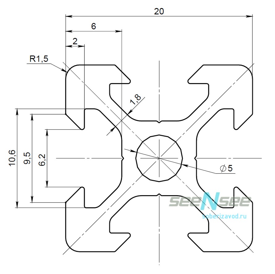
Не советую вам брать это профиль. Посмотрите на картинку (профиль 2020)vovan032 писал(а):Недорогой профиль нашёл здесь. Производитель конечно не Bosch, но думаю что тоже пойдёт. http://soberizavod.ru/
Максимальная ширина паза составляет 9.5 мм. Рельсы имеют ширину 12 мм, т.е. полосы контакта, которыми рельсы будут опираться на профиль, будут иметь ширину 1.25 мм. Во-первых, этого, имхо, мало. Во-вторых, рельсы неудобно будет прикручивать, потому что они будут норовить провалиться в профиль.
Это так, мысли вслух. Может, чем-то вам помогут
-
arkhnchul
- Мастер
- Сообщения: 1773
- Зарегистрирован: 01 фев 2016, 13:56
- Репутация: 339
- Откуда: москва
- Контактная информация:
Re: Delta 3d принтер a-ля Kossel mini
не, нормально должно быть. Вообще конечно да, к v-слоту менее удобно крепить что угодно, чем к т-слоту.
там в анодированных профилях есть совсем малявки "серия 15", которые 15х30 для принтеров могут и проканать ввиду маленьких нагрузок.
там в анодированных профилях есть совсем малявки "серия 15", которые 15х30 для принтеров могут и проканать ввиду маленьких нагрузок.
-
vovan032
- Новичок
- Сообщения: 2
- Зарегистрирован: 10 июн 2016, 11:03
- Репутация: 0
- Настоящее имя: Владимир
- Контактная информация:
Re: Delta 3d принтер a-ля Kossel mini
Не учёл я этот момент. Но думаю, эту проблему можно обойти, если взять такие гайки Они специально рассчитаны для такого профиля. Соответственно они не дадут съехать рельсам.tegauss писал(а): Максимальная ширина паза составляет 9.5 мм. Рельсы имеют ширину 12 мм, т.е. полосы контакта, которыми рельсы будут опираться на профиль, будут иметь ширину 1.25 мм. Во-первых, этого, имхо, мало. Во-вторых, рельсы неудобно будет прикручивать, потому что они будут норовить провалиться в профиль.
-
vladumur
- Мастер
- Сообщения: 278
- Зарегистрирован: 07 авг 2014, 16:44
- Репутация: 37
- Откуда: Россия, Красноярский край
- Контактная информация:
Re: Delta 3d принтер a-ля Kossel mini
Нет не учли, т гайка не поможет, рельса будет расклинивание паз. Необходимо что-то подложить под рельс, например полоску дюраля 2 мм. Видел в продаже полосы шириной 20 мм, толщиной или 1,5 или 2 мм.
- Raptirius
- Почётный участник

- Сообщения: 183
- Зарегистрирован: 31 мар 2013, 16:11
- Репутация: 86
- Настоящее имя: Константин
- Откуда: Minsk
- Контактная информация:
Re: Delta 3d принтер a-ля Kossel mini
Так получилось что на проект времени не хватало. Неделю назад решил закончить начатое.
Установил прошивку Repetier. Настроил с помощью http://escher3d.com/pages/wizards/wizarddelta.php
По результатам принтер впечатлил качеством , не сильно зависящим от скорости печати, но вылезла одна проблема...
Заклинила каретка по одной из осей (отпечатал почти кило пластика и решил посмотреть максимальные скорости ).
Вопрос:
Может есть проверенные поставщики 12-тых линейных направляющих, желательно Hiwin?
Заклинила каретка по одной из осей (отпечатал почти кило пластика и решил посмотреть максимальные скорости ).
Вопрос:
Может есть проверенные поставщики 12-тых линейных направляющих, желательно Hiwin?
Последний раз редактировалось Raptirius 08 ноя 2016, 08:42, всего редактировалось 1 раз.
- Raptirius
- Почётный участник

- Сообщения: 183
- Зарегистрирован: 31 мар 2013, 16:11
- Репутация: 86
- Настоящее имя: Константин
- Откуда: Minsk
- Контактная информация:
Re: Delta 3d принтер a-ля Kossel mini
Добавлю инструкцию по калибровке дельты. Написал пока помню что делал.
- Raptirius
- Почётный участник

- Сообщения: 183
- Зарегистрирован: 31 мар 2013, 16:11
- Репутация: 86
- Настоящее имя: Константин
- Откуда: Minsk
- Контактная информация:
Re: Delta 3d принтер a-ля Kossel mini
Пока Как говорится... между первой и второй перерывчик небольшой
Рабочая лошадка Но так как работа дельты завораживает, решено переделать прусу (graber i3) в дельту
Печатаем Собираем переставляем моторы, электронику и после настройки получаем
Рабочая лошадка Но так как работа дельты завораживает, решено переделать прусу (graber i3) в дельту
Печатаем Собираем переставляем моторы, электронику и после настройки получаем