тридэ принтер
- 
				sas_75
 - Мастер
 - Сообщения: 463
 - Зарегистрирован: 10 мар 2015, 11:03
 - Репутация: 115
 - Настоящее имя: Сергей
 - Откуда: Владивосток
 - Контактная информация:
 
Re: тридэ принтер
Наверное все-таки варистор, а не термистор. Жаль блока такого под рукой нет, подсказал бы куда дальше копать. Сегодня занимался ремонтом БП Flatpack 1500 48V. Сильная штука! В стойках питания базовых станций стоят для зарядки резервных аккумуляторов. По вашему блоку. Надо съемку на просторах интернета поискать. Может кто подбросит?
			
			
									
									
						- N1X
 - Мастер
 - Сообщения: 3653
 - Зарегистрирован: 16 фев 2015, 21:19
 - Репутация: 1646
 - Настоящее имя: Владимир
 - Откуда: Беларусь, Гомель
 - Контактная информация:
 
Re: тридэ принтер
Нет, всетаки термистор (NTC)sas_75 писал(а):Наверное все-таки варистор, а не термистор.
- Сергей Саныч
 - Мастер
 - Сообщения: 9116
 - Зарегистрирован: 30 май 2012, 14:20
 - Репутация: 2858
 - Откуда: Тюмень
 - Контактная информация:
 
Re: тридэ принтер
Схема простая, можно сказать, классическая. Но "дистанционно" ремонтировать я бы поостерегся. Все-таки до 300 вольт, гальванически связанных с сетью.
			
			
									
									Чудес не бывает. Бывают фокусы.
						- 
				sas_75
 - Мастер
 - Сообщения: 463
 - Зарегистрирован: 10 мар 2015, 11:03
 - Репутация: 115
 - Настоящее имя: Сергей
 - Откуда: Владивосток
 - Контактная информация:
 
Re: тридэ принтер
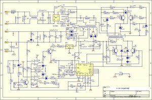
Да, погорячился. Нашел схему, там действительно стоят термисторы. Схемотехника БП напоминает электронный балласт для т.н. энергосберегающих ламп.
Проверьте термисторы (должны иметь небольшое сопротивление). Проверьте транзисторы Q1, Q2 (см. прилагаемую схему, надеюсь отличия будут незначительны) и диоды в их базовых цепях и между коллектором и эмиттером этих транзисторов, а также диоды D12- D15 во вторичных цепях трансформатора. Замените неисправные компоненты, если они бнаружатся. Далее можно отключить резистор, подключенный между конденсатором С20 и выводом 4 трансформатора Т2, последовательно с блоком питания включить лампу 220V 60Вт и включить в сеть. Будьте осторожны, там действительно "живет" напряжение 300V (на конденсаторах С5, С6 за диодным мостом примерно по 150В на каждом). БП должен "завестись" в режиме самовозбуждения, на выходе БП должно появиться напряжение, оно может быть ниже номинального. Лампа при этом должна слегка светиться, либо не гореть вообще. В случае, если она горит в полный накал, где-то имеет место пробой. После этого можно будет пойти дальше.
К сожалению качество изображения схемы оставляет желать лучшего, но что имеем.
			
							
			
									
									
						Проверьте термисторы (должны иметь небольшое сопротивление). Проверьте транзисторы Q1, Q2 (см. прилагаемую схему, надеюсь отличия будут незначительны) и диоды в их базовых цепях и между коллектором и эмиттером этих транзисторов, а также диоды D12- D15 во вторичных цепях трансформатора. Замените неисправные компоненты, если они бнаружатся. Далее можно отключить резистор, подключенный между конденсатором С20 и выводом 4 трансформатора Т2, последовательно с блоком питания включить лампу 220V 60Вт и включить в сеть. Будьте осторожны, там действительно "живет" напряжение 300V (на конденсаторах С5, С6 за диодным мостом примерно по 150В на каждом). БП должен "завестись" в режиме самовозбуждения, на выходе БП должно появиться напряжение, оно может быть ниже номинального. Лампа при этом должна слегка светиться, либо не гореть вообще. В случае, если она горит в полный накал, где-то имеет место пробой. После этого можно будет пойти дальше.
К сожалению качество изображения схемы оставляет желать лучшего, но что имеем.
- Сергей Саныч
 - Мастер
 - Сообщения: 9116
 - Зарегистрирован: 30 май 2012, 14:20
 - Репутация: 2858
 - Откуда: Тюмень
 - Контактная информация:
 
- 
				sas_75
 - Мастер
 - Сообщения: 463
 - Зарегистрирован: 10 мар 2015, 11:03
 - Репутация: 115
 - Настоящее имя: Сергей
 - Откуда: Владивосток
 - Контактная информация:
 
Re: тридэ принтер
В этой схеме температурная защита выполнена на  LM358,  на плате ее нет. Остальное мало отличается от схемы.
			
			
									
									
						- Нубило
 - Почётный участник

 - Сообщения: 559
 - Зарегистрирован: 12 дек 2013, 23:25
 - Репутация: 107
 - Настоящее имя: иван
 - Откуда: Мос. обл.
 - Контактная информация:
 
Re: тридэ принтер
Всем привет!!!
Вот сегодня доделал привод стола))
Недавно в мои руки попали пару сломанных счетчиков банкнот, вобщем все детали от одного из них..
			
							
			
									
									
						Вот сегодня доделал привод стола))
Недавно в мои руки попали пару сломанных счетчиков банкнот, вобщем все детали от одного из них..
- tooshka
 - Почётный участник

 - Сообщения: 1803
 - Зарегистрирован: 24 окт 2012, 14:26
 - Репутация: 209
 - Настоящее имя: Андрей
 - Откуда: Нижний Новгород
 - Контактная информация:
 
Re: тридэ принтер
А ниже все это чудо закрыто ({) ?
			
			
									
									Милая, ты услышь меня
под окном стою со своим я ЧПУ! (Протяжно; с надрывом; форте)
Внимание!!! Чрезмерное увлечение ЧПУ приводит к проблемам в семейных отношениях!
						под окном стою со своим я ЧПУ! (Протяжно; с надрывом; форте)
Внимание!!! Чрезмерное увлечение ЧПУ приводит к проблемам в семейных отношениях!
- Нубило
 - Почётный участник

 - Сообщения: 559
 - Зарегистрирован: 12 дек 2013, 23:25
 - Репутация: 107
 - Настоящее имя: иван
 - Откуда: Мос. обл.
 - Контактная информация:
 
Re: тридэ принтер
так видно что одна не закрыта, но кудаб не ставил, все равно ошибка((
			
			
									
									
						- Нубило
 - Почётный участник

 - Сообщения: 559
 - Зарегистрирован: 12 дек 2013, 23:25
 - Репутация: 107
 - Настоящее имя: иван
 - Откуда: Мос. обл.
 - Контактная информация:
 
Re: тридэ принтер
нашел лишнюю скобку в соседнем файле, с этим проблема решилась))
новая(((
			
							
			
									
									
						новая(((
- master_70
 - Мастер
 - Сообщения: 1935
 - Зарегистрирован: 30 ноя 2010, 22:52
 - Репутация: 317
 - Настоящее имя: Сергей Викторович
 - Откуда: Московская_обл
 - Контактная информация:
 
Re: тридэ принтер
когда запустить планируешь принтер ? слежу . и жду  когда заработает.
			
			
									
									Кайт клуб "Za Vetrom" г. Киров
тел. 8 953 678 19 59 Сергей; Skype: zavetrom.ru
ICQ: 248622151 mail: master_70@mail.ru
http://www.zavetrom.ru
						тел. 8 953 678 19 59 Сергей; Skype: zavetrom.ru
ICQ: 248622151 mail: master_70@mail.ru
http://www.zavetrom.ru
- Нубило
 - Почётный участник

 - Сообщения: 559
 - Зарегистрирован: 12 дек 2013, 23:25
 - Репутация: 107
 - Настоящее имя: иван
 - Откуда: Мос. обл.
 - Контактная информация:
 
Re: тридэ принтер
Экструдер ща в пути, думаю через месяц заработает)))
			
			
									
									
						- paladin74
 - Кандидат
 - Сообщения: 46
 - Зарегистрирован: 06 авг 2013, 20:14
 - Репутация: 13
 - Настоящее имя: Андрей
 - Откуда: Магнитогорск
 - Контактная информация:
 
Re: тридэ принтер
А какой марлин компилил? У меня последний без ошибок собрался. И ардуино у тебя дюже старый )
ЗЫ. Ты плату рампс хорошо смотрел на предмет косяков? У меня в трех местах ножки соседние спаяны были.
			
			
									
									
						ЗЫ. Ты плату рампс хорошо смотрел на предмет косяков? У меня в трех местах ножки соседние спаяны были.
- balomut
 - Почётный участник

 - Сообщения: 889
 - Зарегистрирован: 06 апр 2015, 10:56
 - Репутация: 267
 - Настоящее имя: Олег
 - Откуда: Поланзбург
 - Контактная информация:
 
Re: тридэ принтер
В каком смысле ардуино старый? Мега 2560 вроде
			
			
									
									Каждый сходит с ума так , как ему нравится !
						- 
				AVK74
 - Почётный участник

 - Сообщения: 1854
 - Зарегистрирован: 02 июл 2013, 09:03
 - Репутация: 335
 - Откуда: Уфа
 - Контактная информация:
 
Re: тридэ принтер
Чето робофорум унылым мне показался, может еще какие ресурсы есть?
Хочу сделать принтер.
Какой экструдер лучше купить?
Стоит сразу с мотором его брать, или мотор отдельно колхозить?
Железо я так понял Ардуина + Рампс?
Моторов nema17 достаточно?
Столик подогреваемый какой надо?
Или может какой кит взять без механики?
			
			
									
									
						Хочу сделать принтер.
Какой экструдер лучше купить?
Стоит сразу с мотором его брать, или мотор отдельно колхозить?
Железо я так понял Ардуина + Рампс?
Моторов nema17 достаточно?
Столик подогреваемый какой надо?
Или может какой кит взять без механики?