В бюджетном решении первое, от чего имеет смысл отказаться, так это от "сочетания цветов".MX_Master писал(а):появилась мысль запилить более бюджетный аналог MESA 7i92
Ethernet контроллер для LinuxCNC (STM32, FPGA)
- verser
- Мастер
- Сообщения: 1905
- Зарегистрирован: 21 июл 2013, 22:28
- Репутация: 1282
- Настоящее имя: Сергей
- Откуда: Тбилиси
- Контактная информация:
Re: Контроллер для LinuxCNC (Ethernet + STM32)
- MX_Master
- Мастер
- Сообщения: 7490
- Зарегистрирован: 27 июн 2015, 19:45
- Репутация: 3113
- Настоящее имя: Михаил
- Откуда: Алматы
- Контактная информация:
Re: Контроллер для LinuxCNC (Ethernet + STM32)
Цена у разноцветных та же. Может раньше они и стоили дороже, к примеру, на АЛИ. Но с тех пор как я открыл для себя таобао, цены на такие штуки прилично упали. Да и выбор заметно вырос. Но я в любом случае закуплюсь сначала зелёными, а разноцветных тяпну только на пробу.verser писал(а):В бюджетном решении первое, от чего имеет смысл отказаться, так это от "сочетания цветов".
- MX_Master
- Мастер
- Сообщения: 7490
- Зарегистрирован: 27 июн 2015, 19:45
- Репутация: 3113
- Настоящее имя: Михаил
- Откуда: Алматы
- Контактная информация:
Re: Контроллер для LinuxCNC (Ethernet + STM32)
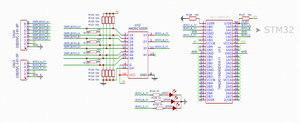
Плавно подхожу ко входам для энкодеров
- Serg
- Мастер
- Сообщения: 21923
- Зарегистрирован: 17 апр 2012, 14:58
- Репутация: 5183
- Заслуга: c781c134843e0c1a3de9
- Настоящее имя: Сергей
- Откуда: Москва
- Контактная информация:
Re: Контроллер для LinuxCNC (Ethernet + STM32)
А где терминирующие резисторы?
Я не Христос, рыбу не раздаю, но могу научить, как сделать удочку...
-
Duhas
- Мастер
- Сообщения: 1961
- Зарегистрирован: 10 окт 2015, 23:25
- Репутация: 285
- Настоящее имя: Андрей
- Откуда: Красноярск
- Контактная информация:
Re: Контроллер для LinuxCNC (Ethernet + STM32)
с терминирующими понятно, а на сколько нужны подтягивающие? тем более туды/сюды? может кто-то рассказать надо не надо и почему?
- MX_Master
- Мастер
- Сообщения: 7490
- Зарегистрирован: 27 июн 2015, 19:45
- Репутация: 3113
- Настоящее имя: Михаил
- Откуда: Алматы
- Контактная информация:
Re: Контроллер для LinuxCNC (Ethernet + STM32)
С высоты моего небольшого опыта - чтобы вход не болтался туды/сюды, когда не подключен. Тоже буду рад услышать более экспертные мненияDuhas писал(а):а на сколько нужны подтягивающие? тем более туды/сюды? может кто-то рассказать надо не надо и почему?
-
Lunatic
- Мастер
- Сообщения: 460
- Зарегистрирован: 09 мар 2015, 20:25
- Репутация: 75
- Настоящее имя: Дмитрий
- Контактная информация:
Re: Контроллер для LinuxCNC (Ethernet + STM32)
Я вот такое решение встречал у FUJI. Конечно не правильно с точки зрения отсутствия терминатора, его можно добавить через перемычку - подключать когда нужен.
Позволяет подавать на вход и дифсигнал (RS422), и 5В только на верхний вход. У них оба варианта подключения описаны в мануале, откуда картинка.
Позволяет подавать на вход и дифсигнал (RS422), и 5В только на верхний вход. У них оба варианта подключения описаны в мануале, откуда картинка.
- N1X
- Мастер
- Сообщения: 3653
- Зарегистрирован: 16 фев 2015, 21:19
- Репутация: 1646
- Настоящее имя: Владимир
- Откуда: Беларусь, Гомель
- Контактная информация:
Re: Контроллер для LinuxCNC (Ethernet + STM32)
Подтяжки нужны. Причем 10кОм даже много. Часто делается терминатор 120 Ом и растяжки 560 Ом.
Ну и давай, Михаил, чтоб тебе спалось хорошо:
Ты же за универсальность? Энкодеры есть TTL, а есть HTL. У последних может и 15В на выходе быть ))) Например широко известные старые ВЕ178А, которые иногда народ пытается пользовать из-за дешевизны...
Ну и давай, Михаил, чтоб тебе спалось хорошо:
Ты же за универсальность? Энкодеры есть TTL, а есть HTL. У последних может и 15В на выходе быть ))) Например широко известные старые ВЕ178А, которые иногда народ пытается пользовать из-за дешевизны...
- selenur
- Почётный участник

- Сообщения: 4605
- Зарегистрирован: 21 авг 2013, 19:44
- Репутация: 1622
- Настоящее имя: Сергей
- Откуда: Новый Уренгой
- Контактная информация:
Re: Контроллер для LinuxCNC (Ethernet + STM32)
MX_Master писал(а):С высоты моего небольшого опыта - чтобы вход не болтался туды/сюды, когда не подключен. Тоже буду рад услышать более экспертные мненияDuhas писал(а):а на сколько нужны подтягивающие? тем более туды/сюды? может кто-то рассказать надо не надо и почему?
Источник: http://easyelectronics.ru/osnovy-na-palcax-chast-2.htmlДело в том, что раз входы микросхем имеют огромное сопротивление, то на них наводится куча помех буквально из воздуха, а следовательно значение на входе может принимать совершенно случайный вид. Поэтому то неиспользованные входы либо сажают на землю, либо через резистор подтягивают к плюсу, чтобы там было определенное напряжение, либо ноль, либо плюс питания соответственно.
Мой сайт: http://selenur.ru
Исходники моих программ: https://github.com/selenur
Instagram https://www.instagram.com/zheigurov/
Исходники моих программ: https://github.com/selenur
Instagram https://www.instagram.com/zheigurov/
- Serg
- Мастер
- Сообщения: 21923
- Зарегистрирован: 17 апр 2012, 14:58
- Репутация: 5183
- Заслуга: c781c134843e0c1a3de9
- Настоящее имя: Сергей
- Откуда: Москва
- Контактная информация:
Re: Контроллер для LinuxCNC (Ethernet + STM32)
Подтягивающие нужны, есть соотв. методика расчёта. В общем случае можно поставить по 560 Ом. С другой стороны am26c32 уже имеет внутреннюю схему подтяжки.
Если делать универсальные входы как показано на схеме, то нужно предусмотреть перевод выходов am26c32 в высокоимпендансное состояние. Ну а высокое напряжение энкодера - это проблема подключающего, пусть обеспечивает заданные уровни на входе как хочет.
Если делать универсальные входы как показано на схеме, то нужно предусмотреть перевод выходов am26c32 в высокоимпендансное состояние. Ну а высокое напряжение энкодера - это проблема подключающего, пусть обеспечивает заданные уровни на входе как хочет.
Я не Христос, рыбу не раздаю, но могу научить, как сделать удочку...
- MX_Master
- Мастер
- Сообщения: 7490
- Зарегистрирован: 27 июн 2015, 19:45
- Репутация: 3113
- Настоящее имя: Михаил
- Откуда: Алматы
- Контактная информация:
Re: Контроллер для LinuxCNC (Ethernet + STM32)
у TI есть другие диф. ресиверы в том же корпусе. На +-15V я точно где-то видел, когда подбирал. Надо у китайцев наличие уточнить. http://www.ti.com/interface/rs-485-rs-422/products.htmlN1X писал(а):Ну и давай, Михаил, чтоб тебе спалось хорошо:
Ты же за универсальность? Энкодеры есть TTL, а есть HTL. У последних может и 15В на выходе быть ))) Например широко известные старые ВЕ178А, которые иногда народ пытается пользовать из-за дешевизны...
Даже не знаю как. Разве что вырубить 74ALVC164245 (1OE=1,2OE=1), когда энкодеры не используются.UAVpilot писал(а):Если делать универсальные входы как показано на схеме, то нужно предусмотреть перевод выходов am26c32 в высокоимпендансное состояние.
Последний раз редактировалось MX_Master 10 окт 2019, 13:35, всего редактировалось 1 раз.
-
D.L.
- Мастер
- Сообщения: 474
- Зарегистрирован: 25 авг 2018, 10:11
- Репутация: 152
- Настоящее имя: Дмитрий
- Откуда: Киров
- Контактная информация:
Re: Контроллер для LinuxCNC (Ethernet + STM32)
Входом G или /G am26c32, каким будет удобнее.MX_Master писал(а):Даже не знаю как.
-
Lunatic
- Мастер
- Сообщения: 460
- Зарегистрирован: 09 мар 2015, 20:25
- Репутация: 75
- Настоящее имя: Дмитрий
- Контактная информация:
Re: Контроллер для LinuxCNC (Ethernet + STM32)
Нет, вырубать дифприемник входом G.MX_Master писал(а):Даже не знаю как. Разве что вырубить 74ALVC164245 (1OE=1,2OE=1), когда энкодеры не используются.UAVpilot писал(а):Если делать универсальные входы как показано на схеме, то нужно предусмотреть перевод выходов am26c32 в высокоимпендансное состояние.
Re: Контроллер для LinuxCNC (Ethernet + STM32)
Ds26ls32 до 15 вольт на вход подавать можно, насколько помнится.
Комплект плат PinCET для модернизации станков на Linuxcnc.
http://www.cnc-club.ru/forum/viewtopic. ... 16#p268407
http://www.cnc-club.ru/forum/viewtopic. ... 16#p268407
- MX_Master
- Мастер
- Сообщения: 7490
- Зарегистрирован: 27 июн 2015, 19:45
- Репутация: 3113
- Настоящее имя: Михаил
- Откуда: Алматы
- Контактная информация:
Re: Контроллер для LinuxCNC (Ethernet + STM32)
D.L. писал(а):Входом G или /G am26c32, каким будет удобнее.
Что-то я тупанул. Спасибо за правильный пинокLunatic писал(а):Нет, вырубать дифприемник входом G.
- solo
- Мастер
- Сообщения: 1374
- Зарегистрирован: 20 окт 2011, 18:39
- Репутация: 272
- Настоящее имя: Юрий Соловьев
- Откуда: Украина Харьков
- Контактная информация:
Re: Контроллер для LinuxCNC (Ethernet + STM32)
когда подключал себе энкодеры ( линейки) по ЛПТ к LinuxCNC были проблемы с помехами , UAVpilot посоветовал подтянуть входа ЛПТ энкодеров к "0" через резюк 2Ком , очень помогло , провода от энконеров длинной около 1.5м помехи перестали ловить
- MX_Master
- Мастер
- Сообщения: 7490
- Зарегистрирован: 27 июн 2015, 19:45
- Репутация: 3113
- Настоящее имя: Михаил
- Откуда: Алматы
- Контактная информация:
Re: Контроллер для LinuxCNC (Ethernet + STM32)
Пробежался по докам. У всех ресиверов, типа LS32, рекомендовано +-7V. Или рекомендаций вовсе нет (хитрость производителя). Абсолютный максимум везде +-25V. Так что подключить +-15V энкодеры к DS26LS32, канеш, можно. Но чем оно грозит в долгосрочке, непонятноmmv писал(а):Ds26ls32 до 15 вольт на вход подавать можно, насколько помнится.
Смотрю я на эту картинку, вспоминаю слова Сергея (UAVpilot), и немного засомневался. Действительно ли нужны внешние резисторы подтяжки/оттяжки для диф. приёмника?
-
Lunatic
- Мастер
- Сообщения: 460
- Зарегистрирован: 09 мар 2015, 20:25
- Репутация: 75
- Настоящее имя: Дмитрий
- Контактная информация:
Re: Контроллер для LinuxCNC (Ethernet + STM32)
Если это энкодерный вход, который подразумевает длинные кабели, то конечно нужны.
- Serg
- Мастер
- Сообщения: 21923
- Зарегистрирован: 17 апр 2012, 14:58
- Репутация: 5183
- Заслуга: c781c134843e0c1a3de9
- Настоящее имя: Сергей
- Откуда: Москва
- Контактная информация:
Re: Контроллер для LinuxCNC (Ethernet + STM32)
В даташите что написано?..MX_Master писал(а):Смотрю я на эту картинку, вспоминаю слова Сергея (UAVpilot), и немного засомневался. Действительно ли нужны внешние резисторы подтяжки/оттяжки для диф. приёмника?
Я не Христос, рыбу не раздаю, но могу научить, как сделать удочку...