Ethernet контроллер для LinuxCNC (STM32, FPGA)
- Сергей Саныч
- Мастер
- Сообщения: 9116
- Зарегистрирован: 30 май 2012, 14:20
- Репутация: 2858
- Откуда: Тюмень
- Контактная информация:
Re: Плата развязки для LinuxCNC (Ethernet + STM32)
В эмиттерной цепи транзисторов оптронов нет нормальной нагрузки, чтобы обеспечить нормальный 0 на входе буферного регистра (кстати, почему отказался от прямого подключения к МК?) Светодиод имеет прямое падение 1,5-3 В, в зависимости от цвета.
Чудес не бывает. Бывают фокусы.
- N1X
- Мастер
- Сообщения: 3653
- Зарегистрирован: 16 фев 2015, 21:19
- Репутация: 1646
- Настоящее имя: Владимир
- Откуда: Беларусь, Гомель
- Контактная информация:
Re: Плата развязки для LinuxCNC (Ethernet + STM32)
Светодиод вот как раз за буфер перенести, тогда можно будет нормально режим оптопары выставить, и нормальную яркость индикации получить...
это я выше писал... Во-первых триггер Шмидта на входе не лишний, во-вторых вот как раз с индикацией проще, т.к. на прямую к оптрону конечно можно прицепить, но имеется куча ограничений...
Ну так советчиков дофигаСергей Саныч писал(а):кстати, почему отказался от прямого подключения к МК?
-
dpss-2
- Мастер
- Сообщения: 628
- Зарегистрирован: 02 сен 2018, 15:15
- Репутация: 305
- Настоящее имя: Alex
- Контактная информация:
Re: Плата развязки для LinuxCNC (Ethernet + STM32)
Вообще то такие схемы всегда сначала считали. Сейчас модно моделировать. Это если есть нормальные адекватные модели компонентов. Помнится в далекие тоталитарные времена читали нам всякие разные курсы, типа основы теории цепей, переходные процессы, и т.п. Если хотите по быстрому и с надежностью брендового изделия, то скалывайте готовые решения вместе с номиналами и топологией с тиражного изделия. Или доставайте бубен шамана и зайчью лапку.
- MX_Master
- Мастер
- Сообщения: 7488
- Зарегистрирован: 27 июн 2015, 19:45
- Репутация: 3113
- Настоящее имя: Михаил
- Откуда: Алматы
- Контактная информация:
Re: Плата развязки для LinuxCNC (Ethernet + STM32)
Я не мог ни от чего отказаться, т.к. сделать продуманный выбор маловато опыта
Можем потом на разных симуляторах погонять.
Ревизия №3
Можем потом на разных симуляторах погонять.
Ревизия №3
- Сергей Саныч
- Мастер
- Сообщения: 9116
- Зарегистрирован: 30 май 2012, 14:20
- Репутация: 2858
- Откуда: Тюмень
- Контактная информация:
Re: Плата развязки для LinuxCNC (Ethernet + STM32)
А теперь нормальной единицы не получишь 
Сказано же:
Сказано же:
N1X писал(а):Светодиод вот как раз за буфер перенести
Чудес не бывает. Бывают фокусы.
-
D.L.
- Мастер
- Сообщения: 474
- Зарегистрирован: 25 авг 2018, 10:11
- Репутация: 152
- Настоящее имя: Дмитрий
- Откуда: Киров
- Контактная информация:
Re: Плата развязки для LinuxCNC (Ethernet + STM32)
И буфер заменить на 74HC7541 - упрощается разводка и он сразу на 8мь оптронов(на 2 сборки).
В tssop20(74HC7541PW) минимум места на плате - вобще красота.
В tssop20(74HC7541PW) минимум места на плате - вобще красота.
- Сергей Саныч
- Мастер
- Сообщения: 9116
- Зарегистрирован: 30 май 2012, 14:20
- Репутация: 2858
- Откуда: Тюмень
- Контактная информация:
Re: Плата развязки для LinuxCNC (Ethernet + STM32)
Ну и номиналы входных резисторов тоже как бы "отфонарные". Если от 24 вольт еще может будет как-то работать (какой у этого оптрона номинальный ток?), то от 5 - гарантированно нет.
Чудес не бывает. Бывают фокусы.
- MX_Master
- Мастер
- Сообщения: 7488
- Зарегистрирован: 27 июн 2015, 19:45
- Репутация: 3113
- Настоящее имя: Михаил
- Откуда: Алматы
- Контактная информация:
Re: Плата развязки для LinuxCNC (Ethernet + STM32)
Да, пока что от фонаряСергей Саныч писал(а):Ну и номиналы входных резисторов тоже как бы "отфонарные".
Совет принят (: Но у мега китайца, где я обычно закупаюсь, такого нет. 24 входа - это ровно 4 штуки SN74LVC14ADR. Так что тоже сходится.D.L. писал(а):И буфер заменить на 74HC7541 - упрощается разводка и он сразу на 8мь оптронов(на 2 сборки).
В tssop20(74HC7541PW) минимум места на плате - вобще красота.
Вариант №4Сергей Саныч писал(а):А теперь нормальной единицы не получишь
- N1X
- Мастер
- Сообщения: 3653
- Зарегистрирован: 16 фев 2015, 21:19
- Репутация: 1646
- Настоящее имя: Владимир
- Откуда: Беларусь, Гомель
- Контактная информация:
Re: Плата развязки для LinuxCNC (Ethernet + STM32)
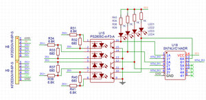
Номер 5 давай, светодиоды не правильно включены. Анодом через резистор на плюс, катодом на линию.
-
D.L.
- Мастер
- Сообщения: 474
- Зарегистрирован: 25 авг 2018, 10:11
- Репутация: 152
- Настоящее имя: Дмитрий
- Откуда: Киров
- Контактная информация:
Re: Плата развязки для LinuxCNC (Ethernet + STM32)
С 74HC7541 будет заметно проще разводка чем с 74LVC14, особенно это будет заметно на двухслойной плате.MX_Master писал(а):Совет принят (: Но у мега китайца, где я обычно закупаюсь, такого нет. 24 входа - это ровно 4 штуки SN74LVC14ADR. Так что тоже сходится.
На 808D используются SN74AHC14PW, но там и плата многослойная.
- Сергей Саныч
- Мастер
- Сообщения: 9116
- Зарегистрирован: 30 май 2012, 14:20
- Репутация: 2858
- Откуда: Тюмень
- Контактная информация:
Re: Плата развязки для LinuxCNC (Ethernet + STM32)
а не в разрыв линииN1X писал(а):светодиоды не правильно включены. Анодом через резистор на плюс, катодом на линию.
И еще: у IN2 и IN3 полярность перепутана.
Чудес не бывает. Бывают фокусы.
- MX_Master
- Мастер
- Сообщения: 7488
- Зарегистрирован: 27 июн 2015, 19:45
- Репутация: 3113
- Настоящее имя: Михаил
- Откуда: Алматы
- Контактная информация:
Re: Плата развязки для LinuxCNC (Ethernet + STM32)
Полярность, кажись, на месте. У этих оптопар оба диода внутре световыеСергей Саныч писал(а):И еще: у IN2 и IN3 полярность перепутана.
Хотя по виду можно подумать, что первый просто защитный.
N1X писал(а):Номер 5 давай, светодиоды не правильно включены. Анодом через резистор на плюс, катодом на линию.
ПятыйСергей Саныч писал(а):а не в разрыв линии
- solo
- Мастер
- Сообщения: 1374
- Зарегистрирован: 20 окт 2011, 18:39
- Репутация: 272
- Настоящее имя: Юрий Соловьев
- Откуда: Украина Харьков
- Контактная информация:
Re: Плата развязки для LinuxCNC (Ethernet + STM32)
А не перепутана маркировка входов ин2+ и ин2- ну и соответственно и ин3
- MX_Master
- Мастер
- Сообщения: 7488
- Зарегистрирован: 27 июн 2015, 19:45
- Репутация: 3113
- Настоящее имя: Михаил
- Откуда: Алматы
- Контактная информация:
Re: Плата развязки для LinuxCNC (Ethernet + STM32)
Я думаю, что нетsolo писал(а):А не перепутана маркировка входов ин2+ и ин2- ну и соответственно и ин3
- merkwurdigliebe
- Мастер
- Сообщения: 609
- Зарегистрирован: 17 дек 2013, 22:14
- Репутация: 580
- Откуда: București
- Контактная информация:
Re: Плата развязки для LinuxCNC (Ethernet + STM32)
по пятому варианту 
светодиоды индикации так получатся инвертированными. можно еще раз их перевернуть и катодами на землю вместо 3.3
зачем на разъемах H8 H9 +5 +24 и (sic!) сигнальная земля?
светодиоды индикации так получатся инвертированными. можно еще раз их перевернуть и катодами на землю вместо 3.3
зачем на разъемах H8 H9 +5 +24 и (sic!) сигнальная земля?
- Сергей Саныч
- Мастер
- Сообщения: 9116
- Зарегистрирован: 30 май 2012, 14:20
- Репутация: 2858
- Откуда: Тюмень
- Контактная информация:
Re: Плата развязки для LinuxCNC (Ethernet + STM32)
Таки переименовать входы лучше, чтоб не смущало. Скажем, в IN1A и IN1B.
Чудес не бывает. Бывают фокусы.
-
dpss-2
- Мастер
- Сообщения: 628
- Зарегистрирован: 02 сен 2018, 15:15
- Репутация: 305
- Настоящее имя: Alex
- Контактная информация:
Re: Плата развязки для LinuxCNC (Ethernet + STM32)
От 5 вольт никто в пром. автоматике не делает. Обычно порог 16 - 18 вольт.Сергей Саныч писал(а):то от 5 - гарантированно нет
- solo
- Мастер
- Сообщения: 1374
- Зарегистрирован: 20 окт 2011, 18:39
- Репутация: 272
- Настоящее имя: Юрий Соловьев
- Откуда: Украина Харьков
- Контактная информация:
Re: Плата развязки для LinuxCNC (Ethernet + STM32)
Так на вывод 5 (u15) должен наверное in2+ подключатся или я шота туплю
- MX_Master
- Мастер
- Сообщения: 7488
- Зарегистрирован: 27 июн 2015, 19:45
- Репутация: 3113
- Настоящее имя: Михаил
- Откуда: Алматы
- Контактная информация:
Re: Плата развязки для LinuxCNC (Ethernet + STM32)
Чтобы было чем накормить гостей. Но насчёт сигнальной земли я согласен. Надобно какой-то фильтр. Вот dpss-2 советовалmerkwurdigliebe писал(а):зачем на разъемах H8 H9 +5 +24 и (sic!) сигнальная земля?
Оптрону с двумя светодиодами можно и наоборотsolo писал(а):Так на вывод 5 (u15) должен наверное in2+ подключатся или я шота туплю
Если я правильно понял.merkwurdigliebe писал(а):светодиоды индикации так получатся инвертированными. можно еще раз их перевернуть и катодами на землю вместо 3.3
6-й вариант.
- Сергей Саныч
- Мастер
- Сообщения: 9116
- Зарегистрирован: 30 май 2012, 14:20
- Репутация: 2858
- Откуда: Тюмень
- Контактная информация:
Re: Плата развязки для LinuxCNC (Ethernet + STM32)
А автор для промавтоматики старается или для любителей, в основном? Понятно, что 24В с точки зрения помехозащищенности лучше. Но у хоббистов сплошь и рядом пятивольтовые сигналы.dpss-2 писал(а):От 5 вольт никто в пром. автоматике не делает. Обычно порог 16 - 18 вольт.
Чудес не бывает. Бывают фокусы.